鱼骨的资源化及其作为水体中Hg2 吸附剂的性能及机理研究毕业论文
2020-04-09 12:04:36
摘 要
汞元素被认为是最具危害性的重金属元素之一,具有易迁移和高生物富集的特点,毒性极强,因此环境汞污染的治理具有重要意义。本研究首先通过简单的热处理将废弃鱼骨制备成鱼骨炭材料,并利用X射线衍射光谱、高分辨率透射电镜等技术表征了鱼骨碳材料的化学成分和表面形貌等;然后以水体中Hg2 为研究对象,通过吸附动力学和吸附热力学考察了鱼骨碳材料对Hg2 的脱除性能,并基于X射线光电子能谱分析等技术揭示了鱼骨碳材料对Hg2 的吸附机理。热重分析(TGA)结果显示制备鱼骨碳的最佳煅烧温度为500℃。X射线衍射分析(XRD)和傅里叶变换红外光谱学(FTIR)表征结果说明鱼骨炭的主要成分为羟基磷灰石。BET表征结果说明鱼骨炭比表面积达117.174 m2/g,是一种优良的微介孔材料。吸附动力学实验结果显示吸附反应平衡需要约三小时,同时符合准一级和准二级动力学模型,说明鱼骨炭对汞的脱除可能以物理吸附与化学吸附相结合的方式起作用。pH影响实验说明吸附的最佳pH为3。吸附等温线实验结果说明鱼骨炭对汞离子吸附量最大值可达243.77 mg/g,且该反应同时符合Langmuir模型和Freundlich模型。光电子能谱(XPS)表征,离子交换验证实验和pH阻力实验结果揭示鱼骨炭吸附汞的机理包括鱼骨炭主要成分羟基磷灰石中Ca2 与Hg2 的离子交换作用,鱼骨炭表面≡Ca(OH)2 与Hg2 的络合作用及荷负电鱼骨碳与阳离子Hg2 的静电作用。本研究将餐厨垃圾鱼骨转化为高效汞离子吸附剂,实现了固体废弃物的资源化利用。
关键词:汞吸附;鱼骨炭;资源化;离子交换;表面络合
Abstract
Mercury, acknowledged as one of the most dangerous elements in the world, is a pervasive, persistent, and bio-accumulative contaminant. The treatment of mercury matters the fate of the entire humanity. The Hg2 removal performance of fishbone charcoal prepared from discarded fishbone has been investigated in this work. The XRD, FTIR results demonstrated that the main composition of fishbone charcoal was hydroxyapatite. BET suggested that the specific surface area of fishbone charcoal was 117.174 m2/g and fishbone charcoal was mesoporous material with a certain amount of micropores. The adsorption kinetic experiments manifested that the equilibrium consumed about 3 hours. The result fitted both well in pseudo first-order and second-order model, indicating that the adsorption of mercury on fishbone charcoal might be combination of physical adsorption and chemical sorption. The pH effect experiments showed the optimal pH for removing mercury was 3. The adsorption isotherm experiments indicated that fishbone charcoal had an extremely high adsorption capacity for Hg2 (243.77 mg/g), and the adsorption was in fabulous agreement with both Langmuir model and Freundlich model for mercury sorption on the fishbone charcoal according to the R2. SEM-EDS proved mercury was successfully adsorbed upon the surface of fishbone charcoal. The excellent Hg2 adsorption capacity might be ascribed to the ion exchange of Hg2 to the Ca2 in the structure of fishbone charcoal, complexation of Hg2 with ≡Ca(OH)2 on the surface of fishbone charcoal, as well as electrostatic interaction between electronegative fishbone charcoal surface and cation Hg2 . This work transformed kitchen garbage (i.e. fishbone) into an effective mercury adsorbent with considerable capacity, giving a perspective sight for the utilization of solid waste.
Key Words: Mercury Adsorption; Fishbone Charcoal; Recycle; Ion Exchange; Surface Complexation;
目 录
第1章 绪论 1
1.1汞污染概述 1
1.1.1 汞的危害 1
1.1.2 含汞废水来源 2
1.2含汞废水处理技术概述 2
1.2.1 化学沉淀法 3
1.2.2 离子交换法 3
1.2.3电解法 3
1.2.4还原法 4
1.2.5微生物法 4
1.2.6吸附法 4
1.3 鱼骨材料应用现状 5
1.3.1鱼骨等下脚料处理应用概况 5
1.3.2鱼骨改性材料应用概况 5
1.3.3鱼骨炭作为吸附材料的应用 5
1.4研究目的及意义 7
1.5 研究内容与技术路线 7
1.5.1研究内容 7
1.5.2 技术路线 8
第2章 实验材料及研究方法 9
2.1 实验原料及设备 9
2.1.1 实验试剂 9
2.1.2 实验设备 9
2.2 实验方法 11
2.2.1 鱼骨炭的制备 11
2.2.2 吸附行为研究 12
第3章 鱼骨及鱼骨炭的表征分析 16
3.1 XRD 16
3.2 FTIR 17
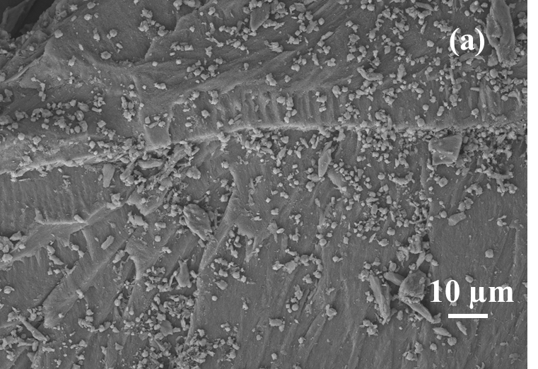
3.3 SEM 18
3.4 BET 18
第4章 鱼骨炭对汞离子的吸附性能研究 20
4.1 吸附动力学 20
4.2 吸附等温线 21
4.3 溶液pH对鱼骨炭吸附汞的影响 23
第5章 鱼骨炭对汞离子的吸附机理讨论 25
5.1 离子交换作用 25
5.2 表面络合作用 26
5.3 静电吸附作用 27
第6章 结论与展望 30
6.1 结论 30
6.2 展望 30
参考文献 31
致 谢 35
第1章 绪论
1.1汞污染概述
1.1.1 汞的危害
汞,又名水银,英文名为Mercury,元素符号为Hg,位于元素周期表第6周期第Ⅱ主族,原子序号80,原子量200.59,是一种在常温下呈银白色液体形态的过度金属元素。汞存在的具体形式与水溶液的pH、温度、阴离子含量及种类等因素相关,并不是以简单阳离子的形式出现,主要有单质,无机汞和有机汞三种存在形式。汞元素被认为是最具危害性的重金属元素之一,具有持久性、易迁移性和高度的生物富集性,毒性很强,环境中任何形式的汞均可在一定条件下转化为剧毒的甲基汞[1]。汞的毒性非常剧烈,除具有明显的神经毒性外,对内分泌系统、免疫系统等也有不良影响。在动植物体内,组成蛋白质的氨基酸通过巯基相连,巯基与汞能结合形成稳定的络合物,而人体内大多数功能性的酶都是蛋白质,例如细胞色素氧化酶和琥珀酸脱氢酶等,汞会与酶蛋白络合,导致其失活,从而引发病变。此外,氨基、磷酰基、羧基这些基团也可以与汞络合,导致功能基团活性损坏,阻碍了细胞的生物活性和正常代谢,最终致使各种病变。
1953年日本九州的水俣湾爆发了震惊世界的水俣病,这是因为当地以乙炔为原料的乙醛生产厂,在生产中使用了氯化汞作为催化剂,废水排污中含有大量无机汞盐[2]。氯化汞作为催化剂使用后被排入海中,在海洋生物体内代谢,生成了甲基氯汞和二甲基汞等有机汞,并在食物链中富集起来,最终随着渔获进入熊本沿海居民的食物,灾难蓄积了二十余年才爆发。从1950年开始,水俣附近的海面上就开始聚集游泳笨拙的鱼,接着就出现了溺毙的海鸟,又过了两年,水俣的猫开始疯癫流涎,投海自尽五万多只,这样的症状很快蔓延到狗和猪身上,终于到了1956年,水俣的市民开始失明痉挛,口齿不清,走路不稳,癫狂抽搐,最后在惨绝人寰的嚎哭中死去。当地四万居民中有一万居民殃及受害,1784人最终死亡。这样的惨剧并未断绝,1965年的日本新泻,1970年的加拿大安大略湖,1982年中国的松花江哈尔滨段,都发生了大规模的汞中毒公害事件。有机汞具有这样可怕的威力,来自其中的甲基汞,它的有机部分具有极强的脂溶性,极易渗入生物组织,难以代谢排出。自然界的甲基汞会随着食物链不断向上级汇聚,人类作为食物链的顶端,从野生动物中富集甲基汞的效率也同样最高,所以受荼毒也最深重。汞离子与硫离子结合非常稳定,千年朱砂红而不衰就是因此,而蛋白质的一级结构有很多含硫的残基,同样容易与汞离子结合而变形失活,给机体带来全面的破坏,与硫同族的硒元素也极易与汞结合,而哺乳动物体内负责平衡自由基的硫氧还原蛋白酶是一种含硒的蛋白质,大脑作为体内耗氧最高的器官,自由基生产最快,所以硫氧还原蛋白酶格外活跃,甲基汞因此迅速富集在中枢神经系统,使大脑遭受过量氧化,缓慢地烧死。同样,孕妇体内的新生儿也是甲基汞攻击的对象,平均每份甲基汞能使一亿倍的硫氧还原蛋白酶失活。1996年8月,女化学家凯伦.维特哈恩不慎将两滴二甲基汞溶液滴在手上,二甲基汞的分子在15s内就渗透橡胶手套进入她体内,三个月后她开始腹痛,体重锐减,五个月后步履蹒跚,口齿不清,尽管接受了积极的螯合治疗,但她仍在三个星期后陷入昏迷,翌年去世。
联合国环境规划署(UNEP)2003年2月发布的全球汞状况评估报告显示,自工业革命以来,汞在全球大气、水、土壤中的含量增加了3倍左右。《中华人民共和国环境保护法》对水体中汞离子的浓度做出要求:生活饮用水中汞的含量不得高于0.001 mg/L。部分地区部分水质要求汞不得检出。汞污染的防治已经在全国范围内得到了重视,严格治理环境汞污染也是人类生存所必须解决的问题。
1.1.2 含汞废水来源
汞及其化合物的应用非常广,早期,人们就将天然HgS(朱砂)作为颜料来使用,并能够采用密闭法从中提取出汞单质,此外,汞还被当作药物来被使用。随后,汞与其化合物在工业上得到了广泛的应用,例如颜料、催化剂、日光灯、温度计、电子设备制造及氯碱工业等。据统计世界范围每年散布在环境中的汞约达5×103 t[3]。随着汞生产工艺的产业化以及汞的工业应用,其对环境的影响开始凸显出来。汞污染的来源主要包括自然污染和人为污染。自然污染主要是自然风化、火山爆发、植被释放等,人为污染包括城市生活垃圾中含汞废物的泄露、含汞燃料被燃烧后的释放、有色金属冶炼、化工行业排放及汞矿开采过程造成的污染等。其中,含汞煤炭燃烧和有色金属冶炼是大气中汞污染物的主要来源。水体中汞一部分直接来源于制药、水泥、电子、氯碱等行业的生产废水及汞矿矿井废水的排放,一部分由排放至大气中的汞通过湿沉降的形式进入,还有一部分由土壤及固体废弃物中的汞经由雨水淋洗转移至水体之中。
1.2含汞废水处理技术概述
含汞废水危害极大,是废水处理技术研究的热点之一。目前针对含汞废水,科研工作者们提出来化学沉淀法、离子交换法、电解法、还原法、微生物法、吸附法等方法以期对含汞含废水有效处理[1,3–10,10–14]。各种处理技术的效果和经济性取决于汞的存在形式、废水成分与浓度、废水中的共存离子以及要求达到的除汞程度等。
1.2.1 化学沉淀法
化学沉淀法是应用较为普遍的一种除汞方法。化学沉淀法能处理不同浓度梯度的含汞废水。常见的方法包括中和沉淀法、硫化物沉淀法和中和凝聚法等。机理在于向含汞废水中加入氢氧根离子或是硫离子,通过与汞离子结合沉淀以达到去除汞的目的。由于汞离子与硫离子有很强的亲和力,能够生成溶度积很小(氢氧化汞的溶度积为3×10-26,硫化汞的溶度积为 4×10-53)的硫化物,但过量的硫化物常会生成硫化氢气体造成二次污染,因此限制了化学沉淀法的广泛应用。
唐志军[15]等使用硫氢化钠化学沉淀-膜分离工艺处理唐山PVC制造企业生产过程中产生的实际含汞废水。首先将水样pH调节至6.0到9.0之间,投加PAC去除悬浮物,然后加入一定量硫氢化钠与汞发生沉淀作用形成难溶化合物,最后利用过滤及膜分离的方法实现固液分离。通过对储水的连续监测发现该工艺能使出水中汞质量分数低于5×10-9。邓蓬[16]研究了使用硫化沉淀浮选法将溶液中汞和铅去除,既可以通过共沉淀的方式将两者同时去除,也可以通过分步沉淀的方法对二者进行分段回收。实验表明离子的初始浓度及pH对处理效果影响较小,在采用分步法处理废水时,在一定的条件下能使得水中剩余汞和铅的浓度分别低于0.03mg/L和0.20mg/L,回收率分别可达99.80%和99.50%。
1.2.2 离子交换法
离子交换法还可以理解为膜分离法,汞在废水中以汞的阳离子、阴离子络合物和游离的金属汞等形式存在,用特殊的膜材料如树脂可以去除汞的络合阴离子,但这种方式的处理效果差,出水的含汞量一般在0.1 ppm以上,而且由于其他阴离子的存在,特别是氯化物含量高时,影响树脂对汞的交换容量。
刘春萍[17]等用8-羟基喹啉对DK-110树脂进行接枝改性,制备得到了一种新型螯合型离子交换树脂(HQDK-110)并研究了其对汞的提取性能。实验发现,当pH约为4.5,温度为25℃的条件下,HQDK-110的吸附容量可达2.496×10-3 mol/g。改性后的树脂的吸附容量变大,稳定性提高,还可用脱附剂进行清洗后反复使用。
1.2.3电解法
电解(Electrolysis)是将电流通过电解质溶液或熔融态物质(又称电解液),在阴极和阳极上引起氧化还原反应的过程。通过电解法可以在阴极得到金属汞从而除去废水中的汞。电解法作为治理重金属废水的主要方法之一运行可靠,操作简单,可以用于高浓度无机汞废水的有效处理方法。但此法存在耗电量高、电极板消耗大、处理成本高等问题。
1.2.4还原法
还原法处理含汞废水的原理就是利用毒性生小而电极电位又低的铁、铜、锌、铝等金属能够从废水中置换出汞元素的能力。其中铁、锌的效果较好,且其价格低,溶液损失少,并且反应速率且较快。但是此方法适用于成分单一的含汞废水,而且汞残留量高,需要结合其他方法使用。
1.2.5微生物法
微生物处理法应用藻类、细菌、真菌等对汞离子的吸附作用。生物法用于含汞废水的处理尚处于研究阶段,由于它的诸多优点如:运行费用低,操作pH和温度范围宽,选择性高及处理后的废水含汞量极低。微生物及其分泌物,如EPS(胞外聚合物)等高分子蛋白质,对汞有极强的亲和性,且耐性高。然而处理后的产物不易收集进一步处理。
1.2.6吸附法
吸附法是利用多孔固体吸附剂去除废水中污染物的方法。吸附就是废水中的污染物通过固-液界面上的物质传递,转移到固体吸附剂上的过程。按照吸附剂表面吸附机理的不同,分为物理吸附、化学吸附和离子交换吸附。废水处理中的吸附一般是多种吸附机理同时存在。活性炭吸附法能有效地吸附废水中的汞,废水含汞浓度高时,可先进行一级处理,降低废水汞浓度后再用活性炭吸附。
吸附法的核心毋庸讳言是吸附剂的选择。找到一种高效吸附剂是本方法的关键。前人已有研究将椰子壳处理后获得的活性炭用于处理废水除汞。这种类似的从不同原料中取得廉价高效吸附剂的实例还有很多,比如洋葱皮、废弃橡胶、泥浆、花生壳和亚麻纤维等[18,19]。最近,许多研究选择含硫物质或含巯基物质作为吸附剂或是改性后进行汞吸附,获得极为可观的吸附量,如武汉理工大学贾菲菲等通过改性辉钼矿及合成纳米二硫化钼对汞离子有极强的亲和性,吸附量达305 mg/g以上[20]。浙江大学孙悦等通过合成FeS并负载在Al2O3上,吸附量达769.2mg/g[21,22]。这类吸附剂虽然效果极好然而制备繁琐,且不易收集吸附后产物。因此,高效低成本易制备的汞去除剂仍具有客观的研究及发展空间。
1.3 鱼骨材料应用现状
1.3.1鱼骨等下脚料处理应用概况
鱼类具有广泛的应用价值,主要是被作为食用原料。而在鱼产品的食用方面,人们往往将其制作成各种各样的鱼产品,而在鱼产品加工的过程中,必然会产生大量的鱼加工废弃物,其质量占原料鱼的40%至50%[23]。
国内外目前对鱼加工废弃物的处理及利用呈现多样化,目前主要有以下应用趋势:
以上是毕业论文大纲或资料介绍,该课题完整毕业论文、开题报告、任务书、程序设计、图纸设计等资料请添加微信获取,微信号:bysjorg。
相关图片展示:









