SBR污水处理工艺设计毕业论文
2020-02-29 10:15:35
摘 要
随着我国经济的飞速发展,城镇生活污水和工业废水的产量日益增加,随之给环境带来严重影响。污水处理工艺是一座污水处理厂的核心部分,选取合适的污水处理工艺对于后期污水处理厂的设计与建设有相当重要的意义,也决定着污水净化效果的好坏。本设计旨在选用SBR工艺或其变形,在一定条件下对给定污水进行处理,以达到降低污水中有机物含量和脱氮除磷的目的。在综合考虑各方面条件后,选用CASS工艺作为本设计的核心工艺。本设计需要完成的任务是通过设计计算进行污水处理厂的平面布置并绘制厂区平面图、进行构筑物高程计算并绘制高程图、进行构筑物尺寸计算并绘制构筑物的平面图和剖面图。
关键词:SBR工艺;CASS工艺;污水处理厂
Abstract
With the rapid development of economy in our country, the production of urban domestic sewage and industial wastewater is increasing, then brings some serious influences to the environment.Sewage treatment technology is the core part of a sewage treatment plant.The selection of proper sewage treatment technology has quite important meaning for wastewater treatment plant design and construction,which also determines the effect of sewage purification. This design aims to decrease organic matter content in the sewage as well as nitrogen and phosphorus by the SBR process or its deformation under certain given conditions. CASS process is selected as the core process of this design after considering all aspects.The task of this design is to carry out the layout of the sewage treatment plant and draw the plan of the plant area layout,to calculate the height of the structure and draw the elevation diagram,to calculate the size of the structure and draw the plan and section of the structure
Keywords: SBR; CASS; sewage treatment plant
目录
第一章 设计概况及工艺选择 1
1 设计任务 1
2 设计原始资料 1
3 水质要求 1
4 污水处理程度 1
5 工艺比选 2
5.1 SBR工艺概述 2
5.2 SBR工艺的变形 3
5.3 工艺选择 6
6 工艺流程设计 6
6.1 预处理工艺 6
6.2 核心处理工艺 6
6.3 污泥处理工艺 7
第二章 污水处理构筑物设计计算 8
1 中格栅 8
1.1 设计概述 8
1.2 设计计算 8
1.3 设备选用 10
2 集水井和提升泵房 11
2.1 设计说明 11
2.2 污水泵的选用 12
2.3 集水井设计计算 12
3 细格栅 13
3.1 设计计算 13
3.2 设备选用 14
4 沉砂池 15
4.1 沉砂池概述及设计要点 15
4.2 旋流沉砂池设计 16
4.2.1 设计参数 16
4.2.2 设计计算 16
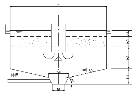
5 CASS池 18
5.1 CASS池概述 18
5.2 设计计算 18
5.2.1 进水条件 18
5.2.2 参数计算 19
5.3 曝气池布置 25
6 消毒设计 26
6.1 设计概述 26
6.2 加药间设计 26
6.3 接触消毒池设计 27
6.3.1 设计概述 27
6.3.2 设计计算 27
7 巴氏计量槽 28
7.1 设计概述 28
7.2 设计计算 28
第三章 污泥处理设计 30
1 重力浓缩池 30
1.1 设计概述 30
1.2 设计计算 30
2 贮泥池 32
3 污泥厌氧消化池 32
3.1 设计概述 32
3.2 厌氧消化池尺寸设计 33
3.3 污泥搅拌系统设计 35
3.3.1 搅拌系统概述 35
3.3.2 设计计算 35
3.4 沼气收集系统设计 36
4 污泥脱水 37
4.1 设计概述 37
4.2 脱水设计 38
4.2.1 脱水前预处理 38
4.2.2 设计计算 39
5 污泥消毒 39
第四章 污水处理厂布置 41
1 厂址选择和厂区与绿化 41
1.1 厂址选择 41
1.2 厂区道路与绿化 41
2 构筑物尺寸汇总 42
2.1 污水处理构筑物 42
2.2 辅助建筑 42
3构筑物高程布置 43
3.1 水头损失计算 43
3.1.1 构筑物水头损失 43
3.1.2 管渠水头损失 43
3.2 高程计算 44
参考文献 46
致谢 48
第一章 设计概况及工艺选择
1 设计任务
本次设计的任务是根据给定的原始资料和规定的进出水水质要求,运用SBR工艺或其变形作为本设计的核心处理工艺,设计出与环境条件相适应并能满足给定要求的污水处理厂,根据给定参数进行构筑物计算和设计,在计算得出的构筑物尺寸的基础上,综合各方面条件设计相应的厂区平面图、构筑物高程布置图和各构筑物结构图等。
2 设计原始资料
① 处理水量:50000 m3/d,总变化系数Kz=1.45;
② 常年平均气温15 ℃,厂区平均风速为0.75 m/s,风向偏北;
③ 出水满足《城镇污水处理厂污染物排放标准》(GB18918-2002)一级A标准;
④ 厂区附近地下水标高145.92 m,厂区附近土质构造为黏土,城区排水干管进水厂处A管底设计标高为159.60 m。
3 水质要求
进水水质如下:
表1-1 污水处理厂进出水水质要求
项目 | 进水(mg/L) | 出水(mg/L) |
COD | 500 | 50 |
BOD5 | 350 | 10 |
SS | 300 | 10 |
NH3-N | 30 | 5 |
TP | 4.5 | 0.5 |
4 污水处理程度
本次设计的污水处理的程度可按下式计算:
式中:Ci——处理前物质浓度(mg/L);
Ce——处理后物质浓度(mg/L)[1]。
由此可得:
COD的处理程度:
BOD5的处理程度:
SS的处理程度:
NH3-N的处理程度:
TP的处理程度:
5 工艺比选
5.1 SBR工艺概述
SBR工艺操作要点和功能:
(1)进水阶段
污水注入反应器的阶段就是其进水阶段,在进水阶段之前,反应器内主要是高浓度活性污泥,此时污泥上层没有清液,反应器内的水位为反应流程的最低水位。污水注入后,污泥与污水快速搅拌混匀,减小了污水的冲击负荷,因此SBR反应器在适应水质水量的变化上有突出的优势[2]。
(2)反应阶段
随着污水的注入,反应器内水位上升,当水位达到一定的高度,进入反应阶段,此时反应器内的水位为最高水位。反应阶段的功能是通过向混合液中曝气,利用微生物的代谢反应去除掉污水中的BOD、COD、氮和磷等污染物。根据处理要求的不同,可以选择不同的SBR工艺变形,也可以通过控制供氧条件来控制硝化和反硝化过程以及聚磷菌释磷和吸磷过程来控制氮和磷的去除。总之,反应阶段是SBR流程的核心功能部分[2]。
(3)沉淀阶段
反应阶段经过一段时间后,污水中的污染物已得到很好的去除,此时反应器内是低浓度污水和污泥的混合液,因此需要通过一段时间的沉淀作用实现泥水分离。此阶段的功能相当于传统活性污泥法中的二沉池,且由于无需进行泥水混合物的转移,SBR工艺反应器内沉淀效果相比传统活性污泥法有更优良的沉淀效率和效果,沉淀时间根据具体要求而定[2]。
(4)出水阶段
达到一定的沉淀时间后,反应器内已基本实现了泥水分离,排出的清液经过后续处理即可达标排放,未排出的污泥作为下一个反应周期的回流污泥使用[2]。
(5)闲置阶段
上清液排出后,反应器中又只剩下高浓度活性污泥,其水位又变成最低水位,此后反应流程进入闲置阶段。
5.2 SBR工艺的变形
(1)ICEAS工艺
SBR工艺的一种改良,全称间歇式循环延时曝气活性污泥法。在传统SBR工艺的基础上, ICEAS工艺添加了预反应池[3]。在预反应区污水主要进行有机物的吸附和去除,随后进入主反应区,在主反应区进行间歇式曝气,从而制造交替的好氧-缺氧环境,为脱氮除磷制造了适宜的条件。因此与传统SBR法相比,ICEAS工艺具有如下优点:
① 剩余污泥产量少;
② 可接受连续排放的污水;
③ 处理流量较大;
④ 脱氮除磷效果较好[4]。
图1-2 ICEAS工艺
(2)CASS工艺
ICEAS工艺的基础上演变出CASS工艺,基本结构类似,但增加了更优良的性能。CASS工艺最近被美国国家环保局确定为污水处理厂革新工艺。CASS工艺与ICEAS的区别如下:其反应器有生物选择区、兼性区和主反应区三个区段,生物选择区与后两者独立开来,兼性区和主反应区用挡板隔开,但二者相互联通。设计中,这三个区域体积比约为1∶2∶20[5]。在反应过程中,主反应区的活性污泥会分别流向兼性区和生物选择区,以保证两者污泥量的充足。污水进入反应器后,在生物选择区创造一定的微生物的生存条件,因此可筛选出适宜反应条件的特定的微生物种群,这样在处理污水时可以更加专一和高效,另外生物选择区可以起水质水量变化时的缓冲作用。兼性区主要作用是通过再生污泥的吸附作用实现有机物的去除,同时兼性区的供氧条件为聚磷菌的进一步释磷和反硝化作用的强化创造了条件[5]。在主反应区除了可以实现聚磷菌的超量吸磷以除磷,还实现同步硝化反硝化而脱氮[6]。与传统SBR工艺相比,CASS工艺具有如下特点:
图1-3 CASS工艺
① 可实现一定条件下的同步硝化反硝化,脱氮效果相比之下更优良;
② 生化反应推动力大;
③ 抗冲击负荷能力强,运行状态易于调节;
④ 污泥回流量少,剩余污泥产量低;
⑤ 适用范围广,适合分期建设[6]。
(3)DAT-IAT工艺
需氧池和间歇曝气池是DAT-IAT工艺反应器的主体部分,其与传统SBR工艺的差别表现在运行方式上,二者净化污水的原理接近。传统SBR工艺运行方式一般为间歇进水和间歇出水,而DAT-IAT工艺采用连续进水的是其需氧池,需氧池的出水流入间歇曝气池后,在间歇曝气池完成阶段性反应、沉淀、出水等工序[6]。DAT-IAT工艺具有以下特点:
① 池容利用率和设备利用率高;
② 适用于较大型的污水处理厂;
③ 处理稳定性较好。
(4)MSBR工艺
改良型间歇活性污泥工艺是MSBR工艺的全称,曝气池和两个交替序批处理池构成了反应器的三个主要部分。曝气池采用连续曝气运行方式,两个序批处理池交替分别作为SBR反应池和沉淀池。另一个序批处理池则进行进水-反应-沉淀的操作工序。总体来说,MSBR可以看做是SBR工艺和A2O工艺的组合工艺[7]。MSBR特点:
① 处理程度可调节,适应性广泛;
② 脱氮除磷效果好;
③ 水位恒定,反应器状态稳定。
图1-4 MSBR工艺
(5)UNITNK工艺
UNITANK工艺即一体化活性污泥工艺, UNITANK工艺每个周期包括两个相互对称的阶段,刚开始左侧池进水,有机物被污泥吸附、降解,达到一定的有机物去除率;接着污水进入中间池,进行持续曝气,有机物进一步被去除,与此同时,污泥也打左侧池进入中间池,终进入右侧池;最后一步,右侧池进行混合液的沉淀阶段,一定停留时间后排放,右侧池的剩余污泥通过污泥管排放,以上是半个周期内的运行流程[8]。另外半个周期,污水从右侧池流入反应器,流向为从右向左,此时左侧池作为沉淀池,处理后的污水从左侧池排出。
UNITANK工艺特点:
① 进水口交替变化,可以减少反应器各段的污泥负荷,从而改善反应器内污泥的沉降性能;
② 水位恒定,系统稳定性较好;
③ 节省占地;
④ 一体化结构便于建在地下。

图1-5 UNITANK工艺
5.3 工艺选择
本设计污染物的处理程度要求较高,传统的SBR工艺无法满足这样的处理要求,因此需要通过综合分析来选择改良型SBR工艺,即以上所介绍的几种SBR工艺的变形。当前我国CASS工艺运用比较广泛,本次污水的设计流量是50000吨/d,在CASS工艺的适用范围内,另外CASS工艺具有占地面积小,工艺流程简单,耐冲击负荷能力强,运行管理方便等优点,且其具有较好的脱氮除磷效果[9],因此CASS工艺比较适合本次设计的要求。经过综合分析,选择CASS工艺作为本次设计的核心工艺。
6 工艺流程设计
6.1 预处理工艺
污水进厂后,经过中格栅预处理,随后进入集水井,污水提升泵将集水井内的污水提升一定高度。接下来进入细格栅,随后是旋流沉砂池。以上是本工艺的预处理设施,污水预处理主要为了去除污水中直径较大漂浮物和悬浮物以及大颗粒物(泥沙、煤渣等),便于后续处理设施充分发挥其核心功效[10]。
6.2 核心处理工艺
由于CASS工艺无需初沉池和二沉池,旋流沉砂池的出水在流经一定管段后直接进入CASS生化反应池。CASS池是本设计的核心污水处理构筑物,CASS池由三个反应区段构成,三者长度有一定比例要求[11]。曝气过程中,前两个区段的污泥会随着污水流向主反应区,因此需要主反应区的污泥向前两个区段回流才能保证前两个区段的污泥浓度条件。兼性区主要作用是通过再生污泥的吸附作用实现有机物的去除,同时兼性区的供氧条件为聚磷菌的进一步释磷和反硝化作用的强化创造了条件。供氧条件的控制,制造脱氮除磷所需要的氧浓度条件,从而达到脱氮除磷目的,必要情况下可以通过辅助投加碳源和化学药剂等来对污水进行充分的脱氮除磷[12]。污水在CASS池中停留一定时间后,从出水口排出,进入接触消毒池,对出水进行消毒灭菌。最后,在出水口可以设计巴氏计量槽,以统计污水的处理量和排放量,同时可以对污水污染物指标进行在线监测。
6.3 污泥处理工艺
CASS池中的剩余污泥通过污泥泵和排泥管运送至污泥浓缩池,这里采用的污泥浓缩池是重力浓缩池,利用重力作用实现泥水分离,从而浓缩污泥,大大减小污泥的体积。接下来污泥进入污泥消化池进行厌氧处理,此过程可减少污泥中的有机物含量使得污泥中的环境不适宜微生物生长繁殖,从而达到稳定污泥的效果。消化池内产生的消化气主要成分是甲烷和二氧化碳,可用储气罐进行收集,消化气可以资源化利用。消化池的上清液会影响消化效果,因此应及时排出,上清液有机物含量较高,而且污泥中的氮和磷在消化过程中转移到上清液,因此应投加化学药剂以降低上清液中氮磷的含量,再将其回流至CASS生物池进行再次处理[13]。消化池出来的污泥进入污泥脱水间,进一步降低污泥的含水率,含水率达到一定要求即可装车外运。
粗格栅
消化气
污泥脱水间
出水
巴氏计量槽
接触消毒池
以上是毕业论文大纲或资料介绍,该课题完整毕业论文、开题报告、任务书、程序设计、图纸设计等资料请添加微信获取,微信号:bysjorg。
相关图片展示:









