802.11数据链路层工作机制的研究与应用毕业论文
2020-02-17 23:04:32
摘 要
本次研究是建立在802.11数据链路层的工作机制的基础上,研究无线局域网数据通信与信息交流的方式方法,通过对802.11b协议的更新改良,对其进行包括物理层、数据链路层等方面的研究与应用,提高802.11b协议下无线局域网的抗干扰能力,进一步提升无线局域网的传输速率和安全、稳定性能,最终达到弥补传统有线网络的不足之处的效果。本次设计采用直接序列、高速直接连接等各种方法,进行802.11b协议的研究与改良,具体实验则是通过NS2仿真软件进行仿真调试,STM32单片机进行烧录程序,从而能够正常使用WIFI模块、通讯模块等硬件进行通信测试,实现无线局域网之间的数据传输、信息交流等功能,经过测试达到在802.11b协议下的无线局域网中,成功进行即时通讯的效果,最终达到设计要求。
关键字:802.11;无线局域网;数据链路层;速率
Abstract
This research is based on the working mechanism of the 802.11 data link layer. It studies the methods of data communication and information exchange in wireless LAN. By updating and improving the 802.11b protocol, it includes physical layer and data link layer. The research and application of the other aspects improve the anti-interference ability of the WLAN under the 802.11b protocol, further improve the transmission rate, security and stability of the WLAN, and finally achieve the effect of making up for the deficiencies of the traditional wired network. This design uses direct sequence, high-speed direct connection and other methods to carry out research and improvement of 802.11b protocol. The specific experiment is to simulate debugging through NS2 simulation software, STM32 single-chip programming program, so that the WIFI module can be used normally. The communication module and other hardware conduct communication test, realize the functions of data transmission and information exchange between the wireless local area networks, and pass the test to achieve the effect of instant communication in the wireless local area network under the 802.11b protocol, and finally meet the design requirements.
Key words:802.11;Wireless LAN;Data link layer;speed
目 录
第1章 绪论 5
1.1目的及意义 5
1.2 无线局域网的发展及研究现状 6
1.3主要研究内容 7
第2章 无线局域网方案研究 8
2.1 需求与理论基础 8
2.2组网方案分析 8
2.2.1星型拓扑结构 9
2.2.2环形网络拓扑结构 9
2.2.3总线型拓扑结构 10
2.3 路由设计 12
2.4本章小结 13
第3章 无线局域网的设计与仿真 14
3.1 802.11工作机制 14
3.2 硬件模块设计 16
3.2.1 ESP8266EX WIFI模块 16
3.2.2 STM32单片机 18
3.3软件设计 20
3.3.1 WIFI模块相关程序 19
3.3.2 主程序节选 21
3.4医院场景下无线局域网的仿真 22
3.5本章小结 25
第4章 关于无线局域网的调试 27
4.1 实验流程及结果 27
4.2 遇到的困难及解决方案 31
4.3本章小结 31
第5章 总结与展望 33
参考文献 34
致谢 35
第1章 绪论
一般而言,无线局域网(WLAN)是一种提供无线对等的无线方式的(例如打印机到集线器或 PC到PC)或点对点(如LAN到LAN)数据通信系统。WLAN取代了传统局域网中使用的光纤,同轴线或双绞线等有线通信设备,而是通过电磁波发送和接收数据[1]。当然,WLAN仍然具有传统的网络通信功能,例如文件传输,外围设备共享,Web浏览,电子邮件和数据库访问。
与有线网络相比,无线LAN具有许多优点。它具有开发和运营成本低,时间短,易于扩展,组网灵活,自然环境等灾害影响小的优点。它可以实现人们需求的“任何人都可以随时随地与任何人沟通”的功能,该功能有效地弥补了传统有线局域网的局限性和不足[2]。随着无线网络标准的发展和实施,其产品将更加丰富,不同产品之间的兼容性也将得到提升。现在无线网络的传输速率已达到并超过10Mbps,而且速度正在变得越来越快。除了传输语音信息的能力之外,无线局域网还可以平滑地传输来自各种媒体的数据,如图形、图像和数字图像[3]。另一方面,尽管无线LAN使用空气作为介质,但是它发送的信号却能够跨越宽频带。因此,它的数据不易被盗,网络传输的安全性得到了保证。随着无线通信技术的发展和无线局域网通信需求的不断提高,无线局域网的目标不断变化,数据速度越来越快、安全性越来越高、稳定性越来越好已经是大势所趋。
1.1目的及意义
由802.11b协议制定的无线局域网正一步步影响着人们的生活,因为传输速率、安全性、覆盖率等等优势而显得出色的无线局域网越来越吸引着人们的眼球,但它并不是就没有进步的空间了,相反,802.11b协议下的无线局域网仍然有许多值得改进的地方,提高稳定性、提高抗干扰能力、解决多点接入碰撞问题都可以使无线局域网更加出色,发挥出更好的性能。
因此,我们通过研究关于802.11b协议中的数据链路层,理解802.11b数据链路层中的工作机制与工作原理,并在此基础上尝试改进、改良这一仍然有进步空间的协议,使得无线局域网覆盖范围更灵活、成本更低、安全性更高,然后将它最终运用在设想的环境中,让这种网络更加适应人们的生活,改善他们的通讯体验。
基于802.11b协议的无线局域网的研究及应用,能够促进无线网络的壮大与发展,通过研究它的数据链路层,提高无线局域网的速度与稳定性,进而改善无线局域网,最终使人们能够使用更加高效与安全的无线局域网,大大改善人们的生活体验。
本次研究正是通过对802.11数据链路层的研究,将无线局域网的研究与改良运用到医院场景下,帮助医生掌握各病人的实时动态,方便进行位置定位、信息交流、紧急提醒等操作,最终实现医院对内部病人监控、管理、保护的功能,在提高病人安全性的同时也大大减轻了医生的负担,帮助他们合理帮助、保护病人,完成802.1协议的研究与应用。
1.2 无线局域网的发展及研究现状
二十一世纪以来,计算机技术与网络技术的加速发展(网络连接方式从电缆改变为光缆,internet接入从电话拔号改变为光纤宽带,无线数据通信从2G进入4G),推动了互联网的普及,促进了信息技术的飞速发展,人类社会进入了信息大爆炸的时代,特别是近年来,智能手机和平板电脑等移动数据终端的广泛使用逐渐证明了无线信息交换的优势。无线终端使无线互联网接入成为人们生活、生产和其他活动中不可或缺的一部分[4]。
在各类信息的交流中,音、频信息成为最大的一类交互信息,社交音频化成为流行趋势。由于音频、视频信息包含大量数据,在移动设备接入internet时对速度、质量有较高要求,虽然4G网络已基本普及,但流量费率较高、信号范围仍然是不可忽视的制约因素[5]。此时,人们需要另一种覆盖范围更灵活、成本更低、安全性高的无线通信方式。
在这种情况下,基于IEEE802.11标准的无线局域网(Wireless Local Area Networks; WLAN)成为了首选。
为了广泛接受和使用WLAN技术,必须建立统一的标准以确保由各个供应商制造的设备的兼容性和稳定性。这些标准定义了无线通讯的物理层(physical/PHY layer)以及媒介存取控制层(Media Access Control/MAC layer)。各种新标准的快速发展反映了无线局域网所创造的活力和无限的发展能力[6]。WLAN现有的标准有很多,例如:IEEE 802.11、HiperLAN、Bluetooth等。而基于IEEE 802.11协议的一系列标准就是一种最广泛使用的标准。
1997年6月,IEEE802.11协议获得了通过,它定义了在2.4GHz ISM(industrial scientific medical)频段的物理层(PHY)和媒质访问控制层(MAC)的相关规范[7]。它一般来说被用于解决比如个人局域网用户或者是公告场所的办公室等局域网的无线接入[8]。该服务主要限于数据访问,并且根据调制方法,最高传输速率被分成1,2Mbps。
802.11拥有非常多的标准,其中802.11a也是一种非常亮眼的标准。IEEE802.11a使用与原始标准IEEE802.11相同的核心协议,但是它的工作频率是5 GHz[9]。而且它使用了一种正交频分技术,它的核心是将信道划分为52个正交子信道,因此,它可以减少每个子信道之间的相互干扰。所以802.11a协议是一种抗码间干扰能力很强、频道利用率很高的协议。但是,802.11a也有许多不足人意的地方,它的穿透能力太过弱小,因此不适合环境曲折的地方使用它,这使得它的应用场所变得非常狭窄,不适合使用在当今的场景中。久而久之,802.11a已经不适合现在的环境,虽然仍然有合适的地方适合802.11 a使用,但是我们仍然不得不更换另一种标准,一种更符合人们生活节奏与需求的标准。
为了满足人民日益增长的需求,人们制定了802.11b协议。在无线局域网的发展中,802.11b/g起着非常重要的作用。IEEE 802.11规则建立于1997年,当时定义了媒体访问控制层(MAC层)和物理层[12]。1999年,802.11定义了两个补充版本,其中之一就是802.11 b,它定义了2.4 GHz ISM频段上的物理层,数据速率高达11Mbit/s。IEEE 802.11b工作在2.4 GHz频段,使用直接序列扩频和补码键控,它的物理层支持两种新的5.5 Mbps和11 Mbps速率。由于环境干扰或传输距离,其传输速率可以改变,在11 Mbps,5.5 Mbps,2 Mbps,1 Mbps之间切换。它还与2 Mbps和1 Mbps的IEEE802.11DSSS(直接序列扩频)系统进行交互。经过十多年的发展,802.11b已经成为一个11 Mb/s的无线标准,在无线局域网方面取得了很大的进步,只有1到2 Mbps。这都是因为802.11b协议的诞生与改进。
过去,由于传输速度慢,成本高,产品线单调,无限局域网一直很慢。今天,IEEE 802.11b无线局域网的设计和应用现状已经从根本上被改变了[9]。它满足了人们在某个区域的高速数据传输,并在可承受的范围内控制成本。人们对802.11b协议的研究还没有停止,它还有很多值得改进和改进的地方。我们仍然可以进一步提高无线局域网数据传输的速率与人们需求的安全性和稳定性。关于802.11b的研究与应用,从未停止[10]。
1.3主要研究内容
主要研究802.11无线局域网的速度、安全、稳定性等性能,并且在原有的协议上改进改良,以期获得更快的速度、更安全的通信环境以及更稳定的无限网络,最终将更好的无线局域网运用于现实中,发挥更重要的效果。通过研究802.11数据链路层,了解802.11b主要的工作机制,对其进行改良改善,最后达成实验的预期效果。
第2章 医院场景下无线局域网的方案研究
2.1 需求与理论基础
本次研究能够实现通过802.11协议使用的无线局域网进行医院总部对各病人情况的动态掌握、互相即时通信,最终达到医院对内部病人监控、管理、保护等功能。无线局域网中固定节点与活动节点之间需要拥有位置定位、信号运输、信息交流等功能,以支持医院能够顺利对各病人进行管理沟通。在实物及仿真实现上,在一定的范围内,不同的单片机之间可以互相通信,可以互相接收、发送信息,并且可以通过接收到的信号做出各种反应,以模拟无线局域网内各个节点间的信号交流与数据通信[11]。
802.11 b定义了一种在2.4 GHz ISM频段上的物理层,数据速率高达11Mbit/s。IEEE 802.11b工作在2.4 GHz频段,使用直接序列扩频和补码键控,物理层支持两种新的5.5 Mbps和11 Mbps速率。由于环境干扰或传输距离,其传输速率可以改变,在11 Mbps,5.5 Mbps,2 Mbps,1 Mbps之间切换。
802.11b无线局域网使用了两种技术,其中一种是CSMA/CA(载波监听多路访问/冲突避免)技术,另一种是RTS/CTS(请求发送/清除发送)技术;通过这两种技术,它可以有效地解决网络碰撞问题,使用户多点接入的功能更加强大与完善。不过在这里,CSMA/CA技术和一般而言的技术原理不是完全相同的,如果是在基本模式中,它会在发送信息之后等待接入点AP的确认帧,如果是在点对点模式中,它就会等待另外站点的确认帧;它如果没有在一段时间以内接收到对应站点的确认帧,那么它就会认为这时候的站点发生了冲突;于是它会随机等待一段时间,在这之后才继续重新发送这段数据。当然,如果站点注意到了信道上有着活动,那么它也就不再发送任何信息了。
2.2组网方案分析
为了保证802.11标准协议下的无线局域网能够适合使用于医院场景下,我们需要考虑一种适合医院场景的网络拓扑结构。医院内部病人与护士的分布并不均匀,每个病房内都会零散分布着少数病人,而食堂、休息室等公共场所则占地较大、病人较多。所以我们需要在每个病房安装一定量的固定节点,而在公共场合增加固定节点的数量,有利于每个活动节点与相临的固定节点的连接与通讯。为了实现这种效果,我们就需要选取一种最合适的网络拓扑结构。
WLAN的主要指标决定了设计它的最重要原则是尽可能少地使用无线路由器为尽可能多的网络用户服务。无线覆盖设计应遵循最大化信号范围的原则,在全院尽可能多的覆盖的前提下,选择一些领域更加注重覆盖。同时,还需要确保无线网络的稳定性和与大多数主流无线网卡的兼容性,并考虑网络扩展,并为将来的网络扩展做好准备。
网络拓扑就是网络结构,或者是它们在物理上的连通性。构成网络的拓扑结构有非常多种,以下主要介绍一些常见且高效的结构,并选取最合适的网络拓扑:
2.2.1星型拓扑结构
星形拓扑结构意味着每个工作站以星形方式连接到网络。该结构以中心节点为中心,因此被称为集中式网络。星型拓扑的优势是方便进行集中控制,因为网络结构中所有的用户都需要经过中心节点。但是,在这种网络拓扑中,中心节点必须具有极高的可靠性,一旦中央系统发生了错误,整个系统都会发生错误,不再能够进行运作[12]。虽然有着些许缺点,但是这种网络拓扑结构仍然有着非常显著的优势,因此当作预备方案。

图2-1 星型网络拓扑结构
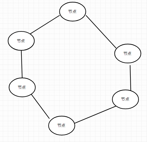
2.2.2环形网络拓扑结构
在环形网络拓扑中,每个最终用户都连接到两个相邻的最终用户,因此存在点对点链接。在环形网络拓扑结构中,数据传输一直是通过单向的方式进行的,所以它可以分为两个部分:上游用户以及下游用户。正是因为这种信息传输的方式,每个节点之间都只存在一条通道,所以环形的网络结构事实上是一种对于路径的精炼,它不存在复杂的信息通道,而每个通道上的节点也都是由自主控制的,因此控制软件很简单;这是因为信息源在循环中串行地穿过每个节点。 而且它的环路是封闭的,就不便于进行扩充;同时,它的可靠性不够高,节点故障会导致整个网络崩溃。这套方案有着非常大的缺陷,不适合用于医院等公共场所中,因此淘汰这种网络拓扑结构[13]。
图2-2 环形网络拓扑结构
2.2.3总线型拓扑结构
总线型的拓扑结构是指所有的用户都连接到一个最终的用户上面的网络结构,每一个设备都可以连接上总线。每个工作站具有相同的状态,没有中央节点控制,并且公共总线上的信息以基带的形式串行传输。其传输方向始终从发送消息的节点扩展到两端。这种结构也拥有非常多的好处,其中一条就是不需要投入太多的资金去研究,同时对于数据访问的方式也显得更加不死板,而且,其中一个站点不会因为自身的错误而随意影响到其他的站点。但是它也存在着一些缺陷,比如在一个用户发送数据的时候,只有它可以进行发送但是其他的用户却不能进行发送,只有等到它们也拥有了权限,才可以进行数据传输,同时,这套网络结构也意味着它不方便进行维护,如果发生错误难以查找独立节点具体问题等等。这套网络拓扑结构通常不适用于无限局域网中,但是它对于有线网络拥有其优势,可以在此充作参考。
图2-3 总线型网络拓扑结构
以上是毕业论文大纲或资料介绍,该课题完整毕业论文、开题报告、任务书、程序设计、图纸设计等资料请添加微信获取,微信号:bysjorg。
相关图片展示:








        
            
