802.11物理层工作机制的研究与应用毕业论文
2020-02-17 23:04:29
摘 要
作为当今无线局域网的标准,IEEE 802.11被开发已经22年了,是国际电气和电子工程学会(IEEE)确定的无线网络通信标准,如今已经发展出了IEEE802.11a/b/g/n/ac/an/ax等多个版本,并在很多领域中展现了强大的应用能力。针对日益复杂的网络,IEEE工作组确定了不同的标准,以满足不同的物理层和数据链路层需求,提供更高的理论传输速度,更远的传输距离,或者更低的运行功耗等等。IEEE802.11灵活多变,适应能力很强,在不同的场景下,可以变换对应的版本,选择相对合适的物理层解决方案。本文主要介绍了IEEE 802.11物理层工作机制的原理,并在IEEE802.11应用中进行了链接和研究,对未来IEEE802.11的发展提出了自己的观察和想法。另外在IEEE802.11网络的应用领域,结合当下热点的问题,拥堵的汽车停车场,设计了自己的组网解决方案,基本实现了停车场场景下的组网模拟和通信系统框图设计。
关键词:802.11;WiFi;物理层;无线局域网
Abstract
As the standard of today's wireless local area network, IEEE 802.11 has been developed for 22 years. It is a wireless network communication standard determined by the International Institute of Electrical and Electronics Engineering (IEEE). Now it has developed IEEE802.11a/b/g/n/ac/ Multiple versions such as an/ax and demonstrate powerful application capabilities in many areas. For increasingly complex networks, the IEEE working group has identified different standards to meet different physical layer and data link layer requirements, providing higher theoretical transmission speeds, longer transmission distances, or lower operating power consumption. Wait. IEEE802.11 is flexible and adaptable. In different scenarios, you can change the corresponding version and choose a suitable physical layer solution. This paper mainly introduces the principle of IEEE 802.11 physical layer working mechanism, and links and researches in IEEE802.11 application, and puts forward its own observations and ideas for the future development of IEEE802.11. In addition, in the application field of IEEE802.11 network, combined with the current hot issues, the congested car parking lot, designed its own networking solution, basically realized the network simulation and communication system block diagram design under the parking lot scene.
Key words: 802.11;WiFi;Physical Layer;Wireless LAN
目录
第1章 绪论 2
1.1 课题研究背景 2
1.2 国内外研究以及发展现状 2
1.3 本文研究的意义以及安排。 4
第2章 多层停车场的需求分析与WiFi组网 5
2.1 停车场需求分析 5
2.2 停车场的组网技术及设计方案 6
2.2.1 Zigbee 6
2.2.2 红外 6
2.2.3 蓝牙 6
2.2.4 UWB 7
2.2.5 WiFi 7
2.3 停车场组网设计方案 7
2.3.1 无线局域网组网模式 7
2.3.2 停车场组建星型无线局域网 9
第3章 802.11物理层技术原理 10
3.1 IEEE802.11物理层工作机制原理 10
3.2 直接序列传输(DSSS)与高速直接序列(HR/DSSS) 11
3.2.1 直接序列传输(DSSS) 11
3.2.2 高速直接序列(HR/DSSS) 12
3.3 正交频分复用技术(OFDM) 12
第4章 停车场场景下的无线局域网仿真 13
4.1 停车场中的无线局域网仿真方案 13
4.2 WiFi模块MARVELL88W8782 13
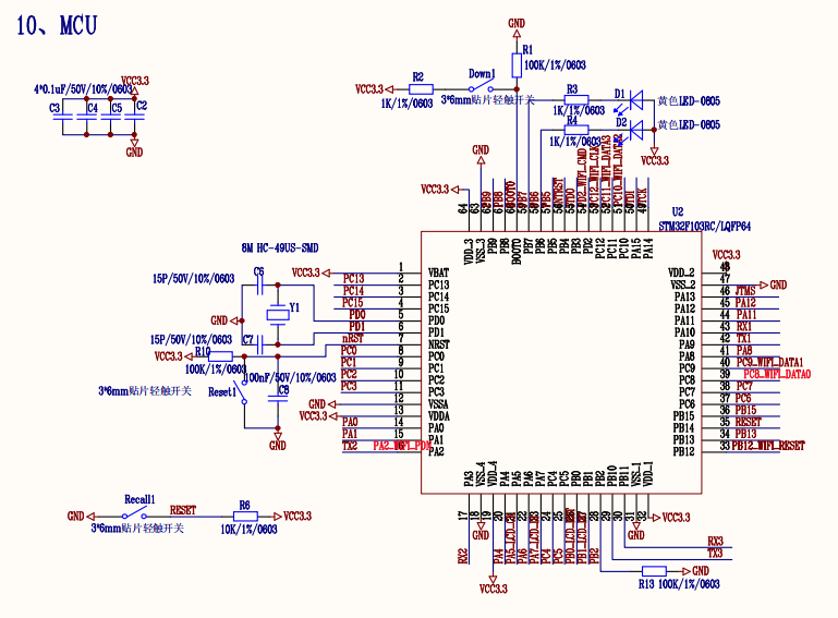
4.3 单片机STM32F103 14
第5章 停车场场景下无线局域网中节点的调试 19
5.1 模拟实现路由器设置连接 19
5.2 模拟实现节点通信 20
第6章 总结与展望 22
参考文献 23
致 谢 24
第1章 绪论
1.1 课题研究背景
作为现代人类的生活世界的非常重要的一部分,无线局域网与人们的生活密不可分,它是无线网络与通信技术的结合体,对人们的方方面面产生着不可磨灭的影响力。其带来的数据传输和资源共享功能更是满足了人们日益增长的物质与精神上的多种需求。无线局域网的出现是现代通信的必然产物,它伴随着移动网络通信的快速发展,尤其是互联网应用的不断开发和拓展,更是对无线局域网的出现与发展起着至关重要的作用。与传统的有线局域网相比较,无线局域网使用无线电波作为传输工具,简化了线路问题,并且可以穿透房门,玻璃门,甚至是墙壁,十分灵活。无线局域网是开放式办公室,移动办公室,展览以及不适当布线条件且频繁变化的网络环境中不可或缺的一个选择。此外,无线局域网还有容易搭建,管理和维护相关成本不高,与有线网络兼容等优点。普通的接入设备即可轻松实现无线局域网与有线局域网的无缝连接。由于其巨大的技术和成本优势,无线局域网早已成为通信领域的研究热点。
在目前众多的无线局域网标准中,IEEE802.11标准无疑是最为成熟和普遍的技术高点。在20世纪90年代,无线局域网的标准争夺中,IEEE802.11因为它的简单和可靠性迅速得到大家的青睐,迅速发展,成为无线局域网中的佼佼者,产生了包括的802.11a/b/g/ac/ax等事实上的工业标准。其中最广泛使用的是802.11b的,具有11Mb的/s的最大传输速度为100至300米的传输距离。IEEE802.11标准的建立,极大地推动了无线局域网的快速发展。
如今,不管是在商业还是家用领域,IEEE802.11系列标准得到了广泛的认可与应用。其中IEEE802.11n协议更是允许理论访问速度约600Mbps,在市场上大受推广。IEEE802.11无线局域网广泛适用于办公场所和普通民用建筑,例如图书馆、健身房、景点、奶茶店和机场。随着各式各样的基于802.11的无线局域网产品在市场上推出,并且大获成功。其相关产品价格越来越低,覆盖范围越来越大,效率越来越高,如今取得的成就已经充分证明了其可靠性,可靠性,灵活性和移动性。可以预见在未来,无论是在在学术研究,还是商业价值方面,无线局域网技术都将发挥着更大的作用。
1.2 国内外研究以及发展现状
IEEE 802.11无线局域网是无线网络技术史上的重大成果。从1990年7月开始,电气和电子工程师协会接受NCR公司的CSMA/CD无线媒体标准扩充提案,成立了IEEE802.11工作组,其基本协议于1993年11月成立,并于1997年完成。1998年,IEEE802.11标准起草,第一个正式版本在1999年发布。它包含了媒体访问控制层和物理层两个结构层次,它的物理层,其中两种使用2.4GHz公共频段传输数据,还有一种使用红外线来传输数据,不过由于其衰减性太强而很快被淘汰。当时的IEEE802.11网络服务速度只能达到1Mb/s到2Mb/s,速率很慢,且只具备数据访问功能,无法满足人们在速度和传输距离方面的需求。而后,在1999年9月份,IEEE802.11a和IEEE802.11b两个后续的加强版标准通过了IEEE工作组的批准。其中IEEE802.11a工作频段为5GHz,因为使用了OFDM调制技术,其最高速率达到了54Mbps,基本满足了当时的需求。IEEE802.11a的特点是传输速率高,且频段的干扰相对较小,但是与802.11b并不兼容,因为后者工作在2.4 GHz频段。而且基于IEEE802.11a的产品成本很高,难以适应市场。为了逐步地解决上述问题,在2003年7月份,802.11工作组正式批准了IEEE802.11g标准,在2.4 GHz频段使用OFDM调制技术达到了更高的数据传输速率,并与802.11b标准兼容,确定了其市场地位。
如今,市场上的使用WiFi产品的数量已经十分可观,并且还在强劲地增长,电信运营商加快了无线网络的建设,更推动了无线局域网在世界的发展。反之,世界各国手机、电视、无线视频、移动互联网、移动办公的快速发展需要的无线局域网,也给电信运营商接入设备带来了巨大需求和市场机会。WiFi的覆盖,现在已经扩展到包括很多普通区域,如酒店、居民住宅、普通商店、机场等,基本上实现了全区域覆盖。
而且,WiFi可以作为4G网络的分发工具,有着巨大的价值。现如今的移动互联网应用不断增长,4G网络频谱资源有限,非常昂贵,而且带宽无法满足相应的需求。所以,使用免费频谱资源的WiFi可以作为最后的100米网络补充。几乎所有移动终端都支持WiFi,使其成为4G服务的完美补充。目前,3GPP,ITU-T都已将WiFi标准化为4G网络转换工具。

图1.1 常见的802.11技术
但是,上述协议的区别还是在于改善物理层的方式不同,数据链路层的协议还是相同的。在2005年12月份,IEEE通过了IEEE802.11e方案,IEEE802.11e正式成为了新一代标准。IEEE802.11e使IEEE能够定制WLAN标准以满足服务质量的要求。此后,为了适应多媒体业务的需求,IEEE宣布成立了的802.11n小组。IEEE802.11n使用MIMO-OFDM技术,使得增加无线局域网的速度超过108 Mbps,最高理论速率可达320 Mbps的。IEEE802.11n标准采用双频模式(2.4GHz、5GHz),这保证了与前面所发布的802.11a、b和g标准的兼容性。而且,天线技术和传输技术的进步使无线局域网的传输距离大大增加,甚至可以达到几公里,这使得IEEE802.11n WiFi和WiMAX之间的差距进一步缩小。或许未来在IEEE802.11n标准上开发的WiMAX技术,使全球无线网络有可能上升到无孔不入,无所不在的状态[1]。
欧洲的无线局域网发展一直围绕着HIPERLAN进行。HIPERLAN/2标准和IEEE802.11a无线局域网标准很相识:在链路层设计上,HIPERLAN/2也工作在5GHz的频段上,类似于U-NII频段;最大速率及覆盖范围同样是54Mbit/s和300m[1]。两者的区别仅在于已经支持的接入层协议。随着无线通信技术和集成芯片技术的快速发展,IEEE802.11系列中代表的无线局域网产品正在朝着更高的数据传输速度前进。无线局域网已经被视为如今最为成熟的宽带解决方案,并且随着互联网和无线通信技术的发展,未来的无线局域网设备将继续大步前进,适应新的需求发展。
1.3 本文研究的意义以及安排。
如今,基于IEEE802.11标准的无线局域网设备具有广阔的市场前景,大型网络或者芯片设计公司,如三星、迈威和因特尔都成立了独立的研发部门开发相关产品。许多公司已将WiFi功能集成进电脑,手机和可穿戴设备中。也有很多中国公司正在研发和产生无线局域网设备,如华为、中兴和TP-Link的,有许多已经开发自主研发相关的芯片产品,但不得不承认的是,总体上和国外公司依然有很大的差距。国外公司在芯片技术和产品专利上占据了制高点,导致国内公司需要支付高额的专利授权费,在市场竞争处于弱势地位。因此,我们必须开发具有自主知识产权的核心芯片,才可以打破国外技术垄断,降低生产成本,与国外公司竞争,这具有重要的商业价值和发展前景。
IEEE802.11网络标准自提出以来,市场份额不断上升,技术优势逐步积累,开发技术越来越成熟,短板正在被不断弥补。因此,基于IEEE802.11网络的应用开发既具有现实性又具有很强的商业价值。在未来的中国城市化建设道路上,设想中,大型汽车停车场将会是城市化道路中主流的发展模式,而停车场的组网也将成为一个重要技术的发展点,基于现有的IEEE802.11网络不仅容易实现,成本也会比较低。因此本文将IEEE802.11网络的应用延伸到现实世界当中,具有一定的现实意义。
本文共分为六章:
第一章介绍了802.11网络发展的历史和WLAN现状的研究背景,并阐明了研究的意义和章节安排。
第二章介绍了无线局域网的应用分析和应用场景,确定了停车场组网设计方案和拓扑结构。
第三章从物理层出发,研究802.11物理层的运行机制和基本原理。
第四章从单片机模拟停车场联网出发,研究了802.11的单片机实现方法和实验程序设计原理。
第五章讲述了进行路由器与节点的模拟调试情况。
第六章总结了本文的工作和不足之处,并期待802.11未来相关技术的发展。
第2章 多层停车场的需求分析与WiFi组网
本章首先介绍了多层停车场的组网需求,然后研究了常见的无线局域网技术,对其进行分析后,根据多层停车场的需求设计了停车场组网的星型拓扑结构图。
2.1 停车场需求分析
当前在国民经济快速发展的带动下,全国人民的生活总体水平也飞速提高,汽车这种高价产品也走进了家家户户,大城市甚至一户多车。商场停车行业也因汽车数量的快速增长而发展并兴旺起来,大型停车场大量扩建[2]。不仅停车位十分紧张,常常爆满,车位停放率还低,空余以及在哪空余是一个大问题。大型停车场往往建筑面积巨大,分楼层,且车位很多,在停车场内部,很难辨别方向,建筑物和标志都基本相似,肉眼难以区分。当车主返回接收车辆时,方向和位置通常很难辨别,找车十分困难。此外,车主不熟悉停车场环境,即使你记得停车号码或地区号码,也无法避免找错位置。因而,不仅是难以找到停车场,并且难以在停车场中找到停车所在的位置,这已成为普通车主日常面临的问题。因此为了应对这一突出问题,停车场中汽车的定位和车位的管理技术就显得十分重要。
随着相关技术多年的研发,国内外的停车场车位管理技术正变得越来越成熟,有些甚至达到了低级智能水平,做到了基本的无人收费和网上付费。例如,新加坡樟宜国际机场采用了相当智能化的专业设备,虽然它有超过3000个停车位,但是在停车场却看不到一个管理人员,车辆的进出秩序完全按照系统智能化提示来进行维持。在一些大城市,如东京和巴黎,很少看到由于停车问题引起的车辆堵塞现象。其中一个原因是政府的计划具有前瞻性和合理性。他们采用各种形式的停车场的组合,如街道停车场和地下停车场的组合,一些城市甚至建立空中停车场,汽车与停车位的比例得到很好的控制,接近1:1的比例,使得停车场规划和建设可以满足日益增长的车辆需求。另一个原因是外国建筑的智能投资非常高,接近整个建筑投资的8%,作为建筑构件之一,使得停车场具有相对较高的智能水平。
一些发达国家的停车设备制造商正在开发一种新的高智能停车管理系统,以实现联网停车。这种停车场管理系统建立在互联网平台上,其电子费也很高。基本上,它是通过网上银行交易,现金交易很少。在业主家中,您可以登录在线停车场管理系统,根据旅行时间和目的地查询停车位信息,并通过在线支付停车费完成停车位预订。这种新型功能停车场现场管理系统非常适合这种情况。这种新型停车场管理系统的成本很高,技术实施难度大,但维护成本低,这应该是未来停车场管理系统的发展趋势。
2.2 停车场的组网技术及设计方案
随着通信技术的不断发展,无线局域网的优势越来越明显。例如,无线局域网覆盖面积大,并且它几乎不受地理环境限制:无线局域网可以在任何时间进行设置,可以在任何时候加入,并且安装和扩张很方便。无线局域网在几分钟之内便可以快速建立,实现临时和紧急抗灾通信的目的,并且几乎没有有线通信布线和接入点的限制。随着无线通信技术的发展及成熟,目前在民用和商用领域目前常见的无线通信方式有:
2.2.1 Zigbee
Zigbee技术是一种基于IEEE 802.15.4标准的双向无线通信技术[3]。Zigbee技术特点是成本低,低复杂度和低功耗,在公众接受的生产成本方面有巨大优势。旨在设计网络层和应用层的协议标准,在2001年,Zigbee联盟正式成立,为整合Zigbee技术,确定标准奠定了基础。它在不同国家和地区的频段不同,美国的频段是915 MHz,欧洲的频段是868 MHz,全球其他地区是2.4 GHz,工作速度为20~250Kb /秒,传输距离为10~100米。大多数终端节点可以通过电池供电,这有助于降低运营和管理成本。
2.2.2 红外
在有了红外数据协会(IRDA)之后,红外线设备的标准得以确定且迅速普及。在红外数据通信技术中,光的波长范围被规定在了850nm和900nm之间。红外技术的主要特点是硬件尺寸小,制作成本低,容易实现,传输速率可以达到4MB/s。但是它的发射距离十分有限,且发射角度和接受角度必须在规定范围内。使用红外时必须要对准方向,且不能有障碍物。在遇到障碍物时容易被阻断,所以通信效率很难得到有效保障。所以红外的应用场景有限,可视范围通信数据传输时使用,现在主要在电视遥控器等方面使用。
2.2.3 蓝牙
蓝牙是一种短距离通信的无线通信技术,早在1998年5月就被推出,由蓝牙技术联盟管理。蓝牙的特点是体积小,低功耗,成本低,可加密,因此受到整个行业的普遍欢迎。蓝牙已经由原来的单对单通信,发展到了多对多通信,因此适应能力很强,但是其通信距离只有10米左右,因此移动性差,只适合短距离传输数据。蓝牙的由于其良好的特性,被广泛普及到便携式设备当中,只要是移动式电话,便携式电脑基本都具备蓝牙功能。
2.2.4 UWB
UWB是一种无载波通信技术,主要使用非正弦窄脉冲进行数据传输。 它的传输距离为10米左右,传输速率可以达到数百MB/s到数GB/s,具有极强的抗干扰能力。UWB的工作频率为3.0GHz ~10.6GHz,虽然抗干扰能力强,但是它使用的带宽非常宽,导致其功率谱密度极低,通过牺牲成本来提高传输速率。由于其定位精准的特点,目前它在仓库物品定位和物流方面应用比较广泛。
2.2.5 WiFi
WiFi俗称无线宽带,是目前最流行的宽带接入技术方案。WiFi覆盖范围可以达到100到300,数据传输速率依据不同的标准可以达到54Mbit/s到300Mbit/s,且在未来有继续上升的趋势。WiFi的工作在2.4 GHz频率,属于全球范围通用的免费频段,无需申请许可。但是随着2.4GHz频段的拥挤度不断上升,WiFi开始朝着5GHz发展,并且兼容2.4GHz,以减少干扰,获得更高的传输速率。 WiFi基本上满足了移动互联网应用的通信速率需求,并且不断进步。目前,无论是在商场、机场、酒店、咖啡厅等消费场所,还是在家庭住宅,公寓楼等私人场所,WiFi的使用都成了必不可少的一项。
2.3 停车场组网设计方案
2.3.1 无线局域网组网模式
2.3.1.1 Ad-Hoc模式无线局域网组网模式
Ad-Hoc无线LAN是一种没有AP设备的对等网络。 只要计算机安装了无线网卡,无线网卡就可以用来实现无线连接。原理是网络组的计算机主机建立点对点连接,相当于默认接入点,其他计算机可以直接通信并通过点对点通信共享网络。
以上是毕业论文大纲或资料介绍,该课题完整毕业论文、开题报告、任务书、程序设计、图纸设计等资料请添加微信获取,微信号:bysjorg。
相关图片展示:









