基于阿里云IOT的无线智能开关面板设计与实现毕业论文
2020-02-17 22:24:23
摘 要
随着物联网技术的进一步发展成熟,追求无线智能设备已经逐渐成时代潮流。而由于经济发展提高了物质生活的水平,使得人们更倾向于选择更智能化家居产品。智能开关是智能家居所必需的组成部分,现有的传统式开关虽然在一定程度上可实现开关功能,但将无法满足人们对智能化程度和舒适性的需求。因此利用先进的物联网技术、无线技术及云计算设计一种无线智能开关,正是本文所研究的内容。
本文基于阿里云物联网(IoT),利用无线通信技术、MQTT协议,以C、JAVA为开发语言,设计出一种无线智能开关。设计主要分为硬件部分、软件部分以及两者结合部分,硬件部分由ESP8266无线WiFi模块及开关面板电路组成,软件部分主要实现将开关面板对接阿里云物联网平台,实现实时数据交互和通信,最后根据功能的要求开发相应的APP,实现开关面板智能控制。本设计实现了APP通过云端控制开关面板,有效的实现了对开关的管理和控制。
关键词:阿里云;IoT;智能开关面板;ESP8266;MQTT
Abstract
With the further development of the Internet of Things technology, the pursuit of wireless smart devices has gradually become a trend of the times. And because economic development has improved the level of material life, people are more inclined to choose more intelligent home products. Intelligent switches are an integral part of smart homes. Although the existing traditional switch can realize the switch function to a certain extent, it will not meet the intelligence and comfort requirements that people need. Therefore, using advanced IoT technology, wireless technology and cloud computing to design a wireless intelligent switch is the content of this paper.
This paper is based on Aliyun Cloud Internet of Things (IoT), using wireless communication technology, MQTT protocol, C and JAVA as the programming language, designed a wireless intelligent switch. The design is mainly divided into hardware part, software part and the combination part of the two. The hardware part is composed of ESP8266 wireless WiFi chip and switch panel circuit. The software part mainly realizes the docking of the switch panel to the Alibaba Cloud IoT platform to realize real-time data interaction and communication. Finally, according to the requirements of the function, the corresponding APP is developed, and the switch panel is intelligently controlled. This design realizes the APP to control the switch through the cloud,and effectively manage and control the switches.
Keywords: Aliyun; IoT; intelligent switch panel; ESP8266; MQTT
目 录
第1章 绪论 1
1.1选题背景及意义 1
1.2国内外研究现状 1
1.3主要研究内容 2
1.4论文结构 3
第2章 设计及相关技术分析 4
2.1设计分析 4
2.2相关技术分析 5
2.2.1无线通信技术 5
2.2.2物联网 7
2.2.3云平台 8
2.2.4MQTT 10
第3章 开关面板的设计方案 12
3.1硬件设计 12
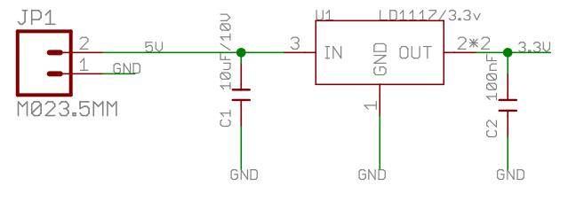
3.1.1开关面板电路 12
3.1.2电源模块电路 13
3.1.3WiFi模块电路 14
3.2软件设计 16
3.2.1 WIFI模块连云 16
3.2.2 APP开发 20
第4章 设计的实现与调试 22
4.1硬件实现与测试 22
4.2软件实现与测试 22
4.3整体实现与测试 27
第5章 总结 30
参考文献 31
致谢 32
第1章 绪论
1.1选题背景及意义
移动互联网时代的到来和计算机科学技术与通信技术的发展,使得物联网技术得到了充分发展,让万物互联成为了可能,世界将进入“物联网新时代”。广义的物联网技术是一种综合信息技术,由传感器技术、RFID(射频识别)标签及嵌入式系统等关键技术组成,与人工智能、大数据、云计算等多种技术都有联系;其面向对象延伸和扩展到了任何物与物之间,目的在于实现设备端之间的互联互通。一方面,在这个智能网络时代,各产业都在追求智能化和网络化,这也是人工智能及物联网具有巨大发展潜力的原因。另一方面,物联网技术的发展及应用广泛,大大推动了相关产业链的革新及生产力的发展,促进了制造工业及国防工业的发展。如何利用先进的通信技术及物联网技术实现万物互联和智能化,是人们感兴趣又渴望去实现的挑战,而对这一挑战的解决和突破又将大大改变人们的生活及推动人类社会向前发展。
随着物质财富的增加,人们对生活质量的要求越来越高,将物联网技术用于提高生活水平,将会是新时代的潮流。云计算及云平台的出现,为物联网技术在运用过程中存储及处理数据提供了极大的方便。正是由于这些技术的发展成熟,全新的智能模式正在被提出和实现,如智慧城市、智慧家居、智慧设备等,都会随着人们生活的需要而不断被实现。
开关在家居生活中的意义重大,智能开关在智能家居中则必不可少。开关的作用简单来说就是控制电路的通断,但普通的开关并不能实现远程控制线路及根据实际情况断开连接,再有就是现有的开关智能化程度不足。如何使开关更加智能化并让其的作用不仅仅在于控制电路通断是值得考虑和研究的问题。利用物联网及云计算等各种技术来设计生产先进的智能化产品,显得非常有意义。将硬件系统、无线通信系统及云平台结合,将可以更好的实现设备智能化,这样可以让用户在得到目标信息的同时也可以很好的对其进行远程控制,高效的通过智能化设备来提高生活品质。通过智能化方式对开关进行监控及控制,将有效增加开关的寿命及方便用户的生活,节省时间的同时也能更加保证安全。
1.2国内外研究现状
物联网及云计算等技术具有巨大的前景,世界各国在认可这一事实的同时在物联网和智能化设备方面投入了大量的研发经费。物联网技术作为一种新兴技术,对国民生活的重要性得到了包括我国在内的许多国家的肯定,因此都对其做了相关的研究开发和应用。以美国为首的技术领先的欧美强国,早已将怎样用物联网技术实现智能化作为信息技术领域的研究重点,因此通过技术的发展带动经济生活的发展,已经成为不可阻挡的趋势。智能家居的研究和应用展现出了极大的发展潜力,我国“十二五”规划明确提出了将智能住宅作为战略性新型产业进行培育和发展[1],在高速发展的物联网时代,智能家居控制系统必将在国内迎来热潮。为顺应时代潮流,我国只有加大力度发展核心技术,才能在世界发展潮流中立于不败之地。
欧美地区由于较早的投入智能家居及智能设备的研发,因此掌握了绝大多数的核心技术。另外国外高科技公司早已瞄准了智能设备这一利润巨大的市场,利用其高科技的优势,提出了许多领先于国内的架构与观念。虽然国内开始重视这一块技术的掌握,但技术仍与处于领先的国外高科技公司有着较大的差距,尤其在芯片领域,对理论知识和技术架构研究的不充分、不清晰,仍是国内技术难以突破和无法掌握核心技术的原因。
总的来说现阶段基于物联网的无线智能设备国外应用的比较早,技术较为先进、成熟;而我国虽然投入力度较大,但由于缺乏经验及技术,技术还是落后于国外。但是我国对智能家居的需求较大,这将推动着相关技术的研发及应用,庞大的市场刺激着国家和企业加大对技术的研发力度,加上政府推出的有利政策,都促使我国的智能化设备制造技术走向成熟。智能家居在我国的市场前景是相当不错的,加上人们的物质生活水平的提高,对智能化设备更加青睐,即使我国的技术正处于落后,但不久的将来必定走向领先。怎样利用如今先进的科学技术实现智能化,正是我们迫切想突破的难题。当然,智能家居离不开人工智能、大数据、云计算及无线通信等技术,因此对于我们而言仍然是一个不小的挑战。
1.3主要研究内容
本文设计和实现了基于阿里云IoT的无线智能开关面板,设计按功能分为三个部分,分别为硬件部分、软件部分及综合部分。硬件部分主要研究在ESP8266芯片的基础上,设计出开关面板电路并设计出可行的供电电路。软件部分主要研究如何将ESP8266模块与阿里云物联网平台连接,如何根据MQTT协议将ESP8266模块接入到云端并实现两者的通信,除此外还根据所要求的功能设计出相应的APP。综合部分是将硬件部分和软件部分整合起来,调试并改进直到实现所要求的功能。本文主要研究内容如下:
(1)对已有开关面板的工作电路图进行深入研究,并对已有的无线智能开关及阿里云物联网平台的工作原理进行研究,综合已有方案研究出将开关接入云平台的思路。
(2)根据收集到的资料及工作原理设计出开关面板的电路图,用继电器模块实现开关面板的智能可控化,研究实现通过无线WIFI模块对整个电路的控制。
(3)研究实现将无线模块ESP8266接入阿里云物联网平台,并实现两者的通信,即可通过阿里云平台下发指令控制WiFi模块,从而控制开关电路的通断。
(4)根据相应的要求及功能调用阿里云API,设计出相应APP,实现APP通过与阿里云物联网平台的数据交互实现对WiFi模块的控制,最终实现对开关电路的控制。
1.4论文结构
本文介绍了基于阿里云(IoT)的无线智能开关面板中的无线通信技术、通信协议、硬件电路及软件设计,基于这些技术及云平台,完成了无线智能开关面板设计。论文的具体结构如下:
第一部分:对设计的选题背景和意义、国内外研究现状进行阐述分析后,进而得出论文主要研究内容以及论文写作的结构。
第二部分:对设计进行了分析,并对无线通信技术、物联网、云平台和MQTT作详细的介绍。
第三部分:主要介绍了开关面板的设计方案,从硬件设计和软件设计两方面对设计方案进行介绍。硬件设计主要对开关面板电路、电源模块及WiFi模块进行介绍;软件设计则介绍了WiFi模块连云及APP开发。
第四部分:介绍设计的实现与调试过程,阐述相关操作及对相关流程进行说明。
第五部分:对论文作了整体的总结,在找出了设计和论文不足之处的同时,为今后改进明确了方向。
第2章 设计及相关技术分析
2.1设计分析
对目前市场上各种开关面板分析可知,发现普通开关面板仍占大多数,其特点是功能都较为单一、智能化低和与人的交互性不强;而智能开关大多数是直接远程控制,不经过云端,因此本文设计了基于阿里云IoT的无线智能开关面板。根据现实生活的要求,无线智能开关面板的设计有如下要求:
(1)开关面板的设计要保证安全稳定,这是设计的第一前提;
(2)设计要能正常实现开与关的功能,且能可靠运行并方便检错,延时短;
(3)可用性和可实施性要高,减少用电损耗的同时,增加开关的使用寿命;
(4)原理及操作简明易懂,提供舒适化、高安全性的使用体验。
在满足上面要求的同时仍应该提高系统的性能,良好的性能可提高系统运行的流畅度和提高用户的体验感。无线智能开关面板采用无线通信的方式传输数据,可减少电线的使用。其次,智能开关面板与阿里云物联网平台连接,这样可以让阿里云采集面板数据的同时通过阿里云物联网平台控制开关面板。另外,面板可通过智能手机等移动终端进行操作控制,增加了使用者对面板情况的了解,提高了控制的方便性和舒适度。设计原理图如图2.1所示。
图2.1设计原理图
由设计原理图可得知,阿里云平台作为整个系统信息处理和传递的桥梁,不但要对WiFi模块进行控制管理,而且要与WiFi进行信息交互,同时也要与客户端APP进行信息交互,从而达到用户通过APP借助阿里云物联网平台控制开关面板的目的,实现开关面板的智能化、简便化,因此是设计中较为重要的部分。
2.2相关技术分析
在实现设计的过程中,运用到了如无线通信技术、阿里云物联网平台和MQTT协议等相关技术。其中无线通信技术是设计的关键技术,MQTT协议是WiFi模块ESP8266接入阿里云的关键协议,阿里云物联网平台是本次设计处理和交换数据的重要云服务平台。
2.2.1无线通信技术
无线通信技术是一种相对于有线通信技术而言,不借助传输导体而借助于电磁波信号在自由空间传播的特性进行数据传输的一种技术,因此可按传输距离进行分类。常见的短距离无线通信标准有:射频识别(RFID),蓝牙(Bluetooth),无线宽带(WIFI),Zig-bee,超宽带(UWB)和近场通信(NFC)等。常见的远距离无线通信标准有GPRS/CDMA、卫星通信、短波通信技术、无线网桥及扩频微波等[8]。市场上流行的无线通信技术主要是RFID、GPRS、Bluetooth、Wi-Fi、IrDA(红外线数据组织)、UWB、Zig-Bee和NFC。其传输距离和差别如表2.1所示。
表2.1 无线通信技术对比
无线技术 | RFID | GPRS | Bluetooth | Wi-Fi | IrDA | UWB | Zig-Bee | NFC |
传输距离 | 5-10m | 20km | 1-10m | 20-200m | 1m | 10m | 10-75m | 10cm |
传输速率 | 106Ebps | 115kbps | 1-24Mbps | 11-54Mbps | 115.2kbps | 110Mbps | 100kpbs | 424kbps |
通信质量 | 有限 | 中 | 高 | 高 | 高 | 高 | 高 | 中 |
网络架构 | 点对点 | 星型 | 星型 | 星型 | 点对点 | 星型 | 星型 | 点对点 |
成本 | 低 | 高 | 中等 | 中等 | 低 | 很高 | 低 | 低 |
(1)REID是一种原理较为简单的无线系统。系统主要由询问器和很多应答器等组成,用于对目标设备的控制、跟踪和检测。工作原理为通过发出射频信号去识别目标标签并由此获取相应数据资料,该技术推动了物联网应用领域的发展,是物联网的关键技术之一。
(2)GPRS是一种基于服务GSM移动电话用户的移动数据业务,是第一代移动通信技术的延续,因此属于第二代移动通信中的无线数据传输技术。GPRS网络具有的优势在于其同时支持电路交换和分组交换的数据传送方式,GPRS的电路交换是在原来GSM网络的电路交换的基础上做的提升,而分组交换具有高速、高实时性等优点。
(3)Bluetooth(蓝牙)是生活中较为常用的无线通信协议,支持移动或固定设备进行数据交换。设备双方的数据传送是双向的,当设备连接后通过跳频技术将待传输数据分割成多个数据包,在指定的频道上进行传送。蓝牙能够在其有效连接范围内实现设备一对一或一对多的数据传输,数据传输速率最高可达24Mbps。蓝牙技术因其技术特点被广泛应用于各类数据及语音设备,如PC、笔记本电脑、手机、打印机、传真机和耳机等,实现各类设备在短距离内随时随地进行通信[8]。也因此被广泛应用于汽车工业、智能家居和办公领域,是物联网的关键技术之一。
(4)WIFI(Wireless Fidelity),是一种基于IEEE 802.11协议的无线局域网(WLAN)接入技术,属于短距离无线传输技术。它突出的优势是其有效数据传输覆盖范围较大,有效数据传输半径将近100米,而且在覆盖范围内数据传输速度非常快,适用于高速数据传输的业务。WiFi应用广泛,通过高速有线线路将因特网接入,即可供用户使用也可以支持用网设备连接,是一些人员流动较大的地方如火车站、汽车站、地铁站、商场、机场、图书馆、校园等地方的可靠选择。作为日常生活中常用的无线传输技术,WIFI以其相对的优势正成为物联网时代的宠儿,是物联网技术中不可或缺的一部分。
以上是毕业论文大纲或资料介绍,该课题完整毕业论文、开题报告、任务书、程序设计、图纸设计等资料请添加微信获取,微信号:bysjorg。
相关图片展示:









