数字光衰减器的设计与实现毕业论文
2020-04-13 11:07:20
摘 要
数字光衰减器是一种在光通信过程中十分重要的光器件,用于对光功率进行定量的衰减。主要应用场合是通信系统的光纤指标测量、通信系统的信号衰减量检测以及各类光通信试验中等等。在本次设计中,我将要求中的数字光衰减器具体为EVOA式数字可调光衰减器,利用武汉光迅科技所研发的光衰减模块来作为设计对象。此光衰减模块是一种机械挡光式的模块,设计的基本原理是通过内置的步进电机来移动滤光片的位置,从而达到改变光衰减量的目的。
本文将光衰减模块、步进电机作为核心,以单片机操控、串口连接电脑为控制方式,加上数模转换模块、稳压器、运算放大器等器件来辅助操控,从而达到数字可调光衰减器的功能实现这一目的。
在设计过程中,我采用了多种高精度芯片的测试采样,从而使光衰的精度达到标准。除此之外,在编程时还运用了精度区分的手法,使得操作者在PC端调试光衰减量的时候能够由大到小逐步调整、达到更加精确的效果。
在文章最后的测试模块,我建立了基于n阶多项式的曲线拟合测试系统,能够测试芯片内部衰减量与操作者输入的电压之间是否存在一一对应关系,还建立了步进电机内部移动步数和所要求的衰减量之间的关系。在将实际曲线和理论曲线进行比对之后,进行了实验误差分析,在设计题目所提到的0.1dB精度范围内达到要求,即完成了目标的设计。
关键词:机械挡光;步进电机驱动;EVOA光衰减器
Abstract
The digital optical attenuator is an optical device that is very important in the optical communication process for quantitatively attenuating the optical power. The main application occasions are optical fiber index measurement of communication systems, signal attenuation detection of communication systems, and various types of optical communication tests. In this design, I will specifically request the digital optical attenuator to be an EVOA-type digitally adjustable optical attenuator, using an optical attenuation module developed by Wuhan Vision Technologies as a design object. The light attenuation module is a mechanical light blocking type module. The basic principle of the design is to move the position of the filter through a built-in stepping motor, so as to achieve the purpose of changing the light attenuation.
This article will be the light attenuation module, stepper motor as the core, with a single-chip control, serial connection to the computer as a control method, plus digital-analog conversion module, regulator, operational amplifier and other devices to assist control, so as to achieve digital adjustable optical attenuator The function achievesthis purpose.
In the design process, I used a variety of high-precision chip test sampling, so that the accuracy of light failure to meet the standard. In addition, the precision distinguishing method is also used during programming, which enables the operator to gradually adjust the light attenuation amount at the PC end to achieve more accurate results.
In the final test module of the article, I established a curve fitting test system based on an n-order polynomial, which can test whether there is a one-to-one correspondence between the internal attenuation of the chip and the voltage input by the operator, and also establish the internal movement of the stepping motor. The relationship between the number of steps and the amount of attenuation required. After comparing the actual curve with the theoretical curve, an experimental error analysis was carried out to meet the requirements within the 0.1 dB accuracy range mentioned in the design topic, that is, the design of the target was completed.
Key Words:Mechanical light blocking;Stepping motor;EVOA optical attenuator
目录
摘 要 I
Abstract II
第1章 绪论 1
1.1 引言 1
1.1.1 研究目的及意义 1
1.1.2 国内外发展现状 2
1.2 光衰减器的分类 3
1.3 光衰减器的性能指标 4
1.3.1 衰减量和插入损耗 4
1.3.2 回波损耗 5
1.4 论文的主要工作 5
第2章 设计需求和关键点 7
2.1 机械挡光式可变光衰减器的提出 7
2.2 ACCELINK公司EVOA芯片的参数介绍 7
2.3 设计中的关键点 9
2.4 小结 9
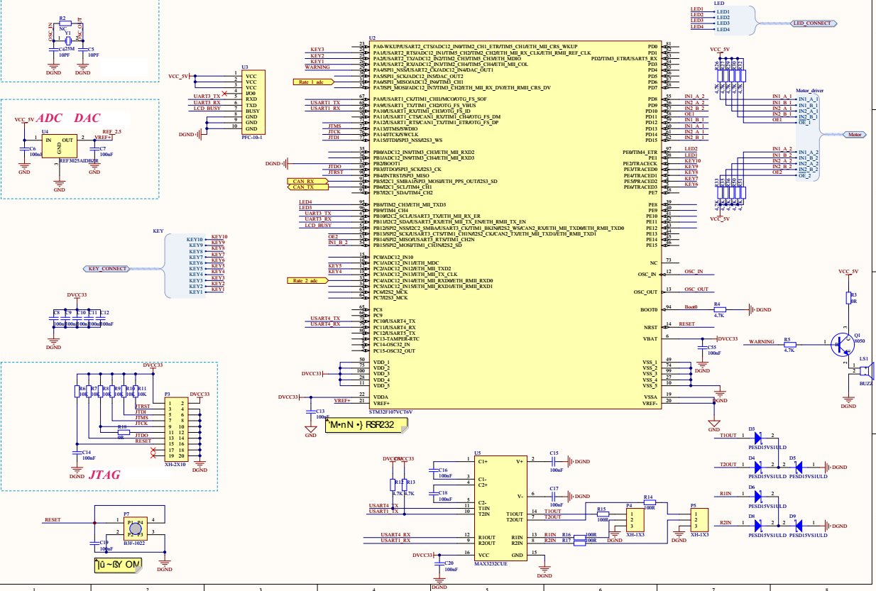
第3章 电路设计与实现 10
3.1 电路框架设计 10
3.2 机械挡光片的控制部分 11
3.2.1 步进电机的原理 11
3.2.2 基于步进电机特性的驱动控制 12
3.3 电路各部分器件选择 14
3.3.1 MPC17529电机驱动 14
3.3.2 LT1965EQ线性稳压器 14
3.3.3 STM32F107开发板 16
3.3.4 TLV2231低压运算放大器 16
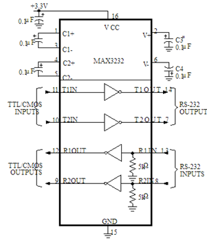
3.3.5 MAX3232串口电路 17
3.4 整机实现与原理图设计 18
3.5 小结 19
第4章 控制与测试系统 20
4.1 控制系统 20
4.1.1 基本要求 20
4.1.2 各功能模块分析 20
4.2 测试系统 21
4.3基于分段函数的曲线拟合方法与误差分析 22
第5章 结论与展望 26
参考文献 27
致谢 28
第1章 绪论
1.1 引言
1.1.1 研究目的及意义
近年来,在各项光通信的生产过程中,对光衰减器这一器件的需求逐渐增大,由于它可以根据人们的需求将复杂的光信号能量进行一个处理,且运算精度高,可靠性也较为突出。在光衰减器技术趋于成熟之后,研发可以手动调节的可变光衰减器便成为了一个新的方向。
当前的许多可调光衰减器采用的是机械式原理,不仅操作不便,而且不能按照指定的功率进行衰减。除此之外,由于其机械结构的限制,很难将这一技术继续提高。目前的光路通信中,波分复用这一关键技术得到了广泛的应用和开发,而这一技术对于可调光衰减器的精确性指标要求也很高。因此我们有必要开发研制一种方便调节、精度更高的数字可调光衰减器。VOA衰减器的主要功能是降低或控制光信号,而近年来DWDM传输系统和DDFA技术在光通信领域得到了广泛地应用,尤其是在多道传输的过程中。不仅需要达到增益平坦化和信道的功率均衡,还应在光接收器的一端进行动态饱和控制甚至其他信号的控制,这些都需要对VOA技术进行一个升级。下面将对VOA的必要性做一个详细阐释。
(1)在光网络中,由于在EDFA技术的处理过程中,不同波长的信号产生的技术参数也会有所不同,于是信道中就会出现不同的光功率。在与此有共同之处的器件例如光路开断控制的作用下,这样经过复用后的光信号将会受到更大的影响。从光信号的传输通路来讲,传输在本地的服务器上与传输在其他的服务器上对光信号的功率影响也是存在的,让其中一些具有不同的光功率的信号复用在一起,并联上前面提到的EDFA系统后,不同功率信号的波长和一些波长的功率将会进一步减少,使得信道的水准下降。所以在节点处对不同波长的光功率进行一个动态均衡是保证通信质量的前提条件。
(2)在使用光纤传输信号的过程中,除了硬件传输误差这样的线性效应,还会出现非弹性散射效应以及非线性折射率效应之类的的非线性效应。当光纤光功率在传输时愈来愈大时,上面提到的那些非线性效应也会愈加严重。近年来DWDM技术以及EDFA技术已经非常成熟了,在这两项传输技术得到广泛应用之后,光纤通信中主要存在的阻碍条件之一便是其非线性效应了,这样的障碍主要影响着高速率和长距离的通信。因此如何控制光端机的入纤功率就是抑制非线性效应的关键点了。在目前的技术水平下,先使用可变光衰减器调整信号后,再使其进入DWDM复用器,用这样的流程处理方法即可有效地控制光功率。
(3)在处理了光传输过程中的非线性损耗问题,如何让衰减值更加精确也成为了一个新问题。众所周知,所有的光纤传输网络都需要进行使用前调试,在一般的调试过程中,通过线路之后得到的衰减量往往会达不到预设的衰减标准值。这个时候为了避免光接收端出现饱和失真,我们便需要使用一个光衰减器来进一步地控制光衰减值,这样才能使系统的传输更加精确可靠。
以上是毕业论文大纲或资料介绍,该课题完整毕业论文、开题报告、任务书、程序设计、图纸设计等资料请添加微信获取,微信号:bysjorg。
相关图片展示:








