便携式超声清洗仪毕业论文
2020-02-19 20:35:49
摘 要
本设计的内容主要是研制了一款便携式超声波清洗仪,该超声波清洗仪拥有体积小、功耗低、便于携带等优点。首先对超声波清洗原理进行了叙述,并对制作的清洗仪的清洗效果、效率的影响因素进行了实验与研究,所得结果对于改进超声波清洗仪清洗效率有指导意义。
论文主要研究了超声波清洗的原理以及制作超声波清洗仪所需的材料,以及不同污染物、清洗时间以及清洗液情况下本超声波清洗仪的清洗效率。
研究结果表明:本超声波清洗仪在5分钟左右时间内能够清洗小型、结构简单的物品。并且本清洗仪体积小巧便于携带。所以该超声波清洗装置有投入实际使用的可行性。
本文的特色:本文介绍的超声波清洗仪的独特之处在于小型化以及低功耗,相较于传统超声波清洗仪,本清洗仪无需清洗槽而是直接将超声波发生装置放入水中即可进行清洗,并且清洗效果较为出色。
关键词:超声波;空化效应;便携;单片机
Abstract
The main content of this design is to develop a portable ultrasonic cleaning instrument, which has the advantages of small size, low power consumption and easy to carry. Firstly, the principle of ultrasonic cleaning is described, and the factors affecting the cleaning effect and efficiency of the cleaning instrument are experimented and studied. The results obtained have guiding significance for improving the cleaning efficiency of the ultrasonic cleaning instrument.
This paper mainly studies the principle of ultrasonic cleaning and the materials needed to make the ultrasonic cleaning instrument, as well as the cleaning efficiency of the ultrasonic cleaning instrument under different pollutants, cleaning time and cleaning liquid conditions.
The results show that the ultrasonic cleaning instrument can clean small and simple items in about 5 minutes. And the cleaning instrument is compact and easy to carry. Therefore, the ultrasonic cleaning device has the feasibility of putting into practical use.
The characteristics of this paper: The ultrasonic cleaner introduced in this paper is characterized by its miniaturization and low power consumption. Compared with the traditional ultrasonic cleaner, the ultrasonic cleaner can be cleaned directly by putting the ultrasonic generator into water without cleaning tank, and the cleaning effect is better.
Key Words:Ultrasound;Cavitation Effect;Portability;Single Chip Microcomputer
目 录
第1章 绪论 1
1.1 研究的背景以及意义 1
1.2 国内外对于超声波清洗的研究 2
1.2.1 超声波清洗研究的基础 2
1.2.2 国内研究现状 2
1.2.3 国外研究现状 2
1.3 论文的内容及结构 3
第2章 超声波清洗原理 4
2.1超声波简介 4
2.2空化效应 4
2.2.1 超声波空化效应的形成以及去污原理 4
2.2.2 影响空化效应去污效果的因素 4
2.3超声波发生原理 5
第3章 便携式超声波清洗仪的设计 6
3.1便携式超声波清洗仪的结构 6
3.2便携式超声波清洗仪各部分功能详细介绍 7
3.2.1 供电部分 7
3.2.2 控制部分 9
3.2.3 超声波发生部分 11
3.3便携式超声波清洗仪所用材料 14
第4章 单片机控制原理 15
4.1单片机实现的功能 15
4.2定时器原理 15
4.3数码管显示原理 16
4.4按键原理 18
4.5主程序原理 18
第5章 超声波清洗仪清洗效率的测试 20
5.1污染物和清洗物的制备 20
5.2清洗效率测量 21
5.2.1 清洗效率的计算方式 21
5.2.2设置影响清洗效率的变量 21
5.2.3测量实验的过程 21
5.3实验结果分析 23
第6章 总结与反思 26
参考文献 27
附录A 28
致谢 33
第1章 绪论
1.1 研究的背景以及意义
声波按照频率来划分,一般可分为三类:次声波、可听声波、超声波。其中次声波是指频率低于20Hz的声波;可听声波是指频率大于20Hz且小于20kHz的声波;超声波是指频率高于20kHz的声波[1]。相较于次声波和可听声波,超声波有以下几种特点:首先超声波具有很强的方向性,即超声波在传播过程中,大部分超声波都会沿着单一方向进行传播,只有少部分会向周围传播,其原因是超声波频率很高所以其波长很短,超声波波长在厘米级甚至毫米级以下,而根据衍射发生的条件,波长越短的波触碰障碍物时越难发生衍射,所以超声波具有很好的方向性;其次超声波很容易搭载更强的能量,其原因是超声波的频率高,在其他条件相同的情况下物体振动的能量会随着频率增大而增大,所以超声波更容易搭载更多的能量;此外,超声波的穿透性很强,超声波在介质中传播时由于其具有较高能量并且不易发生衍射,所以其在经过障碍时能量损耗较小并且反射也较少,所以超声波穿透性很强;最后由于人耳只能接收大于20Hz小于20kHz的声波,所以超声波在生活应用中几乎不会产生噪声。
超声波清洗技术被国际公认为当前效率最高、效果最好的清洁方式,其清洗效率可以达到98%以上[2]。相较于传统的清洗方式,超声波清洗技术有以下几点优势:首先,由于超声波的穿透性较强,所以超声波便于清洗一些机械方式无法轻易清洗的复杂结构;其次由于超声波所携带的能量较强并且在传播过程中的损耗较低,所以利用超声波进行清洗功率要求相较于洗衣机等机械式清洗设备较低;此外,超声波清洗利用的主要原理为空化效应,该效应是利用超声波在液体中传播会出现气泡并闭合,利用气泡产生和闭合的力量对污渍进行冲击从而使污渍和被清洗物分离,这种方式对于一些金属或玻璃类物品表面的腐蚀相对于某些化学试剂清洗法较小。
但目前我国民用超声波清洗仪器通常都是将被清洗的物件放入清洗槽中进行清洗,并且功率较大,这样整个机器就会比较庞大不方便移动,只能在固定场所使用。本次设计希望制作一款便携式的超声波清洗仪器,能对实验室常见的试管、烧瓶等简单的玻璃或金属仪器进行清洗。为便携则需要的功率较小并且不需自带清洗池,设计目标是将控制部分与超声波发射部分分离,使超声波发射部分可以手持放入任意水池进行清洗。如果将传统的超声波清洗仪比作洗衣机,则可将本设计的清洗仪看作是一把刷子。如同洗衣机一般,传统清洗仪可一次性清洗多台器件,而本次设计的清洗仪则功率小且便于携带,还可以针对物品较脏的区域进行重点清洗。
1.2 国内外对于超声波清洗的研究
1.2.1 超声波清洗研究的基础
超声波清洗技术最早出现于20世纪30年代早期,由美国新泽西州的美国无线电公司技术人员提出[3]。超声波清洗最早被应用于上世纪五十年代,清洗领域有电子领域、光学领域、医药领域等。日本专家柴野佳英经过不断实验最终认定起到清洗作用的是真空中的气穴,推翻了传统观念中认为超声波疏密波起到清洗作用[4]。在这之后超声波清洗设备的研究方向就开始步入正轨,有关空化效应的各种相关理论也相继提出,随后超声波清洗设备的研发主要着眼于提高空化效应中真空空洞的产生数量。随着超声波清洗设备的清洗效率开始逐步提升、超声波设备的功耗逐渐下降、超声波发生器的造价也趋于低廉。超声波清洗设备于上世纪90年代起进入了迅速发展的时期。
1.2.2 国内研究现状
在我国国内该技术通常用于以下几个方面。首先在医疗方面,超声波的清洗技术已经在医药行业得到广泛的运用,在某些药品生产过程中超声波清洗技术起到了关键作用。例如,在西林瓶、氨瓶和天然胶塞等方面的清洗都有广泛的运用[5]。然后是需要较大清洗强度的形状不规则的工业金属器件,这些金属器件通常难以用常规清洗手段完全去污,而通过超声波清洗则可使其结合部位或其他缝隙较小部位的污渍得到清理。其次某些精密的光学器件如滤光片、摄像机镜头、树脂镜片等,通过常规的清洗方式容易损伤这些器件,采用超声波清洗由于空化效应是利用气泡对污渍进行冲击,所以对镜片产生的影响较小。此外在黄金首饰清洗方面,因首饰的特殊结构常规的清洗方式很难彻底清洗,采用超声波清洗则更为彻底。
1.2.3 国外研究现状
在国外,超声波清洗设备种类非常多,除了上述国内介绍的清洗方面,国外一些公司在相对技术较难的高频超声波清洗方面也已经有了比较完善的设备。对于某些精密的电子器件,由于空化效应的清洗力较强,所以用此种方式进行清洗极易损伤其中的电路及元件,此时则需用到高频超声波清洗。美国的 Verteq、Imtec、ProSys 公司研制的高频超声波清洗机用来清洗微小芯片,其清洗机可以把 0.15 纳米的污染物清洗掉,还可以防止污染物再次污染[4]。高频超声波技术并非是利用空化效应对污染物进行清洗,在兆赫级别的高频超声波下对芯片进行清洗并不会产生空化效应,而是利用了声压的梯度效应,该种方法虽然清洗的力量较小,但是对于精密芯片来说该方法不会损伤芯片的电路结构,是一种十分安全高效的清洗方式。此外在对于3D打印机的清洗方面,Verhaagen和 Zanderink介绍了由于3D打印机所使用的打印材料为微小颗粒,常规洗涤方式无法有效地清洁[6],而利用超声波在特定频率和功率下则可对其进行高效去污。Modern Machine Shop一刊上介绍了一款超声波清洗设备,该设备拥有占地小、自动化、对颗粒物清洗效率高等特点,适用于清洁3D打印机[7]。最后在海洋工业方面,通常海洋中各类管道放置于海底,常规的清洁机械难以抵达。HabibaLais, Premesh S.Lowe和Tat-HeanGan等人在Ultrasonics Sonochemistry中发表了关于使用大功率超声波对海洋中管道以及船只等进行清洁的优化方案,解决了常规手段难以清洁深海管道的难题[8]。
1.3 论文的内容及结构
本文首先从超声波清洗的原理入手,阐述了超声波清洗的优势与实际应用的可行性。之后将开始介绍如何采购制作超声波清洗仪的材料。再之后将讲述如何制作该超声波清洗仪,并且介绍如何使用单片机对清洗仪进行控制。最后将讲述对该清洗仪的实际测试的过程。按照从阅读资料到设计结构,再到购买材料以及组装调试,到最后实际使用的顺序,本文将具体分为如下五章:
第一章:绪论。本章主要讲述本次设计的背景、意义以及该领域的国内外现状。
第二章:超声波清洗原理。本章主要介绍空化效应产生的条件、利用空化效应去污的原理以及影响超声波清洗的因素。
第三章:便携式超声波清洗仪的设计。本章主要介绍超声波清洗仪的组成元件以及各个部分的作用以及原理。
第四章:单片机控制超声波清洗仪。本章主要介绍超声波清洗仪的控制部分,展示了如何利用单片机实现清洗仪的各项功能。
第五章:超声波清洗仪的清洗效率。本章主要介绍超声波清洗仪在清洗常见污渍时的清洗效率是如何得出的。
第六章:总结。本章总结全文,对本次设计的超声波清洗仪进行评价以及对改进的可能性进行分析。
第2章 超声波清洗原理
2.1超声波简介
声波是指物体机械振动所产生的波,通常人耳能够听到的声波范围在20Hz到20kHz之间,低于20Hz被称为次声波,高于20kHz的声波被称为超声波。目前超声波由于其独特的性质使其在医学、工业、农业、军事等领域都有很广泛的应用,实际主要被用于测量距离、测量速度、洗涤物品、超声波焊接等方面。在超声波清洗方面,又可分为高频超声波清洗和低频超声波清洗。低频超声波是利用超声波的空化效应对污渍进行冲击从而使其与被清洗物表面分离。高频超声波的频率需要达到兆赫兹级别,并非利用空化效应,清洗力度较小,通常用来清洁精密的电子元件。本次设计的超声波清洗仪所清洗的目标是一些常见的非电子元件类物品,所以只需利用低频超声波产生的空化效应进行清洗即可。
2.2空化效应
2.2.1 超声波空化效应的形成以及去污原理
当超声波在液体中传播时会带动液体进行振动,当声压达到一定强度时,液体的某个区域在拉应力的作用下会形成负压,便不能再继续保持连续、紧密的状态,此时液体便会被撕裂,形成空洞。这种空洞并不能保持过久的时间,一般在0.1μs后该种空洞就会闭合,并且该过程中空洞周围的液体会以大约100m/s的速度流动,这种液体高速流动的过程也是清洗污垢的主要力量。此外在气泡剧烈消失的过程中还会形成非常短暂的局部高温高压并急速降温降压,温度可达4000k以上,压力可以达到100兆帕斯卡以上,冷却速度极快可以在几μs时间内冷却。这种局部高温高压以及温度和压强剧烈变化的过程也是超声波去污的主要效应之一。上述这种气泡周期性出现并剧烈消失的过程就被称为空化效应。除了空化作用外,超声波清洗技术还依靠超声空化二级效应产生的微声流的冲击作用,以及超声空化在固体液体表面产生的高速微射流的洗刷作用[9]。
2.2.2 影响空化效应去污效果的因素
由于空化效应是因为超声波在液体中传播出现的,所以超声波的各项指标以及载波液体的各项指标是影响空化效应的主要因素。
超声波主要由频率、强度这两项指标影响空化效应。其中在超声波波段内,越低的频率越容易产生空化效应[10],所以目前常见的超声波清洗设备的超声波频率都在在20kHz到40kHz左右,本次设计采用的即为40kHz的超声波发生器。超声波强度也就是超声波的功率,由于空化效应的原理是由声压产生的拉应力对液体进行作用从而使空洞产生和消失,所以声强也就是超声波的功率越大,产生的空洞越多。但是并非空洞越多清洗效果越好,在空化趋于饱和后再增大声强,则会造成许多无用空洞产生,这些空洞会使超声波产生散射衰减,从而影响超声波清洗的效率。
在载波液体方面,主要由以下三个方面影响空化效应,首先是液体的表面张力,如果液体的表面张力较小,则比较容易产生空化效应,反之若液体的表面张力过大则不易产生空化效应。然后是液体的黏滞系数,由于空化效应实质上是空洞的产生与消失,若液体过于黏稠则会使空洞的产生与消失速度变慢则不利于清洗的进行,并且如果液体过于黏稠超声波虽然有较强穿透性和集中性,但是在黏稠的液体中其穿透性和集中性还是会减弱,所以黏滞系数较小的情况下更利于超声波的传输以及空化效应的产生。最后是载波液体的温度,适当地提高温度能够产生使空化效应更多的空洞,但温度不宜过高。例如,醇类清洗剂的适宜温度约为45℃,水的适宜温度为60℃[11]。
2.3超声波发生原理
超声波振子是一种超声波发生器,其主要作用是将接收到的电能转换为机械能也就是超声波发射出去。超声波振子的制作离不开压电效应,压电效应分为正压电效应和逆压电效应两种,正压电效应是指压电材料在外力的作用下,压电材料内部会产生极化使正负电荷向相反方向移动从而分别聚集到压电材料的正反两面上产生电压。而逆压电效应则是压电材料在电压的作用下会产生形变,如果电压周期变化,压电材料也会按周期振动从而形成声波。超声波振子主要利用的就属于逆压电效应。一般超声波振子使用的压电材料都是锆钛酸铅压电陶瓷,锆钛酸铅压电陶瓷具有很高的压电应变系数和较高的居里点温度使其适用于超声波振子的制作[12]。超声波振子的结构图如图2.1所示。

图2.1 超声波振子结构
超声波振子从上到下分别为配重块、压电陶瓷和电源、喇叭以及最后的接触面。其中配重块的作用是稳定整个超声波振子,以免产生过多的杂波。压电陶瓷在通电后可以产生高频振动,所产生的高频振动经喇叭放大抵达接触面后由接触面传递到外界,通常来说接触面都是与金属板相组合。
第3章 便携式超声波清洗仪的设计
3.1便携式超声波清洗仪的结构
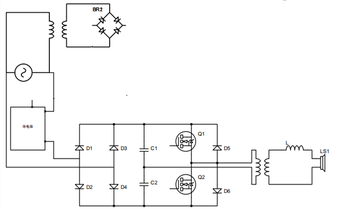
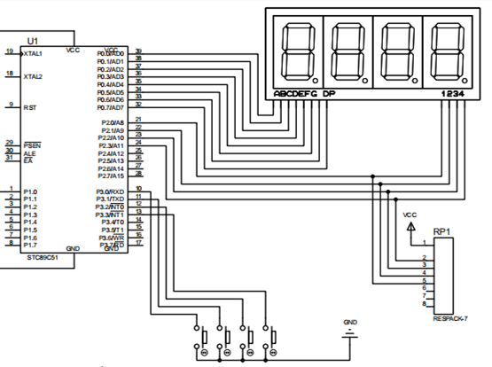
本次设计的超声波清洗仪的根据功能划分,主要可分供电、控制、超声波发射三大部分。首先是供电部分,供电部分主要为单片机和超声波电源进行供电,主要功能是对220v的市电进行变压、整流、调频,从而为STC89C51单片机提供5V直流电,为超声波振子提供高压、高频的交流电。超声波发射部分由超声波振子和防水金属外壳组成,该部分主要功能是将电能转换为机械能即超声波,并将超声波发射进入水中。难点是防水工作以及振子与金属外壳连接处的结合方式,因为超声波振子工作时在局部会产生很多热量,所以接触面之间的结合处需要能够承受剧烈振动并且要有很好的耐热性。控制部分使用了STC89C51单片机,主要是对供电部分进行控制从而实现定时、功率控制等功能。本超声波各部分之间的联系如图3.1所示。电路图如图3.2所示。
图3.1 本设计各部分之间的联系
以上是毕业论文大纲或资料介绍,该课题完整毕业论文、开题报告、任务书、程序设计、图纸设计等资料请添加微信获取,微信号:bysjorg。
相关图片展示:









