基于51单片机的贪吃蛇游戏设计毕业论文
2020-04-22 19:35:13
摘 要
游戏是一种良好的减压方式。贪吃蛇作为一款经典的游戏,自上世纪90年代,诺基亚在手机中内置了这款游戏后,贪吃蛇迅速风靡全球。本次毕设在具体实现上,采用STC89C51单片机作为内核,LCD12864作为显示屏,从而达到贪吃蛇游戏的运行与显示效果,构成一个便捷的游戏机系统。软件实现上,采用C语言,Keil进行软件的调试,Proteus进行电路的设计与仿真,再进行软硬件联调,达到最终的贪吃蛇游戏机成品。本文主要解决了利用51单片机、LCD12864液晶显示屏制作一款益智游戏的问题,贪吃蛇可以通过外部按键控制改变运动方向,玩家可以在菜单界面选择游戏的等级、游戏的地图,游戏中食物的产生是随机的,蛇吃完食物后,蛇身会加长并且游戏的积分会增加,蛇碰撞到蛇身或墙,游戏结束,最终实现了一个基础的游戏机系统。
关键词:贪吃蛇 单片机 液晶显示屏 游戏设计
Design of Snake Game Based On 51 SCM
Abstract
Playing game is a good way to help people reduce stress. Snake Game is a classic game. Since Nokia built this game in its mobile phone in the 1990s, Snake Game has become popular all over the world.In the software implementation, used the C language and Keil was used to debug the software, Proteus was used to design and simulate the circuit, and then the software and hardware were debugged to achieve the final product of Snake Eating Game Machine.This paper mainly solves the problem of making a puzzle game by using 51 single chip computer and LCD 12864 LCD screen. The snake-eater can change the direction of movement by controlling the external keys. Players can choose the difficulty of the game and the map of the game in the menu interface. The production of food in the game is random. After snakes eat food, the body of the snake will lengthen and the score of the game will increase. At the end of the game, players can view their own game results, and ultimately achieve a basic game machine system.
Key words: Snake Game; Microcontroller ; LCD Display Screen; Game Design
目录
摘要 I
Abstract II
第一章 绪论 1
1.1 研究的意义 1
1.2 国内外研究现状、水平 1
1.3 本课题的发展趋势 2
1.4 本课题的研究内容和达到的要求 2
第二章 方案分析与选择 3
2.1 系统方案设计 3
2.2 显示器模块设计方案 3
2.3 按键输入模块设计方案 4
第三章 系统硬件设计 5
3.1单片机的选择与其性能分析 5
3.2 键盘电路的设计 6
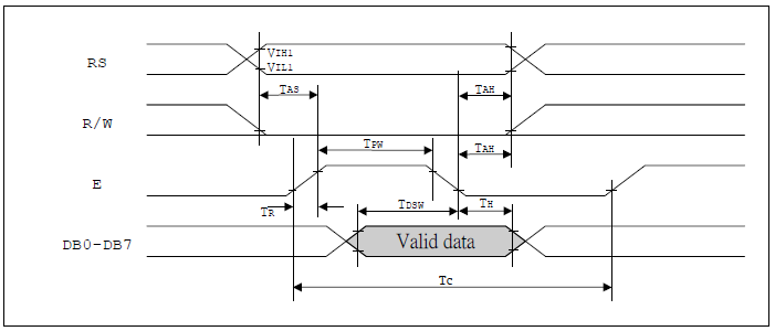
3.3 液晶屏LCD12864 7
3.4 系统整体硬件设计 12
第四章 软件系统设计 13
4.1 游戏设计思想 13
4.2 主要模块介绍及其功能 14
4.3 程序设计流程图 18
第五章 仿真设计与结果分析 19
5.1 仿真软件的简介 19
5.2 本系统的Proteus仿真设计 20
第六章 系统调试 22
6.1 硬件调试 22
6.2 软件调试 23
6.3 硬件软件联合调试 23
6.4 调试结果 24
第七章 总结与展望 25
参考文献 26
致谢 27
附录 28
第一章 绪论
1.1 研究的意义
时代发展迅速,加班再加班是普通上班族的生活状态,工作上的压力也是比较巨大了。因此,一款便携的娱乐益智游戏对于上班族来说非常必要,在工作闲暇之余,或是回到家中,打开这款经典易懂的游戏,可以很快放松身心,达到愉悦自我的效果。
对于青少年与老年人来说,这也是一款易上手的游戏。老年人可以通过这款游戏活动大脑,预防阿尔茨海默病。青少年也可以在学业完成后,用这个游戏练一练手脑协调能力。
现代科技的迅速发展,同时电子工业也发展起来了,微电子技术、计算机技术等在人们生活中如影随形,电子产品一步步降价,也使得越来越多的人们用的起电子产品,人们对美好生活的追求,就让更多游戏产品进入市场。
单片机作为核心部件,以其便携性、易扩展性、高性价比,迅速抢占了市场,此次毕设中,就采用了单片机作为硬件核心,利用 LCD12864作为显示屏,去设计一款便携的游戏系统。
1.2 国内外研究现状、水平
贪吃蛇最初同时也是最经典的版本,也就是黑色背景,玩家可以通过四个方向控制蛇的运动方向。在各个版本更新后,引入了食物、迷宫等,使得游戏的趣味性更高,由黑白版本走向彩色版本。
相关图片展示:









