辊压机水泥预粉磨系统高效选粉机毕业论文
2020-05-20 21:10:53
摘 要
我国是水泥生产大国,占世界水泥产量的60%,众所周知,水泥产业是非常耗能的,并且水泥粉磨占水泥生产总能耗的70%。自从选粉机的应用,水泥生产的能耗大幅度的降低,但同时选粉机的性能和稳定性又影响了系统的运行状态。
本文概述了选粉机的发展,介绍了各种选粉机的原理和优缺点。通过对之前选粉机原理的认识,设计了三分离选粉机原理和结构。三分离选粉机相对O-sepa选粉机优势更明显,通过把物料分为三种粒级运送到各设备中进一步处理,充分发挥了各设备的优势,减小能耗。本实验理论推导了切割粒径的计算方法,利用公式计算出相应的尺寸。另外通过对水泥粉磨系统的对比发现半终粉磨系统能耗和产量是较优的,设计出了一条适合三分离选粉机的半终粉磨系统,并且进行了设备配置。
关键词:三分离选粉机 半终粉磨系统 切割粒径 分级原理 尺寸计算
Efficiency separator in pre-roller press grinding system of cement
Abstract
Our country is cement output power which is sixty percent of the world. As is known to all, Cement production is energy consumption. In the system, cement grinding consumes seventy percent of the total energy consumption. The energy consumption of cement production has significantly reduced since the appellation of separator. However, the classifier’s performance affects directs the system’s application states.
In this paper, the principles and characteristic of classifier are introduced. Understanding the prior separator principle designed three separate separator principle and structure. The three separate separator is more advantage than O-sepa separator which divided into three categories by the material delivered to each device further treatment, giving full play to the advantages of each device, reducing energy consumption. At the same time the calculation formula of cut-size is deduced to calculate the appropriate size by using the formula to calculate. We designed a classifier for three separate semi-final grinding systems, and performs device configuration.
Key words: three separate classifier; semi-final grinding system;
cutting fraction; classification principle; size calculation
目 录
摘 要 I
Abstract II
第一章 绪论 1
1.1 分级的概念、意义及作用 1
1.2 选粉机的简介 1
1.2.1水泥工业选粉机的分类、发展及现状 1
1.2.2 选粉机的结构特点和工作原理 2
1.3 课题的研究目的 5
1.4 课题的研究内容 6
第二章 水泥粉磨系统比较分析 7
2.1 粉磨系统工艺及比较 7
2.1.1 开路粉磨 7
2.1.2 闭路粉磨 7
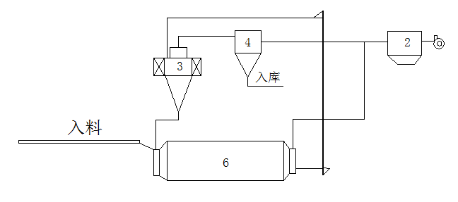
2.1.3 辊压机循环预粉磨系统 8
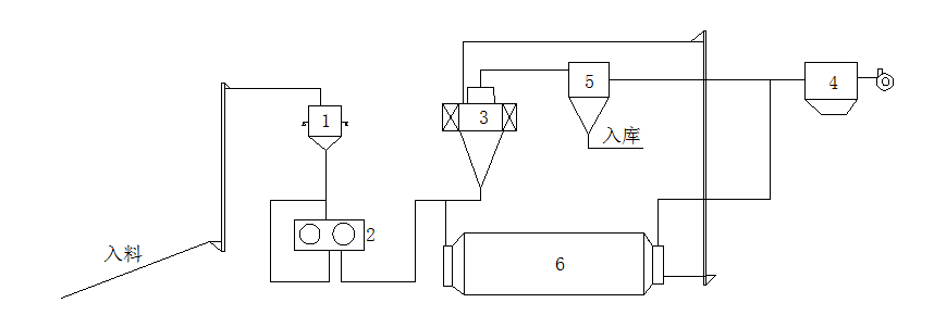
2.1.4 联合粉磨系统 9
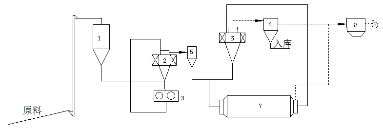
2.1.5 混合粉磨系统 10
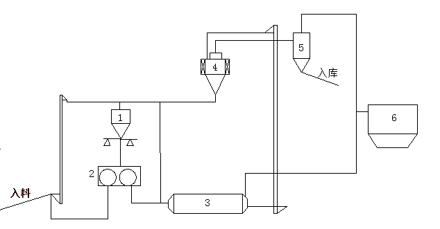
2.1.6 半终粉磨系统 11
2.1.7 辊压机终粉磨系统 12
2.2 辊压机粉磨系统设备的选择 13
第三章 三分离选粉机模型设计 17
3.1 气固两相流中颗粒的受力情况分析 17
3.1.1 重力与浮力 17
3.1.2 流体作用在颗粒上的阻力 17
3.1.3 颗粒所受的离心力 17
3.1.4 不同粒级所受的各个力分析 17
3.2 设计三分离选粉机的分级原理 18
3.3 选粉机尺寸的设计 19
3.4 选粉机结构简图 22
第四章 结语及展望 25
4.1 结 论 25
4.2 展望 25
致 谢 26
参考文献 27
第一章 绪论
1.1 分级的概念、意义及作用
分级是根据颗粒因不同特性(如粒度、密度、形状)在介质中受力(如重力、阻力、离心力)不同而导致有差异的运动状态的原理,将物料按两种或多种粒度级别分开的过程。分级常用的分级介质有水和空气,前者称为湿法分级后者称为干法分级[1]。湿法分级过程繁琐且产量低,干法分级以其产量大的优势由十九世纪开始便得到人们的应用并不断地改进至今,发展为更节能、产量更大、用途更广。分级的关键技术是分散和分离,由于分级的物料通常较小,有时甚至为纳米级,此时物料容易团聚,所以需要将物料先分散,再分级。分离是指颗粒群在流体介质的短暂时间内,由于受力情况的不同,引起运动轨迹的差异。完成对物料的分级[2]。
随着人类文明的发展,能源消耗成倍的增加,人们逐渐认识到化石能源是有限的,将会逐渐减少。同时随着能源的消耗也造成了环境的严重污染。节能是我国经济、环境和社会发展的一项战略方针。众所周知,粉磨是非常耗能的过程,而随着科技的进步越来越多的工艺和生产对原料的粒度要求较高,不仅要求粒度小而且还要求粒度的分布精确,所以如何把合适的物料及时分离出来就成为研究的重点,分级是把颗粒群分为多种粒度级别可以充分发挥各粒级的作用,合适的颗粒即使分离出来避免过粉磨而且减小能耗,而较大的颗粒可以继续粉磨,这就是分级的意义。分级在各个行业尤其是高科技行业都有着广泛的应用前景,比如电子、冶金、高性能陶瓷、复印材料、涂料、制药和催化剂等行业都有着重要的应用。
1.2 选粉机的简介
1.2.1水泥工业选粉机的分类、发展及现状
选粉机在1885年由英国人发明,后来德国人取得制造权,在1889年将选粉机用于水泥工业的生产。根据它的工作原理,选粉机的发展可以分为三代,分别为第一代离心式选粉机,第二代旋风式选粉机,第三代高效选粉机[3]。
第一代离心式选粉机是由英国人在1885年发明的,由美国生产的Sturtevant型选粉机最有名。选粉机内由大风叶的旋转使其内部产生循环气流,进入选粉机的物料受到气流的阻力、自身重力和小风叶的离心力。使小颗粒上升,大颗粒下降,从而达到颗粒分级的效果。
相关图片展示:







您可能感兴趣的文章
- 利用污泥和低质粉煤灰制备高强度陶粒外文翻译资料
- 注蒸汽井中硅含量对水泥石抗压强度的影响外文翻译资料
- 碳纳米管和二氧化锰纳米粒子修饰的少层石墨烯在高性能超级电容器中的应用外文翻译资料
- 高能MnO2纳米线/石墨烯和石墨烯不对称电化学电容器外文翻译资料
- 影响立式辊磨机性能的操作参数外文翻译资料
- 水泥行业立式辊磨机及其性能参数研究进展外文翻译资料
- 立式辊磨机遇滚磨机基于能量的比较外文翻译资料
- 一种工作在500℃以下用于固体氧化物燃料电池的铌和钽共掺杂钙钛矿阴极外文翻译资料
- 层状钙钛矿A位缺陷的理解: 促进质子陶瓷电化学电池水氧化和氧还原的双反应动力学外文翻译资料
- 基于细菌纤维素/木质素的柔性高石墨化碳气凝胶: 无催化剂合成及其在储能装置中的应用外文翻译资料


