NaCl(电解质)复合对Cu2SnS3热电材料电输运特性的影响毕业论文
2020-05-26 20:26:41
摘 要
热电材料是一种能通过其内部的载流子的运动实现热能和电能相互转化的材料, 温差发电和静态制冷领域具有广泛的应用前景。近年来 ,硫化物因经济环保的特点在热电领域引起极大的关注[1]。P型Cu2SnS3 (CTS)半导体材料 ,已被实验证实具有热电材料所需声子玻璃电子晶体特征[2], Sn位Zn优化掺杂已实现最大ZT~0.6。
为进一步提高CTS材料热电性能 ,本论文拟通过与离子化合物电介质复合 ,在保持或降低热导率前提下 ,增强载流子散射并优化功率因子 ,最终实现热电优值的提升。本研究以25%Zn掺杂CTS为基体 ,通过机械球磨引入(1~8) mol% NaCl ,并利用放电等离子烧结技术制备了致密块体陶瓷样品 ,通过X射线衍射、扫描电镜及能谱、声速测定等手段 ,分析了NaCl复合对电输运和热传导性能的影响及其机理。结果表明 ,NaCl复合能有效降低复合材料的电导率、提高赛贝克系数并优化功率因子 ,同时复合材料的热导率大幅减小 ,最终实现了热电优值的较大提升 ,最高ZT值为0.71 ,相对未复合样品(ZT=0.45)提高约60%。通过分析推论 ,NaCl可能在高能球磨复合过程中部分吸附在高度非晶化的CTS纳米颗粒表面并在烧结后富集于晶界区域 ,从而加强了对载流子的离子化杂质散射甚至产生了一定程度的能量过滤效应;同时在CTS晶粒表面和晶界上产生大量缺陷 ,扰乱了声子正常传输。这些发现说明 ,简单的电介质NaCl复合 ,也是提高CTS基热电性能的有效途径。
关键词:热点材料 复合 Cu2SnS3 NaCl 能量过滤
Influence of NaCl on the Electrical Transport Properties of Cu2SnS3 Thermoelectric Materials
Abstract
Thermoelectrics (TEs) are a kind of materials that can convert thermal energy directly to electric energy by the movement of carriers ,and have wide applications in power generation and steady-state refrigeration. In recent years, sulfide materials have received great attention due to their being economic and environment-benign. P-type Cu2SnS3 (CTS) has been verified to show features of phonon-glass-electron-crystal for TEs, and a high ZT ~0.6 has been obtained previously through optimal Zn-doping.
To further improve its TE properties, a composite approach using NaCl, a common ionized dielectric was investigated, in order to incorporate ionized carrier scattering to optimize the power factor and ultimately enhance the ZT figure of merit under the premise of a maintained or even reduced thermal conductivity. In this study, 25%Zn-doped CTS powder was used as matrix where (1~8) mol% NaCl was dispersed by mechanical ball-milling, and dense bulk samples were prepared by spark plasma sintering. By XRD, SEM and EDS, sound velocity analysis, the influence and its mechanism of NaCl on the transport properties were explored. Results showed that, with the NaCl addition, the electrical conductivity of the composite decreased while the Seebeck coefficient increased gradually, the power factor was enhanced effectively, moreover, the thermal conductivity was greatly reduced, and ultimately the TE figure of merit was greatly improved by ~60% to 0.71 as compared to that of purely Zn-doped sample. It is proposed that, the dissolved NaCl in the ethanol solution during the high-energy ball-milling would be absorbed onto the highly amorphous surface of the CTS nanoparticles, leading to dispersion of Na and Cl- mainly along the grain boundaries in the sintered body, and thus an intensified carrier ionized scattering and even a certain degree of energy filtering effect; additionally, on the grain surface and along the grain boundaries of CTS, a large number of defects would be introduced, disrupting the normal propagation of phonons. These findings suggest that a simple approach of using dielectric NaCl is also effective to improve the TE properties of CTS-based materials.
KEYWORDS: composition; Cu2SnS3; Thermoelectric; NaCl; Energy filtering
目录
复合NaCl对Cu2SnS3热电材料电输运特性的影响 I
摘 要 I
Abstract II
第一章 引 言 6
1.1热电材料简介 6
1.2 热电变换效应及其原理 6
1.3 热电材料的发展历程 8
1.4 热电材料的研究现状 9
1.5 现有的一些硫化物热电材料介绍 10
1.5.1 铅族硫化物 10
1.5.2 二硫化钛热点材料 11
1.5.3 铋硫族化合物 11
1.5.4 CTS热电材料 11
第二章 实 验 13
2.1实验目的 13
2.2 实验研究内容 13
2.3 实验原料和设备 13
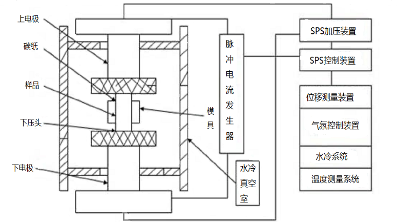
2.4 实验步骤 14
2.4.1 掺杂25%Zn 的CTS样品制备 14
2.4.2 烧结 15
2.4.3切片amp;打磨 16
2.4.4电输运性能的测量 16
2.4.5 声速的测量 17
2.4.6热扩散的测量 17
2.4.7 SEM 18
第三章 结果分析 19
3.1 物相分析 19
3.1.1 SEM分析 19
3.1.2 XRD分析 21
3.2 电输运特性 22
3.2.1 电导率 22
3.2.2 赛贝克系数 23
3.2.3 功率因子 25
3.3热传导特性 25
3.3.1声速的测量 25
3.3.2热扩散性能测试 26
3.3.3 总热导率及ZT值 27
3.3.4晶格热导 28
3.3.5 分析 29
3.3.6 展望 29
致 谢 34
第一章 引 言
1.1热电材料简介
热电材料是一种能利用其内部载流子移动从而实现热能和电能直接转换的功能材料 ,热电材料由于能实现热能和电能的直接转换 ,已经有用于制冷和空间探测的例子[4-5] ,所以它不像卡诺热机需要复杂的传动部件 ,且没有使用环境限制 ,可以普遍应用于遥远的外部空间、无人区以及海洋深处等诸多领域[6-7]而且工作不产生噪声污染 ,能像太阳能、风能、水能一样无污染 ,并且这种材料性能稳定可靠 ,使用寿命长 ,具有广阔应用前景。热电材料在一些国家已经逐渐步入商业化应用的时期 ,并且产能较大。[8]
转换效率由材料本身的热电优值(ZT)决定 ,相互关系见等式(1-1):
(1-1)
其中 ,是热转化为电的转换效率 ,Tl和Th代表了卡诺热机的温度较高的那一端与温度较低的那一端的温度 ,卡诺效率可以用c代表 ,即c=1Tl/Th。ZT值越大则说明了其热能转换电能效率和卡诺热机理论效率越相近。
1911年德国科学家Altenkrich[9]建立了热电效应的理论模型。
ZT = S2σT/κ (1-2)
这个公式是热电材料热电效应理论基础。其中 ,Z为热电优值(单位K-1) ,S为Seebeck系数(单位V/K) ,σ为电导率(S/cm) ,κ为热导率(W/(m·K)。S2σ称为功率因子(Power factor ,PF)。ZT值越大 ,热电转化率越高 ,一般地 ,ZT≥1是商业化应用的要求 ,相应的热电转换率可达10%左右。[10]
1.2 热电变换效应及其原理
1823 年, Thoums Seebeck 第一次观察到了发现了热电效应。赛贝克(Seebeck)效应 ,即第一热电效应 ,它是指由于两种不同的导体或半导体接触时由于温度差异而引起两种材料间形成电势差的现象。种现象最初的热电效应是在金属中发现的 ,其在半导体中同样存在 ,且数值比金属导体大[11]。

图1-1 热电效应原理
Fig 1-1 Thermoelectric effect principle
Seebeck效应的原理的解释是温度较高的一端的载流子会往温度较低的那一端扩散从而形成电流继而形成了电势差 ,实现热电转换。
				(1-3)
其中S为Seebeck系数 ,单位为V/K, 
V为电势差, ΔT为温度差。由上式可以看出如果一种材料的赛贝克系数越大就表明这种材料在较小的温度差时就能产生较大的电动势 ,也就是说热电效应越明显。
帕耳贴(Peltier)效应为:当电流经过两种不同金属材料的接触点时出现的温度上升或温度降低的现象,所以也可以认为是塞贝克(Seebeck)效应的一种逆效应。
						 (1-4)
其中π为Peltier系数 ,单位为V。q为吸收或放出的热量 ,单位为J。I为通过的电流 ,单位为A。.
虽然Thomson效应和Peltier效应同为热电制冷效应 ,但是它们又有所不同 ,具体表现为 Thomson效应单指的是某一种均匀导体的热电效应。当电流通过一段有均匀且有温度梯度的导体时 ,导体本来存在的温度分布被打乱 ,要保持本来的温度分布 ,必须通过吸收环境的热量或向系统外部放出热量。Thomson效应产生或放出的热量与电流强度和这段导体温度梯度成正比。
							(1-5)
相关图片展示:







您可能感兴趣的文章
- 利用污泥和低质粉煤灰制备高强度陶粒外文翻译资料
 - 注蒸汽井中硅含量对水泥石抗压强度的影响外文翻译资料
 - 碳纳米管和二氧化锰纳米粒子修饰的少层石墨烯在高性能超级电容器中的应用外文翻译资料
 - 高能MnO2纳米线/石墨烯和石墨烯不对称电化学电容器外文翻译资料
 - 影响立式辊磨机性能的操作参数外文翻译资料
 - 水泥行业立式辊磨机及其性能参数研究进展外文翻译资料
 - 立式辊磨机遇滚磨机基于能量的比较外文翻译资料
 - 一种工作在500℃以下用于固体氧化物燃料电池的铌和钽共掺杂钙钛矿阴极外文翻译资料
 - 层状钙钛矿A位缺陷的理解: 促进质子陶瓷电化学电池水氧化和氧还原的双反应动力学外文翻译资料
 - 基于细菌纤维素/木质素的柔性高石墨化碳气凝胶: 无催化剂合成及其在储能装置中的应用外文翻译资料
 

        
            
