芳纶纤维复合材料的制备及应用毕业论文
2020-04-07 08:44:41
摘 要
间位芳纶是一种高性能纤维材料,凭借其优异的机械性能、耐热性、阻燃性以及稳定性,在安全防护、航空航天、军事工业等领域具有巨大的应用潜能,近年来一直受到人们的广泛关注。然而间位芳纶的溶解性极差,只能溶解于少数由盐(例如LiCl或CaCl2)和有机溶剂(如DMAC、DMF、NMP和DMSO)构成的溶剂体系,并且体系中无机盐的含量会对间位芳纶的性能产生一定影响。另一方面,间位芳纶不能熔融。所以间位芳纶加工性能很差,这严重影响了它的应用与推广。通过对间位芳纶表面进行功能化处理,将其制备成为一种新型复合材料——间位芳纶纳米类流体,可在保留间位芳纶优异性能的同时,使其在没有溶剂存在的条件下,具有室温流动性,这能很大程度上改善了它的加工性能。
本课题制备了一系列LiCl/间位芳纶薄膜复合材料,研究了溶剂体系中LiCl含量对间位芳纶薄膜性能的影响,并且对间位芳纶复合材料——间位芳纶纳米类流体的制备方法进行了探索。设计的间位芳纶类流体制备方案为:先在间位芳纶表面包覆一层PDA(聚多巴胺),为间位芳纶表面引入大量羟基,然后用带有电荷基团的有机硅烷偶联剂DC5700进行偶联接枝,最后用含有机长链的NPES-10通过离子交换制得间位芳纶类流体材料。本实验借助傅里叶红外光谱仪、X射线衍射仪对LiCl/间位芳纶薄膜复合材料的化学结构和结晶情况进行了分析,并且利用扫描电镜和透射电镜对间位芳纶表面的多巴胺包覆情况和制得的间位芳纶类流体试样结构进行了表征。
实验结果如下:(1)LiCl会破坏间位芳纶的晶体结构,LiCl/间位芳纶薄膜复合材料的结晶度随着溶剂体系中LiCl含量的增加而降低。(2)按照所设计的实验方法制备间位芳纶类流体,通过对所得样品的观察,发现PDA能在间位芳纶表面形成一定的包覆,但是偶联接枝后的间位芳纶出现了团聚现象,小部分产物分散效果较好,导致试样整体流动性较差。
关键词:间位芳纶;LiCl/NMP溶剂体系;间位芳纶类流体材料
Abstract
Meta-aramid fiber is a kind of fibrous materials with excellent performance. Because of its outstanding mechanical properties, heat resistance, flame retardancy, and stability, it has great application potential in the fields of safety protection, aerospace engineering, military industry and so on, and has been attracting a lot of attention in recent years. However, the meta-aramid can only be dissolved in a few solvent systems composed of salt (such as LiCl or CaCl2) and organic solvents (such as DMAC, DMF, NMP, and DMSO) because of its extremely poor solubility, and the content of inorganic salts in the solvent system will affect the properties of the meta-aramid. In addition, meta-aramid can not be melted. Therefore, the processing performance of meta-aramid is not good, which severely restricts its application and popularization. Through the preparation of solvent-free meta-aramid nanofluid by surface functionalization, the excellent properties of meta-aramid can be retained and the room temperature fluidity can be achieved without solvent which greatly improves its processing performance.
In this paper, the influence of LiCl content in the solvent system on the properties of meta-aramid films was studied, and the preparation method of the solvent-free meta-aramid nanofluid was explored. The preparation scheme of the solvent-free meta-aramid nanofluid: First we coated a layer of PDA (poly dopamine) on the surface of meta-aramid fibers, which can introduce large amounts of hydroxyl groups onto the surface of the meta-aramid fibers. Then, we used the silane coupling agent DC5700 with a charge group to graft on them. Finally, we used NPES-10 containing the organic long chain to carry on the ion exchange reaction with the treated meta-aramid and the solvent-free meta-aramid nanofluid was obtained. The chemical structure and crystallization of the LiCl/ meta-aramid films were analyzed by Fourier transform infrared spectroscopy and X ray diffractometer, and the dopamine coating on the surface of the meta-aramid and the structure of the solvent-free meta-aramid nanofluid sample were characterized by scanning electron microscopy and transmission electron microscopy.
The results of the experiment are as follows:(1)LiCl will destroy the crystalline structure of the meta-aramid fiber, and the crystallinity of the meta-aramid film decreases with the increase of LiCl content in the solvent system.(2)According to the design scheme, we carried out the experiment. The PDA can be coated on the surface of the meta-aramid , but the effect of PDA coating is not as good as we expect. Most of the meta-aramid after grafting were agglomerated, and a small proportion of them had better dispersion,which leads to poor fluidity of the sample.
Key words: meta-aramid; LiCl/ NMP solvent system; solvent-free meta-aramid nanofluid
目 录
第1章 绪论 1
1.1 间位芳纶 1
1.1.1 间位芳纶的结构、性能与应用 1
1.1.2 间位芳纶的溶解原理及影响因素 2
1.1.3 溶剂中盐对间位芳纶纤维性能的影响 3
1.1.4 间位芳纶的制备及纺丝工艺 4
1.1.5 PDA在间位芳纶表面的包覆 5
1.2 无溶剂纳米类流体 6
1.2.1 无溶剂纳米类流体的简介 6
1.2.2 无溶剂纳米类流体的制备 7
1.2.3无溶剂纳米类流体的应用 8
1.3 本文研究目的、意义和主要内容 8
1.3.1 本文的研究目的及意义 8
1.3.2 本文主要研究内容 9
第2章 实验部分 10
2.1 实验原料及仪器 10
2.2.1 实验原料 10
2.2.2 实验仪器 10
2.2 LiCl/间位芳纶薄膜的制备 11
2.3 间位芳纶类流体的制备 11
2.4 LiCl/间位芳纶薄膜的表征 12
2.5 间位芳纶类流体的表征 12
第3章 结果与讨论 13
3.1 LiCl/间位芳纶薄膜表征 13
3.1.1 薄膜的红外光谱分析 13
3.1.2 薄膜的X射线衍射谱分析 14
3.2 PDA包覆的间位芳纶的微观形貌 15
3.3 间位芳纶类流体的微观形貌 16
第4章 结论 17
参考文献 18
致 谢 20
第1章 绪论
1.1 间位芳纶
1.1.1 间位芳纶的结构、性能与应用
间位芳纶化学全称为聚间苯二甲酰间苯二甲胺,英文名称为Poly(m-phenylene isophthalamide)(英文缩写:PMTA),在我国通常被称作芳纶1313[1]。间位芳纶属于全芳香族聚酰胺纤维中的一类,由美国的杜邦公司最先研发成功,目前已经实现工业化,比较有代表性的产品主要有美国杜邦的Nomex、日本帝人的Conex和中国泰和新材的Tametar等[2]。由图1.1可知,芳香环和酰胺键构成了间位芳纶聚合物分子的主链,酰胺键直接与苯环相连。在各重复单结构内,酰胺基团上的N原子以及羰基分别替换了苯环上的一个H原子,连接在相应的C原子上。间位芳纶结构特殊,碳氮键、酰胺之间以及亚苯基旋转时需要克服很高的能垒,这阻碍了大分子链完全伸直链构象的形成,使得聚合物分子链呈锯齿形。苯环极大地增强了间位芳纶分子链的刚性。由于间位芳纶大分子中存在大量酰胺键,间位芳纶纤维内部有大量的分子内和分子间氢键,从而使其具有较强的结晶性,其结晶结构为三斜晶系。在间位芳纶的晶体中,氢键存在于两个平面上,规整排列,形成了稳定的氢桥的三维结构[3,4]。

图1.1 间位芳纶分子式
结构决定性能。间位芳纶因分子链刚性大,氢键作用强烈,从而具有一些优异的性能。主要有以下几点:(1)突出的力学性能:间位芳纶的模量和强度都很高,它的模量比钢丝高1~2倍,韧性也比钢丝强。(2)良好的耐热性:即使在200 ℃以下环境长期使用,间位芳纶制品可以很好地维持其尺寸基本不变,十分稳定;在250 ℃以上连续长时间使用后,间位芳纶的强度和尺寸稳定性依然能得到很好地保持;当环境温度高达400 ℃时,不管是在氮气还是空气的气氛中,间位芳纶的重量损失低于10%。(3)优异的阻燃性:间位芳纶纤维极限氧指数LOI值≧28%,不会在空气出现自燃或者融化现象,并且离开火焰后会自动熄灭。(4)超强的绝缘性:间位芳纶纤维具有很低的介电常数,即使在高湿、低温或高温的环境中,其绝缘性依旧优良,利用间位芳纶可以制备H级的耐高温电器绝缘纸。(5)优良的抗辐射性:研究指出,连续用50 KV的X射线照射间位芳纶250 h后,其强度仍然可保持为原来的49%。(6)较高的化学稳定性:间位芳纶耐酸、耐碱性良好,可抗大多数化学药品的腐蚀[5,6]。
大量氢键的存在,虽然赋予了间位芳纶一些优异的性能,但是也使它的制备和加工过程变得困难。由于间位芳纶聚合物大分子主链刚性大,并且存在大量的分子内和分子间氢键,间位芳纶的溶解性能非常差,熔点也很高,一般的溶剂只能使其溶胀。加热的时候,间位芳纶在达到熔点之前就会发生分解反应。间位芳纶的这些特点,不利于它的生产制备,同时严重影响到了它的加工性,从而也进一步限制了间位芳纶的应用与推广。通过大量研究,人们发现,目前芳纶可溶于少数加入某些盐(例如LiCl与CaCl2)后的非质子型溶剂(例如DMAC、NMP、DMSO等)。所以,提高芳纶纤维的溶解能力,改善其后期加工性能具有十分重要的意义。
如今,通过大量研究人员的不懈努力,间位芳纶在制备和加工过程中所存在的困难不断被克服,它凭借其独特的性能,在诸多领域得到了广泛的应用。间位芳纶在高温烟尘过滤、防火纺织品、防护服装、复合材料增强、军用民用飞机隔热阻燃、电工绝缘、高性能夹层材料等方面都具有极大的应用潜能[3]。目前,间位芳纶已被我国作为一种重点发展的高科技纤维材料。
1.1.2 间位芳纶的溶解原理及影响因素
前面已经提到过,由于大量的分子内和分子间氢键的存在,间位芳纶的溶解性极差,不能溶解于普通的溶剂。经过长时间的探索,人们发现向某些非质子溶剂中加入适量的盐类所构成的溶剂体系,对间位芳纶具有良好的溶解能力。目前常用的溶剂有DMAC(二甲基乙酰胺)、NMP(1-甲基-2-吡咯烷酮)、DMF(N,N-二甲基甲酰胺)和DMSO(二甲基亚砜),添加的盐类主要为LiCl和CaCl2。Lirong Yao等人[7]从事了间位芳纶在不同溶剂体系中溶解性方面的工作,研究结果表明,LiCl/NMP与LiCl/DMAC溶剂体系对间位芳纶的溶解能力最为突出。
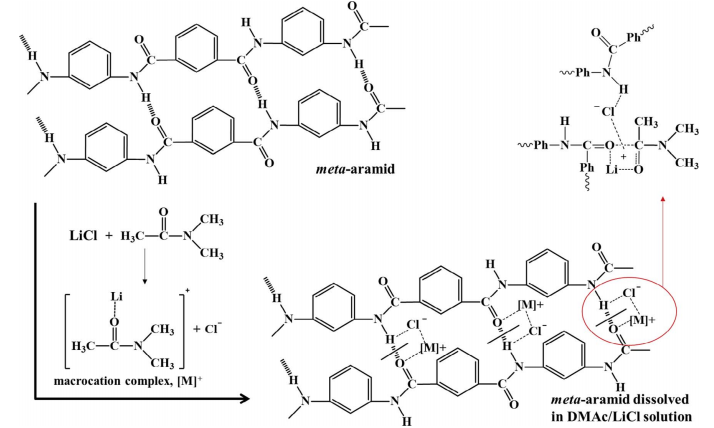
间位芳纶在由上述试剂构成的溶剂体系的溶解机理相似。以LiCl/DMAC溶剂体系为例,由图1.2可以看出,DMAC分子首先与溶剂体系中的Li 相结合,形成[Li DMAC] 阳离子络合物,Li 与DMAC分子的羰基紧密相连,使Cl-处于游离状态,这改变了Li与Cl原子间的电荷分布,增加了Cl-所带的负电荷,从而使得Cl-进攻芳纶酰胺键上H的能力增强,形成环状络合物,破坏了氢键并且解开了聚合物分子间的束缚,最终使得间位芳纶逐渐溶解。McCormick[8]和Morgenstern等人[9]研究了氯离子在LiCl/DMAC溶剂体系中所起到的作用。他们强调到,游离的Cl-是性质很活泼的亲核基,在破坏分子内和分子间的氢键过程中起主要作用。
影响溶剂体系对间位芳纶溶解能力的因素较多,主要有三点:(1)溶剂和盐的种类:用NMP、DMAC可以配制间位芳纶的优良溶剂体系,DMSO、DMF制得的溶剂体系溶解能力较差,例如在相同条件下间位芳纶在LiCl/DMF溶剂体系的溶解速率比在LiCl/DMAC溶剂体系的慢,这是因为DMAC溶剂分子具有更强的极性,并且产生了δ-π共轭,从而使得由于[Li DMAC] 与聚合物大分子能更加稳定地结合[10]。由于Ca2 比Li 多两层电子,Ca2 的半径相对更大,导致其与溶剂中羰基的结合能力相对较弱,所以在条件相同的情况下,LiCl的加入比CaCl2的加入更能使溶液稳定,用LiCl配置的溶剂对间位芳纶的溶解性更佳。Lirong Yao等人[7]通过实验表明,当间位芳纶浓度超过10 wt.%时,间位芳纶纤维在CaCl2/DMF体系中只能溶胀。(2)所加盐类的浓度:有机溶剂体系中盐的用量对间位芳纶的溶解能力影响很大。随着盐用量的增加,芳纶溶解度会逐渐变大,当盐用量过少时,溶剂只能将间位芳纶溶胀。(3)温度:间位芳纶的溶解是一种热力学自发过程,溶解的时候会放出热量,当温度升高时,间位芳纶溶解的速率会提高。如果温度过低,间位芳纶在溶剂体系中只能溶胀而不能溶解,而温度过高时,聚合物大分子可能会出现分解现象。肖改丽等人[11]通过研究发现,间位芳纶溶解较为理想的温度范围在80 ℃~110 ℃。

图1.2 间位芳纶在LiCl/DMAC溶剂体系的溶解机理[7]
1.1.3 溶剂中盐对间位芳纶纤维性能的影响
盐的加入可以增强间位芳纶的溶解能力,但同时在一定程度上也会对纤维其它的性能产生影响。在溶解过程中,间位芳纶中大量的氢键发生断裂,结晶结构会被破坏,通过静电纺丝制得的间位芳纶纤维的力学性能、热稳定性都会有所下降[12]。Su-Yeol Ryu和Seung-Yeop Kwak[13,14]等人发现,用LiCl/DMAC溶剂体系配置间位芳纶溶液,通过静电纺丝得到的纤维,在经过去离子水洗涤和热处理之后,其机械性能、热稳定性和化学稳定性都有所提高,这是因为纤维中Cl-的存在会干扰大分子链的重新排列,而用去离子水洗涤可以有效除去纤维中所含的Cl-,洗涤后的纤维在Tg以上热处理,这会诱导间位芳纶内部大分子链重排,结晶结构再生,与此同时氢键也会重新形成。也有研究发现,与LiCl/DMAC溶剂体系相比,由CaCl2/DMAC溶剂体系经过静电纺丝得到的间位芳纶纤维更加稳定,这可能是因为溶液中Ca2 具有某些特性,诱导了纤维的结晶化[15]。
1.1.4 间位芳纶的制备及纺丝工艺
以上是毕业论文大纲或资料介绍,该课题完整毕业论文、开题报告、任务书、程序设计、图纸设计等资料请添加微信获取,微信号:bysjorg。
相关图片展示:







您可能感兴趣的文章
- 在200至300℃的温度下纤维素的水热降解外文翻译资料
- 对O-酰基肟光敏交联剂和丙烯酸丁酯组成的压敏胶一系列光聚合与光降解过程的直接流变学测量外文翻译资料
- 热和紫外线诱导的环氧/环氧丙烯酸酯胶粘剂的制备及其性能外文翻译资料
- 基于光敏可逆固液转换的可调光聚合物胶粘剂外文翻译资料
- 氢氧化物-催化键中近红外吸收的时间演化外文翻译资料
- 利用糖辅助机械力化学剥离技术一步法制备功能化氮化硼纳米片外文翻译资料
- 用于热管理的具有优异力学性能和超高热导率的兼容多功能氮化硼纳米片/聚合物薄膜外文翻译资料
- 油水分离材料用凹土棒复合微球的制备与表征油水分离材料用凹土棒复合微球的制备与表征外文翻译资料
- 单轴拉伸聚乙烯/氮化硼纳米复合薄膜金属状热导率外文翻译资料
- 高导热硅弹性体掺杂石墨烯纳米片和低共熔液体金属合金外文翻译资料


