即震式滴头结构设计、制造及应用性毕业论文
2020-04-07 14:04:38
摘 要
近几十年以来,微囊化技术在化工、农业、制药等多个领域都发挥了重要的作用,并产生了大量的实际应用。即震式滴头是一种通过施加外部扰动将通过滴头的流体变成微胶囊的装置,合理的结构设计能达到预期的生产效率,实现微胶囊成型的工业化生产。
本文通过分析微胶囊形成的原理,对滴流与射流断裂的相关过程进行分析计算,了解到流体的分离形式是滴流、射流还是不规则的雾状波与相关无量纲的雷诺数(Re)、邦德数(Bo)、毛细管数(Ca)存在着直接性的关系。整个液滴的分离转移过程是由自身重力作用、液体表面张力作用与液体本身的粘性共同决定的,而外界扰动,如液体发射的速度、振动装置给予的频率和振幅也会对液滴的分离转移形式有一定的影响。所以通过实验记录不同参数下形成液滴的质量与速率,并与理论计算进行对比分析,综合得出最高生产效率情况下的各个参数的值。结合实验环境与实验条件确定最终的生产方案。
通过实验数据对比,使生产出的即震式滴头能满足最高的工作效率,确定滴头顶部、中部以及底部各位置的具体尺寸,得出滴头最终的形状规格,设计图纸,并投入生产使用。
关键词:即震式滴头;射流断裂;微胶囊
Abstract
In recent decades, microencapsulation technology has played an important role in many fields, such as chemical agriculture, pharmaceutical industry, etc., and produced a large number of practical applications.The shock-type dropper is a device that converts the fluid passing through the dropper into a microcapsule by applying an external disturbance.Reasonable structure design can achieve the expected production efficiency and realize the industrial production of microcapsule molding.
By analyzing the principle of microcapsule formation, the related processes of drip and jet fracture are analyzed and calculated,it is known that there is a direct relationship between the separation form of the fluid as a drip jet or an irregular fog wave and the number of capillaries (Ca) of the related dimensionless Reynolds number (Re) bond number (Bo).The whole separation and transfer process of droplet is determined by the interaction of gravity on the surface tension of the liquid and the viscosity of the liquid itself,external disturbances, such as the frequency and amplitude of the velocity vibration device emitted by the liquid, also have some influence on the separation and transfer form of the droplet.Therefore, the mass and rate of droplet formation under different parameters were recorded experimentally and compared with the theoretical calculation,The value of each parameter under the condition of maximum production efficiency is obtained. The final production plan is determined by combining the experimental environment and experimental conditions.
By comparing the experimental data, the produced shock drop head can meet the highest working efficiency,Determine the specific size of the top, middle and bottom positions of the drop head, obtain the final shape specifications of the drop head, design drawings, and put into production.
Keywords:Instant drop;jet breakup;microcapsule
目录
第1章 绪论 1
1.1 研究背景及意义 1
1.2 国内外研究现状 2
第2章 即震式滴头的原理分析 4
2.1即震式滴头的工作原理 4
2.2滴流和射流断裂技术生成微球的原理 4
2.2.1滴流原理及影响因素 6
2.2.2射流振动原理及影响因素 7
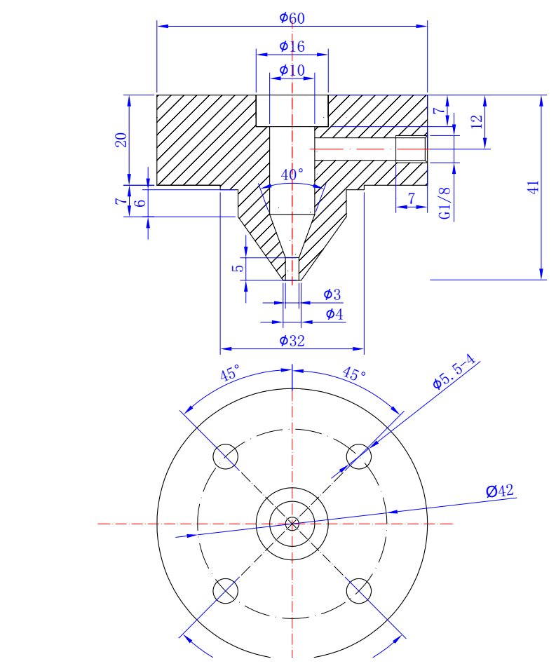
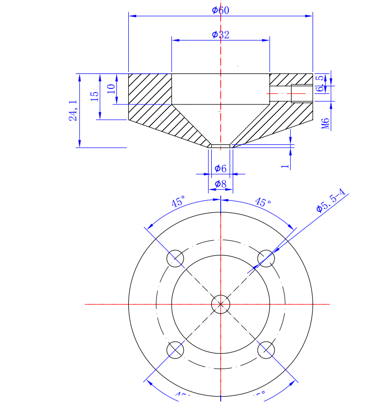
第3章 滴头结构设计 8
3.1滴头顶部 8
3.2滴头中部 9
3.3滴头底部 9
3.4滴头底盖加长 10
3.5滴头通道结构 10
第4章 即震式滴头的实验分析 12
4.1实验设备及方法 12
4.1.1实验总体方案 12
4.1.2振动及流道模块装置选择 12
4.2实验现象及数据分析 13
4.2.1单一液体的射流断裂实验 13
4.2.2双层液体的射流断裂实验 14
4.3实验结果分析 16
第5章 全文总结 18
参考文献 19
致 谢 20
绪论
1.1 研究背景及意义
“爆珠添加”是一种卷烟过滤嘴生产成型技术,即在烟头滤嘴里添加人工合成的微型珠以增加香烟的吸食口感,这种技术的使用可以追溯到半个世纪以前。上个世纪60年代初,当时的一家烟草公司美国烟草公司申请获得了一个在过滤嘴中植入含有维他命A水溶剂爆珠的专利,在这之后不久就推出了采用该专利技术的卷烟品牌,该品牌的卷烟一经流入消费市场就获得了极大的好评。在随后的一两年内,与之相关的科研人员通过研究发现了另一种方法,即将管状物植入卷烟过滤嘴中以封装香味介质,从而实现香味可控的可行办法,这一研发的推出又一次使得爆珠添加在工业化生产上迈出了一大步。然而真正推动“爆珠添加”技术在香烟添加方向发展的影响因素出现二十一世纪以后,随着其他行业科技的进步与发展,香烟所采用的新型复合多元滤棒随之出现,由于复合多元棒使用的吸附材料是活性炭一类的物质,进而会导致的烟气吸味损失,这使得烟草生产商不得不考虑新型的材料以弥补香烟本身味道的损失,随之开始使用“爆珠添加”以增加主流烟气的烟草味道,提高香烟使用者的口感和香味。在2003年的时候雷诺烟草公司获得了第一个主要以烟气附香为主要目标“爆珠添加”技术专利。在之后的几年里,日本的许多家烟草公司首先推出了薄荷爆珠卷烟,并收到良好的反馈,于是开始大规模生产制造,并打开通往国际市场的渠道,获得了较为可观的市场营业利润,随后其他国家的各类爆珠也纷纷上市。
爆珠的生产工艺过程与微型胶囊的形成过程有着紧密的关联。微型胶囊的结构与普通胶囊类似由外层的合成材料包裹住内部的物质,其外观一般成球形。微囊化技术是近30年发展起来的新技术,俗称微型包囊技术,简称微囊化。微囊化的最初使用的目的是为了解决许多医疗、化工、食品上的问题,当利用天然或合成的高分子材料作为微囊的外部遮盖材料,将固态药剂或液态药剂包裹而成药库型微型胶囊,就可以使药剂溶解或分解在高分子材料基质中,形成基质型微小球状实体的固体骨架物成为微球。这样一来功能液体就会完好地被密封在液体外壳中,以便运送到目标地点而不受到破坏。在平常生活中我们了解到,液态是物质存在的三种基本状态之一,当液体大量聚集在一起时形成的形状由容器的形状以及大小决定,而当液体的量极少时,则会由于表面张力的作用以液滴的形式出现,比如自然界形成的雨滴、喷雾器喷出的液滴或是水龙头滴出的水滴。所以微液滴的形成是自然界中一种较为常见物理的现象,人们很早就对这一现象产生了兴趣,但是并未对其有过理论和系统的研究分析,一种简单的物理现象背后的原理并不一定简单。直到19世纪,才有科研人员对其进行了系统的研究分析。由科学家Bidone(1829),Savart(1833),Magnus(1859),Plateau(1873),Boussinesq(1877),和Rayleigh(1882)等人对射流断裂机理进行了较为准确的理论体系的建立,也是这些理论的得出奠定了微滴发射技术的基础。Bidone首先注意到喷嘴形状的不同可能影响到流出液体的形状,因此对这一方面做了大量实验及理论分析,他研究的主要内容是圆柱形喷嘴对于射流形状的影响,在这之后关于射流现象的研究逐渐兴起。而对理论部分的研究,Savart是研究成果较为丰硕的第一人,他注意到当从喷嘴形成的射流遇到外界干扰时,其形状会发生较大改变,于是在射流不稳定性和断裂机理上,Savart首次进行了系统研究,发现射流表面存在着不同程度的扰动,其随时间增长射流液柱断裂形成液滴,并且提出了射流断裂定律,即当固定孔径时,射流长度与射流速度成正比。Savart的研究为后续的发展奠定了基础和方向,射流断裂理论开始迅速发展。后续有许多科学家致力于对射流不稳定性机理的研究,而Plateau是第一个创新地从表面能量的角度出发并发现了射流断裂条件的人,他的研究在很大程度上为之后Rayleigh射流理论的建立奠定了良好的基础。受到Plateau研究的启发,Rayleigh从势能角度系统地研究了射流不稳定性和射流断裂机理并获得了大量具有价值的成果,他假设非粘性的流体在真空中只受表面张力的作用,进而对圆柱形液柱进行线性分析,发现当液柱周长小于初始扰动波长时,其表面扰动是不稳定的,这种不稳定的扰动会在表面张力作用下增长,当扰动足够大时就会使得液柱断裂形成均匀液滴。这也即是滴流与射流断裂原理的基本理论。Rayleigh认为具有最大增长速率的扰动是造成射流断裂的最优条件,并理论地推算出扰动的增长速率和波长公式:
(公式1.1)
(公式1.2)
(公式1.3)
其中,
为外界干扰扰动波的波数,
为外部扰动的初始扰动振幅值,
为外部扰动的增长速率,
为液柱初始半径,
和
分别是修正后的零阶和一阶Bessel函数。通过Rayleigh射流理论推论可以得出这样一个结果,当射流的周长小于其所受扰动波长,即
lt;1时,扰动不稳定,会在表面张力作用下随时间增长,且当扰动波波数
=0.697时,具有最大增长速率。这一结果的得出正好相符合Plateau提出的射流断裂条件,也证明了二者理论的正确性。尽管Rayleigh的理论公式具有创造性意义但是从其推导过程中可以看出,公式一方面忽略了流体粘度及射流半径的变化,另一方面只考虑了表面张力对射流断裂的作用。而这两点的不足会在下文关于液体断裂的无量纲数中得到进一步精确。
如果基于此原理,如果将单一液体换成两种液体,使外部的一层包住内部的一层,将这两种液体作为一个整体形成单核微滴。在这种情况下考虑两液体的相对流速、液体的粘度、材料本身的界面张力及壁面效应等因素对系统中微滴的形成过程和径粒大小进行系统观察和测试发现,该系统的形成也有滴流和射流两种流型,在离散相速度较高时保持射流型,这种情况不稳定,且射流状态下产生的液滴单分散性差,易出现卫星液滴。在两相流速较低时保持滴流型,其显著影响因素是液体连续流动的相对流速、液体本身的粘度、材料的界面张力和壁面效应,这种方式形成的液滴单分散性相对高很多,因而可以通过改变流速的方式提高生产效率。
1.2 国内外研究现状
滴头是流体断裂分散形成液滴最重要的部件,滴头从喷嘴的数量上可以分为单喷嘴喷头和多喷嘴喷头,目前能独立生产高品质滴头的只有Cannon,HP等少数几家公司。其中单喷嘴喷头以Microdrop公司生产的MD-K-140型压电开关式喷头为代表,而多喷嘴喷头则多伦多大学Chandra教授等人研发的气压直接驱动式喷头有较为突出的性能表现。关于生产有自主品牌的微滴喷头的研究,我国哈尔滨工业大学、大连理工大学等研究机构均开发有一定的科技成果,但大多侧重于理论方面的研究,距离投入实际生产还有较大的差距。
而在设备研究的方面,较为著名的有美国的3D systems公司、Z Corporation公司以及以色列的Objet公司。而我国同济大学的张曙教授、李晓燕博士率先进行研究并研发了相关设备。此外华中科技大学,西安交通大学等机构也较为领先的开发了类似的设备,但是与国外同类设备相比还是有较大的差距。
微胶囊的形成即微滴的制备涉及到多重学科的混合知识,例如物理化学和胶体化学、材料化学及高分析应用、分散和干燥技术等学科领域。其制备方法通常可以分为三种:物理法、化学法和物理化学法三大类,化学法中的界面聚合法即为本次实验所用的主要方法。这一方法的机理是,将两种活性单体分别溶解在不同的溶剂中,当一种溶液被分散在另一种溶液中时,这两种溶液就会发生聚合反应,反应发生的场所是在两种溶液界面之间,因而被叫做界面聚合法,这种方法可以使疏水材料或亲水材料的溶液或分散液微胶囊化,在实际生产中能起到很大的作用。常见的过程为:假设两种不同的单体,其中一种存在于油中,称为油相。然后将含这种单体的油相分散至水相中,就形成了非常小的油滴。当把可溶于水的另一种单体加到水相中,搅拌整个体系时,水相和油相的界面处就会发生聚合反应,这样在油滴上就形成了聚合物的薄膜可以得到了含油的微胶囊,此时油被包在这个薄膜之内。反之将可溶于水的单体水溶液分散到油相中去,使其分散成非常小的水滴,再将不溶于水的单体加到油相中,就获得了含水的微胶囊,这种方式形成微囊的效率也较高。
油相分离法是一种较为传统的工艺方法,这种方法是在囊材溶液中加入一种不相溶的容剂,从而引起相的分离,而将药物包裹成囊的方法。药物的状态没有限制,但必须满足的要求是:不溶解于相接触的液体,也不会与之发生反应。疏水囊材用有机溶剂溶解后可与囊材混合,亲水性药物不溶于有机溶剂,可混悬或乳化在囊材溶液中,然后加入争夺有机溶剂的非溶剂,使材料降低溶解度而从溶液中分离,过滤,出去有机溶剂即得微胶囊。
爆珠的生产方式采用的就是两相液体,以“水包油”的形式生产微胶囊。生产装置组成结构可分为三部分,分别是供压模块、温控模块和扰动产生模块。而设计合理的即震式滴头的结构,通过控制压力、温度、扰动振幅及频率等因素到达较高的爆珠生产效率对于整个制造工艺有着至关重要的作用。利用微通道制备液滴由于生产液滴粒径大小可控、单分散性好、可操作性强,被广泛应用于微化工、胶体工程、新材料制备等领域。生产中常见的微通道主要有T型通道、Y型通道、流动聚焦、共轴流四种。目前已知的有关共轴流的报道主要集中于用高粘度连续相剪切,低粘度分散相形成液滴的系统,如Cramer等通过实验研究了水在葵花油中的分散过程,提出了滴流和射流两种类型。Hong等通过数值模拟讨论了两相流率对液滴形成过程的影响。Wang等讨论了气泡在水中的形成过程。Lan等用level set模拟了聚砜溶液在硅油中的离散过程。而关于用低粘度连续相剪切高粘度分散相形成液滴的报道,目前还主要集中于研究应用较早的T型通道和Y型通道及其衍生的直流式通道、流动聚焦通道。
第2章 即震式滴头的原理分析
2.1即震式滴头的工作原理
液体束流在周期性外力作用下,克服表面张力和喷嘴摩擦力即可形成液滴,而为了使液滴的数量、尺寸可控,就需要借助滴头的作用。滴头按照容腔内体积是否改变可分为静电式、膜片式、运动部件驱动式、无运动部件驱动式,运动部件驱动式又可细分为机械式、电磁致动式、应力波驱动式。即震式滴头属于机械式的一种,这种喷嘴的工作原理在于控制机械式喷射阀撞针在外力作用下移动一段距离,使喷嘴处的局部压力增大,从而导致喷嘴处的液体形成束状流体,紧接在重力和表面张力的作用下被切断,形成微型液滴,这种滴头适用于高粘度的液滴。
即震式滴头是一种微孔毛管滴头,它的工作原理是将液体材料引到微滴发射装置中,对液体施加一定的外部扰动,使液体在重力作用与外部扰动的共同作用下通过微孔形成射流,然后通过控制扰动装置,对射流施加一定频率或振幅的扰动,就可以使其达到实验预期的造粒效果。即震式滴头就是连接浸没喷嘴系统和振动滴铸的部件,它既可以输送单一液体,形成某一种液体的稳定滴流,也可以输送双层液滴,形成单核微胶囊,比如将内部的精油输送到外部的白胶壳材料中,形成“胶包油”的微滴。在此基础上给以滴头施加低频的振动,则可生产出直径为毫米及级的微型胶囊。
通过对滴头施加一定干扰,使流出的液体在例如重力、表面张力、摩擦力等多种影响因素的作用下分散成一个个微滴,这种方法称之为喷射造粒。滴头装置的结构简单,设备相对不复杂,能产生具有窄尺寸分布的单分散、均匀、球形颗粒,因此较为容易实现大规模的工业生产。对喷嘴安装加热装置,还可以挤出高粘度的聚合物,从而能够生产出有较高强度的微型胶囊。用喷射造粒的方法获得粒度均匀颗粒的关键在于射流断裂能形成均匀液滴,如何得到形状规则、质量好、无卫星液滴、同心度好、生产效率高的微型液滴是实验成败的关键所在。由于微球生成的主要机械技术是基于滴流和射流断裂原理,因此要合理设计滴头的机构以满足实验要求,达到每秒40滴微滴的生产效率,就必须研究流体在外力作用下断裂形成微滴的机制。
2.2滴流和射流断裂技术生成微球的原理
当液滴从喷嘴的孔口处形成时,从喷嘴处排出存在四种不同的形成过程。随着射流速度的增加,这四种形式分别为滴流、平滑流、波状流和喷雾流,如下图:
以上是毕业论文大纲或资料介绍,该课题完整毕业论文、开题报告、任务书、程序设计、图纸设计等资料请添加微信获取,微信号:bysjorg。
相关图片展示:









