南京某综合服务楼空调设计毕业论文
2020-06-20 18:54:01
摘 要
本设计位于南京市 ,整个主楼地下一层,地上九层,总面积近18000平方米。地下一层为空调机房和设备用房,地上一至九层为客房,大厅。需进行制冷机房、空调、通风、消防等设计。
在bim的基本图层建设以及房间的布置,通过参考引用叠加9层楼之后,通过软件的计算,在负荷计算的基础上,采用风机盘管加新风系统,,风机盘管系统为卧式安装,新风不承担室内负荷,室内回风与新风分别经散流器送出。空调水系统设计为闭式、两管制、定水量、水平同程式、一次泵系统。整个 楼层水管立管设计为异程式。在冷热源方案确定中,对可行的冷热源方案进行了技术经济比较,最终采用制冷机房与锅炉作为冷热源。最后本设计对地采暖、管道保温防腐、空调系统的消声减震和系统节能措施也做了一定的讨论。
关键词:BIM;空调;风机盘管;水系统;负荷;冷热源
The BIM design of A Comprehensive Service Building in Nanjing
This design is located in nanjing, the main building underground, nine layers on the ground, with a total area of nearly 18000 square meters Air conditioning room and equipment room, for the underground layer on the ground, one to nine layer for the guest room, hall, require refrigeration machine room air conditioning ventilation and fire control design, etc In bim basic layer construction and layout of the room, by reference to reference superposition after 9 floors, through the calculation of the software, on the basis of load calculation, adopt fan-coil unit plus fresh air system, fan coil system for horizontal installation, fresh air does not undertake indoor load, indoor air return and fresh air, respectively by the diffuser is send out of the air conditioning water system design for closed two control system for water level program with a pump pipe riser design for different programs for the whole floor In the scheme in the cold and heat source, the feasible of cold and heat source scheme for the technical and economic comparison, finally the cooling machine and boiler as the heat and cold source Finally the design of heating pipe insulation anticorrosive acoustical suspension of air conditioning system and system energy saving measures also did some discussion.
Keywords: BIM:Airconditioning;Fancoilunits;Watersystem;Load;Coldandheat source
目录
第一章 工程概况与原始资料 1
1.1 建筑概况 1
1.2 原始资料 1
第二章 负荷计算 2
2.1 空调冷负荷、湿负荷计算 2
2.2 空调热负荷计算 4
第三章 空调系统方案的确定 5
3.1 冷热源方案的确定 5
3.2 空调系统的划分 6
第四章 空调房间风量、冷量计算与设备选型 6
4.1 空调房间新风量确定 6
4.2 风机盘管加独立新风系统风量、冷量计算 7
4.3 设备选型 8
第五章 空调水系统设计计算 9
5.1 水系统的管材和系统形式 9
5.2 水系统水力计算的基本资料 9
5.3 水系统水力计算步骤 10
5.4 冷凝水管的设计计算 10
第六章 冷源设备选型与设计 11
6.1 冷负荷资料 11
6.2 制冷方式的选择 11
6.3 制冷剂的选择 11
6.4 制冷机组选型及校核计算 12
6.5 制冷机房的布置原则 13
第七章 冷热源机房其他设备选型与设计 14
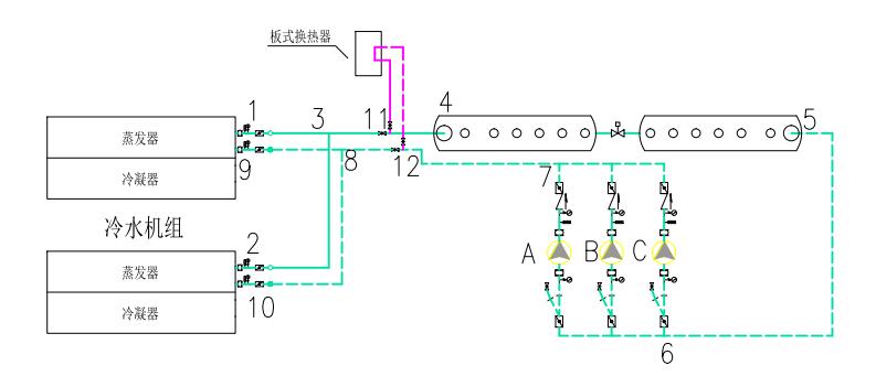
7.1 分集水器选型 14
7.2 机房水箱选型 14
7.3 冷却水软化水箱选型 16
7.4 冷却塔选型 16
7.5 锅炉水处理设备选型 17
第八章 冷热源机房水系统计算及水泵选型 18
8.1 水系统水力计算 18
8.2 水泵选型 19
第九章 管道保温、设备消声与减震 20
9.1 设备消声与隔音设计 20
9.2 设备减震设计 22
9.3 管道保温设计 22
参考文献 22
附表1 空调水系统水力计算表 24
附表2 冷热源机房水系统水力计算表 26
第一章 工程概况与原始资料
1.1 建筑概况
本设计位于南京市 ,整个主楼地下一层,地上九层,总面积近18000平方米。地下一层为空调机房和设备用房,地上一至九层为客房,大厅。需进行制冷机房、空调、通风、消防等设计。
1.2 原始资料
(1)围护结构参数
1. 外墙:面砖砌体,外贴,钢筋混泥土,内附聚氨酯硬泡塑料;内粉刷,水泥砂浆
2. 外窗:单框中空。尺寸(宽×高)为1.8×1.8m窗型,可开启部分的缝隙总长为13m,窗下沿离地面高度为1.2m;
3. 外门:通体铝门,尺寸(宽×高)为1.8×2.7m,可开启部分的缝隙总长为9.0m。
4. 屋顶:浅色油毛毡层的平屋顶,k=0.72w/m2•℃;
(2)推荐照明功率
大堂及门厅15 w/m²;
客房15 w/m²;
相关图片展示:









