浦口区何冲社区美丽乡村生态餐厅方案一毕业论文
2020-04-16 15:36:04
摘 要
第一部分 计算总体介绍
一、 项目基本情况…………………………………………………………………2
二、 本结构设计主要依据的规范(规程)………………………………………… 5
三、 基本荷载………………………………………………………………………5
四、 荷载组合………………………………………………………………………5
五、 材料……………………………………………………………………………6
六、 计算方式………………………………………………………………………6
第二部分 结构具体计算
一、 荷载计算………………………………………………………………………7
二、 屋架计算………………………………………………………………………11
三、 梁柱、格栅和墙骨柱计算……………………………………………………17
四、 剪力墙抗侧力计算……………………………………………………………….36
五、 墙体与楼盖和基础连接计算…………………………………………………….41
六、 独立基础计算…………………………………………………………………….44
南京工业大学本科生毕业设计(论文)
第一部分 计算总体介绍
- 项目基本情况
 
摘 要
本工程为实际应用课题,地点在南京浦口,为两层胶合木框架剪力墙结构,框架承受竖向荷载,剪力墙承受横向荷载,基础则采用钢筋混凝土结构。木结构建筑在地震中具有很好的安全性能,木材质轻高强,其柔韧性优于其他材料,对于冲击荷载和周期性疲劳破坏有很强的抵抗能力,并且可以吸收和消散能量。在正常情况下,本工程的合理设计使用年限为 50 年,建筑结构的安全等级为二级。
关键词:胶合木 安全等级 框架剪力墙结构
Pukou District He Chong Community Tourist Center
Abstract
This engineering is a practical application project, site in Pukou of Jiangsu province, the ground two-layer glued laminated timber frame shear wall structure design, frame under vertical load, the shear wall structure under horizontal load, based on reinforced concrete structure is adopted. Timberwork building has a very good safety performance in the earthquake, the timber of lightweight with high strength, its flexibility is better than other materials, for instant impact load and cyclic fatigue damage has strong resistance ability, and can be used to absorb and dissipate energy. Under normal circumstances, the reasonable design of this project use fixed number of year for 50 years, the safety level of structures for level 2.
Keywords: glued laminated timber; frame shear wall; structure security levels;
图1至图6为该建筑的立面,平面以及剖面。

图1、地下室平面图

图二、一层平面图

图三、二层平面图

图四、立面图

图五、屋面排水图

图六、剖面图
二、 本结构设计主要依据的规范(规程)
《建筑结构可靠度设计统一标准》  | (GB50068—2001)  | 
《建筑结构荷载规范》  | (GB50009—2012)  | 
《木结构设计规范》(2005 版)  | (GB50005—2003)  | 
《建筑抗震设计规范》  | (GB50011—2010)  | 
《钢结构设计规范》  | (GB50017—2003)  | 
其它相关设计规范和规定。  | |
三、 基本荷载  | |
1、恒荷载  | |
恒荷载按照屋面及墙体实际材料计算。  | |
2、活荷载  | |
屋面(不上人)  | 0.5kN/m2  | 
楼面  | 2.0kN/m2  | 
3、风荷载  | 
江苏南京浦口 50 年基本风压 0.4kN/m2;场区地面粗糙度类别为 B 类;风振系数
βz、体型系数μs 、高度系数μz 按规范选取;风荷载分项系数γw =1.4。4、地震作用
该场地位于江苏南京浦口,场地设防烈度为 7 度,地面加速度 0.1g,特征周期
0.55s,丙类建筑。
四、 荷载组合
1、基本组合
1.2 恒 1.4 活
1.2 恒 1.4 活 1.4×0.6 风
1.2 恒 1.4×0.7 活 1.4 风
1.2 恒 1.2×0.5 活 1.3 地震
2、标准组合
1.0 恒 1.0 活
1.0 恒 1.0 活 0.6 风
1.0 恒 0.7 活 1.0 风
- 恒 0.5 活 1.0 地震
 
五、 材料
1、规格材:有木材认证机构的质量认证记号,承重墙的墙骨柱木材采用Ⅴ级及以
上级,楼板搁栅、窗过梁及屋面搁栅木材达到Ⅲc 及以上。
材料名称  | 解释  | 含水率  | 
SPF  | 进口云杉、松、冷杉结构材统称,强度等级TC11  | ≤18  | 
ACQ  | SPF 经防腐处理后的木材,强度等级 TC11  | ≤18  | 
Glulam  | 胶合高强工程木  | ≤15  | 
PSL  | 胶合高强工程木  | ≤15  | 
OSB  | 木基结构板材  | ≤16  | 
2、螺栓:4.6 级普通螺栓;锚栓:材料为 Q235B。
3、钢材:拉条、抗拔连接件。
4、钢筋:HPB235,HRB335。
5、 SPF 材料力学性能:抗弯强度设计值 fm=9.4MPa;顺纹抗压及承压强度设计值为fc=12MPa;顺纹抗拉强度设计值 ft=4.8MPa;顺纹抗剪强度设计值 fv=1.4MPa;弹性模量 E=9700MPa。
六、 计算方式
按照木结构的基本概念手算。
第二部分 结构具体计算
一、 荷载计算
1、 永久荷载
1)屋面荷载标准值
钢丝网水泥砂浆 0.8 kN /m2
19x38 挂瓦条(顺水条)  | 0.10 kN /m2  | 
屋面防水纸  | 0.05 kN /m2  | 
11.9mm 厚 OSB 板  | 0.15 kN /m2  | 
屋架(内填 139 厚玻纤棉填)  | 0.22 kN /m2  | 
12mm 防火石膏板吊顶 (双层)  | 0.35 kN /m2  | 
其他  | 0.13 kN /m2  | 
-------------------------------------------------------------
总计:  | 1.8 kN / m2  | 
2)外墙荷载标准值  | |
30 厚花岗石面层  | 1.68 kN/m2  | 
L50X5 横向角钢龙骨  | 0.10 kN/m2  | 
L60X6 竖向角钢龙骨  | 0.10 kN/m2  | 
19x38 木龙骨@300  | 0.10 kN/m2  | 
防水透气纸  | 0.05 kN/m2  | 
11.9mm 厚定向刨花板(OSB 板)  | 0.30 kN/m2  | 
38mm140mm间距@406mm 的墙骨柱  | 0.14 kN/m2  | 
0.15 厚 PE 膜  | 0.02 kN/m2  | 
15mm 厚防火石膏板  | 0.44kN/m2  | 
其他  | 0.070 kN /m2  | 
---------------------------------------------------------------------
总计:  | 3.0 kN/m2  | 
3)内墙荷载的标准值  | |
双层 15mm 厚防火石膏板  | 0.44 kN/m2  | 
9.5mm 厚 OSB 板  | 0.06 kN/m2  | 
38mm140mm间距@406mm 的墙骨柱  | 0.14 kN/m2  | 
其他  | 0.030 kN/m2  | 
---------------------------------------------------------------------
总计:  | 0.67 kN/m2  | 
4)楼面荷载标准值  | |
30 厚花岗石面层  | 0.96KN/m2  | 
40mm 厚砂浆层  | 0.80KN/m2  | 
铁丝网  | 0.15 KN/m2  | 
15.1mm 楼面板  | 0.15 KN/m2  | 
楼面搁栅  | 0.18KN/m2  | 
12mm 厚防火石膏板(双层)  | 0.35KN/m2  | 
吊顶及管道  | 0.35KN/m2  | 
其他  | 0.56 KN/m2  | 
---------------------------------------------------------------------
总计:  | 3.5 kN/m2  | 
2、 活荷载  | |
1)屋面活荷载标准值:不上人屋面,活荷载为 0.5 kN/m2  | 
2)雪荷载标准值 :sk=μrs0=1.0x0.65=0.65 KN/m2
3)风荷载标准值:本建筑按 2 坡屋顶进行验算,ω0 为 0.4 KN/m2
wk  z s z w0
上式中:
wk —风荷载的标准值( kN / m2 ); z —高度 Z 处的风振系数,此处 z 1;
s —风荷载体型系数; z —风压高度变化系数; w0 —基本风压( kN / m2 )。
(1)风压高度变化系数 z 的取值:
风压高度变化系数,B 类地面粗糙度,离地高度 12.50 米,偏安全取 1.06。
(2)风荷载体型系数 s 的取值:

风荷载体型系数计算
为度,s 取值-0.04
(3) 基本风压为 0.4kN/m2
则ωk=βzμsμzω0=1.0xμsx1.06x0.4 =0.424μs (kpa)
南京工业大学本科生毕业设计(论文)
1)屋盖水平风荷载
横向:F2-H=[(0.3392 0.212)x3.3/2 (0.212-0.0170)x3.3]x 39=60.57KN
纵向:F2-Z=(0.3392 0.212)x(3.3/2 3.3/2) x12=21.83 KN
2)楼盖水平向风荷载
横向:F1-H=(0.3392 0.212)x(3.3/2 3.9/2)x 39=77.39 KN
纵向:F1-Z=(0.3392 0.212)x(3.3/2 3.9/2)x12=23.81 KN
3)地震作用(采用底部剪力法计算)
屋盖自重:
Groof  Aroof xDroof  39*12*2.5 1170KN
二层楼面自重:
Gfloor  AfloorxDfloor  39*12*3.5 1638KN
二层外墙自重:
G2外 (39*2 12*2)3.3*2  673.2KN
二层内墙自重:
G 2*3.25*102.2=664.3KN
2-内
二层墙体自重:
G2wall  664.3 673.2=1337.5KN
一层外墙自重:
G1外 ()
一层内墙自重:
G 3x4.45x102KN
1-内
一层墙体自重:
G1wall   1869KN
屋盖质点自重:
1337.5 1*102.2*2 0.5*(1869 1337.5)=3145.15KN
二层楼盖质点自重:
507.3 1*468*2 0.5*(1337.5 1869)=3046.55KN
结构等效总重力荷载:
Geq ()
F2  |   | 3145.15*9.6  | *221.26  | 143.22KN  | ||||
30193.44  |  3046.55*5.4  | |||||||
F1  |   | 3046.55*5.4  | *221.26  | KN  | ||||
30193.44  |  3046.55*5.4  | |||||||
可见,屋盖楼盖横向纵向均由地震荷载控制。
由《木结构设计规范》GB50005-2003(2005)第 9.2.6 条规定:
本工程遵照其相应规定,轻型木结构抗侧力设计即可按构造要求进行:
1)建筑物每层面积不超过 600m2。
2)抗震设防烈度为 6°和 7°(0.10g)时,建筑物的高宽比不大于 1.2;抗震设防烈度为 7°(0.15g)时和 8°(0.2g)时,建筑的高宽比不大于 1.0 时;建筑物高度指室外地面到建筑物屋顶二分之一高度处。
3)楼面活荷载标准值不大于 2.5KN/m2,屋面活荷载标准值不大于 0.5KN/m2,雪荷载
按照国家标准《建筑结构荷载规范》GB50009 的有关规定。
4)不同抗震设防烈度和风荷载时,剪力墙的最小长度符合表 9.2.6 的规定。
5)剪力墙的设置符合下列规定:
(1)单个墙段的高宽比不大于 2:1
(2)由于该建筑抗震设防烈度为 7 度,故同一轴线上墙段的水平中心距不得大于
10.6m
(3)相邻墙之间横向间距与纵向间距的比值不大于 2.5:1;大于 2.5:1 时至少横向
外墙的面板应采用两面木基结构板,其它所有外墙均采用木基结构板作为面板
(4)墙端与离墙端最近的垂直方向的墙段边的垂直距离不大于 2.4m
(5)一道墙中各墙段轴线错开距离不大于 1.2m
6)构件的净跨距不大于 12m。
7)除专门设置的梁柱外,轻型木结构承重构件的水平中心距不大于 600mm。
8)建筑物屋面坡度不小于 1:2,也不大于 1:1,纵墙上檐口悬挑长度不大于 1.2m,
山墙上檐口悬挑长度不大于 0.4m。
二、 屋架计算
1.屋架形式
屋架为豪威式,屋面坡度为α=29°(1:1.8),跨度 L=12m,轻型屋面材料,离地高度 12.50m(两层)。桁架间距 500mm,桁架各构件的轴线尺寸如图:

2.荷载计算
轻型屋面恒荷载为 1.8 kN / m2 ,活荷载为 0.5 kN / m2 ,雪荷载为 0.65 kN / m2 ,基
本风压为 0.4 kN / m2 。
风压按 12.50m 算,风压变化系数为 z =1.06,屋面角度为 29°,风荷载体型
系数迎风面为 s =-0.04,背风面为 s =-0.5。
将屋架上弦所受荷载转为节点上荷载进行计算。
3、杆件内力
4、构件验算
本标准的屋架材料主要有两种截面的规格材 38mm*89mm(2*4)和 38mm*140mm
(2*6)。对规格材 38mm*89mm(2*4)SPFⅢ,抗弯强度设计值 fm=9.4N/mm2,尺寸调整系数为 1.5。顺纹抗压及承压强度设计值为 fc=12N/mm2,尺寸调整系数 1.15。
顺纹抗拉强度设计值为 ft=4.8N/mm2,尺寸调整系数 1.5。对规格材 38mm*140mm(2*6)SPFⅢ,抗弯强度设计值 fm=9.4N/mm2,尺寸调整系数为 1.3。顺纹抗压及承压强度设计值为 fc=12N/mm2,尺寸调整系数 1.1。顺纹抗拉强度设计值为 ft=4.8N/mm2,尺寸调整系数 1.3。顺纹抗剪强度设计值 fv=1.4N/mm2,该强度不需要尺寸调整。弹性模量 E=9700N/mm2。
下表列出了两种规格材的截面特性。根据受压腹杆和上弦压弯杆件的长细比限值计算两种截面的对应杆件最大计算长度。
表 4.1 截面特性
截面类型  | 2*4  | 2*6  | ||
实际尺寸(mm)  | 38  | 89  | 38  | 140  | 
A(mm²)  | 3382  | 5320  | ||
Ix (mm4)  | 2232401.8  | 8689333.3  | ||
Wx(mm3)  | 50166.3  | 124133  | ||
Iy(mm4)  | 406967.3  | 640173.3  | ||
Wy(mm3)  | 21419.33  | 33693.33  | ||
ix(mm)  | 25.6921  | 40.4145  | ||
iy(mm)  | 10.9697  | 10.9697  | ||
表 4.2  | 长细比限值  | ||||
受压腹杆  | 上弦杆  | ||||
受压长细  | 平面内允许  | 平面外允许  | 平面内允许  | ||
比限值  | 最大长度(m)  | 最大长度(m)  | 长细比限  | 最大长度(m)  | |
2*4  | 150  | 3.85  | 1.65  | 120  | 3.08  | 
2*6  | 150  | 6.06  | 1.65  | 120  | 4.85  | 
(1)腹杆验算
经过计算发现斜腹杆为轴心受压构件,竖直腹杆为轴心受拉构件。
1)轴心受压腹杆验算
斜腹杆平面内计算长度 l1x =2921mm, 均选取 38mm×89mm 截面,在 腹杆中间
位置设置支撑,使其平面外计算长度为 l1 y =974mm ,杆件轴压力 为 N1=2.5kN。
强度验算:
Nt/An=1.8*103/3382=0.53N/mm2lt;fc=12N/mm2 *1.15=13.8N/mm2,满足。
稳定验算:
长细比: x=11x/ix=2921/25.69=113.69
 y=11y/iy=974/10.97=88.76
 2x=12x/ix=2730/25.69=106.26
 2y=12y/iy=910/10.97=82.96
 max( x, y)=113.69gt;91
 max( x, y)=106.26gt;91
稳定系数:
 mm2lt;fc=13.8N/mm2 ,满足要求
 mm2lt;fc=13.8N/mm2,满足要求
轴心受拉腹杆验算:
腹杆截面为 mm*89 mm,杆件轴拉力为N=6.07KN,只需验算截面强度。
N/A=6.07*103/3382=1.79N/mm2lt;ft=4.8N/mm2*1.5=7.2N/mm2 ,满足要求。
)上弦杆验算
上弦杆为压弯构件,选取 38mm×140mm 截面,但是经过计算发现杆件上的弯
矩很小,因此按照轴心受压杆件公式验算,杆件的平面内计算长度为
x=2166mm 。平面外由于有檩条作为侧向支撑,能够保证平面外的稳定,所以不
验算平面外的稳定。杆件轴压力为N =10.8kN
长细比:
 x=10x/ix=2166/40.41=53.60lt;91
压杆稳定系数: ()
经过上面的计算确定上弦杆为 38mm×140mm 的规格材。
mm
N1/ mm2lt;fc=12N/mm2*1.1=13.2N/mm2,满足要求。
经过上面的计算确定上弦杆为 38mm×140mm 的规格材。
南京工业大学本科生毕业设计(论文)
3)下弦杆验算
屋架下弦杆为拉弯构件,只需验算其强度:
选取两处受力较大截面进行验算:
N1  2.77kN, M1  45.02kN  mm, N2  7.83kN, M2  35.85kN  mm
N  |   | M  | 1  |   | 2.77 *103  |   | 45.02 *103  |  0.11 1  | ||||
1  | ||||||||||||
Aft  | Wfm  | 5320 * 4.8*1.3  | 124133*9.4 *1.3*1.15  | |||||||||
N2  |   | M 2  |   | 7.83*103  |   | 35.85*103  |  0.26 1  | |||||
Aft  | Wfm  | 5320 * 4.8*1.3  | 124133*9.4 *1.3*1.15  | |||||||||
满足条件。
4) 局部承压验算
仅选取桁架中间竖向受压腹杆和下弦杆之间的局部承压面进行计算
N=6.9kN
Ac  89 * 38  3382mm2
局部受压顺纹长度=89mm, KB 1.1132
构件截面宽度和高度的比值=38/140=0.3lt;1.0, Kzcp  1.00
N  |   | 6.9 *103  | 1.83N / mm2  f  |  4.9N / mm2  | , 满足  | ||
Ac KB Kzcp  | 3382 *1.1132*1.00  | c,90  | |||||
三、 梁柱的计算
- 楼盖布置及材料
 
楼盖均采用Ic级云杉-松-冷杉38mm x 235mm(2 x 10) 规格作为承载构件,搁栅均匀布置,间距为406mm。
根据《木结构设计规范》的附录J,该材料抗弯强度fm=13MPa,尺寸调整系数为1.0;顺纹抗压强度fc=15MPa,尺寸调整系数为1.0;顺纹抗拉强度ft=7.5MPa,尺寸调整系数为1.0;顺纹抗剪fv=1.4MPa,横纹承压fc,90=4.9MPa,弹性模量 E=10300MPa。
截面尺寸为38mmX235mm,截面性质为:
面积A=8930mm2,Ix=41096604.2mm4,W=349758.33mm3,S=262318.75mm3,ix=
mm
- 荷载
 
恒荷载:由以上楼面荷载计算的楼面恒荷载标准值为1.37 kN/m2
活荷载标注值:办公室,餐厅:2.0 kN/m2
因搁栅间距为406mm,故转换成线荷载为:
恒载标准值:0.556 kN/m
活载标准值:0.812 kN/m
荷载组合下:
D L: 1.368kN/m
1.2D 1.4L: 1.804kN/m
(3)一般楼盖计算
1)餐厅楼盖
按跨度为4000mm的简支梁计 算,其上承受均布荷载为1.368kN/m(标准值),
1.804kN/m(设计值)
弯矩最大值为
kN•m
剪力最大值为
 kN
强度验算:


变形验算:

长细比
,满足。
2)办公室楼盖
办公室楼盖改用IIIc级云杉-松-冷杉38mm x 235mm(2 x 10) 规格作为承载构件,搁栅均匀布置,间距为406mm。
根据《木结构设计规范》的附录J,该材料抗弯强度fm=9.4MPa,尺寸调整系数为1.1;顺纹抗压强度fc=12MPa,尺寸调整系数为1.0;顺纹抗拉强度ft=4.8MPa,尺寸调整系数为1.1;顺纹抗剪fv=1.4MPa,横纹承压fc,90=4.9MPa,弹性模量 E=9700MPa。
截面尺寸为38mmX235mm,截面性质为:
面积A=8930mm2,Ix=41096604.2mm4,W=349758.33mm3,S=262318.75mm3,ix=
mm
因搁栅间距为406mm,故转换成线荷载为:
恒载标准值:0.556 kN/m
活载标准值:0.812 kN/m
荷载组合下:
D L: 1.368kN/m
1.2D 1.4L: 1.804kN/m
按跨度为3000mm的简支梁计算,其上承受均布荷载为1.368kN/m(标准值),
1.804kN/m(设计值)
弯矩最大值为
kN•m
剪力最大值为
 kN
强度验算:


变形验算:

长细比
,满足。
- 墙骨柱计算
 
此处以一层纵向外墙的墙骨柱为例进行设计,其余墙骨柱的计算不一一演示
- 纵向外墙墙骨柱计算
 - 墙骨柱材料
 
一层外墙墙骨柱,采用的是38mm x 140mm IIIc级云杉-松-冷杉规格材,间距为406mm。
- 荷载
 
作用在一层外墙上每根墙骨柱的荷载标准值为:
屋架自重: 0.9 x 16/2 x 0.406=2.923 kN
二层外墙自重: 0.455 x 3.35 x 0.406=0.619 kN
恒荷载总计: 3.542 kN
屋架的活荷载: 0.5 x 16/2 x 0.406=1.624 kN
风荷载标准值: 0.3306 x 0.406=0.134 kN
考虑两种基本组合:
组合1:1.2恒 1.4活 1.4x0.6风
组合2:1.2恒 1.4x0.7活 1.4风
则,组合1:每根墙骨柱承受的轴向荷载设计值为:1.2 x 3.542 1.4 x 1.624=6.524 kN
           所受到的侧向风荷载设计值为:
=1.4 x 0.6 x 0.134=0.113 kN/m

组合2:每根墙骨柱承受的轴向荷载设计值为:1.2 x 3.542 1.4 x 0.7 x 1.624=5.84 kN
           所受到的侧向风荷载设计值为:
=1.4 x 0.134=0.188 kN/m

- 构件验算
 
根据《木结构设计规范》的附录J可得,IIIc级云杉-松-冷杉规格材的抗弯强度设计值fm=9.4MPa,尺寸调整系数为1.3;顺纹抗压强度设计值fc=12MPa,尺寸调整系数为 1.1,抗弯强度fm=9.4MPa,尺寸调整系数为1.3。
- 强度计算
 
组合1:
组合2:
强度满足要求。
B.稳定计算:
构件全截面的惯性矩:I=38 x 1403/12=8689333.333mm4
构件的全截面面积:A=140 x 38=5320mm2
构件截面的回转半径:
mm
构件的长细比:
 
目测等级为IC~VC的规格材,当
gt;75时,采用公式
计算稳定系数,则:
组合1:k=0,



则
满足要求。
组合2:k=0,



则
满足要求。
C.局部承压验算
通过查表可得,IIIc级云杉-松-冷杉规格材的横纹抗压强度设计值
fc,90=4.9MPa,尺寸调整系数为1.0。
按照下式进行验算:

上式中:Ac为承压面积,此处Ac=A=38 x 140=5320mm2

则
局部承压满足要求。
- 剪力墙抗侧力计算
 
通过前面的荷载计算可见,对于屋盖和楼盖的水平荷载,本结构南北向和东西向均由地震作用控制。东西方向主要考虑由7道剪力墙承受,南北方向由9道剪力墙共同作用承担荷载。经计算所得的两个力分别为:
F2= 75.50 kN
F1= 69.40 kN
本节以一层楼为对象,挑选沿④轴的横向剪力墙进行抗侧力计算以及剪力墙与楼盖和基础的连接设计,其余墙片的计算过程不一一演示。
(1)剪力墙验算
由于一层的剪力墙所受的荷载最大,因此我们首先对一层的剪力墙进行计算。选择其中的④轴线剪力墙进行计算。剪力墙双侧采用的是9mm的定向刨花板,墙骨柱截面尺寸38mm x 140mm,间距 406mm,普通钢钉的直径为3.3mm,面板边缘钉的间距为150mm。一层所的总剪力的设计值为:1.3 x (143.22 78.04)=287.639KN.,假设所产生的侧向力均匀地分布,则ωf=287.639/39=7.375KN/m。剪力墙所承担的地震作用按照面积进行分配,则4轴线剪力墙所受的剪力为:
V0=1/2*7.375*3.3*2=24.3386KN
1)4轴线剪力墙验算:
此段一层剪力墙由两段内墙组成,长度分别为4.2m、4.2m,剪力墙的刚度为;
K=∑γ1γ2γ3ⅹkdⅹLw
4.2m墙段对应的单位长度水平抗侧刚度kd分别为:
kd=1/(2hw3/3EALW hw/1000Ga hw/LWⅹdn/fvd)ⅹ2=0.648
各墙段对应的γ1γ2γ3相同,所以剪力墙在各墙段中与kdⅹLw成正比,即
V1=V2=V0ⅹ1/2=49.134ⅹ1/2=23.59KN
V1=V2=4.356KN/m
- 剪力墙的抗剪验算
 
单面铺设面板有墙骨柱的剪力墙,其抗剪承载力设计值按照下面的式子计算:
V=∑fdl
fd=fvdk1ⅹk2ⅹk3
对于双面铺板的剪力墙,无论两侧是否采用相同材料的木基结构板材,剪力墙的抗剪承载力设计值等于墙体两面抗剪承载力设计值之和。此处两面采用的木基结构板材是相同的,故通过上面的式子算得的数值乘以2.
V’1=2ⅹfvdk1ⅹk2ⅹk3ⅹl1 =2ⅹ3.9ⅹ1.0ⅹ0.8ⅹ1.0ⅹ4.2=26.208KN
根据《木结构设计规范》中的要求,当进行抗震验算时,取承载力调整系数ΓRE=0.8,则
V=23.59KNlt; V’1/ΓRE=41.34KN,满足设计要求。
- 剪力墙边界构件承载力验算
 
剪力墙的边界杆件为剪力墙边界墙骨柱,为两根38mmⅹ140mmⅢc云杉-冷杉规格材。边界构件承受的设计轴向力为:
N1=[(1.3ⅹ143.22/39) ⅹ3.3ⅹ11.835 (1.3ⅹ78.04/32) ⅹ3.3ⅹ7.2]/(4.2ⅹ2)=31.164KN
另外,作用在一层内剪力墙上的竖向荷载设计值为:
二层内剪力墙 1.2ⅹ0.57ⅹ3.05=2.0862KN/m
二层楼盖 (1.2ⅹ1.72 1.4ⅹ2.0) ⅹ6=29.184KN/m
总计N2=31.27KN/m
故,每根墙骨柱的荷载设计值为Nf=31.27 ⅹ0.305 31.164=40.70135KN
通过《木结构设计规范》的附录 J 查表可得,Ⅲc 云杉-松-冷杉格材的顺纹抗拉强度设计值 ft=4.8MPa,尺寸调整系数为 1.3;顺纹抗压强度设计值fc=12MPa,尺寸调整系数为 1.1。
A.边界构件的受拉验算
杆件的抗拉承载力:Nt=2×38×140×4.8×10-3×1.3=66.39kN
则:Nf=54.5067KNlt;Nt/ΓRE=66.39/0.8=82.99KN
B.边界构件的受压计算
a.强度计算:
杆件的抗压承载力:
Ne=2×38×140×12×10-3×1.1=140.448kN
则:Nf=54.5067KNlt; Nc/ΓRE =140.448/0.8=175.56KN
B.稳定计算:
由于墙骨柱侧向有覆面板支撑,一般在平面内不存在失稳问题,我们仅验算边界墙骨柱平面外稳定。边界构件的计算长度为横撑之间的距离为 1.22m。
构件全截面的惯性矩:
I=1/12×140×763 =5121386mm4
构件的全截面面积:
A=140×76=10640mm2
构件截面的回转半径:
I=√I/A=21.94mm
构件的长细比:
Λ=l0/i=1220/21.94=55.6
目测等级为Vc~Ic 的规格材,当λ≤75 时,ψ =1/[1 (λ/80)2]采用公式计算稳定系数,则:ψ =1/[1 (λ/80)2]= ψ =1/[1 (55.6/80)2]=0.674
构件的计算面积:
A0=A=38×140×2=10640mm
N/ψA0=54.5067×103/(0.674×38×140×2)=7.6N
58.63KN/mm2lt;kfc=1.1×12=13.2 KN/mm2
故平面外的稳定满足要求。
4) 局部承压验算
通过查表可得,Ⅲc 云杉-松-冷杉格材的横纹承压强度设计值fc,90=4.9N/mm2,尺寸调整系数为 1.0。
按下式进行验算:
N/Aclt;= fc,90
上式中:Ac为承压面积,此处Ac=A=38×140×2=10640mm2
则,N/Ac=54.5067×103/10640=5.123 N/mm2lt;= fc,90/0.8=6.125mm2,局部承压满足要求。
5)剪力墙顶部水平位移验算
4.2m墙段对应的顶部水平位移△分别为:
△=1/kd×v=(1/0.54835)×4.356=7.94mmlt;h/250=12.2mm,满足。
五、墙体与基础和楼盖的连接计算
(1)剪力墙与楼盖或基础抗拔紧固件(hold-down)验算
以一层沿4轴的剪力墙为例,其连接件最大拉力为 80.4kN(设计值),考虑此墙由重力产生的向下的有力作用力为 6.042kN (恒荷载分项系数为 1.0),则最大拉力为 74.358kN。

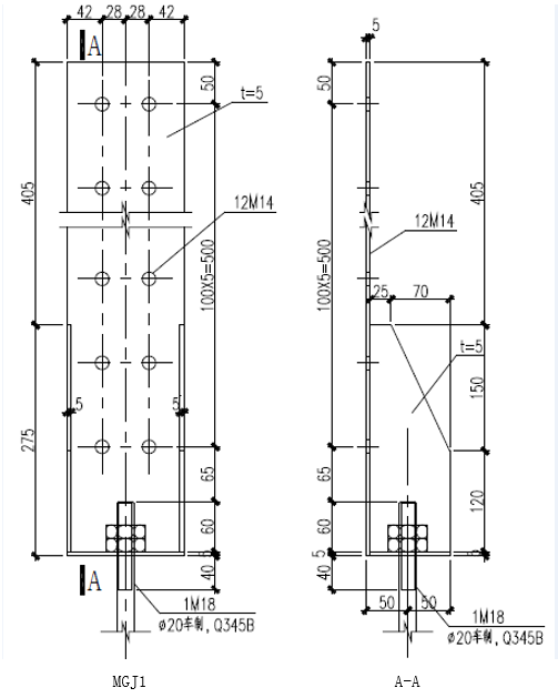
MGJ1 采用 1M18 抗拉,采用 12M14 抗剪:
1个M18 抗拉:Nr=πd2/4×fbt=3.14/182×295×10-3=75.1KN
1个M14 抗剪:Nv=kvd2√fc=7.5×142×√12×10-3=5.09KN
且钢板采用 5mm 厚 Q235B,则 14×5×325=22.75kNgt;5.09kN
采用12个M14做抗剪,则 12×5.09=61.08kN
单个MGJ1承载力为
抗拉:75.1kN
抗剪:61.08kN
因此时为双剪连接,且中间木构件厚度(边缘墙骨柱)最小为 c=4×38mmgt;5×14=70mm
所以抗剪承载力不需折减。
抗拉承载力为 2×75.03=150.2kNgt;74.358kN,
抗剪承载力为 2×61.08=122.2kNgt;74.358kN,满足。
以上是毕业论文大纲或资料介绍,该课题完整毕业论文、开题报告、任务书、程序设计、图纸设计等资料请添加微信获取,微信号:bysjorg。
相关图片展示:

        
            
