双级式光伏发电控制系统设计和动态特性研究毕业论文
2020-02-18 11:42:44
摘 要
根据三相两级光伏发电系统,设计了前级BOOST升压电路和后级逆变电路,并对系统控制进行了分析。实现了光伏发电系统的开关功能和低压穿越,建立了基于Labview / Starsim的仿真电路。证明了两级光伏发电系统的输出电流波形畸变小,频率相位特性满足并网要求。
关键词:双极式光伏发电系统;系统控制;系统的开机运行和关机;低电压穿越;Labview/Starsim仿真
Abstract
According to the three-phase two-stage photovoltaic power generation system, the BOOST boost circuit and the back-stage inverter circuit are designed, and the system control is analyzed. The switch function and low voltage crossing of the photovoltaic power generation system are realized. The simulation circuit based on Labview/Starsim is built. The simulation experiment proves that the output current waveform distortion of the two-stage photovoltaic power generation system is small, and the frequency is low. Rate and phase characteristics meet the requirements of grid connection.
Key words: bipolar photovoltaic power generation system; system control; system start-up operation and shutdown; low voltage traversal; Labview/Starsim simulation.
目 录
摘 要 I
Abstract II
第一章 绪论 1
1.1. 课题研究背景及意义 1
1.2. 国内外研究现状 2
1.2.1. 光伏发电系统的控制策略研究现状 2
1.2.2. 光伏发电系统的低电压穿越研究现状 5
1.3. 本文的主要工作 8
第二章 双级式光伏发电系统 8
2.1. 双级式光伏发电系统原理 8
2.2. 双级式光伏发电系统建模 11
2.2.1. BOOST电路中电感计算 11
2.2.3. RLC低通滤波器的参数计算 13
2.3. 基于Labview对双级式光伏发电系统的控制 15
2.3.1. 光伏阵列模块 15
2.3.2. MPPT模块 16
2.3.3. BOOST参考校准模块 17
2.3.4. 光伏并网变流器控制模块 18
第三章 基于Labview/Starsim的双级式光伏发电系统功能的实现 22
3.1. 开机启动以及关机功能的实现 22
3.1.1. 开机启动以及关机功能的原理 22
3.1.2. 基于Labview/Starsim的开机启动以及关机功能的模型及其控制 22
3.2. 自动电阻的设置 24
3.2.1. 自动电阻的作用 24
3.2.2. 基于Labview/Starsim的自动电阻的模型及其控制 24
第四章 基于Labview/Starsim的光伏发电系统仿真实现 25
4.1. 开机以及关机功能的实现 25
4.1.1. 不控整流过程 25
4.1.2. 可控整流过程 27
4.1.3. 光伏电池的接入以及MPPT调节 30
4.2. 双级式光伏发电系统短路的暂态过程分析 33
4.2.1. 单项短路故障仿真 33
4.2.2. 两相短路故障仿真 35
第五章 总结与展望 37
5.1. 总结 37
5.2. 展望 37
参考文献 37
绪论
课题研究背景及意义
传统能源在我们的日常生活中发挥着重要作用,并将在未来占据非常重要的地位。其中,煤炭主导着传统能源。过往,工厂排出浓浓的黑烟象征着发展。伦敦的雾也以它的名字命名。但煤炭燃烧造成的烟雾也引发了伦敦的烟雾事件。地震中光化学烟雾事件的主要原因是汽车尾气的大规模排放,造成严重的光化学烟雾污染。传统能源在一定程度上发生了变化,极大地促进了世界的快速发展,但在当今社会,由于这些能源的大规模使用,其引起的环境污染不断引起我们的深刻思考。清洁能源的使用已经众望所归。
太阳能给地球带来的能量是无限的潜力和无限的发展。太阳能给予的能量非常惊人且无法估量。传递给地球的40秒太阳能为未来太阳能的发展奠定了坚实的基础。然而,与石油工业形成鲜明对比的是,目前的使用率占相当大的比例,但很难长期维持其产量。从长远来看,石油是不可再生的能源,随着时间的推移,石油的使用逐渐减少。这导致科学界和许多公司考虑更深入的能源使用。此时,太阳能,风能,水能,潮汐能等具有巨大发展潜力的新能源也取得了突破性进展和足够的重视。这也是新能源未来前景的良好准备。太阳能被认为是可靠的发展资本。来源的广泛使用有一个不可替代的原因。地球表面每年接收的太阳辐射是世界上的一年。能源需求的35,000倍约为1.07×1014 GWh /年,可以说是取之不尽用之不竭。光伏发电的使用可以大大减少污染的发生,因为它的特殊再生能力,太阳能发电不消耗燃料,因此,绝对清洁能源队列具有特殊的概念,应该得到广泛应用。
太阳能之所以与传统的能源有着巨大不同的地方就在于它的使用没有地域限制。而且太阳能发电很易于检修和维护,在雨天的时候只要检查其电池表面的清洁度和电池本身是否损坏就可以了,其分布式发电对整个能源系统的安全可靠具有重大意义,而且太阳能产业链的大力发展,太阳能资源在许多领域发挥着无与伦比的特殊作用。在广泛使用并且可以合理地利用太阳能资源的太阳能热水器的使用中,可以在很大程度上解决对一个区域中的热水的需求。它不仅节省了过去常用的燃料资源,还减少了污染。在中国的偏远地区,太阳能资源可以发挥作用。像西北地区和许多偏远山区一样,巨大的作用在太阳能的使用中起到了很大的作用,因此受到了应有的关注和推广。由此产生的光伏发电在某种程度上抵消了使用煤燃烧作为发电驱动力的固有方式。而光伏并网发电又是重中之重。电力系统分为离网和并网。增长率665%。2017年,全球新增装机容量超过85gw。电力也达到了一个新的高度。太阳能光伏并网发电系统近年来发展迅速。光伏阵列总是跟踪最大功率点,太阳能产生的能量可以集成到大电网中。因此,可以提高发电效率,并且该系统可以节省电池链路并大大降低太阳能发电的成本。废电池造成的污染已经减少。综上所述,实现太阳能发电并入电网在新能源发展方面具有举足轻重的地位,是当前最具研究的内容。保证并入电网的电能安全运转,实现资源节约方面扮演着不可替代的角色。因此,重点分析和探索光伏并网发电系统的各种影响因素,以改善和改善与电网的整合。电能质量在分布式电网的发展和电力市场的改革中发挥着重要作用。
国内外研究现状
光伏发电系统的控制策略研究现状
目前光伏并网发电系统研究的核心技术主要有mppt技术和电网反演控制技术、岛效检测与保护技术、并网功率因数校正等。本文重点介绍光伏并网发电的两项关键技术:MPPT技术和并网逆变器控制技术。这被简要地描述如下:由于太阳能电池的最大输出功率(mpp)点在不同的光强度和电池温度下是不同的。所以为了能够做到最高的能源利用率,必须采取措施自动跟踪气候条件的变化。提出了最大功率跟踪技术。最大功率跟踪常用的方法有:开路电压方法通常使用开路电压等作为最大功率点电压。短路电流的方法类似于在最大功率点处操作的太阳能电池输出电流与太阳能电池板短路电流之间的线性关系。该值约为0.85。缺点是控制精度不高并且总是低于实际最大功率点。例如,干涉观察方法通过有规律地增加和减小光伏电池的输出电压来将光伏系统的操作点调整到最大功率点。当光强度随时间变化不大时,该方法易于跟踪,易于实施,并且不需要高传感器精度。然而,光伏阵列在最大功率点附近振荡,导致一定的功率损耗;另外,当太阳光强度和环境温度快速变化时,干扰观察方法可能会失败。此外,电导增量法也广泛用于光伏发电系统。通过比较光电阵列的电导率增量和瞬时电导率,改变控制信号以跟踪最大功率点。需要通过测量光伏阵列的输出电压和电流的变化来确定控制算法。电导增量法准确,响应速度快。然而,硬件要求,尤其是传感器的精度要求相对较高,因此整个系统的硬件成本相对较高。最后是智能控制模糊逻辑控制。由于太阳能照明强度的不确定性,光伏阵列温度的变化,负载变化以及光伏阵列输出特性的非线性,对于这种非线性系统,模糊逻辑控制方法可以获得更好的结果。

图 1.1 电压源型并网逆变器基本等效工作原理图
逆变器控制连接到正弦电压源,基本控制原理图如图1.1所示,
和
代表PWM电压逆变器的输出电压的基波和由死区效应等因素引起的谐波分量;
和
则分别代表电网电压的基波和作为谐波分量主要部分的低次谐波;为逆变器需要主动注入的谐波分量。
当流过电网电抗L的谐波电流为0时,根据图 1.1 的电压关系有:
(1-1)
需要逆变器去主动补偿的谐波分量为:
,就是并网电感上的谐波压差。将
调制成指令信号并确保其准确输出,以达到通过调节输出电压间接控制并网电流的目的,通过主动注入谐波电压,可以使并网电感器两端的谐波电压差为零。
逆变器控制为正弦电流源并网:随着电压型SPWM调节技术的逐步成熟,逐步采用电压型光伏并网逆变器的正弦电流跟踪控制方案。电压型并网逆变器控制作为正弦电流源的关键是输出正弦电流与电网电压相同且同相。只要采用适当的逆变器控制策略,就不难实现与电网的并联连接。如图1.2所示,PV逆变器被控制为电流源。

图 1.2 电流源型并网逆变器基本等效工作原理图
总之,虽然并网光伏逆变器有两种类型的电网连接:电压源类型连接到电网类型,电流类型是电网连接,但电压类型电网连接模式由并网电流间接控制。控制策略更复杂。考虑电网中的许多不稳定因素,例如电压幅度波动,频率波动,波形失真等。如果逆变器控制连接到正弦电压源,这些因素可能导致逆变器在电网连接中失效或者并网电流波形的质量不够高。不能满足国际或国内光伏电网的相关标准。第二并网电流的质量主要取决于电流控制器的性能;三个动态响应速度快,可以快速调整电网电压的参数变化。
光伏发电系统的低电压穿越研究现状
低电压穿越(lvrt)技术是指电网连接点处的电压降的周期。光伏系统可以保持电网连接,并且电网的无功输入可以恢复正常,从而“通过”低压过程。电网中的电压降是一种常见的故障形式。ieee标准将电压降定义为电网的平均方波电压在短时间内突然下降到额定值的90%至1%的现象。其典型持续时间为10 ms~1分钟。电压降的特点主要包括:下降值是电压的平均平方根与额定电压的平均平方根之比。相位跳变成为与电压降相关的电压相位的突然变化。电压降可以分为由电网故障引起的电压降,由大电动机启动引起的电压降,以及由电动机加速引起的电压降,这取决于其形成的原因。
当光伏电站具有高磁导率或增加输出时,传输网络故障导致光伏电站跳闸。容易造成相邻光伏电站的连接跳闸,导致大规模停电,影响电网的安全稳定运行。因此,光学发电站必须具备lvrt能力。随着全球光伏电站容量的扩大,大型光伏电站与区域电网之间的联系将对电网的安全性和稳定性产生重大影响。其中一个重要的影响是电站的突然离开将对电网的正常运行产生严重的负面影响。2010年底,国家电网公司发布了“光伏电网接入技术规范”(招标)明确规定“大中型光伏电压应通过电站承受一定的低压。”。2010年12月,中国第一座光伏电站lvrt现场测试平台在国家电力研究院建成。这表明中国一直重视光伏电站低压和过流能力的研究和测试。
但是,目前国内外光电站的容量几乎没有,对光伏电站关键技术的研究几乎是空白。在新能源网中,风电场可以为光伏电站技术提供参考。与风电场相比,光伏电站通过电气和电子设备连接。不同之处在于光伏电站没有惯性矩,因此限制光伏电站lvrt的瓶颈是逆变器的直流电压。如果直流电压上升,将损坏电力电子装置。
光伏系统的低压交叉口与风电场的低压交叉口相同,因此可以利用风电场的标准。目前,不同国家甚至同一国家的不同地区可能有不同的标准,有些标准仍在修订中。
如图 1.3 所示,图中曲线上方的区域是需要保持与电网连接的光伏系统的一部分。仅当在曲线下方的区域中指示故障时,才允许系统与电网分离。电网故障清除后,系统需要立即恢复到电网的有功功率输出,并确保每秒至少增加20%的额定输出功率。
国家电网针对光伏发电普及率高的国家和国家事实,在电网光伏发电经验中制定了一系列电网规范和并网光伏发电的要求。图1.4显示了国家电网公司法规中光伏电站低压穿越的要求。如果电网连接点处的电压高于线路,则必须确保光伏系统不间断地连接到电网。如果电网点电压低于该线,则允许光伏发电系统与电网连接断开。
低压穿越太阳能光伏系统的要求是:
(1)当电网电压降至额定电压的20%时,光伏系统可以具有625ms的低电压穿越能力,用于并网运行;
(2)光伏发电系统在下降后3 s内将保持与电网连接,并且电网电压可恢复到额定电压的90%。目前,中国没有相关的光伏发电法出的文件形式的试行标准。但是,通过吸收发达国家并网光伏发电的经验和国家的实际情况,中国将制定相应完善的光伏发电并网标准。

图 1.3 德国 E.ON 公司的低电压穿越标准
图 1.4 国家电网公司规定中对光伏电场的低压穿越要求
本文的主要工作
本文的结构安排为:
第一章绪论,首先介绍了光伏发电的优点和国内外的发展现状以及前景展望,接着介绍了光伏发电系统目前主要的控制策略及其发展现状和本文主要用到的控制方法,然后对光伏发电系统的低电压穿越的概念进行了描述,并对目前国内外的低电压穿越标准进行了介绍。
第二章对双级式光伏发电系统的原理进行了阐述并与单级式光伏发电系统进行对比说明其优势,然后利用Labview/Starsim软件对其进行了建模,并对Labview中的控制模块逐个进行介绍。
第三章简单介绍了双级式光伏发电系统中开机启动以及关机功能和自动电阻的原理及其作用,利用Starsim对双级式光伏发电系统中开机启动以及关机功能和自动电阻的接入进行了建模,并于Labview中对其模型建立相应的控制模块。
第四章对基于Labview/Starsim平台搭建的双级式光伏发电系统模型进行了仿真,对光伏系统的开机以及关机时,从不控整流到可控整流,再到电池接入,MPPT功能开始运行各时间段的波形进行了仿真验证,对自动电阻接入后对直流电压侧的电压控制以及关机时电容放电进行了相关实验验证。
第五章进行了总结,以及对下一步工作的展望。
双级式光伏发电系统
双级式光伏发电系统原理
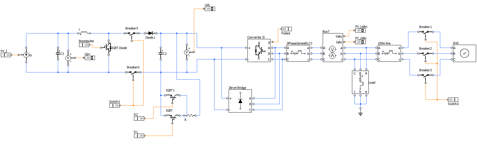
两级并网光伏发电系统的结构图如图2.1所示,主要由升压电路,逆变电路,LCL滤波器和电网组成。工作原理是光伏阵列产生的直流电流由直流/直流改变。转换器转换为另一个DC电压电平(通常通过BOOST升压转换),然后通过DC / AC PV并网逆变器将其转换为AC输入电网。转换的第一阶段通过DC / DC转换转换由PV阵列产生的DC。将其转换为用于后级的能量存储单元或光伏并网逆变器的受控DC,第一转换阶段还需要光伏电池阵列的最大功率跟踪。第二级光伏并网逆变器通过PLL传输的相角实现直接交换,使得并网电流和电网电压在同一方向上。LCL滤波器电路滤除高次谐波以实现更好的电网连接,并为本地负载提供输出交流电源,并将多余的能量馈送到电网。同时,应实现中间直流母线电压的电压调节功能。

图 2.1 两级式并网光伏发电系统结构示意图
在光伏发电系统中,能量双向流逆变器的运行状态可以通过图2.2中的各种图来说明。在图2.2 a)中开关管( IGBT) T1和 T4导通时, PV阵列的 DC侧能量由 BOOST电路提升并通过 T1和 T4馈入电网。电流 I增加,电感 L储能增加。当在图2b)中接通开关管T1和T2时,光伏阵列和逆变器电路不能形成环路。光伏阵列的能量通过BOOST电路对DC总线电容器Cd充电,并且滤波器电感器L存储的能量通过T1和D2回路馈入电网。电流 I减小,电感 L储能减小。在图2 c)中 T2和 T3导通时,形成 L—电网— D2— Cd— D3— L的回路,一部分存储的能量被反馈到电网,另一部分对总线电容器 Cd充电,并且电流 I减小。并且 L能量存储减少。该状态发生在电网电压的过零点附近。



以上是毕业论文大纲或资料介绍,该课题完整毕业论文、开题报告、任务书、程序设计、图纸设计等资料请添加微信获取,微信号:bysjorg。
相关图片展示:







您可能感兴趣的文章
- 一种确定磁探针集总电路参数的标定方法外文翻译资料
- 一种人体可接触的大气压低温等离子体射流装置研究(适合电气B方向)毕业论文
- 氩氧中大气压DBD放电特性研究(适合电气B方向)毕业论文
- 大气压氩等离子体射流放电影响因素的仿真研究(适合浦电气B方向)毕业论文
- 含氧高活性均匀DBD改性聚合物薄膜研究(适合浦电气B方向)毕业论文
- 反应器结构对气液两相DBD放电特性的比较(适合浦电气B方向)毕业论文
- 南京某公司研发楼电气设计毕业论文
- 金帆北苑地块经济适用住房——02栋商住楼电气设计(适用于浦电气1004~06A方向学生)毕业论文
- 扬州人武部大楼电气设计毕业论文
- 金帆北苑地块经济适用住房——04栋商住楼电气设计(适用于浦电气1004~06A方向学生)毕业论文


