10kV架空配电线路加装避雷器防雷性能研究毕业论文
2020-02-18 11:42:40
摘 要
随着电网建设规模逐年扩张,架空配电线路覆盖面积愈发广泛,人们迫切需求一份安全可靠的电能。10kV架空配电线路由于电压等级较低,防雷性能较差,在雷电频发的夏季很容易发生雷击跳闸事故,给人们生活和工业生产过程带来极大的不便,因此提高10kV架空配电线路防雷性能,降低其雷击跳闸率是非常必要的。
线路耐雷水平作为反映配电线路防雷性能的重要因素之一,通常采用雷击时线路不会导致绝缘子闪络的最大雷电流幅值来进行评估。本文利用电磁暂态分析程序ATP-EMTP设计了10kV架空配电线路加装避雷器的仿真模型,针对架空配电线路雷击故障进行了定性分析,从提高线路耐雷水平的角度,研究了线路档距、杆塔接地电阻、雷电流极性等参数的改变以及加装线路避雷器对防雷性能的影响,对架空电线路的多种防雷措施及其效果进行了总结,并分析了其原因。
关键词: 10kV架空线路;防雷保护;耐雷水平;ATP-EMTP ;避雷器
Abstract
With the expansion of the scale of power grid construction year by year, the overhead distribution lines cover more and more widely, and people urgently need a safe and reliable electric energy. Due to the low voltage level and poor lightning protection performance of 10kV overhead distribution lines, lightning tripping accidents easily occur in summer when lightning occurs frequently, which brings great inconvenience to people's life and industrial production process. Therefore, it is necessary to improve lightning protection performance of 10kV overhead distribution lines and reduce lightning tripping rate.
As one of the important factors reflecting the lightning protection performance of distribution lines, lightning resisting level of lines is usually evaluated by the maximum lightning current amplitude, which does not cause insulator flashover when lightning strikes. In this paper, the simulation model of 10kV overhead distribution line with lightning arrester is designed by using electromagnetic transient analysis software ATP-EMTP. The qualitative analysis of lightning strike fault of overhead distribution line is carried out. From the angle of reducing lightning overvoltage, the changes of tower grounding resistance, line spacing, lightning current polarity and other parameters, as well as the influence of adding line arrester on lightning resistance level of line are studied. Various lightning protection measures for overhead distribution lines and their effects are summarized, and their causes are analyzed.
Key words: 10kV overhead line;lightning protection;lightning resisting level;ATP-EMTP;lightning arrester
目 录
摘 要 I
Abstract II
第1章 绪论 2
1.1 研究背景及意义 2
1.2 防雷技术研究现状 3
1.2.1 关于耐雷水平评估方法的研究 3
1.2.2 关于雷电过电压防护的研究 3
1.3 本文研究内容及主要工作 5
1.4 本章小结 5
第2章 雷电概述 6
2.1 雷电机理 6
2.2 雷电参数 7
2.2.1 雷电活动频度 7
2.2.2 雷电流参数 8
2.3 本章小结 9
第3章 避雷器在防雷设计中的应用 10
3.1 线路避雷器概论 10
3.2 避雷器基本原理及其特点 10
3.3 避雷器参数 11
3.3.1 额定电压 11
3.3.2 持续运行电压 11
3.3.3 标称放电电流 12
3.4 本章小结 12
第4章 ATP仿真模型概述 13
4.1 雷电流模型 13
4.2 架空线路模型 13
4.3 杆塔模型 14
4.3.1 单波阻抗模型 14
4.3.2 多波阻抗模型 15
4.4 杆塔接地电阻模型 17
4.5 避雷器模型 18
4.6 本章小结 19
第5章 仿真建模及结果分析 20
5.1 仿真模型 20
5.2 结果分析 21
5.2.1 加装避雷器对线路耐雷水平的影响 21
5.2.2 杆塔接地电阻对线路耐雷水平的影响 22
5.2.3 杆塔档距对线路耐雷水平的影响 23
5.2.4 雷电流极性对线路耐雷水平的影响 25
5.3 本章小结 26
结束语 27
致谢 28
参考文献 29
第1章 绪论
1.1 研究背景及意义
近年来,随着社会的发展进步,无论是个体还是企业,对于电能的安全性、可靠性和稳定运行能力都有了更高的需求。架空线路作为电力系统输配电环节中的重要组成部分,是连接着各个变配电所和个体用户的枢纽。架空线路能否正常运行,很大程度上关系到输配电环节的稳定性,一旦其出现故障,如果不能在短时间内将其排除,将会造成严重的消极影响。由于10kV架空配电线路电压等级较低,可采取避免雷击的措施较少,因此发生雷电过电压比较常见。尤其是近年来绝缘导线开始普遍化,雷击时受到导线绝缘材料影响,高频率的雷电流和延续的工频电流将集中在一个点引起燃烧,散发的高温使得导线可能在断路器或自动重合闸装置动作之前就被烧断[[1]]。因此,配网输电线路“雷击易断”的特点对10kV架空配电线路的耐雷水平提出了新的要求。
雷电是自然界中最为伟大的气体放电现象,古往今来它总是吸引着人类大量的关注,因为它不仅可能导致跳闸事故,造成巨大的经济效益损失,还可能引发森林火灾,毁坏建筑,危及人类和各种生物的生命安全。但对雷电的物理本质有所了解,却还是来源于十八世纪四十年代Franklin著名的风筝引雷实验。由于雷电除了对于电力行业很重要,还对现代航空、通信等领域都有巨大的影响,人们逐步加强了对雷电及防雷技术的研究,特别是利用自动录波、雷电定位等技术得出的研究成果,极大地丰富了雷电放电过程的认识和理解。
架空配电线路上出现的雷电过电压包括两种形式:由异号电荷中心之间发生雷电放电引起的感应雷过电压以及由从雷云向下伸展的先导通道中存在的剩余电荷引起的直击雷过电压。由于后者时常可达数百万伏特以上,对于架空配电线路妨害极大,因此,长期以来学术界对于雷电过电压的研究多集中于直击雷过电压。
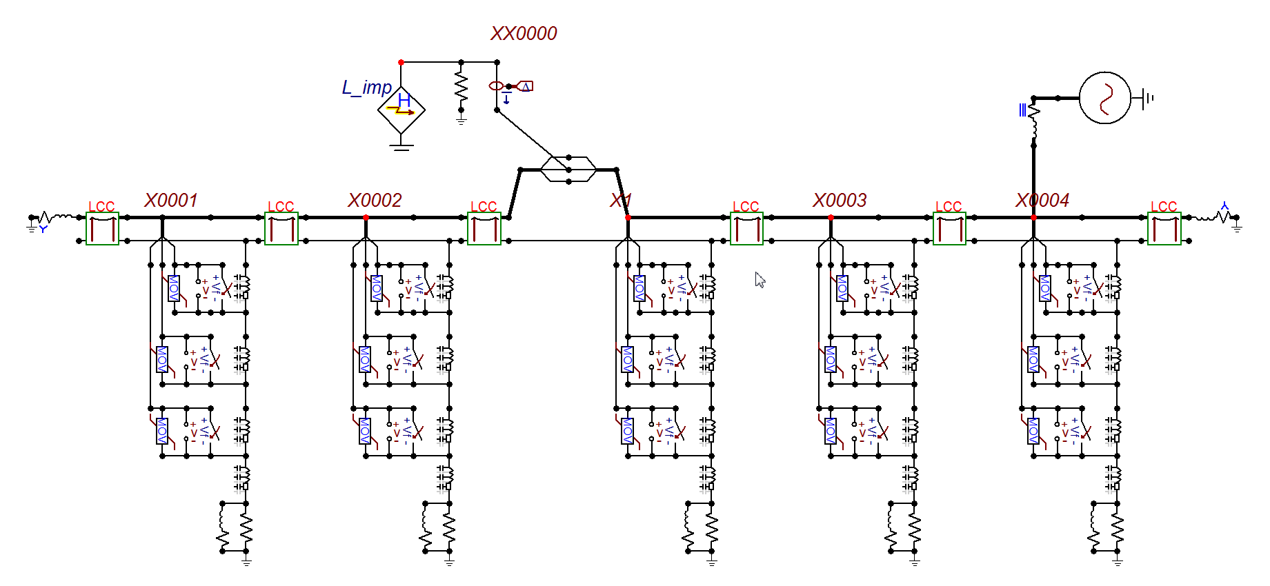
目前架空配电线路常用的防雷措施有:铺设线(架空地线)、不绝缘、降低杆塔接阻、铺设耦合地线等[[2]]。这些措施均有其优缺点,其中安装线路避雷器无论在抑制直击雷过电压还是防止感应雷造成的脉冲电流方面,效果都十分显著,因而广受青睐。然而实际情况是,由于线路避雷器价格较高,且安装相对较麻烦,很多地区10kV架空配电线路并未安装避雷器。所以又一重大挑战摆在了技术人员面前,即如何在考虑经济性和操作性的前提下在架空线路上妥善地安装线路避雷器。目前,在电磁暂态领域是国际上使用最普遍的仿真程序之一,其功能十分丰富,几乎所有电路都可利用其来进行暂态计算。然而由于其文本输入格式是固定的,导致非专业技术人员使用它非常困难。为此,ATPDraw应运而生。ATPDraw开发了人机交互的图口,软件内准备了大量的电力系统元件模型,用户只需绘制电路图并输入相关参数,然后运行.acp文件即可得到计算结果,大大简化了操作过程。利用建立的ATP仿真模型,技术人员可以很方便地得出雷击时10kV架空配电线路过电压数值,并利用相交法判断线路绝缘子串闪络情况,从而为实际的线路防雷研究带来诸多便利。本文建立了10kV架空配电线路加装线路避雷器的仿真模型,对避雷器安装前后的防雷性能进行了对比,研究了多种参数变化对线路耐雷水平的影响,对架空配电线路的防雷研究及方案选择具有重要的参考意义。
1.2 防雷技术研究现状
1.2.1 关于耐雷水平评估方法的研究
目前,对于10kV架空配电线路,国际电工委员会(IEC)对雷电放电的危害评估做了大量研究。评价耐雷水平的方法在国外主要有解析法、法、模型法(包括先导发展模型[[3]]和电气几何模型[[4]])和层次分析法等;而国内主要是基于传统的线路以及线路整体两方面对配电线路防雷性能进行评估。线路整体耐雷水平是指雷击线路时不致引起线路绝缘闪络的雷电流最大值或能导致线路绝缘闪络的雷电流最小值[[5]]。综合比较技术难度和经济性原则,我国规定雷击杆塔时10kV架空配电线路的耐雷水平应至少达到20kA,而超过该耐雷水平的雷电流出现的概率大约为60%,可见对于电压等级较低的10kV架空配电线路来说仍有一部分雷击会引起绝缘闪络;线路雷击跳闸率是指在雷暴日数的情况下、的线路每年因雷击而跳闸的次数[[6]],其单位为“次/(雷暴日)”。评估不同地区、不同线路档距、不同气候地理条件下的输电线路的耐雷水平,必须将它们都放在同样的条件下才能进行比较。线路雷击跳闸率在一定程度上受线路整体耐雷水平的影响,研究表明,线路整体耐雷水平一般与线路雷击跳闸率成反比关系。
1.2.2 关于雷电过电压防护的研究
现代输配电线路所采用的的防雷保护措施主要包括以下几种:
(1)避雷线(架空地线)
避雷线即在已架设的线路基础上另外配置导线,并将其与大地相连,当架空线路遭到雷击时,线路上出现的雷电过电压将经由避雷线预埋的接地体实现引流,将雷电引入地面。避雷线一般应用于电压等级在及以上的线路,对于电压等级较低的配电线路考虑到经济因素一般不在全线进行装设,这是由于低电压等级即使在全线都装上避雷线,由于其绝缘等级普遍较低,仍有雷绕过避雷线击于导线的可能;而且这些线路往往都是中性点非有效接地系统,单相接地故障的后果不算特别严重,因而主要采用自动重合闸或中性点经消弧线圈接地的方式来避免雷击闪络。
(2)加强线路绝缘
包括增加绝缘子串片数和长度,提高外绝缘爬电距离等措施,适用范围相对比较局限。
(3)降低杆塔接地电阻
如果杆塔接地电阻足够小,雷电流将全部经接地电阻流入地面,反之雷电流将会被阻碍而返回杆塔上部造成反击,并继续流入线路使得线路遭受雷击。为了提高线路防雷性能,应尽可能地减小杆塔接地电阻值;当降低工频接地电阻困难时,还需另加人工接地装置。
(4)耦合地线
可以作为雷电流的另一条通路,增大导线和大地之间的系数,多用于难以将杆塔接地电阻降低到合格水平的输电线路。不同于避雷线一般架设于相导线之上,耦合地线多架设于相导线下。
(5)消弧线圈
能抑制雷击闪络生成工频电弧的过程,从而减小建弧率,防止断路器跳闸。
(6)避雷器
避雷器主要类型包括管式、阀式和氧化锌(ZnO)避雷器等,可以保护配电线路和电力设备不受雷击损坏。管式避雷器是一种间隙结构,属于保护间隙型避雷器,遭受雷击时巨大的过电压会将其,并出现巨大的工频续流。雷电流和工频续流会再管口产生大量的灭弧气体,从而抑制了工频电弧的生成,使得管式避雷器与系统隔离,达到防雷的目的。阀式避雷器由间隙和阀片电阻组成,利用制成的阀片电阻来抑制过电压的危害。正常运行时间隙未被击穿,阀片电阻阻值较高,不会对线路供电造成影响;雷击时巨大的电压会将间隙击穿,其阻值迅速减小,雷电流沿着阀片电阻流入地面,从而保护了线路或电力设备不会因雷电流而损坏。ZnO避雷器具有保护性能优秀、通流能力强、耐污秽、运行可靠等优点,相比于其他避雷器它最大的优点是利用ZnO良好的非伏安特性,通常情况下仅有微安级的电流通过;而在雷电过电压侵入时,ZnO阀片的电阻急剧下降以限制过电压的幅值并释放其能量,从而达到保护的效果。
(7)不平衡绝缘
为了避免雷击线路导致闪络跳闸造成大面积停电,若已实施的措施无法保证可靠供电,可在此基础上再采用该方案,减少一回路的三相片数,从而在发生雷击时只有一回路将发生,而另一回路由于绝缘水平较高仍可继续安全运行,从而减小停电范围,减少损失。
(8)自动重合闸
大量实证表明,大部分雷击导致的架空线路绝缘子闪络都属于暂时性故障,线路单相发生冲击闪络后能迅速地去电离,并不会生成稳定的电弧对绝缘造成不可逆的损坏,此时只要把线路断路器合上,就能安全地继续进行供电,可见自动重合闸是防雷保护的有效措施。
- 本文研究内容及主要工作
(1)研究雷电活动的产生机理和危害,总结配电线路雷电活动特征。
(2)结合相关文献给出的参数条件,通过电磁暂态仿真程序ATP-EMTP对本文研究的10kV架空配电线路加装避雷器建立仿真模型;
(3)从提高线路耐雷水平、降低雷电过电压的角度,研究接地电阻、杆塔档距、雷电流极性等参数的改变对架空配电线路耐雷水平的影响。
(4)修改仿真模型,对比加装避雷器前后的防雷效果,从提高防雷性能、节约经济成本等基本原则出发,对在10kV架空配电线路上加装避雷器的防雷性能进行客观评价,提出综合防雷的策略。
1.4 本章小结
本章主要叙述了10kV架空配电线路防雷保护方面的国内外研究现状和研究工作,介绍了雷电过电压形成原因,并对防雷措施和耐雷水平的评估方法进行了阐述。对于其中涉及到的雷电流及避雷措施的各项措施将在以下章节进行进一步介绍。
第2章 雷电概述
雷电机理
雷电放电起源于雷云的形成,在一定的气候地理条件下,强湿热气体从地表上浮到大气层中,使云层中的水滴碰撞分裂而带上电荷,其中带有负电荷的水沫随着上升气流继续上浮,形成带负电荷的雷云;带正电荷的水珠则飘浮于云层,在雷云底部形成小范围的正电荷富集区[[7]]。根据Berger基于雷云所带电荷的及其先展方向作出的分类,绝大部分雷电都属于向下负雷电,本文模拟的雷电流也属于此类。地面因受到近地雷云的感应,会带上与云底所带电荷极性相反的电荷,从而在二者之间形成强电场,电位差甚至可高达几十MV,但由于地面与雷云间距非常大,由可知,平均场强也会减小。一旦在特定区域场强大到能使空气发生碰撞电离引起电子崩,便能够形成雷电放电。
从雷云往下伸展的导道中除了大量数量的正电荷和负电荷之外,还存在少量与雷云同号的线密度为的剩余电荷,它们将在地面上感应出与自身极性相异的电荷。进入主放电阶段后,先导通道与大地突然连通,大量电荷将沿着通道朝对方运动,如图1.1(a)所示,负电荷和剩余电荷将相互抵消,这一过程本质上可以看作电流波从下开始朝上运动,其值为:
(1.1)
式中为逆向主放电发展速度,m/s。


- (b)
图1.1 雷电过电压的形成
(a)先导放电;(b)Peterson等值电路
在被雷击处点A和地面之间串联了一个阻值为R的电阻,它既可以表示被击物的接地电阻,也可以表示其波阻抗。研究表明:当R的值较小时,接地电阻的值几乎不影响雷电过电压的幅值;但当R大到接近甚至超过雷道波抗时,雷电过电压的幅值将明显减小。
一般而言,我们很难通过仪器手段直接测得雷电放电过程中式(1.1)内和的确切数值,但主放电阶段从R上流过的电流幅值I比较容易测得。当主放电阶段中雷电冲击波传播到接地电阻上时,点的电位将会瞬变为,因此可以以点电位来创建雷击过程的仿真模型。由此,可以把主放电过程看作一个极性为负的波从雷云出发顺着雷道波阻抗向被击线路传播的过程,即图1.1(b)所示的Peterson等值电路模型的电压源形式和电流源形式。
下面以云地之间的线状雷电为例来分析雷电放电过程[[8]]:
(1)先导放电阶段
当雷云中电荷富集的区域场强大到足以击穿空气()时,就会出现朝下发展的先导放电。刚开始,先导只是没有固定目标地往下伸展,每级长度约,其间有的间隔,平均发展速度只有,出现的电流大小也只有数十。
(2)主放电阶段(回击)
当先导流注接近地面时,地面上物体尖端周围的场强在引发初崩后继续进行积聚,并发出朝上发展的流注。先导通道的长度可达数km,而半径却仅有数cm,这就相当于一条线路阻抗为雷道波阻抗的分布参数线路。当迎面先导与朝下发展的先导通道接通时,异号电荷将互相抵消并产生强烈的电磁波辐射,引起极大的电流,一般可达数百,这就是雷电放电过程的主放电阶段。主放电阶段可以看作一个电流波沿着这条分布参数线路不断发展的波过程,这一过程完成极快,一般只持续,但其速度高达。
(3)余辉放电阶段
以上是毕业论文大纲或资料介绍,该课题完整毕业论文、开题报告、任务书、程序设计、图纸设计等资料请添加微信获取,微信号:bysjorg。
相关图片展示:







您可能感兴趣的文章
- 一种确定磁探针集总电路参数的标定方法外文翻译资料
- 一种人体可接触的大气压低温等离子体射流装置研究(适合电气B方向)毕业论文
- 氩氧中大气压DBD放电特性研究(适合电气B方向)毕业论文
- 大气压氩等离子体射流放电影响因素的仿真研究(适合浦电气B方向)毕业论文
- 含氧高活性均匀DBD改性聚合物薄膜研究(适合浦电气B方向)毕业论文
- 反应器结构对气液两相DBD放电特性的比较(适合浦电气B方向)毕业论文
- 南京某公司研发楼电气设计毕业论文
- 金帆北苑地块经济适用住房——02栋商住楼电气设计(适用于浦电气1004~06A方向学生)毕业论文
- 扬州人武部大楼电气设计毕业论文
- 金帆北苑地块经济适用住房——04栋商住楼电气设计(适用于浦电气1004~06A方向学生)毕业论文


