基于Labview的扫描磁场及电源的监测系统设计与实现毕业论文
2020-02-18 11:08:44
摘 要
质子治疗装置中,扫描电源为扫描磁铁供电,在磁铁间隙产生磁场。扫描磁铁的磁场分布及大小是影响质子束偏转位置的主要因素。因此,对扫描电源电流以及扫描磁铁磁场进行实时监测具有十分重大的意义。本设计采用Pyramid公司的电子设备,结合LabVIEW良好的人机交互和用户接口,研究开发了一套扫描磁场及电源的监测系统,对其功能做了初步的验证。
为了确保质子束能精确地偏转到指定的位置,本文采用基于霍尔效应的霍尔探头实时监测磁铁磁场,采用基于磁通门原理的电流传感器实时监测电源电流,并把磁场数据实时传输到上位机。
系统硬件部分由上位机、实时环路控制器、通用I/O设备、电流源、电流传感器和霍尔探头组成。本文利用设备技术文档给出的TCP/IP网络通信协议,在Windows环境下,采用LabVIEW程序在系统各个层级之间进行数据传输和控制。
系统软件部分采用LabVIEW作为开发语言。上位机界面设计主要包括三个模块:显示及控制模块对电源进行模拟控制使之产生所需的阶梯电流并且对电流传感器、霍尔探头回读的电流值、磁场值进行实时显示;数据文件读写模块随时对监测数据和监测文件进行保存和回读;报表生成模块生成报表对回读值与实际值进行比较。最终通过对监测系统平台的搭建与测试说明其满足精度要求并且验证了各项功能。
关键词:扫描磁铁磁场;扫描电源电流;LabVIEW;上位机;监测系统
Abstract
In the proton therapy device, the scanning power source supplies a magnetizing current to the magnet and generates a magnetic field in the gap of the magnet. The magnetic field distribution and size of the scanning magnet are the main factors affecting the deflection position of the proton beam. Therefore, real-time monitoring of the scanning power supply current and the magnetic field of the scanning magnet is of great significance. This design uses the electronic equipment of Pyramid Company, combined with the good human-computer interaction and user interface of LabVIEW, research and development of a monitoring system for scanning magnetic field and power supply, and preliminary verification of its function.
In order to ensure that the proton beam can be accurately deflected to the specified position, the Hall effect-based Hall probe is used to monitor the magnetic field of the magnet in real time. The current sensor based on the fluxgate principle is used to monitor the power supply current in real time and transmit the magnetic field data to the upper position in real time. machine.
The hardware part of the system consists of a host computer, a real-time loop controller, a general-purpose I/O device, a current source, a current sensor, and a Hall probe. This paper uses the TCP/IP network communication protocol given in the device technical documentation. In the Windows environment, the LabVIEW program is used to transfer and control data between all levels of the system.
The system software part uses LabVIEW as the development language. The upper computer interface design mainly includes three modules: the display and control module simulates the power supply to generate the required step current and displays the current value and the magnetic field value read back by the current sensor and the Hall probe in real time; the data file is read. The write module saves and reads back the monitoring data and the monitoring file at any time; the report generation module generates a report to compare the readback value with the actual value. Finally, through the construction and testing of the monitoring system platform, it shows that it meets the accuracy requirements and verifies the functions.
Key Words:Scanning magnet field; Scanning supply current; LabVIEW; host computer; monitoring system
目录
摘要 I
Abstract II
第1章 绪 论 1
1.1研究背景与目的 1
1.2国内外研究现状与趋势 1
1.3主要研究内容 2
第2章 监测系统方案与平台选择 4
2.1监测系统总体方案 4
2.1.1需求分析 4
2.1.2 系统方案确定 4
2.2 EPICS与LabVIEW介绍 5
2.2.1 EPICS介绍 5
2.2.2 LabVIEW特点 5
2.3 数据类型与传输机制的选择 5
第3章 监测系统设计 7
3.1与EPICS控制系统对接 7
3.2上位机功能设计与实现 8
第4章 监测系统平台搭建与性能测试 12
4.1 平台框架 12
4.2平台各模块主要参数 13
4.3测试结果 15
4.3.1 电流源模拟电压控制测试 15
4.3.2数据文件存储与回读测试 17
第5章 总结和展望 19
致谢 20
参考文献 21
绪 论
1.1研究背景与目的
质子治疗是当今肿瘤治疗领域中一种新兴的治疗手段。与传统的放射治疗手段相比,质子治疗由于Bragg峰[1]的存在从而可以精准地调节在人体内的剂量分布,使得肿瘤部位的剂量最高,这样对肿瘤周围正常组织的损伤就降到了最低。
质子治疗的过程复杂而又漫长。质子束从产生到达到肿瘤区域,需要一系列的部件分工明确、协同配合才能实现,这些部件组合到一起就是一套完整的质子治疗装置[2]。一般质子治疗装置由质子加速器、束流传输系统、治疗头系统、治疗控制系统等部分组成[3]。
治疗头是质子治疗装置中极为关键的一环,扮演着十分重要的角色。从加速器引出的束流不满足治疗要求,需要通过治疗头对束流性能进行转换后才能对肿瘤进行直接照射。将束流扩展为指定的形状是治疗头的重要功能之一[4],束流配送方式有散射束和扫描束两种。本论文主要考虑的是扫描束情况。扫描型治疗头由扫描单元、剂量监测单元、位置监测单元和束流调制单元等组成。如图1-1所示,扫描磁铁主要包括竖直方向扫描二极铁(简称SMY)和水平方向扫描二极铁(简称SMX)。束流经过磁铁间隙中的磁场时,在洛伦兹力的作用下在垂直于磁场的平面上发生偏转[5]。改变磁铁间隙磁场大小,质子束将实现在Y方向和X方向上扫描照射目标靶体[6]。

图1-1 实现束流扩展的结构图
面对病人的生命,治疗头的每一项性能指标都有着非常严格的要求。因此,设计一套监测系统对扫描磁铁及电源进行实时监测与回读显得尤为重要。需要监测的两个重要指标分别是扫描磁铁的磁场强度以及电源的输出电流。
1.2国内外研究现状与趋势
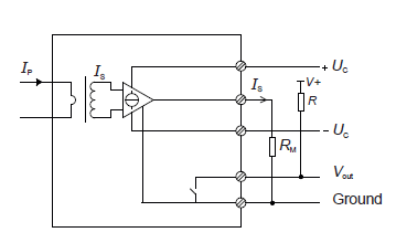
扫描电源的输出电流直接影响人体的吸收剂量,对其实时监测至关重要。电流测量的历史十分悠久。20世纪初期,人们开始采用电流互感器和罗氏线圈对电流进行测量[7];到了20世纪30年代,人们开发出了高精度直流互感器和磁通门传感器,它们的出现使得测量直流大电流成为可能;20世纪七十年代至今,基于磁电阻效应的感应单元逐渐在电流传感器中得到广泛应用。然而,电流互感器有一个无法忽视的缺点,其磁路饱和导致励磁电流并不是线性的,这可能使得电流的测量无法满足精度要求。中国科学院电工研究所研制的直线发电机平台中的测控平台[8]采用LEM-LST6电流传感器来对电流进行检测。它同时兼备反应迅速和测量范围宽的优势。此外,其被测电路与传感器电路之间是隔离的,对被测电路的影响几乎可以忽略。山西省煤炭规划设计院的王成龙提出在矿用卡车变频驱动系统[9]中采用LEM电流传感器监测三相输出电流等电流成分,极大地提高了系统的可靠性和安全性。本设计同样采用基于磁通门原理的 LEM 传感器来完成对电流的检测。与传统的电流互感器相比,LEM传感器将普通互感器与电子电路进行了完美的结合[10],因而它不仅对小电流和大电流都能进行测量,而且响应速度极快,是电流测量的不二之选。
扫描磁铁在质子治疗装备中属于关键设备之一,其磁场强度将决定束流偏转的位置,也是最关心的技术指标之一。扫描磁铁的磁场范围较大,必须使用高强度的磁场传感器测量。高强度磁场传感器包括簧片开关、半导体锑化铟磁力计、霍尔装置和GMR传感器[11]。霍尔磁场传感器基于霍尔效应制成,性能十分优异,在磁场测量中得到了广泛应用。湖南师范大学的曾娅娟提出了一种基于线性霍尔传感器磁场检测的原理的液体低流速测量方法[12]。与普通的机械式流速仪不同的是,该方法在转轴上同轴安装了一个径向充磁的圆环形磁体,同时在圆周上的检测位置安装了一个AH49E型线性霍尔传感器。在磁性转子不断旋转的情况下,传感器所探测到的磁场强度也随之发生变化。在质子治疗领域,日本三菱公司设计了照射束流位置反馈控制系统[13-14]。其把霍尔探头安装在扫描磁铁中心位置的真空盒外侧[15],用于磁感应强度的测量。本设计测量磁场所采用的H20双通道磁场霍尔探头可以使用两个独立通道同时对两个扫描磁铁进行精确磁场测量,具有极低的漂移,噪声和温度系数。它可实现快速模拟输出,光纤数据通信到主机环路控制器,通过主机实现实时现场监控。
对于磁场测量而言,霍尔装置目前应用最为广泛,但其灵敏度不高,噪声严重影响了测量精度,静态偏移也是不容忽视的问题。因此,今后改善霍尔器件的方向为提高灵敏度,降低偏移的影响,减小噪声对测量的干扰。对于电流测量而言,磁通门传感器具有高性能的特点,能够满足大部分应用的需要。但其最大的缺陷是可能会有电压噪声反馈到被测原边电流上,而且其成本高,控制电路复杂,次级线圈的分布电容影响电流传感器的测量带宽。近年来,MEMS技术逐渐走进了人们的视野,一旦将芯片与标准磁通门传感器进行有机结合,成本将会大幅度降低。
1.3主要研究内容
针对质子治疗系统中的扫描磁铁磁场及电源监测的需求,本论文将研究如何设计一套扫描磁铁磁场及电源监测系统,实现扫描磁铁及电源运行状态的全面管理与监控功能。我们通过上位机控制电流源快速输出扫描磁铁电源电流设定值并通过电流传感器、霍尔探头回读实际电流值、扫描磁铁磁场值以验证输出电流值、磁场值的正确性。我们将两部分的功能整合到扫描磁场及电源监测系统中实现。
构建扫描磁场及电源监测系统的主要目的在于及时地了解扫描磁铁及电源的运行状态,实现束流的稳定输出。本论文中,扫描磁场及电源监测系统框架如图1-2所示。上位机通过基于LabVIEW开发的用户界面控制整体系统运行,同时传输监测所需的监测参数到A560实时控制器并存储电流传感器产生的回读电流与H20霍尔探头产生的回读磁场数据作为记录文件。A560实时控制器中的A60通信系统承担电流源与上位机之间、传感器终端与上位机之间数据缓冲的任务;并作为中间层设备与M10通信。模数/数模转换模块M10将A560传输的数字信号转换为模拟信号传输给电流源,将电流传感器 、H20霍尔探头采集到的模拟信号转换为数字信号传回A560。电流传感器与H20霍尔探头则负责采集需要监测的电流值、磁场值并回传给M10。

图1-2 系统框架
主要研究内容包括:
(1)系统内部不同层级之间数据传输机制、通信机制、数据类型的选择;
(2)完成基于LabVIEW的扫描磁场及电源的监控平台软件设计;
(3)根据扫描磁体电源所需的阶梯信号,产生0-2V模拟控制电压信号输入,对实际电流源进行编程控制,实现可调的扫描电流信号输出;
(4)采用电流传感器对扫描磁铁电流源进行回读监测与显示;
(5)采用霍尔探头对扫描磁铁磁场进行回读监测与实时显示。
第2章 监测系统方案与平台选择
2.1监测系统总体方案
2.1.1需求分析
本论文旨在对实际电流源进行编程控制,实现可调的扫描电流信号输出并且监测扫描磁铁磁场值及电源输出电流值。在质子治疗中,控制系统将自动根据治疗计划确定扫描磁铁电流波形并实时回读监控,无需通过上位机界面实时手动改变。由于只做功能性验证,本论文对这一过程进行简化,只需人为设置0-2V模拟阶梯电压信号来控制实际电流源。其次,上位机发出的是数字控制信号,而我们对电流源进行的是模拟电压控制,因此需要一个数模转换模块将数字信号转换为模拟信号,同时需要一个实时控制器把数字信号从上位机传输至数模转换模块,承担数据缓冲的任务。数字控制信号经过数模转换模块后输出相应的模拟电压至电源,其中模拟电压值应与目标电流值成比例。输出的电流作用于负载。采用电流传感器采集电源电流,采用霍尔探头采集扫描磁铁磁场。电源电流值与扫描磁铁磁场值输出到模数转换模块中进行AD转换,并通过实时环路控制器把采集到的数据显示到上位机界面。
另一方面,系统的开始与停止都需要由操作员控制,所以上位机还需要一个用户交互界面。该界面可以接收并显示实际回读的电流波形、磁场波形、设置输出的模拟电压波形以及计算得到的理想输出电流值和扫描磁铁磁场值。此外,在用户交互界面还需要完成系统的初始化、系统监测参数设定、系统开始、退出指令发布、数据记录文件存储与读取等等。
2.1.2 系统方案确定
基于需求分析论证,本论文采用运行Windows操作系统的上位机,控制设备采用Pyramid公司提供的产品包括A560实时环路控制器、M10模数数模转换模块和H20霍尔探头。电流传感器采用LEM公司的IT系列高精度传感器。Pyramid设备控制分为本地模式和远程模式。在本地模式下,Pyramid公司提供了一款名为PTC DiagnosticG2的诊断软件,只能在该自带的控制系统界面上对设备进行实时控制,且功能十分有限,无法满足质子治疗计划需要。在远程模式下,本地控制计算机通过以太网利用TCP/IP实现与Pyramid设备的通信,进而实现在远程控制界面上对设备的工作状态进行实时显示和控制。自行开发一套远程控制系统来满足质子治疗多样化的功能需求,这正是本文的核心任务所在。
鉴于此,本文设计了基于实验物理和工业控制系统(EPICS)的扫描磁场及电源监测系统。该系统利用TCP/IP协议[16]对扫描磁铁及电源状态量进行实时在线监测。
EPICS社区提供了广泛的客户端接口,包括C ,C#,Java,Python,LabVIEW和Matlab的接口。本文使用LabVIEW开发上位机软件。
2.2 EPICS与LabVIEW介绍
2.2.1 EPICS介绍
EPICS即实验物理和工业控制系统(Experimental Physics and Industrial Control System)[17]。它是一个一整套的开源软件工具,库和应用程序。EPICS在全球范围内用于为粒子加速器、望远镜等大型科学实验创建分布式软实时控制系统。EPICS使用客户端/服务器和发布/订阅技术在各种计算机之间进行通信。大多数服务器(称为输入/输出控制器或IOC)执行实际的I / O和本地控制任务,并使用通道访问(CA)网络协议将此信息发布到客户端。CA专为EPICS所用的高带宽,软实时网络应用而设计,也是可用于构建包含数百台计算机的控制系统的一个原因。
2.2.2 LabVIEW特点
LabVIEW(Laboratory Virtual Instrument Engineering Workbench)[18]与大多数采用文本开发程序的语言不同,它是一种图形化的编程语言。LabVIEW 则采用数据流编程方式,程序框图中节点之间的数据流向决定了VI及函数的执行顺序。VI指虚拟仪器,是LabVIEW的程序模块。
LabVIEW提供了许多虚拟仪器诸如信号发生器、示波器,它们的外观和功能与传统仪器并无两样,在创建界面时为开发者提供了极大的便利。在LabVIEW中,用户界面又被称为前面板。在不同之间图标之间通过线段进行连接,使不同对象之间产生联系从而进行控制。这就是图形化源代码,又称G代码。与之极为相似的流程图同样由数据流向决定执行顺序,因此它又被称作程序框图代码。
2.3 数据类型与传输机制的选择
上位机是整个监测系统的核心,不但下位机采集到的数据都要传递到上位机进行动态显示,而且下位机的运行过程必须听从上位机的指令。因此上位机和下位机之间涉及到数据类型与传输机制的选择。选择合适的数据数据传输机制不仅可以显著提高传输速度。而且极大地节约了空间。只有合适的数据传输机制没有合适的数据类型并不能保证通信的完美实现,两者缺一不可。
以上是毕业论文大纲或资料介绍,该课题完整毕业论文、开题报告、任务书、程序设计、图纸设计等资料请添加微信获取,微信号:bysjorg。
相关图片展示:
![C:\Users\DELL\AppData\Roaming\Tencent\Users\772676064\QQ\WinTemp\RichOle\JVSP_P7D]{UUUKO44BUY@6X.png](http://www.biyelunwen.org/wp-content/uploads/2020/02/lw8841_202021811842670.png)

![C:\Users\DELL\AppData\Roaming\Tencent\Users\772676064\QQ\WinTemp\RichOle\HK[M(KKV$QQ6F]AIBPF3]NS.png](http://www.biyelunwen.org/wp-content/uploads/2020/02/lw8841_202021811842739.png)
![C:\Users\DELL\AppData\Roaming\Tencent\Users\772676064\QQ\WinTemp\RichOle\U11V9ZMCHI1B]P[Y9WBY01D.png](http://www.biyelunwen.org/wp-content/uploads/2020/02/lw8841_202021811842756.png)
![C:\Users\DELL\AppData\Roaming\Tencent\Users\772676064\QQ\WinTemp\RichOle\QSN)O[]_R8R%)6GW)[UWVYV.png](http://www.biyelunwen.org/wp-content/uploads/2020/02/lw8841_202021811842774.png)


您可能感兴趣的文章
- 一种确定磁探针集总电路参数的标定方法外文翻译资料
- 一种人体可接触的大气压低温等离子体射流装置研究(适合电气B方向)毕业论文
- 氩氧中大气压DBD放电特性研究(适合电气B方向)毕业论文
- 大气压氩等离子体射流放电影响因素的仿真研究(适合浦电气B方向)毕业论文
- 含氧高活性均匀DBD改性聚合物薄膜研究(适合浦电气B方向)毕业论文
- 反应器结构对气液两相DBD放电特性的比较(适合浦电气B方向)毕业论文
- 南京某公司研发楼电气设计毕业论文
- 金帆北苑地块经济适用住房——02栋商住楼电气设计(适用于浦电气1004~06A方向学生)毕业论文
- 扬州人武部大楼电气设计毕业论文
- 金帆北苑地块经济适用住房——04栋商住楼电气设计(适用于浦电气1004~06A方向学生)毕业论文


