风冷式变压器温度控制器设计毕业论文
2020-02-18 11:08:25
摘 要
在当今社会,人类生活中的各种生产及生活活动都离不开电。大到工业活动的开展,小到人们日常生活,都离不开电。既然电对人类社会这么重要,那么拥有可靠的电力供应便显得十分重要了。我们都知道电的使用分为好几部分,从发电、输电到配电,各个环节都需要可靠运行,才能保证人类社会正常生产及生活的进行。在电力能源从发电厂到用户家,电力变压器充当着关键的一环。从刚开始的升压传输到用户端的降压配电,变压器的应用降低了电力传输成本,使得电力得以大范围推广使用。因此,保障电力变压器的安全稳定运行就显得尤为重要。而变压器的寿命又很大程度取决于它自身的工作温度,故控制好变压器的冷却控制器对整个电力控制器意义重大。根据以往变压器存在的问题,设计了一个温度控制器。该控制器以单片机为处理控制核心,采用温度传感器检测三相变压器的绕组温度,对其进行计算处理并控制变压器的冷却控制器确保变压器安全运行。为方便使用,还加入了LED显示和按键设置功能,并设置了故障自动报警功能,使得变压器的安全得到进一步的保障。
关键词:变压器温度控制;单片机;风机;油温采集
Abstract
In today's society, all kinds of production and life activities in human life are inseparable from electricity. From industrial activities to people's daily life, electricity is indispensable. Since electricity is so important to human society, it is very important to have reliable power supply. We all know that the use of electricity is divided into several parts, from power generation, transmission to distribution, each link needs reliable operation, in order to ensure the normal production and life of human society. Power transformer plays a key role in power energy from power plant to user's home. From the initial boost transmission to the user's step-down distribution, the application of transformers reduces the cost of power transmission, making power widely used. Therefore, it is particularly important to ensure the safe and stable operation of power transformers. The life of transformer depends on its working temperature to a great extent, so it is of great significance to control the cooling system of transformer for the whole power system. According to the existing problems of transformers in the past, a temperature controller is designed. The controller takes the single chip computer as the processing control core, uses temperature sensor to detect the winding temperature of three-phase transformer, calculates and processes it, and controls the cooling system of transformer to ensure the safe operation of transformer. In order to use conveniently, the functions of LED display and key setting are added, and the function of automatic fault alarm is set up, so that the safety of transformer is further guaranteed.
Key Words: transformer temperature control; microcontroller; fan; oil temperature acquisition
目 录
摘 要 I
Abstract II
第1章 绪论 1
1.1 研究背景 1
1.2 研究内容 1
1.3 论文结构 2
第2章 控制器设计方案 3
2.1 变压器传统风冷的一般原理 3
2.2 变压器温度控制器的设计方案 3
2.3 温度控制器原理分析 4
第3章 元件选择及硬件电路 6
3.1 元件选择 6
3.1.1 单片机的选择 6
3.1.2 温度传感器的选择 7
3.1.3 看门狗电路芯片选择 8
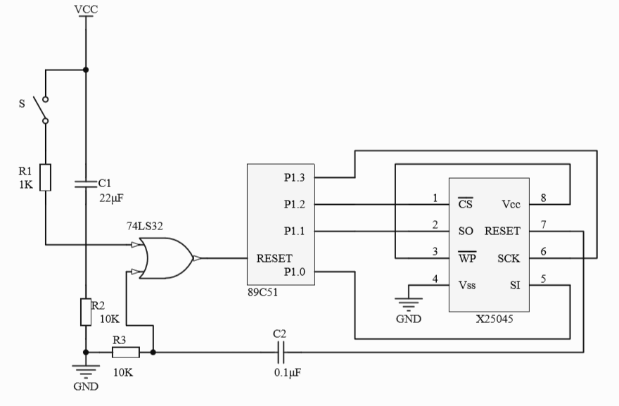
3.2控制器硬件电路设计 10
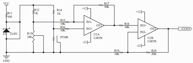
3.2.1 温度检测电路 10
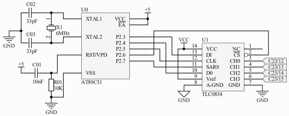
3.2.2 A/D转换模块电路 12
3.2.3 人机交互电路 12
3.2.4 电源模块 14
3.2.5 温度控制模块电路 15
第4章 软件设计部分 18
4.1 软件流程概述 18
4.2 软件实现的主要功能 18
4.3 软件主要模块流程图 19
4.3.1 初始化模块 19
4.3.2 主程序流程 20
4.3.3 中断概述及串行中断复位模块 20
4.3.4 通信模块 22
4.4 软件各子程序流程图 25
4.4.1 温度查询及显示子程序 25
4.4.2 键值响应子程序 26
4.4.3 温度控制子程序 27
第5章 结论 28
参考文献 29
致 谢 36
第1章 绪论
1.1 研究背景
电力变压器是电力控制器中重要的一次设备,在生活中应用广泛。然而在变压器工作时,因为各线圈内电流和电磁场的相互作用会导致电能的损耗,而损耗的电能大部分转化为热能,通过传导、对流和热辐射的方式由发热点向外传播到大气中。变压器的温度会在这些能量在传递的时候升高,而变压器的寿命会随着绕组温度的升高而缩短。变压器的损耗发热与其自身容量、损耗参数、负载大小及运行环境等密切相关,变压器的损耗随其容量的增大而增大。如果仅仅依靠变压器的箱壁和散热器来进行散热已满足不了变压器的散热要求,因此需要采用子循环风冷或者强迫油循环风冷,用油泵将吸收了热量的油经过强风冷却器后再送回变压器。变压器冷却控制器的好坏直接决定了变压器的使用寿命,保证变压器的冷却对于电力控制器安全可靠运行有着非常重要的意义。
发电厂或变电所中的风冷式变压器采用多组风机降低温度,用风机将变压器的油温控制在额定范围内,以确保变压器的正常运行。精确控制变压器温度可提高变压器的使用寿命,而且可以提高电力控制器运行的安全性。除此之外,变压器的绝缘控制器也会随着温度的升高而加速老化,且这种老化是不可逆的,甚至有可能导致绝缘控制器失去绝缘性能,危害电力设备的正常运行,缩短变压器的使用寿命,造成不必要的损失。
近年来,随着科技的不断进步发展,温度控制器正在以极快的速度向小型化、智能化发展。故而针对变压器运行过程中的温度变化,可以使用智能温度控制器,实现对变压器温度的自动采集、显示及控制风机的启停来控制变压器的温度。变压器的智能化的温度控制器主要包含传感器、单片机组成的控制器和输出继电器三大部分。通过传感器测取变压器被测点的温度,经与温度控制器内部所预先设定得门限温度比较后,输出控制风机继电器触点、高温报警继电器和超温跳闸继电器触点的开合的信号,实现对变压器绕组温度的监控,防止变压器因过热而损坏,保证变压器的设计使用寿命。[1]
1.2 研究内容
当今社会,电力与我们的生活息息相关,想要进行正常的生产活动与生活,电力供给的可靠性及电力供给的安全性就显得分外重要。而电力变压器是电力控制器中必不可少的一环,因此电力变压器的安全问题就需要特别注意。目前为止仍然有相当数量的油浸风冷式变压器由电接点式温度采集、显示变压器油温,进而控制风机的启停,以此完成对变压器的温度控制。然而,这种控制方式是在变压器油温大于上限温度时启动全部风机,一直到油温降到下限温度时停止。在实际运行过程中,风机全部同时投入,会导致控制器内产生较大的冲击电流,不利于电力控制器的安全稳定运行。
基于上述问题及任务书,本设计需要实现一款以单片机为核心的集成温度控制器,对现有落后的变压器温度控制器进行自动化改造。主要工作有:
- 针对任务书所给的要求展开调研,对所要做的设计所需的变压器部分的材料进行收集,了解常规温度控制器的设计思路,结合任务书得出整体设计方案。
- 在得出整体设计方案后,分析方案并给出初步的硬件电路设计。阐述主要硬件的选型并讲明其主要特点,包括单片机的选型、看门狗电路芯片的选择、A/D转换电路芯片的选择、显示电路芯片的选择、温度传感器的选择。
- 根据硬件电路的设计,使用所采用的的芯片完成各模块电路功能。
- 根据电路设计合理的电源模块,保障控制器的安全可靠运行。
- 软件部分的设计。主要包括针对硬件电路及功能设计软件流程,得出各程序的流程图。
1.3 论文结构
设计可分为五个大的部分,各部分大致内容安排如下:
第一章是绪论,其作用主要是说明研究的背景和实际意义,并展望全文,对设计的整体结构进行概述。
第二章是整体设计方案的说明,通过与传统冷却方式对比,展现设计的进步之处。
第三章是对着第二章给出的设计方案,给出控制器的硬件电路设计思路。主要有单片机的选型、温度采集电路设计、看门狗电路、人机交互电路、主回路设计、电源电路设计。
第四章是与硬件相配合的软件部分的说明,主要是分析软件各模块的功能,并画出相应的程序流程图。
第五章为总结,总结自己在毕业设计中的成长,在其中还存在哪些不足之处,并对未来进行展望。
第2章 控制器设计方案
2.1 变压器传统风冷的一般原理
在传统的风冷式变压器中,变压器是根据油温及负荷情况来决定风机的启停。其主要手段是通过接触器对风机回路进行控制,主要工作原理如图2.1所示。主电路的控制元件是接触器,而风机的启停则是由机械触点来完成,因而此种控制方式只能靠人工方式完成。除此之外,风机通常是全部投入或全部停止,在启动时产生的冲击电流会损伤器件。变压器以此种方式运行会导致风机缺乏必要的保护,进而使控制器运行的不可靠性及不稳定性提高。
图2.1 变压器传统风冷工作原理图
2.2 变压器温度控制器的设计方案
温度控制器使用单片机做核心处理单元,采用温度传感器检测获取温度信息。为采集变压器三相绕组的温度,使用将传感器直接埋入其绕组,对绕组温度直接进行测量。除此之外,温度控制器还对环境温度进行测量。在得到传感器测得的温度信息后,控制器还能对所测得的温度信息进行LED显示。风机作为变压器的主要冷却控制器,温度控制器的手段就是控制风机来实现所需的效果。除此之外,还可通过按键对环境温度及变压器三相温度进行设置和切换显示。控制器还具有异常状况报警功能,在变压器风机出现故障时发出报警信号,保障电力设备的安全。
控制器的单片机核心采用AT89C51,采用PT100铂热电阻温度传感器作为温度检测传感器。主要可实现的功能有:
- 变压器三相绕组温度的巡回显示、最高温度显示及切换显示的功能;
- 根据设定好的门限温度自动控制风机的启动与停止,将变压器的温度控制在一定的范围内,保障电力变压器的安全运行。此外,还有风机工作指示灯伴随风机工作而显示相应的状态;
- 高温报警、超温跳闸及故障显示功能。当发生上述状况时,控制器会伴随不同的蜂鸣警报音及相应指示灯,警醒工作人员处理相应状况。
2.3 温度控制器原理分析
本设计以SZ11-50000kVA/110kV的油浸式风冷电压器为例,针对其实际参数进行变压器温度控制器的设计。该型号变压器的温升限值工作环境条件为:
- 温升限值(K)如表2.1所示:
表2.1 温升限值
顶层油 | 55 |
绕组(平均) | 65 |
绕组(热点) | 78 |
油箱、铁芯及金属结构件表面 | 75 |
- 工作环境条件如表2.2所示:
表2.2 变压器工作环境条件
环境温度 | 最高日温度 | ℃ | 40 |
最低日温度 | -35 | ||
最大日温差 | K | 25 | |
月平均最高相对湿度,20℃以下(%) | 日相对湿度平均值 | % | lt;=95 |
月相对湿度平均值 | lt;=90 |
本设计的风冷式变压器温度控制器,包含了四个温度传感器,分别测量环境温度及变压器三相绕组油温。针对变压器三相绕组的温度控制问题,这里采用综合控制(即根据三相绕组油温及环境温度综合控制)的方法,工作人员可通过键盘设置4级门限温度:
T1:风机停止温度;
T2:风机启动温度;
T3:高温报警温度;
T4:超温跳闸温度。
后三路测量变压器三相绕组油温,实时采集其温度变化并将信号经前级电路处理后送到A/D转化模块,经过转化后送入到单片机。经单片机处理后送至数码管显示。其中,将测得温度中的最大值与设定的温度门限T1、T2、T3、T4比较,当:
- lt;T1时,即变压器内绕组最高温度低于风机停止温度,风机停止运行;
- gt;T2时,即变压器内绕组最高温度高于风机启动温度,风机启动开始降温;
- gt;T3时,即表示变压器内绕组温度在风机启动降温后温度并没有降下来,且超过了高温报警温度门限,高温报警电路触发,发出警报信号,警示值班人员检查负载或设备有无异常;
- gt;T4时,即表示变压器温度已经超出超温跳闸温度门限,此时,控制器发出跳闸信号,跳闸以保护设备。
由第一路测量得到的环境温度信息,同后三路一样,先由前级电路处理送到A/D转换模块,处理以后送到单片机中。单片机通过计算判断测得温度与设定温度,发出相应控制指令,并输出信号送至LED显示模块进行环境温度的显示。
除此之外,控制器还可在风机故障时自动检测并发出报警信号。
控制器的故障原理如图2.2所示。

图2.2 控制器工作原理图
第3章元件选择及硬件电路
3.1 元件选择
单片机的选择
本设计的温度控制器的核心处理元件采用单片机,对控制器整体进行协调、运算处理和控制。本设计选用AT89C51作为核心处理元件。该单片机是一种高效率微型控制器,将多功能CPU与闪烁存储器合而为一。AT89C单片机为很多嵌入式控制器提供了一种灵活性高且价廉的方案。[2]
其主要特性为:
- 与MCS-51兼容
- 4K字节可编程闪烁存储器
- 寿命:1000写/擦循环 数据保留时间:10年
- 全静态工作:0Hz-24Hz
- 三级程序存储器锁定
- 128*8位内部RAM
- 32可编程I/O线
- 两个16位定时器/计数器
- 5个中断源
- 可编程串行通道
- 低功耗的闲置和掉电模式
- 片内振荡器和时钟电路
AT89C51的引脚图如图3.1所示。
图3.1 AT89C51引脚图
温度传感器的选择
电阻式温度传感器(RTD, Resistance Temperature Detector),是一种物质材料做成的电阻。其阻值随温度的变化而变化,若其阻值与温度成正相关则称为正温度系数电阻,若成负相关则称其为负温度系数电阻。[3]绝大部分电阻式温度传感器是用金属做成的,其中以铂(PT)做成的电阻式温度传感器,最为稳定,不仅耐酸碱,还不会变质,为工业界广泛采用。
作为一个温度控制器,精确地温度测量是必要的。而PT100铂热电阻温度传感器测量精度高、稳定性好。故本设计选用PT100铂热电阻温度传感器作为控制器的温度传感器。PT100温度传感器是一种用金属铂(Pt)做成的电阻式温度传感器,属于正温度系数电阻,其电阻特性方程为:R=Ro(1 αT),其中α=0.00392,为100Ω(即PT100在0℃时的电阻值,因此又被称为PT100),T为摄氏温度。[4]PT100是一种稳定性和线性都比较好的热电阻传感器,其工作温度范围可由-200℃至650℃,精确度可达到0.5%FS。其电阻特性方程如下:
工作在-200℃~0℃时,
以上是毕业论文大纲或资料介绍,该课题完整毕业论文、开题报告、任务书、程序设计、图纸设计等资料请添加微信获取,微信号:bysjorg。
相关图片展示:







您可能感兴趣的文章
- 一种确定磁探针集总电路参数的标定方法外文翻译资料
- 一种人体可接触的大气压低温等离子体射流装置研究(适合电气B方向)毕业论文
- 氩氧中大气压DBD放电特性研究(适合电气B方向)毕业论文
- 大气压氩等离子体射流放电影响因素的仿真研究(适合浦电气B方向)毕业论文
- 含氧高活性均匀DBD改性聚合物薄膜研究(适合浦电气B方向)毕业论文
- 反应器结构对气液两相DBD放电特性的比较(适合浦电气B方向)毕业论文
- 南京某公司研发楼电气设计毕业论文
- 金帆北苑地块经济适用住房——02栋商住楼电气设计(适用于浦电气1004~06A方向学生)毕业论文
- 扬州人武部大楼电气设计毕业论文
- 金帆北苑地块经济适用住房——04栋商住楼电气设计(适用于浦电气1004~06A方向学生)毕业论文


