改进型单周期控制的有源滤波器的设计与仿真毕业论文
2020-02-18 11:08:08
摘 要
由于在电力系统中广泛使用非线性负荷,电能质量大幅度下降,影响到供电设备的运行,降低了人们的生活质量。有源滤波器(APF)作为改善电能质量、抑制谐波的有效方法,受到了广泛关注。APF的谐波检测和控制方法不仅影响其补偿性能,而且还决定了应用范围。单周期控制是一种的控制方法,因为其电路结构简单、没有稳态误差和暂态误差动态、响应快等优点[1],目前广泛用于电路的控制当中。
单周期控制是一种非线性控制,通过调节开关元件的导通时间,使每一个周期内开关变量的平均值与参考信号一致,消除稳态和暂态误差。但是对于传统的单周期控制的APF而言,因为没有谐波检测电路,因此不能单独补偿谐波和无功电流,而且在电源电压存在畸变时,补偿效果将会受到很大影响,因此改进传统的单周其控制的APF,扩大其使用的范围具有很重要的意义。
针对这些缺点,本文设计了一种改进型单周期控制的有源滤波器,其中加入了周期复位积分的谐波检测环节,可以单独地对谐波或无功电流进行补偿,并且不会受到电源电压畸变的影响。
运用MATLAB搭建改进的电路模型,仿真的结果证实了设计的正确性和合理性,改善了传统的有源滤波器的缺点,具有一定的使用价值。
关键词:有源电力滤波器、谐波检测、单周期控制、MATLAB
Abstract
With the widespread use of non-linear load in power system, the power quality has seriously declined, affecting the safe and economic operation of power supply equipment, and reducing people's quality of life. Active power filter (APF), as an effective method to compensate the harmonics and improve power quality, has attracted wide attention in recent years. The harmonic detection and control method of APF not only affects its compensation performance, but also determines its application scope.One-cycle control APF has attracted much attention because of its simple circuit structure, fast dynamic response, no steady-state error and transient error.
One-cycle control is a kind of non-linear control. By adjusting the duty cycle of switching control signal, the average value of switching variables in each cycle is consistent with the reference signal. The steady-state and transient errors are also eliminated. However, the traditional one-cycle control APF has no harmonic detection circuit and can’t compensate harmonic and reactive currents separately. Moreover, when the power supply voltage is distorted, the compensation effect will be greatly affected. Therefore, it is of great practical significance to improve the traditional single-period controlled APF and expand its range of use.
In view of these shortcomings, an improved one-cycle control APF is designed in this paper, which adds a harmonic detection link of periodic reset integral to compensate harmonic or reactive current separately, and is not affected by power supply voltage distortion.
The improved circuit is built by using MATLAB/Simulink. The simulation results prove the correctness and rationality of the design. It improves the shortcomings of the traditional APF and has certain application value.
Key Words: APF, harmonic detection, one-cycle control, MATLAB
目 录
第1章 绪论 1
1.1课题研究背景 1
1.1.1电网的供电质量问题 1
1.1.2谐波对电力系统的危害 2
1.1.3无源与有源滤波技术 2
1.2有源电力滤波器的发展和现状 3
1.2.1有源电力滤波器的发展 3
1.2.2有源电力滤波器的现状 3
1.3本文研究的主要内容 4
第2章 有源电力滤波器的谐波检测 5
2.1有源电力滤波器的基本原理和类型 5
2.1.1有源电力滤波器的基本原理 5
2.1.2有源电力滤波器的基本类型 5
2.2有源电力滤波器常用的谐波电流检测法 7
2.2.1基于快速傅立叶变换的谐波检测法 7
2.2.2小波变换谐波检测法 8
2.2.3瞬时无功功率谐波检测法 8
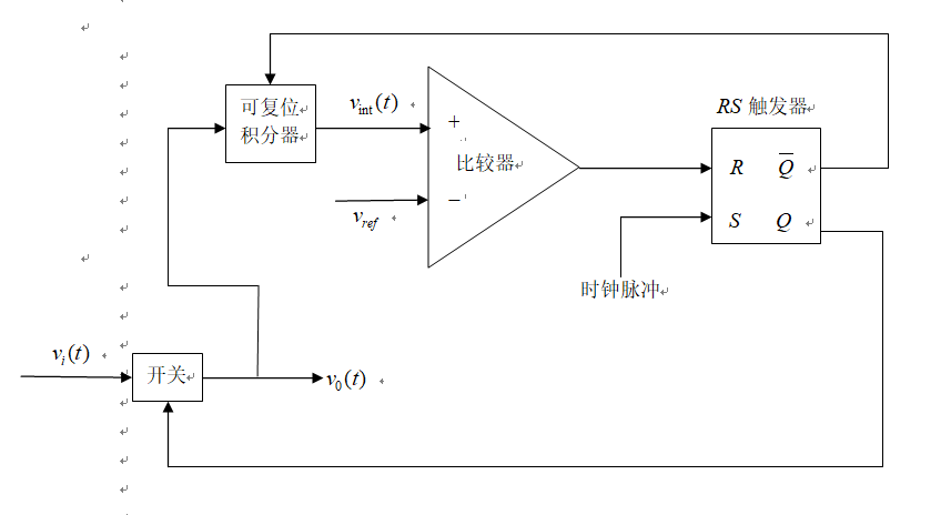
2.3周期复位积分谐波检测法 10
2.4本章小结 11
第3章 有源电力滤波器的控制方法 12
3.1有源电力滤波器常用的控制方法 12
3.1.1滞环电流控制 12
3.1.2三角波比较控制 13
3.1.3重复控制 13
3.2单周期控制法 14
3.2.1单周期控制的原理 14
3.2.2单周期控制的实现 15
3.3传统的单周期控制的有源电力滤波器 17
3.4本章小结 18
第4章 改进型单周期控制的单相有源滤波器 19
4.1单相电流型有源滤波器的分析 19
4.2基于电流检测的单相APF单周期控制的电路实现 20
4.3直流侧电压控制 22
4.4改进型单周期控制的单相有源电力滤波器的仿真 22
4.4.1单独补偿谐波时的仿真 23
4.4.2同时补偿谐波和无功电流时的仿真 25
4.4.4负载突变时的仿真结果 27
4.5本章小结 29
第5章 结论与展望 30
5.1全文结论 30
5.2有待完善的部分 30
参考文献 31
致谢 33
第1章 绪论
1.1课题研究背景
随着科学和技术的发展,一方面,威胁电能质量的因素越来越多,例如使用非线性电荷的电力装置,以及各种大规模电力设备的启动和关闭;另一方面,电气设备对电能的质量和可靠性要求越来越高,例如先进的测试工具、办公设备、计算机、通信和数据工具。这些问题之间的紧张关系日益加剧,直接损害了电网和电力系统的电力,这些问题会对人们造成潜在的生命损失和财产损失,因而电能质量与国民经济的总体利益直接相关。
1.1.1电网的供电质量问题
理想的交流电源输出电压是标准的正弦波,即正弦波上没有叠加任何谐波,且无任何瞬时扰动。实际的电网电压因为许多内部原因和外界干扰,其波形并非标准正弦波,而且受电路阻抗所限,其电压值也不是稳定不变的。造成干扰的原因很多,发电厂本身输出的交流电不是纯正的正弦波、电网中大电机的启动、开关电源的运用、各类开关的操作以及雷电等都可能对电网产生以下影响:
(1)电压浪涌(surge);
(2)电线噪声(electrical line noise);
(3)高压尖峰(spike);
(4)频率偏移(frequency variation);
(5)暂态过电压(transient);
(6)持续低电压(under voltage);
(7)电压下陷(sag or brownout)。
上述影响对计算机及其他敏感的仪器或设备造成的损害不全是相同:电源中断,可能造成硬件损坏;电压跌落,可能造成硬件提前退化、文件数据遗失[2];欠电压、过电压以及电压浪涌,可能会损害逻辑电路、存储器、驱动器,还可能产生不可意料的故障;噪声电压和瞬变电压,会损坏逻辑电路和文件数据。另外,国民经济的重要部门,如通信、金融、机场、医院、发电厂、变电站等,对电能的质量及供电可靠性都有很高的要求。
1.1.2谐波对电力系统的危害
电力电子装置的广泛应用,使电能的质量问题变得更加明显。电力系统中的波形,是由谐波和基波组成的。谐波的频率是基波频率的整数倍,此外,电气设备、载波信号、调功器等还会产生一种谐波,它的频率不是基波的整数倍。
谐波对电力系统的危害主要有以下几个方面:
(1)谐波可能使电力系统出现谐振现象,从而引起暂态过电压,会毁坏一些电力设备[3] [4];
(2)谐波可能会造成继电器在内的一些设备误动作;
(3)谐波可能会对通讯信号造成干扰,甚至使通讯设备崩溃;
(4)谐波严重时可能会使计算机系统失去控制;
(5)谐波会增加电力系统的消耗,使得发电厂的发电、输电线路的输电效率降低[3] [4];
(6)谐波会使一些检测仪器测量不准。
国家标准GB/T14549-1993对电能质量公用电网谐波做出了限定,因此减小谐波影响是电力工程必须参考的重要问题。
1.1.3无源与有源滤波技术
采用由电容和电抗器而组成的LC滤波电路,是抑制谐波的有效措施,这种方法通常称为无源滤波技术。无源滤波具有经济性,结
简单并且效率很高,运行很可靠及维护非常方便等优点,是目前应用非常广泛的谐波与无功补偿方法。由于无源滤波器的实质是谐波的通道,其特性由系统决定,所以存在下列不足:
(1)滤波性能受参数的影响大;
(2)只能消除特定的几次谐波;
(3)有时滤波要求与其他设备要求不好协调。
有源电力滤波器(

,APF)的思想早在上个世纪六十年代就有人提出,但由于产生补偿的电流的消耗非常大,成本很高,因而并没有受到关注。但几年之后,日本研究人员提出了采用变流器构成的有源电力滤波器,这才确立了APF的所有概念和结构。其基本原理是,检测电网中存在的谐波电流,作为指令控制一个与电网并联的电流源,使其输出电流与指令同步[5] [6],该电流源就提供了所需的谐波电流,电网只需要提供基波电流。
与无源滤波器相比,APF具有明显的优点,它能对变化的谐波进行快速的动态跟踪和补偿,而且特性不受电源的影响,但是它的造价就比无源滤波器高。
1.2有源电力滤波器的发展和现状
1.2.1有源电力滤波器的发展
有源电力滤波器作为解决电网谐波、改善电网质量的一种十分有效的方案,在全世界得到了广泛的运用。这种思想最先由美国学者于上世纪70年代在其论文中提出,该文表明如果将谐波电流注入到电网中,就可以改善电网中电流的波形。后来在之后的几年,美国其他学者以
为基础,在理论上证明了有源滤波器可以作为一个电流源,同时也在文中提出了
的结构和实现的方法。但是直到由日本的一位学者提出的电路中的瞬时无功功率理论为基础的谐波检测方法得到实际的应用以后,APF才真正意义上在全世界范围内得到了广泛运用。
1.2.2有源电力滤波器的现状
目前从世界各地对于APF开展的研究来看,主要的研究方向基本上都集中在控制方法的优化、谐波检测算法的改进以及结构选型的对比三个方面[7]。一般来说,目前研究的APF其结构拓扑主要有:串联型、并联型以及混合型拓扑。
串联型的有源滤波设备主要应用于电源为电压源的情况下;并联型的APF主要应用于电源为电流源的情况下;混合型的有源滤波器具有两种结构的优点,主要用于改善普通有源电力滤波器的补偿谐波的性能。在谐波测量方法的研究方面,现在研究主要集中在使用瞬时无功功率理论的方法以及对这种方法的改善上面,但是也越来越多的学者开始将诸如神经网络、自适应以及小波变换等先进的算法引入到无功和谐波电流的检测领域中[10] [12] [13]。
而在控制方法的改善研究方面,主要是针对传统的经典PI控制器进行各方面的优化[14],同时各国学者也在研究将先进的控制办法与传统的方法结合或者直接采用完全新兴的控制的方法来改善系统的控制效果。我国和国外相比开展有源电力滤波器的研究工作相对来说要晚一些,但是随着电力电子器件的普遍使用带来日益严重的谐波问题,国家在这方面投入了不少的精力。
1.3本文研究的主要内容
本章主要介绍了课题的研究背景、电网谐波的危害及有源电力滤波器的发展现状,在下文中将主要从这几个方面完成本次的论文:
(1)分析APF的主要工作原理和类型;
(2)介绍几种有源滤波器常用的谐波检测方法并分析了它们的优点和缺点,提出了周期复位积分谐波检测的方法,并阐述其原理以及搭建出模型;
(3)比较几种APF常用的控制方式,也分析它们的优点和缺点,重点介绍单周期控制在APF中的应用,并对传统的单周期控制的有源滤波器不足进行分析,将周期复位积分与单周期控制相结合,并搭建模型仿真;
(4)对仿真的结果进行分析,并对其中存在的缺点加以分析。
第2章 有源电力滤波器的谐波检测
2.1有源电力滤波器的基本原理和类型
2.1.1有源电力滤波器的基本原理
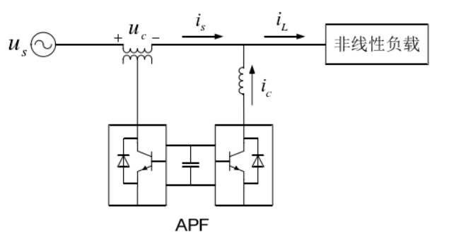
有源电力滤波器主要由指令电流运算电路、控制驱动电路和逆变主电路构成,其原理图如下。

图2.1 有源电力滤波器原理图
首先由指令电流运算电路检测出负载电流和谐波分量作为指令信号,通过电流控制电路得到各个开关的触发脉冲[14],之后经由驱动电路驱动逆变主电路向负载输送与谐波信号相反的信号,达到消除谐波的目的。此时,电源仅向非线性负载提供基本波形分量,流过负载的电流为标准的正弦波。
2.1.2有源电力滤波器的基本类型
有源电力滤波器的主电路拓扑结构和PWM开关型无功发生器一样[14],但是它们控制的目标不一样,它的作用是产生非正弦电流来补偿非线性负载的谐波电流。根据拓扑结构的不同,APF可分为串联型、并联型和混合型;根据储能元件的不同,又可分为电流型和电压型。
(1)根据拓扑结构的不同,串联型、并联型和串-并联型的结构拓扑如下。

图2.2 并联型 图2.3 串联型

图2.4串-并联型
图2.2为并联型有源电力滤波器的结构图。并联型有源电力滤波器主要是用来治理电网中电流谐波引起的问题,在实际的应用中,主要采用的是并联型APF,因此本文也采用的是并联型。
图2.3为串联型有源滤波器的结构图。串联型有源电力滤波器主要是用来治理电网中电压谐波引起的问题,但与并联型APF相比,串联型APF的功耗较大,并且其它的检测电路相对复杂,在实际应用中并不广泛。
图2.4为串-并联型有源滤波器的结构图。串-并联型APF将并联型和串联型APF统一起来,既能解决电流型的谐波的问题,又能解决电压型的谐波的问题,兼具两者的优点,但相对的其控制电路较为复杂,且造价更高,适合在对于电网质量要求高的情形下使用。


图2.5 电压型 图2.6 电流型
图2.5为电压型有源滤波器的结构图。电压型有源滤波器在使用时需对直流一侧的电容的电压进行控制,使直流一侧的电压维持不变,因而逆变器交流一侧输出为
电压的波形。电压型APF的优点是消耗较少,效率非常高,是目前国内外大多数APF采用的电路结构。
图2.6为电流型有源电力滤波器的结构图。电流型有源滤波器在使用时需对直流一侧的电感的电流进行控制,使直流一侧电流维持不变,因而逆变器交流一侧输出为
电流的波形。与电压型APF相比,电流型APF因为电流一侧的电感上始终会有有电流流过,此电流在电感上会产生很大消耗,所以电流型APF目前较少采用。
2.2有源电力滤波器常用的谐波电流检测法
2.2.1基于快速傅立叶变换的谐波检测法
快速傅立叶变换(FFT)是傅立叶变换的延伸,是目前应用最为广泛的一种谐波的检测方法之一[18]。其原理为通过变换将侦测测到的谐波信号进行分解,得到各次谐波的相位与幅值,然后通过低通滤波器合成误差信号。
以上是毕业论文大纲或资料介绍,该课题完整毕业论文、开题报告、任务书、程序设计、图纸设计等资料请添加微信获取,微信号:bysjorg。
相关图片展示:







您可能感兴趣的文章
- 一种确定磁探针集总电路参数的标定方法外文翻译资料
- 一种人体可接触的大气压低温等离子体射流装置研究(适合电气B方向)毕业论文
- 氩氧中大气压DBD放电特性研究(适合电气B方向)毕业论文
- 大气压氩等离子体射流放电影响因素的仿真研究(适合浦电气B方向)毕业论文
- 含氧高活性均匀DBD改性聚合物薄膜研究(适合浦电气B方向)毕业论文
- 反应器结构对气液两相DBD放电特性的比较(适合浦电气B方向)毕业论文
- 南京某公司研发楼电气设计毕业论文
- 金帆北苑地块经济适用住房——02栋商住楼电气设计(适用于浦电气1004~06A方向学生)毕业论文
- 扬州人武部大楼电气设计毕业论文
- 金帆北苑地块经济适用住房——04栋商住楼电气设计(适用于浦电气1004~06A方向学生)毕业论文


