无线充电用碳化硅MOSFET驱动过程分析及设计毕业论文
2020-02-18 11:07:17
摘 要
随着社会的高速发展,技术的不断进步,功率半导体器件的使用环境也在快速的发生变化——工作频率更高、能量损耗要求更小、工作温度更高等,导致对于其构成材料的选型要求已经越来越严Si的3.3倍、饱和电子漂移速率是Si的2.5倍。因此,
的市场需求已经越来越大,基于格,相比之下,传统的
材料已经不能满足选型要求。而近几年出现的宽禁带半导体材料碳化硅(
)的各方面特性均表现优异:禁带宽度为Si的3倍、击穿场强能够达到Si的10倍、热导率为
材料设计的
更是越来越多,其具备快速导通关断、高阻断电压、低导通损耗和耐高温等优势。
相对于SiC MOSFET器件和相关电力电子器件的迅猛发展来说,
的驱动电路的设计显得有些低迷。从重要性来讲,
的驱动电路与功率开关器件的工作频率、能量损耗有直接的关系,然而从现实的角度来讲,
的开关特性易受系统杂散参数的影响,表现为电磁能量脉冲形态属性的非理想特性,并进一步影响系统效率和可靠性。因此,结合
的开关特性,设计出一款既能够正常驱动
功率开关器件,又能够对出现的电磁能量脉冲有效抑制的驱动电路,对于SiC功率器件的发展具有很大的现实意义。
关键词:SiC MOSFET;驱动电路设计;电磁能量脉冲
Abstract
With the rapid development of society and the continuous progress of technology, the use environment of power semiconductor devices is also changing rapidly - higher working frequency, lower energy loss requirements, higher working temperature and so on, resulting in more and more stringent requirements for the selection of its constituent materials, compared with traditional materials. It can't meet the requirement of type selection. In recent years, the wide band gap semiconductor silicon carbide () exhibits excellent performance in all aspects: the band gap width is 3 times that of Si, the breakdown field strength can reach 10 times that of Si, the thermal conductivity is 3.3 times that of Si, and the saturated electron drift rate is 2.5 times that of Si. Therefore, the market demand has been growing, more and more material-based design, which has the advantages of fast on-off, high blocking voltage, low on-loss and high temperature resistance.
Compared with the rapid development of SiC MOSFET devices and related power electronic devices, the design of driving circuit seems to be somewhat depressed. In terms of importance, the driving circuit is directly related to the working frequency and energy loss of power switching devices. However, from a practical point of view, the switching characteristics are susceptible to the influence of stray parameters of the system, which manifests as the non-ideal characteristics of electromagnetic energy pulse shape attributes, and further affects the efficiency and reliability of the system. Therefore, combined with the switching characteristics, a driving circuit which can not only drive the power switching device normally, but also suppress the electromagnetic energy pulse effectively is designed, which has great practical significance for the development of SiC power devices.
Keywords: SiC MOSFET; Design of Driving Circuit; EMP
目录
摘 要 I
Abstract II
第1章 绪论 1
1.1 研究背景及其意义 1
1.2 SiC MOSFET驱动研究现状小结 3
1.3论文主要研究内容 4
第二章 SiC MOSFET开关理论研究 5
2.1 SiC MOSFET开关动态特性分析 5
2.1.1 理想开关和实际开关对比 5
2.1.2 MOSFET开关过程定性分析 9
2.1.3 MOSFET开关过程定量分析 9
2.2 SiC MOSFET开关驱动的仿真研究 16
2.2.1 影响因素-驱动电阻 17
2.2.2 影响因素-驱动电压 17
2.2.3 影响因素-寄生电容 19
2.2.4 影响因素-温度r和阈值电压 20
2.3 本章小结 21
第三章 新型碳化硅(SiC)MOSFET驱动电路设计 24
3.1 传统MOSFET驱动电路 24
3.2 碳化硅SiC MOSFET驱动电路的设计 25
3.2.1 串扰原理分析 25
3.2.2 串扰抑制措施 28
3.2.3 新型碳化硅(SiC) MOSFET驱动电路及其工作原理 29
3.3 本章小结 32
第四章 驱动电路仿真 33
4.1 驱动电路LTspice模型搭建 33
4.1.1 同步Buck变换器工作原理 33
4.1.2 仿真结果分析 33
4.2 本章小结 36
第五章 总结与展望 37
参考文献 38
致谢 40
第1章 绪论
1.1 研究背景及其意义
自2000年以来,全球经济飞速膨胀的同时,以石油、天然气为代表的不可再生能源大幅度生产及过度使用导致的全球环境受到严重污染,人们赖以生存的能源干涸等问题已经提上日程,人类的生存环境受到了前所未有的挑战。故以水能等为代表的作为环保可再生的绿色能源逐步走向人们的视线。若将能源换算成电能资源,地球上水能可提供超过 千瓦,而风能超过 亿千瓦,还有更丰富的太阳能资源等。人类未来的能源需求甚至不足这些能源的千分之一。随着人类的发展,全球能源互联网的搭建以及电力转换装置的发展,绿色清洁能源发电能够极大程度上步入生活中,供给电网。在这个发展过程中,其核心器件莫过于功率开关器件,该器件的性能对功率变换器整机性能及稳定性有着不可言喻的重要性。
表1.1 半导体材料物理特性对比
目前形势电力电子器件的主要基础原料仍旧以硅(Si)为主。然而随着时代进步,整个电力电子器件的发展陷入了瓶颈时期。其主要原因是之前的硅材料由于禁带宽度的限制,使电力电子器件很难满足新一代功率系统在阻断电压、工作温度及开关频率等方面的要求。为此,第三代半导体材料的迅速发展,解决了这一矛盾。其中碳化硅(Sic)便作为了制备新一代的功率半导体器件有望取代硅(Si)作为首选材料[1]。从表1.1中各种材料的物理特性不难看出,碳化硅(SiC)作为一种性能十分卓越的宽禁带半导体,不论从热导率、击穿场强或者是饱和电子漂移速率,都是硅(Si)的数倍性能。这种物理特性带来的优势大概情况如以下4点:
(1) 阻断电压高
碳化硅(SiC)的物理特性中具有较大的临界击穿场强,这一优异特性使得以碳化硅为材料的功率器件在阻断电压的表现上非常优异,而这种特性很适合应用于大功率的电力系统中,如高铁、电动车等。从这点来讲,碳化硅功率器件极大可能性取代传统硅功率器件。
(2) 导通损耗小
以碳化硅为材料的功率器件在同等耐压外延片厚度下拥有极低的导通电阻,相比较硅器件可以大幅度降低导通损耗,提升系统效率。
(3) 开关速度快
碳化硅材料的电子器件由于电子漂移速度很快从而拥有极高的开关速度。较高的开关频率能够一定程度降低开关损耗,并减少电感及电容的体积从而提升系统功率密度。
(4) 抗辐射、耐高温、高机械强度
碳化硅器件的电路可以在500℃的高温下稳定工作离不开其较高的热导率,结合其强大的抗辐射能力与机械强度,对未来探索太空具有重要意义。
碳化硅作为材料本身就具有极为优异的物理、化学特性,因此在电子领域中被广泛应用,海内外更是大量投资其发展,开展多项科研计划。20世纪初,就有政界人士就SiC成立SiC半导体产业联盟来专门研究SiC,推动了碳化硅发展的同时,也催化了与之相关的产业链的发展。该联盟收到一亿多美金作为研究资金,以提升美国在碳化硅这一新兴产业中的话语权。碳化硅具有极佳的节能特性,日本“首相计划”的由来便是因为将碳化硅半导体技术纳入其中,而估计未来或许国家中有超过半数的节省能源都是由碳化硅来实现。

图1.1 硅和碳化硅功率器件基于阻断电压的应用分布
图1.1的应用分布很明显的展示了硅与SiC功率器件的电压阻断能力还是相差较大,可见在SiC与MOSFET管作为单极功率器件时,SiC的低导通电阻还有开关速度快的特点,决定了其可以在高压环境正常稳定工作,可以和IGBT器件相媲美,并且能够在开关频率及系统的整机效率上得到一定的提升[2]。所以MOSFET自然而然成了研究单极性可控功率器件的主要对象。这些年来SiC的发展得到了极大的推进,其设计与制造已大规模实施,许多公司及也尝试将碳化硅与MOSFET用于电力电子系统。美国Cree公司在SiC DMOSFET(Double-implanted MOSFET)[3]和全SiC功率模块[4]进行了很多研究,这些年我国也支持了碳化硅材料器件的开发和科研,如中电集团13所、55所以及中科院等科研院所都相继开发出SiC的整流器件[5-7]。日本三菱电机公司的全SiC功率模块将也机车功率损耗降低了55%,体积和重量减少了65%。
1.2 SiC MOSFET驱动研究现状小结
相比较如今SiC的一片欣欣向荣,基于SiC器件在电路上的应用就显得很不起眼。为了提升SiC功率器件在各方面的表现,包括其性能与潜力,有必要根据其特性来改进其电路设计。而控制SiC功率器件开闭的SiC MOSFET驱动模块同样具有极大的研究意义,较好的驱动模块能够极大程度上左右器件的功效。为此,让SiC功率器件拥有更稳定、更快的特性,研究与改进SiC MOSFET驱动器在某种程度上具有不可或缺的意义。
国外,日本Electrical machinery(安川电机)的T.Kume等人采用Resonant circui(谐振电路) 设计了碳化硅MOSFET的驱动,使得SiC MOSFET的开启延时减少了62%,关断延时减少了33%[8]。兰瑟尼(RAnthony)等人提出一种使得开关损耗降低20% 的(Resonant grid drive structure)谐振栅极驱动结构来吸收驱动回路寄生电感的能量[9]。法国Universite Paris XII Val de Marn(巴黎第十二大学)的F.Costa等人针对碳化硅MOSFET高速驱动的电磁串扰问题进行了研究并进行了设计[10]。University of Illinois(伊利诺伊大学)的团队提出了一种Closed-loop dynamic control structure(闭环动态控制结构),使得碳化硅MOSFET在大功率高频应用中能取得开关损耗和电磁干扰的良好平衡[11]。Aalborg University的团队分别通过仿真和实验研究了碳化硅MOSFET主电路和驱动电路以及器件参数差别对SiC MOSFET并联应用的性能影响[12,13]。Cree公司的团队对SiC MOSFET高速并联应用中影响并联MOSFET静态和动态特性的因素进行了研究,得出采用小驱动电阻有利于减小动态分流不均[14]。
不论从哪方面来看,SiC MOSFET驱动模块的研究均未登堂入室,还属于初步接触阶段。相比较Si功率器件,SiC MOSFET凭借其自身更小的开关能耗,更快的开关速度,常被并联用于大功率高效率的高速开关应用。然而SiC MOSFET仍旧存在许多难以解决的弊端,最明显的便是开关速度损耗与EMI是相互制约的同时[15],高速开关并联应用中的稳定性并不高。研究至今,在考虑高速开关与动态均流的前提下,海内外还没有一个特别好的方案对SiC MOSFET高速开关驱动进行保护。因此,为了使SiC MOSFET能够更加安全稳定地运用于电子系统,为SiC功率器件设计一个用于SiC MOSFET高速开关驱动器的保护模块具有极高的现实意义与经济意义。
1.3论文主要研究内容
本文研究的主要内容是无线充电用碳化硅MOSFET驱动过程分析及设计,首先对SiC MOSFET的开关动态特性进行了分析,对MOSFET的开关特性进行分析,得出开关速度、功率损耗的影响因素,并对关键因素进行仿真研究。然后,通过对传统驱动电路的分析得出其缺点和设计要求,并以此设计出新的驱动电路,详细讲解了电路的原理特性,并利用软件对电路进行了仿真实验,验证了电路的优越性和功能特性。
第一章阐述了论文研究的背景及其意义,并对SiC MOSFET驱动设计的国内外研究现状做了综合阐述。
第二章对SiC MOSFET开关的理论知识进行了详细讲述,分析了SIC MOSFET开关瞬态过程以及影响开关速度和功率损耗的主要因素,并对其进行了仿真验证。
第三章在研究传统SiC MOSFET驱动电路的基础上,分析了桥臂串扰的成因和解决措施,针对传统电路的不足之处提出了新型SiC MOSFET驱动电路,讲述了其原理及特性。
第四章对设计的驱动电路进行了软件仿真,验证了电路的实用性和功能特性。
第五章对论文进行的工作进行了归纳与总结,以及对SiC MOSFET驱动电路的发展做出展望。
第二章 SiC MOSFET开关理论研究
本章分析了半导体开关器件和理想开关之间的差异,先对SiC MOSFET进行了一系列的理论研究,然后对影响它的几种因素进行了仿真分析,为后面SiC MOSFET驱动保护电路设计做理论铺垫。
2.1 SiC MOSFET开关动态特性分析
SiC MOSFET的动态特性对管子的开关性能有着很大的 影响,下文中主要介绍了理想开关以及半导体开关器件,并针对它们在SiC MOSFET器件中的具体应用进行了定量以及动态特性的分析。
2.1.1 理想开关和实际开关对比
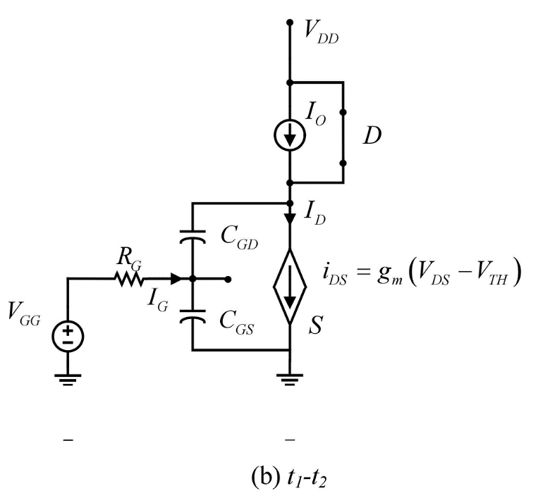
功率开关在实际工作中希望可以有理想开关的工作特性,就对半导体器件作为理想开关器件来言,希望其开关器件能有下所述中的几点特性:首先寄希望于其能有较好的导通性能,即导通时耐流值大,关断时耐压值大。然后希望开关器件器件可以达到理想的状态,即导通时电阻值为零,关断时开关器件能够有无穷大的电阻值以及开关器件的工作频率的峰值不受限制,上升下降的时间接近0。理想中的开关器件的电压、电流、功率波形如下图2.1所示。

图2.1理想开关的电流,电压以及瞬时功率波形
从图2.1中可以观察发现,理想开关器件损耗为0,效率相对应得是100%,理想开关器件无论是在关断抑或是导通状态下,希望开关器件能够有接近于无穷大的开关频率并且相位无延迟。理想开关器件的开关功率、频率与效率皆为没有限制,但是半导体器件构成的开关器件与理想状态间还是存在着较大的差异,具体的区别有以下几点:首先由于半导体器件的传导电流以及关断时的耐压能力是有限的,从而影响了半导体器件的功率处理能力。半导体器件存在压降是由于其存在较小的阻值,而当半导体器件断开时电阻值并不是无穷大,故此半导体器件断开时其存在一个漏电流。由于上述两个因素,所以在导通抑或是关断时,会对其造成最大工作频率的约束。导通关断时间、漏电流、导通电阻这三个因素造成半导体器件存在开关损耗,这个开关损耗值也可以叫做器件的导通损耗,下图2.2
所示的是开关器件的波形,可以发现存在文中介绍的漏电流以及正向导通压降和导通损耗。
图2.2半导体开关器件的电流,电压以及瞬时功率波形
以上是毕业论文大纲或资料介绍,该课题完整毕业论文、开题报告、任务书、程序设计、图纸设计等资料请添加微信获取,微信号:bysjorg。
相关图片展示:







您可能感兴趣的文章
- 一种确定磁探针集总电路参数的标定方法外文翻译资料
- 一种人体可接触的大气压低温等离子体射流装置研究(适合电气B方向)毕业论文
- 氩氧中大气压DBD放电特性研究(适合电气B方向)毕业论文
- 大气压氩等离子体射流放电影响因素的仿真研究(适合浦电气B方向)毕业论文
- 含氧高活性均匀DBD改性聚合物薄膜研究(适合浦电气B方向)毕业论文
- 反应器结构对气液两相DBD放电特性的比较(适合浦电气B方向)毕业论文
- 南京某公司研发楼电气设计毕业论文
- 金帆北苑地块经济适用住房——02栋商住楼电气设计(适用于浦电气1004~06A方向学生)毕业论文
- 扬州人武部大楼电气设计毕业论文
- 金帆北苑地块经济适用住房——04栋商住楼电气设计(适用于浦电气1004~06A方向学生)毕业论文


