基于LCC谐振的车载DCDC变换器设计毕业论文
2020-02-18 11:06:59
摘 要
随着传统的石油、煤炭和天然气等一次性非再生能源的不断消耗,科学家们越来越关注能源不足和环境污染等问题。在这种背景之下,各国都在寻找解决问题的措施,电动汽车(EV)和混合电动汽车(HEV)渐渐成为解决这些问题的重要措施之一。根据实际情况,本文借助仿真软件PLECS搭建了基于LLC谐振的车载DC/DC变换器电路。
首先,本文着重介绍了LLC谐振电路的工作原理,并根据LLC谐振电路的波形图分析了在不同频率范围内的工作情况。最终得出在串联谐振频率时,LLC谐振电路既能实现零电压开通,又能实现零电流关断,且此时的增益最大。
其次,详细的讲述了移相控制的原理,并在此基础上搭建了相关的原理图。根据工作时的波形图详细的介绍了移相控制电路的原理,并将构建的电路作为整体电路的控制电路。
然后,根据公式计算出了电路的相关参数,并详细分析了电路正常工作时流过各个元器件的电流及元器件两端的电压,再根据实际情况选择了相关的元器件型号。
最后,根据上文所提及的整体电路图以及移相控制电路,应用仿真软件PLECS搭建仿真电路,并将计算所得参数带入到构建的仿真电路图中进行验证,发现设计电路以及参数符合设计需求。
关键词:LLC谐振;桥式整流;逆变;移相控制
Abstract
With the continuous consumption of traditional non-renewable energy sources such as oil, coal and natural gas, scientists are paying more and more attention to the problems of energy shortage and environmental pollution. In this context, countries are looking for solutions to these problems. Electric vehicles (EV) and hybrid electric vehicles (HEV) have gradually become one of the important measures to solve these problems. According to the actual situation, this paper builds an on-board DC/DC converter circuit based on LLC resonance with the help of simulation software PLECS.
Firstly, the working principle of LLC resonant circuit is introduced, and the working conditions in different frequency range are analyzed according to the waveform of LLC resonant circuit. Finally, it is concluded that LLC resonant circuit can realize zero voltage switching on and zero current switching off at series resonant frequency, and the maximum gain is achieved at this time.
Secondly, the principle of phase shift control is described in detail, and the related schematic diagram is built on this basis. According to the waveform diagram, the principle of phase shift control circuit is introduced in detail, and the constructed circuit is used as the control circuit of the whole circuit.
Then, the relevant parameters of the circuit are calculated according to the formula, and the current flowing through each component and the voltage at both ends of the component are analyzed in detail when the circuit works normally. Then, the relevant components are selected according to the actual situation.
Finally, according to the overall circuit diagram and phase-shifting control circuit mentioned above, the simulation circuit is built by using simulation software PLECS, and the calculated parameters are brought into the simulation circuit diagram to verify. It is found that the design circuit and parameters meet the design requirements.
Key Words:LLC Resonance; Bridge Rectifier; Inverter; Phase Shift Control
目录
第1章 绪论 1
1.1 研究背景及研究意义 1
1.2 国内外研究现状 1
1.3 DC/DC变换器基本结构 2
1.4 本文主要研究内容 5
第2章 系统整体电路分析 6
2.1 谐振变换器 6
2.1.1 串联谐振变换器 6
2.1.2 并联谐振变换器 7
2.1.3 LCC谐振变换器 8
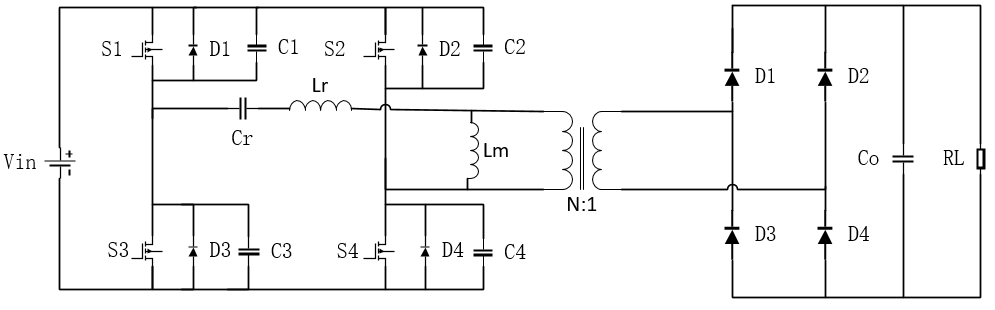
2.1.4 LLC谐振变换器 8
2.2 LLC谐振变换器工作原理 9
2.2.1 LLC谐振变换器主体电路 9
2.2.2 工作原理分析 10
2.3 逆变电路 13
2.4 整流电路 13
2.5 本章小结 14
第3章 LLC谐振变换器的移相控制 15
3.1 移相控制原理 15
3.2 移相反馈电路的构建 16
3.3 本章小结 18
第4章 LLC谐振电路参数设计及器件选型 19
4.1谐振电路参数计算 19
4.2变压器的选取 20
4.3开关管的选取 21
4.4整流二极管的选择 21
4.5本章小结 22
第5章 仿真分析 23
5.1 仿真电路实际分析 23
5.2 本章小结 28
第6章 总结和展望 29
6.1全文总结 29
6.2未来展望 29
参考文献 30
附录A 32
致谢 33
第1章 绪论
研究背景及研究意义
众所周知,传统的石油、煤炭和天然气等一次性非再生能源的储存量是有限的。但随着科技水平的提高,人们的生活水平也随之提高,对能源的需求量日益增长。在这样的背景之下,各国都在寻求解决问题的措施。在应对能源不足、环境污染等问题中,电动汽车(EV)和混合电动汽车(HEV)渐渐成为解决这些问题的重要措施之一。由于电动汽车的能源都是由电网通过充电系统提供给电动汽车的蓄电池,没有了传统汽车的内燃机,因此就必须解决给车灯、音响、显示屏等低压系统提供电源的问题。
电动汽车的车载储能电池起着关键作用,通常有着高压蓄电池和低压12V蓄电池两个模块。电网电压先通过充电系统传输给高压蓄电池作为电能储存起来,高压蓄电池的电能再通过DC/DC变换器传递给低压12V蓄电池。由于电动汽车对各个部件的体积和性能有着严格的要求,且要适应一些恶劣的环境。因此,DC/DC变换器作为能将高压蓄电池的电能传递给低压12V蓄电池的关键转换部件,其应当满足电动汽车工作时各种要求以及能应对各种复杂的环境。稳定可靠的车载DC/DC变换器能够在输出过压、过流和输入过压、过流以及变压器等器件受干扰时能通过高效稳定的反馈和保护系统来确保输出电压能满足电动汽车的工作需求。所以设计一款能够稳压、可靠且具有抗干扰能力的车载DC/DC变换器对电动汽车的性能有重大意义。因此,研究车载DC/DC变换器对电动车的研发有着重大意义。
国内外研究现状
车载DC/DC变换器技术是在DC/DC变换器的基础上发展起来的。在发展过程中,为了满足电动汽车对其体积、转换率等性能要求,人们对其进行了不断改进已达到目标要求。最早的一个DC/DC变换器时候LUCENT公司开发的,功率仅为30W,效率比较低。发展至今,DC/DC变换器的功率已经能达到上千瓦,转换率也能超过。上世纪八十年代,科学家们都在研究如何大幅度提高开关电源的开关频率以达到缩小体积的效果。但这种方法也有这相应的弊端,如工作效率的降低、器件发热等问题。后来为解决这些问题,科学家们先后研发出了有源钳位ZVS软开关技术和全桥移相ZVS软开关技术。其中,全桥移相ZVS软开关技术能够大幅度提高DC/DC变换器的效率。但也存在着诸多的弊端:占空比的减小对二次侧整流的损耗、增加谐振电感所造成的损耗。
当前,大部分新能源汽车使用的DC/DC变换器输出为12V。IC驱动电路作为现阶段对于12V输出的DC/DC变换器最多的驱动电路,而且采用现有的IC驱动电路能更好的控制整流电路的输出,也能提高电路的转换效率。ZVS和ZCS同步整流技术在输出电压为12V的情况下有着最高效率。因为,当输出信号通过变压器传递到二次侧之时,再通过改变驱动同步整流的MOSFET管的占空比,这样就能使MOSFET管的导通电阻和驱动电荷最小以达到提高转换效率的作用。目前,美国几家DC/DC公司实现全面数字化控制,取代了生成PWM波的芯片,采用小型微处理技术取代了复杂的模拟电路。由于采用了DSP数字信号处理器来控制占空比、频率、脉宽等功能,它的各种保护电路更加可靠精确,保密性更高。
纵观整个车载DC/DC变换器的技术发展史来看,DC/DC变换器的拓扑结构主要分为两种,一种是将DC/DC变换器作为一个独立的部件进行设计和组装,这种结构则需要独立研发,方便更换,布置比较灵活,但会占用一定的体积,日本的本田公司则主要采用这种结构。另外一种则是将DC/DC变换器与电动汽车上的发电机等部件构成一个整体的部件,这种结构能节省空间,但制作工艺比较复杂、难度系数大、出现问题时更换比较麻烦。这种结构的代表则是丰田公司的普锐斯混合动力车型,也代表着世界上的最先进发展水平。
目前国内车载DC/DC变换器生产厂家比较多,生产量都不太大。因此,为满足国内电动汽车发展格局,国内车载DC/DC变换器的研究和应用主要以独立封装路线为主。虽然国内车载DC/DC变换器起步比较晚,但发展速度十分迅速。就目前情形看,未来的车载DC/DC变换器发展趋势会更加注重传递效率、可靠性、使用寿命等方面。随着DSP(Digital Signal Processing)芯片的不断发展和其采用的技术的不断突破,未来全数字化控制的车载DC/DC变换器会变得更加智能化,成本也会更低。
随着技术的发展,科学家们实验发现在DC/DC变换器中加入谐振电路能够达到高效率、功率密度高。LLC谐振变换器由于其效率高、功率密度高,已成为各种应用的流行拓扑,如文献[1]–[7]。LLC谐振变换器的多谐振运行有利于功率级的特性,包括一次侧和二次侧的电压增益和软开关。然而,它同时使小信号传递函数随着运行条件的变化而变化,从而导致控制器设计的不确定性,并优化了典型电压模式控制器的动态性能(VMCS)[8],[9]。为了解决这个问题,一些研究人员提出了多回路控制。在文献[10]中提到的平均电流控制,谐振电流被改变为平均值,并构造内部电流回路以改善功率级的小信号特性。虽然它提供了比VMC更好的性能,但低通滤波器的截止频率设置在最低开关频率的一半以下,导致电流回路性能下降。此外,电流互感器增加了实现的复杂性。
1.3 DC/DC变换器基本结构
直流-直流变流电路(DC-DC Converter)作为一种常见开关功率变换器,其功能是将输入端一侧的直流电经过一系列的电子器件转变为能满足输出要求的直流电。DC/DC变换器分为两种,一种是指直接将一侧直流电转变为另外一侧的直流电;另外一种则是先将直流电通过一个逆变环节装换为交流电,再将交流电通过整流电路装换为能满足要求的直流电。这种结构由于将输入端的直流电转变为交流电在整流为直流电,因此也叫做带隔离的DC/DC变换器。
直流-直流变流电路(DC-DC Converter)种类繁多,其中应用最为广泛,也是最基本的有三种斩波电路:降压型斩波电路(Buck Chopper)、升压型斩波电路(Boost Chopper)以及升降压斩波电路(Boost-Buck Chopper)。
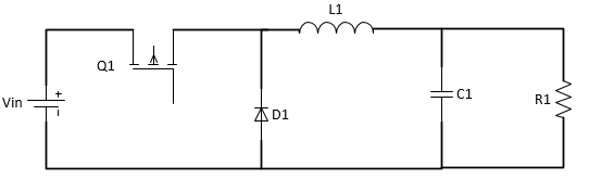
降压型斩波电路(Buck Chopper)如图1.1所示:
图1.1 降压型斩波电路拓扑结构图
如图1.1所示,降压型斩波电路使用一个全控型器件IGBT。该电路的输出主要通过IGBT控制。当IGBT导通时,电源会向负载供电,负载电流也会不断上升,电容有滤波作用和储能作用;而当IGBT关断时,电源不再向负载供电,负载电流通过图中所示的二极管续流,负载电流近似为零,负载电压迅速下降。为了能够保持输出电流连续,一般会在加上一个电感值较大的电感。每通过一个周期,工作模式循环一次。当电路工作在一个稳定的状态时,其输出电压和输出电流的平均值也会稳定,计算公式如(1.1):
式中,T为一个工作周期的时间,为导通占空比。由公式可知,要想改变输出电压的平均值就必须改变导通占空比。当导通占空比越大,输出电压的平均值也就越大;反之则越小。
升压型斩波电路(Boost Chopper)如图1.2所示:
图1.2升压型斩波电路电路图
由图1.2可知,该电路同降压斩波电路一样具有一个全控性器件IGBT。在分析工作原理时,先假设电容值和电感值很大。当IGBT导通时,负载电压由电容提供,由于电容值很大,输出电压比较稳定,电源则给电感充电;当IGBT关断时,电源通过电感给负载和电容供电,电容的电能也随之上升。当工作在一个稳定的状态时,电容释放的电能和补充电能相等,可得公式如下:
式中,U为输出电压,E为电源电压,I为输出电流,看作近似不变。化简可得:
由公式(1.3)可知,要想改变输出电压则需要改变开通占空比,且必定会超过输入电压。当增大开通占空比时,输出电压会下降;反之输出电压则会增加。
升降压斩波电路(Boost-Buck Chopper)如图1.3所示:
图1.3升降压斩波电路电路图
图1.3所示,先假设电感和电容值很大,这样流过电感的电流和电容两端的电压基本为恒定值。当IGBT导通时,由于二极管的单向导通性,电源只能经过IGBT向电感供电,这时电感在充电,电容则输出电能维持负载电压。当IGBT关断时,电源停止给电感供电,但由于电感的特性,电感会释放能量向电容和负载供电。根据电流的流向,负载电压方向为下正上负。根据电路工作原理分析可知,当该电路工作在稳定时,一个周期内电感两端电压对时间的积分为零,即:
由上述原理分析可知,当IGBT导通时,电感电压为E;当IGBT关断时,电感电压为输出电压。整理可得:
如公式所示,要想改变输出电压则需要改变控制信号的占空比。当开通占空比小于0.5时,电路为降压电路;当开通占空比大于0.5小于1时,电路为升压电路。因此,该电路也称之为升降压电路。
1.4 本文主要研究内容
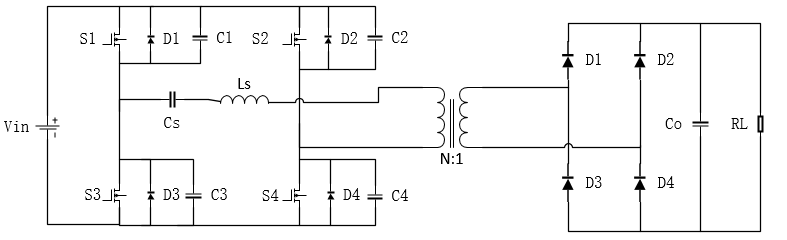
本文针对车载DC/DC变换器,设计了一款基于LLC谐振的车载DC/DC变换器,旨在将320V转换为12V,能够实现电动汽车中大型蓄电池向低电压的车载系统供电,并能够稳定运行,且有较强的抗干扰能力和抗高温等功能。本文根据车载DC/DC变换器的工作环境和工作特点,选择了全桥LLC谐振电路作为主电路,控制方式则为移相控制。本文的内容结构如下:
第二章首先介绍了全桥LLC谐振电路的拓扑结构图以及工作原理,再根据工作波形图详细的分析了LLC谐振电路的工作状态以及在各频率范围内的工作情况,最终得出在LLC谐振电路的串联谐振频率的工作状态增益最大,传递效率最高。最后,本文还介绍了桥式整流电路和全桥逆变电路。
第三章则是分析了移相控制的原理,并根据移相控制电路的原理设计了移相控制电路电路图,紧接着结合连接的电路分析了控制电路的工作情况。
第四章根据设计和实际工作情况的要求计算了LLC谐振电路的电感和电容参数,再根据电路正常工作情况分析了流过IGBT和二极管的电流和电压,在此基础上选择合适的器件。
第五章则是根据第二章和第三章所设计的电路,利用PLECS仿真软件搭建仿真电路,再结合第四章计算所得的相关参数带入电路中,根据所得输出波形图确定电路设计的合理性。
最后,则是对全文内容的总结以及未来有待继续深入研究的内容。
第2章 系统整体电路分析
随着电源变换器的不断发展,科学家们越来越追求高效与高能。在普通电源变换器的基础上,科学家们经过研究发现谐振变换器能够达到高效与高能的目的。
2.1 谐振变换器
了能够更好的控制输出电压,越来越多的电力电子开关器件被用作变压器的关键部件以达到预期。器件的增加不可避免的增大了变换器的体积。因此,变压器的工作频率也越来越高以减小体积。但这并不能完全解决问题。由于许多高频变换器的功率损耗较大,转化效率低,因此并不能广泛的应用于实践中。为了正式解决这一问题。科学家们提出了谐振变换器的概念。谐振变换器电路应用电容电感的谐振能实现变压器的软开关,从而降低开关损耗,并且谐振变换器能够在高频率的工作状况下也有着较高的效率。
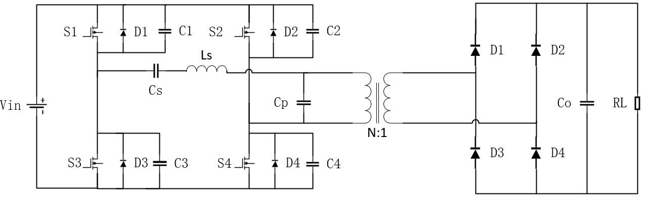
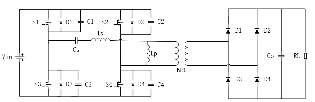
谐振变换器也与PWM变换器有明显的区别。根据电路图比较可知,在电路结构上谐振变换器比PWM变换器多了一个谐振部件。PWM变换器的控制信号的波形一般为方波,开关损耗大。但谐振变换器由于存在着谐振网络,电压和电流与正弦波类似,能够在较宽的范围实现软开关。谐振变换器的分类比较多,按照逆变结构可分为全桥、半桥等。按照谐振元件可分为:串联谐振变换器(Series Resonant Converter)、并联谐振变换器(Parallel Resonant Converter)、LCC谐振变换器、LLC谐振变换器、LLCC谐振变换器等类型。由于谐振变换器的结构多样,谐振器件有多种搭配,所以在采用谐振变换器时要根据具体的工作环境和具体要求[11]-[15]。
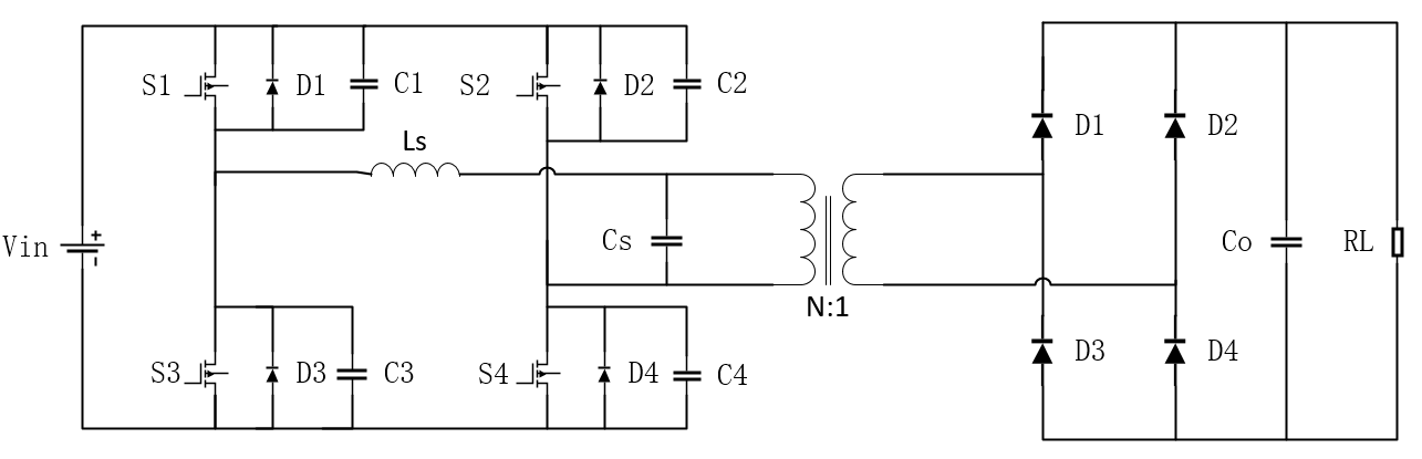
2.1.1 串联谐振变换器
串联谐振变换器如图2.1所示:
以上是毕业论文大纲或资料介绍,该课题完整毕业论文、开题报告、任务书、程序设计、图纸设计等资料请添加微信获取,微信号:bysjorg。
相关图片展示:







您可能感兴趣的文章
- 一种确定磁探针集总电路参数的标定方法外文翻译资料
- 一种人体可接触的大气压低温等离子体射流装置研究(适合电气B方向)毕业论文
- 氩氧中大气压DBD放电特性研究(适合电气B方向)毕业论文
- 大气压氩等离子体射流放电影响因素的仿真研究(适合浦电气B方向)毕业论文
- 含氧高活性均匀DBD改性聚合物薄膜研究(适合浦电气B方向)毕业论文
- 反应器结构对气液两相DBD放电特性的比较(适合浦电气B方向)毕业论文
- 南京某公司研发楼电气设计毕业论文
- 金帆北苑地块经济适用住房——02栋商住楼电气设计(适用于浦电气1004~06A方向学生)毕业论文
- 扬州人武部大楼电气设计毕业论文
- 金帆北苑地块经济适用住房——04栋商住楼电气设计(适用于浦电气1004~06A方向学生)毕业论文


