光储充直流微电网储能变换器设计毕业论文
2020-02-18 11:06:31
摘 要
随着社会经济的迅速发展,传统能源已经越来越不能满足人们生产生活的需要了。为了能够更好的解决能源和环境的问题,可再生能源的研究开发成为当今时代的热点是一个必然趋势。近年来,光伏发电发展迅速。将光伏发电系统与储能单元相结合,能够使得光伏发电的系统更好地接入大电网。双向DC-DC变换器能够在直流微电网中的储能部分与直流电网之间起一个桥梁的作用,能够实现能量的双向流动[1]。首先,本文介绍了直流微电网与储能系统的结构与原理,然后引出了本文的需要重点:双向DC-DC变换器的拓扑结构,进而重点介绍了双有源全桥DC-DC(DAB)变换器,并对DAB变换器的拓扑结构、工作原理等进行了详细的分析描述。双有源全桥DC-DC变换器广泛应用于智能电网,电动汽车和新能源发电等等[8]。
现今,DAB变换器的主要控制方式有单移相控制、双移相控制、三移相控制和小信号分析建模等。本文旨在对比各种控制方式的优缺点,寻找出比较合适的控制方式,并对其进行优化,使其在一定传输功率范围内满足软开关条件,同时满足回流功率为零。最后,我会在MATLAB中SIMULINK平台进行仿真验证其正确性。
关键词:双有源全桥DC-DC变换器;移相控制;软开关;回流功率
Abstract
With the rapid development of social economy, traditional energy has been increasingly unable to meet people's production and living needs. In order to solve the problem of energy and environment, it is an inevitable trend that the research and development of renewable energy becomes the hot spot of The Times. In recent years, photovoltaic power generation has developed rapidly. The combination of photovoltaic power generation system and energy storage unit can better connect the photovoltaic power generation system to the large power grid. In this paper, the topology of several bidirectional dc-dc converters is briefly introduced, and then the dual-active full-bridge dc-dc (DAB) converters are mainly introduced. Dual-active full-bridge dc-dc converter is an electrical equipment for energy transmission, which can realize bidirectional flow of energy and is widely used in smart grid, electric vehicle and new energy generation.
At present, the control methods of DAB converter mainly include single-phase shift control, double-phase shift control, three-phase shift control and small signal analysis modeling. This paper aims to compare the advantages and disadvantages of various control modes, find out a more appropriate control mode, and optimize it, so that it can meet the soft switching condition within a certain transmission power range, and at the same time meet the reflux power of zero. Finally, I will carry out simulation verification in MATLAB SIMULINK platform.
Keywords: dual-active full-bridge dc-dc converter; Phase shift control; Soft switch; Reflux power
目录
摘要 I
Abstract II
第一章 绪论 1
1.1课题研究背景与意义 1
1.2国内外研究现状 2
1.2.1直流微电网研究现状 2
1.2.2双向DC-DC变换器研究现状 3
1.3本文主要研究内容 5
第二章 直流微电网储能变换器的结构及原理分析 6
2.1直流微电网的结构及原理分析 6
2.2储能系统的原理分析 7
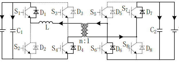
2.3. 双有源全桥DC-DC变换器的结构分析 7
第三章 移相控制下的双有源全桥DC-DC变换器 10
3.1 DAB单移相控制 10
3.1.1单移相控制基本原理 10
3.1.2单移相控制功率特性 11
3.1.3单移相控制软开关分析 13
3.2 DAB双移相控制 14
3.2.1双移相控制基本原理 14
3.2.2双移相控制功率特性 18
3.2.3双移相控制的软开关分析 19
3.2.4双移相控制的回流功率分析 21
3.2.5双移相控制下回流功率的优化 23
第四章 DAB在移相控制下的仿真分析 27
4.1单移相控制下的仿真分析 27
4.2优化双移相控制下的仿真分析 30
总结与展望 32
参考文献 33
第一章 绪论
1.1课题研究背景与意义
随着当今社会经济的不断发展,对不可再生能源如煤、石油的开采量不断增大,这不仅造成了能源危机,而且造成了严重的环境污染,严重影响了人类的发展。为了解决这些问题,开发利用风能、太阳能、地热能等清洁能源已成为当今研究的热点[15]。如图1-1所示,这是一个基于新能源的微电网储能系统。该系统既能存储光伏发电和风力发电机组的电力,又能向电网供电,提高了电网运行效率。
在直流微电网系统中,双向DC-DC变换器是连接能量存储部分和直流的关键部分。双向DC-DC变换器可以实现双向能量流动。例如,在光伏发电系统系统中,当光伏部件产生足够的电力时,能量存储部分通过双向DC-DC转换器将部分能量存储到电池中,但是在夜间光照不足时或用电高峰期,光伏发出的能量不足以提供负载的能量损耗,电池通过双向DC-DC转换器将能量发送到电网,从而充分保证有效利用电能和合理提供电能[1]。
因为蓄电池具有放电不稳定的特点,在20世纪80年代有美国学者提出采用Buck-Boost型双向DC-DC变换器代替其进行充放电。双向DC-DC变换器主要是为了满足航空航天电源和电动汽车的需要而研制的。它的体积比传统电池小得多,但性能更好。迄今为止,双向DC-DC变换器的发展一直备受学者们的关注。近年来,市场对双向DC-DC的需求越来越大也越来越严,随着新能源技术的广泛推广与电动汽车的快速发展,越来越多的公司开始投资于双向DC-DC变换器的研究。相信在不久的将来,一定会有越来越多的双向DC-DC变换器的拓扑结构和控制方法被提出[9]。

图1-1 典型微电网储能系统示意图
1.2国内外研究现状
1.2.1直流微电网研究现状
美国的学习人员最早提出微电网这一概念,他们最开始将微电网这一概念定义为一个系统,这个系统由负载和微电源(即分布式电源)组成。电力电子设备(例如变换器)把微电网中的分布式电源与直流母线连接起来[4]。现阶段,微电网中的分布式电源(比如风机、太阳能电源、燃料电池等等)以及直流负荷发展非常迅速,于是乎直流微电网也发展起来了。直流微电网是一种独立的可控的系统,它通过一条直流母线将分布式电源和直流负荷连接来。直流微电网有很多优点比如:没有必要考虑分布式电源同步性,在变换过程中的电力电子器件的损耗减少,成本比较低,调控便利等等。直流微电网的研究主要包括微电网内各变换器的研究与直流断路器等设备的设计,以及能量保护管理系统等相关技术的有效研究。
在国内的研究领域,我国的研究人员开展了许多多项国家自然科学基金项目,比如“交直流微电网群的多端直流互联与潮流优化技术研究”,“多变流器接入的交流和直流微电网主动式及非破坏性孤岛检测技术”等等。近三年,微电网开始逐渐走到政策前台,国家能源局也计划在“十二五”期间建设30个微电网示范工程,各级政府已经出台了一些支持性政策,自下而上推动力越来越显著。2012年陆续有一批重大示范工程获批,预期未来各地会有更多政府或企业主导的项目上马,微电网在国内的市场将非常广阔。
在国外的研究领域,日本的夏普提出了“DC环保家庭”。“DC环保家庭”是指将光伏板发出的直流电通过一定方法直接用于直流电子设备,剩余没有消耗完的电能则存储在储能设备中,这样的话,在消耗电能的过程中就几乎没有电能损失了。另外,日本NTT开发了一种支持直流电压400V的插排和电源插头。另外,日本NTT开发了一种支持直流电压400V的插排和电源插头。美国微电网研究的主要目的是提高军事基地能源供应的可靠性,减少配电馈线或变电站的峰值负荷。欧洲发展微电网主要目的则是把可再生能源发电的规模化。日本目前研究重点已经转换为智能社区建设,智能社区的建设主要在海外,在美国的夏威夷和法国的里昂都有日本建设的微电网。国内的微电网起步相对较晚,但随着国家对其越来越重视,我们的进步也就越来越快,在863、973技术的支持下,当今我国微电网的研究侧重于微电网的控制和优化技术、交直流混合微电网、多微网协同优化的运行和并联管网离网模块无缝切换等等[2]。
对于未来发展形式,在装备层面,传统的光伏逆变器不能适应现在和以后电网的安全与可靠性的要求,未来的光伏逆换器要能够实现无干扰并网功能才行,还要具备虚拟惯性、提高微电网一次调节的动态控制等功能;在控制层面要突破扁平化的控制,这与能量路由器的思想逻辑一致。在系统层面,未来将会有微网群的概念,会出现多微网的系统,这是将来研究的热点[4]。
1.2.2双向DC-DC变换器研究现状
来自华中科技大学,浙江大学和中国科学院的学者对双向DC-DC变换器进行了深刻的研究。 在2001年,浙大的陈刚博士发表了一篇关于双向DC-DC变换器软开关技术的论文,并提出了一系列零电压开关控制双向DC-DC变换器族和有源钳位双向DC-DC变换器族。在 2004年,中国南方航空大学的张芳华博士对级联双向DC-DC转换器,推挽前向相移双向DC-DC转换器和正向反向组合双向DC-DC转换器进行了大量深入研究。 目前,交错级联,同步整流,级联组合,软开关技术等正在变得越来越成熟,并广泛应用于单向DC-DC转换器。 它们还用于双向DC-DC转换器,以降低成本并提高效率。
双向DC-DC变换器分为两种类型,分别为隔离型与非隔离型。在实际应用中,非隔离式由于其电路结构简单,元件少,能满足安装体积和稳定性的要求而被普遍采用。非隔离型双向DC-DC变换器主要有4种,分别是:双向Buck-Boost变换器、双向半桥变换器、双向Cuk变换器、双向Sepic变换器。如下图1-2、1-3分别为双向Buck-Boost变换器、双向半桥变换器。

图1-2 双向Buck-Boost变换器 图1-3 双向半桥变换器
上述两种变换器是是利用电感进行能量传输的,属于电感储能式变换器,对在图1-2所示的变换器中,虽然变换器的拓扑结构相对简单,但当电感
以断续模式工作时,流过开关晶体管的峰值电流会增大,这可能会损坏电路。图中所示变换器中的开关管
,
不能同时打开,正向工作时
导通、
截止,反向工作时,
导通、
截止。
下图1-4,1-5则分别为双向Cuk变换器、双向Sepic变换器。

图1-4双向Cuk变换器 图1-5双向Sepic变换器
对于图1-5 Cuk双向DC-DC变换器,将单向Cuk电路中的唯一二极管换成开关管,同时并联反向二极管,便可以得到 Cuk双向DC-DC变换器。相对于Buck-Boost来说,Cuk电路的输出电 流是连续的,脉动较小。但是,由于能量在电感和电容间多次传递,导致最后的输出效 率较低。对于图四Sepic/Zeta双向DC-DC变换器,同样地,将Zeta中的二极管换成开关管,并加上反向二极管,得到Sepic/Zeta双向 DC-DC变换器。其性能与Cuk双向变换器类似:输出效率较低,不适合大功率场合。
综上所述,图1-2、图1-3、图1-4、图1-5都不是作为连接分布式电源与直流微电网的双向DC-DC变换器的理想结构,而隔离型双向DC-DC变换器是比较好的结构,与非隔离型变换器不同的是,隔离型双向DC-DC变换器在整流、滤波电路之前增加了电气隔离。在这里我们就采用隔离型双向全桥DC-DC变换器(即双有源全桥DC-DC变换器)来作为连接储能部分与直流母线的桥梁。双向全桥DC-DC变换器的各器件电压、电流应力较小,效率也较高。该变换器拓扑适用于中高功率场合,广泛地应用于锂电池、超级电容储能装置等场合[13]。本文将重点介绍这种变换器。
1.3本文主要研究内容
本文的目标是研究一种隔离型双向DC-DC变换器,具体内容如下:
第一章:对直流微电网以及双向DC-DC变换器的研究背景与国内外研究现状作了具体的介绍。
第二章:分别介绍了直流微电网,储能系统以及双有源全桥DC-DC变换器的结构和工作原理。
第三章:具体分析了双有源全桥DC-DC变换器在两种控制方式下的工作原理与特性,并对其功率特性,软开关,回流功率等问题做了具体分析。
第四章:对双向DC-DC变换器进行参数设计,并运用MATLAB/SIMULINK对该变换器进行仿真实验,对第三章提出的内容进行验证。
第二章 直流微电网储能变换器的结构及原理分析
2.1直流微电网的结构及原理分析
微电网中有许多形式的分布式电源和直流负载。如果仅使用直流微电网,则无法快速方便地接入交流和交流负载。为了减少电能的转换次数,减少电能转换的能量损失,并促进各种分布式功率和负载接入微电网系统,直流微电网需要与交流微电网一起形成混合微电网系统[6]。 直流微电网具有两种操作状态。当微电网中的直流模块和交流模块之间的双向AC-DC转换器处于工作模式(整流或反转状态)时,直流微电网处于并网运行模式;当微电网中的交流模块发生故障或关闭时当直流模块与交流模块之间的双向交直流转换器处于停止模式时,直流微电网处于孤岛运行模式。直流微电网系统的结构如图2-1所示。每个光伏模块包括光伏面板和单相DC-DC升压转换器。每个能量存储模块包括能量存储元件和双向降压升压转换器。每个直流负载部分都包含一个单相DC-DC转换器,以满足不同电压水平的直流负载要求。

图2-1 直流微电网的结构图
岛式直流微电网的运行的经济性与可靠性直接受到分布式电源和各接口终端的协调控制的影响。直流微电网中的各种端子可以分为大致两种类型,分别为:电源端子和松弛端子(平衡节点)。电源端子可以提供或消耗功率,光伏部件工作在MPPT(最大功率跟踪点)模式,能量存储部件工作在充电和放电模式,恒定功率负载属于电源端子;松弛终端具有调整负载和微源引起的直流微电网的功率不平衡而保持直流母线电压的稳定性等等功能。监视和调节直流母线电压模式下的光伏模块和能量存储单元都是松弛端子。为了确保直流微电网的稳定运行,在任何时候,直流微电网必须至少有一个松弛端子,以保持直流母线的电压稳定性,实现整个微电网的总功率平衡。
2.2储能系统的原理分析
储能系统是保证直流微电网可靠、稳定、快速运行的关键部分,对直流微电网稳定运行的有重要调节作用。蓄电池作为主要的储能单元,在保持电源平衡和母线电压稳定方面起着重要作用。在蓄电池中,铅酸蓄电池由于价格比较便宜,容量比较大,因此占据很大的市场,但它也有很多很多缺点,比如:寿命短、污染环境,功率密度较小,过充过放或经常以小电流模式放电,蓄电池寿命会大大减小。
本文以铅酸蓄电池为例进行分析,蓄电池的充放电实际上就是一种可逆的化学反应过程,正极为二氧化铅,负极为铅,电解液为硫酸溶液。当蓄电池放电时,
、
、
发生反应生成
:
以上是毕业论文大纲或资料介绍,该课题完整毕业论文、开题报告、任务书、程序设计、图纸设计等资料请添加微信获取,微信号:bysjorg。
相关图片展示:







您可能感兴趣的文章
- 一种确定磁探针集总电路参数的标定方法外文翻译资料
- 一种人体可接触的大气压低温等离子体射流装置研究(适合电气B方向)毕业论文
- 氩氧中大气压DBD放电特性研究(适合电气B方向)毕业论文
- 大气压氩等离子体射流放电影响因素的仿真研究(适合浦电气B方向)毕业论文
- 含氧高活性均匀DBD改性聚合物薄膜研究(适合浦电气B方向)毕业论文
- 反应器结构对气液两相DBD放电特性的比较(适合浦电气B方向)毕业论文
- 南京某公司研发楼电气设计毕业论文
- 金帆北苑地块经济适用住房——02栋商住楼电气设计(适用于浦电气1004~06A方向学生)毕业论文
- 扬州人武部大楼电气设计毕业论文
- 金帆北苑地块经济适用住房——04栋商住楼电气设计(适用于浦电气1004~06A方向学生)毕业论文


