电动汽车车载逆变器电路设计毕业论文
2020-02-18 11:03:50
摘 要
随着现代科技的进步和车辆的普及,汽车逐渐产生了超越运输功能的娱乐功能。国内外越来越多的汽车可供装载电子设备,如:可移动电视,音响,DCD等等,而且在车辆上使用手机,平板电脑等电子设备也成了一种非常普遍的现象。因此,汽车作为日常生活中必不可少的交通工具,其车载逆变电源的研究在现代生活中具有相当高的科研意义。
本文基于以TMS320F28335型DSP作为CPU的控制器,采用直流升压和正弦波逆变器,该方法设计了一个汽车逆变电路,从165~247.2 V升压逆变到220 V AC。
直流升压采用boost升压电路拓扑,逆变部分采用全桥逆变拓扑及SPWM控制策略,主电路根据逆变电路的指标要求设计,包括器件的选型,滤波电路的参数设计等,并用Simulink仿真环境对电路进行仿真分析,分析表明电路的各个器件参数都能很好的实现设计要求。
本文实现了输入165~247.2V直流,输出220V/50Hz正弦交流电的设计,输出功率最高可达3KW,电压总谐波≤5%。
关键词:逆变电路设计;boost升压电路;全桥逆变电路;SPWM波;
Abstract
With the progress of modern science and technology and the popularization of vehicles, automobiles have gradually produced entertainment functions beyond transportation functions. More and more cars at home and abroad can be loaded with electronic equipment, such as: mobile TV, audio, DCD and so on, and the use of mobile phones, tablets and other electronic devices in vehicles has become a very common phenomenon. Therefore, as an essential means of transportation in daily life, the research on vehicle inverter power supply is of great scientific significance in modern life.
Based on TMS320F28335 DSP as CPU controller, this paper designs a vehicle inverter circuit from 165~247.2v voltage boost inverter to 220V ac inverter using dc boost and sine-wave inverter.
Dc booster uses boost booster circuit topology, part adopts full bridge inverter topology and SPWM inverter control strategy, according to the requirements of the inverter circuit indicator design the main circuit, including components selection, parameter design of filter circuit, using Simulink environment simulation analysis was carried out on the circuit, the analysis shows that the circuit of the device parameters can achieve the design requirements very well.
In this paper, the design of sinusoidal alternating current with input of 165~247.2VDC and output of 220V/50Hz is realized. The output power is up to 3KW and the total voltage harmonic is less than 5%.
Keywords: vehicle inverter circuit; Boost circuit; Full bridge inverter; SPWM inverter.
目录
摘 要 I
Abstract II
目录 III
第1章 绪论 1
1.1 课题背景 1
1.2车载逆变电源的发展和现状 1
1.3本课题设计要求与研究内容 2
1.3.1 本课题设计要求 2
1.3.2本论文主要内容 2
第2章 逆变电路拓扑结构选择 4
2.1 逆变电路总体结构设计 4
2.2 DC-DC升压拓扑结构及选型 4
2.3 DC-AC逆变拓扑结构及选型 6
2.4 本章小结 9
第3章 逆变电路器件参数设计 10
3.1 DC-DC变换器参数设计 10
3.2 DC-AC变换器参数设计 10
3.2.1 电压参数 10
3.2.2 电阻参数 10
3.2.3 IGBT的选择 11
3.2.4 滤波电路参数计算 11
3.3 本章小结 12
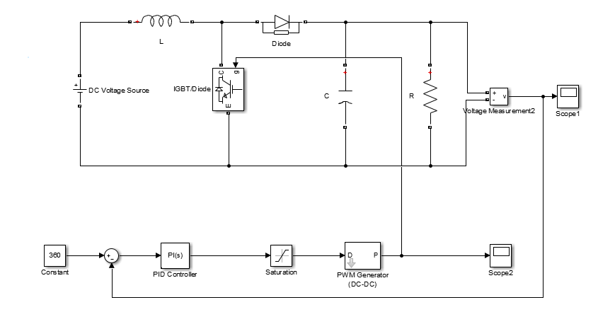
第4章 仿真与分析 13
4.1 仿真软件简介 13
4.1.1 MATLAB 13
4.1.2 SIMULINK简介 13
4.2 DC-DC升压电路的仿真及分析 13
4.2.1 BOOST开环升压电路 13
4.2.2 BOOST闭环升压电路 15
4.3 DC-AC逆变部分的仿真及分析 19
4.4 本章小结 22
第5章 总结与展望 23
参考文献 24
致谢 25
第1章 绪论
课题背景
现代科技的稳定快速发展,人们生活质量的日益提升,使得人们对美好生活的追求也在不断提升。汽车作为一种代步工具,在人们的想象力之下,除了运输作用之外还衍生出了一系列的娱乐功能。如今,很多车主喜欢在车上安装音响,DVD,电视机和其他电器,在车上使用手机,笔记本电脑,游戏机等可移动电子设备,以满足他们的日常需求。但是,市场上目前常用的电子产品更可能需要220V交流电,而不是动力电池所能提供的低压DC
。
有需求就有供应,在这种情况下,车载逆变器成为一种可以将低压DC转换成市电220V/50Hz的电子装置,正好符合目前市场上大多数电器的需求。车载逆变器可以大致分成三类,分类依据是其所带的负载特性。第一类:小型电热器具,电热杯等电阻负载。第二类:感性负载,如照明灯,电吹风等。第三类:整流负载,如打印机,充电器,游戏机等。
在欧美地区,由于经济较为发达,汽车对于每家每户来说就相当于一种日用品,也就是说,普及率相当可观。汽车逆变器可以直接连接到汽车的动力电池,可用于一般电子产品。当您长时间外出时,您可以在车上获得像在家一样的电器使用体验。也正是这个原因,现代人非常欢迎车载逆变器,其也逐渐成为每辆汽车的必需品。随着中国经济的增长和汽车普及率的提高,作为车载电子设备的动力源,汽车逆变器依赖于其强大的适应性和可靠安全的性能使其成为车载系统安全供电不可或缺的装置。目前,中国配备车载逆变器的车辆数量不到40%,汽车销量也很高
。
车载逆变器的研究不仅可以使人们在车上就可以随时用到电子设备,而且还能对仅支持低压直流电的地方提供帮助。比如,在草原游牧民族生活区或者偏远山区,就可以利用充电电池或者太阳能电池板保存电能,然后安装相应输入电压等级的车载逆变器,就可以解决相当大的日常需求。车载逆变器给用电困难的地区带来了福音。
1.2车载逆变电源的发展和现状
逆变是变换和控制电能的一种基本形式,现代逆变技术具有相当高的综合度,它包括了我们本科阶段学习过的最基本的模电技术,数电技术,电力电子技术,控制技术等。
逆变器是指整流器的逆向变换装置,其是将直流电改变成为交流电的一种电能变换装置,反之亦然。它通过控制半导体功率开关器件的导通和关断作用,进而实现电能的交直转换,具有一定的转换效率。
首先,作为逆变技术最基础的部分,我们设计逆变最开始的步骤一般是选择开关管。对于逆变电路来说,功率开关管的选择是最重要的,具体到以下方面,逆变器的开关管选择需要考虑到开关频率、导通电阻、承受最大电压电流等。目前通常使用的开关管有IGBT、MOS管、晶闸管等。MOS管大多使用于电压输入不高,输出功率也偏低的系统中,这是因为MOS管拥有导通阻抗较低、开关频率较高和成本较低的特点;而大电容,高电压系统一般采用IGBT;只有特大功率的电路系统才会采用晶闸管。
其次,科学技术的日益精进,在一定程度上也推动了逆变器的开关频率增加。电源的体积往往与工作频率成反比,但逆变电源的设计要求一般都是电源的尺寸越小越好,因此现代电源的设计逐渐走高频率运行的路径
。
电力电子器件的不断革新,推动了逆变电源的发展。一般来说,分为三个阶段:
第一代逆变电源采用晶闸管作为逆变器的开关器件,这类逆变器在很大程度上取代了旋转型交流机组的位置,并在企业的生产流程中起到了相当突出的作用。然而,由于这代逆变电源不具备关断功能,因此关断逆变电源的办法只有加大换向电路。此外,换流电路的器件体积大、拓扑结构比较复杂,还有除之不去的巨大噪音,这都是影响逆变电源进步的主要原因。
第二代逆变电源选用了自关断器件作为逆变开关器件。自20世纪70年代后,自关断器件的生产量迅速增加,逆变电源的质量因此得以提升,逆变电源的动态特性也得到了肉眼可见的加强。这一时期的主要产品有可关断晶闸管,电力晶体管等。
由于采用了实时反馈控制技术,第三代逆变电源则在质量上取得了重大突破。由于第二代逆变电源有诸多不足之处,第三代便对其进行了针对性的改良。虽然第三代逆变电源已经在逆变技术上有一定的发言权,但仍然不够完善,还需要进一步发展
。
将电源电能先升压再逆变可以减小体积,因此市场上的车载逆变器都是基于此研发的。升压调制通常使用脉冲宽度调制。脉冲宽度调制依据所带负载的变化来调整开关管的导通时间,以实现稳定输出的目的。逆变调制一般采用SPWM调制技术,想要调节逆变电路输出电压的频率与幅值,可以通过改变调制信号的频率与幅值加以实现。
目前,车载逆变电源的输出波形主要有校正波和正弦波。其中校正波逆变电源的输出电压波形主要有方波和梯形波,这两种波形的逆变电源的内部器件相对简单,设计也不复杂。但对于需要纯正弦交流电直接供电的情况则显得束手无策。纯正弦波车载逆变电源解决了修正波逆变电源的上述问题,其控制方式较为复杂,系统设计的成本比较高,适用于任何负载类型。
1.3本课题设计要求与研究内容
1.3.1 本课题设计要求
车载逆变器参数如下:
(1) 额定功率:3 kW
(2) 输入电压:165-247.2 VDC
(3) 输出电压: 220±10% VAC
(4) 电压总谐波: ≤5%
1.3.2本论文主要内容
- ,介绍了车载逆变电源课题背景和发展,并进一步讨论车载逆变器的研究价值。
- ,根据车载逆变电路的总体设计要求,进行电路拓扑结构的选型与参数计算。
- ,介绍用于控制电路的相关调制技术。
- ,对前文设计的电路进行仿真与分析。
- ,对整个毕业设计进行总结。
逆变电路拓扑结构选择
根据本设计的要求,要将动力电池提供的165~247.2 V直流电转换为输出220 V/50 HZ正弦交流电,这就包括了将直流电升压到360 V和将360 V直流电逆变成220 V交流电这两个过程。
2.1 逆变电路总体结构设计
本文设计的逆变电路主要由前级DC-DC升压部分和后级DC-AC逆变部分组成。设计的电路大致流程图如图2.1所示:

图2.1车载逆变电路功能框图
2.2 DC-DC升压拓扑结构及选型
DC-DC变换是放大或者缩小DC电压的变换,也被称为直流斩波。斩波器的工作方式有两种,一种是频率调制,另一种是脉宽调制方式。即Ts不变,改变ton(通用)。
(1)Boost升压电路,利用电感吸收和释放能量,可以将输入电压进行放大,且输入输出电压极性相同。
(2)Buck电路,利用电容充放电,可以将输入电压进行缩小,且输入输出电压极性相同。
(3)Buck-Boost电路,输入输出电压极性相反,放大或缩小输入电压,电感传输。
(4)Cuk电路,输入输出电压极性相反,放大或缩小输入电压,电容传输。
上述为非隔离型电路,隔离型电路有全桥电路、正激电路、推挽电路。本次设计DC-DC增益不高,因此考虑非隔离式变换器,由于是直流升压,故选择Boost升压电路。
Boost升压电路的拓扑结构如图2.2所示:

图2.2 Boost升压电路
工作原理如下:
第一个过程,充电,开关管闭合(IGBT导通),等效电路如图2.3所示,开关相当于短路。输入端电压流经电感。电容不能放电到地,这就是二极管的阻塞效应。由于输入的是DC电流,所以电感上的电流变化呈现一元函数的图像而增加,并且该增加比率与电感具体的值有关。随着电感电流的不断增加,将电感中注入了一定的能量。

图2.3 充电过程等效电路图
第二个过程,放电,开关管断开(IGBT截止),等效电路如图2.4所示。此时开关断开,开关处相当于断路。流经电感的电流不会马上变为0(因为电感的电流保持特性),而是逐渐的由一定值递减至0。而电感只能通过新电路放电,即电容开始充电,电容两端电压上升。电压得到提升,整个过程结束。

图2.4 放电过程等效电路图
电路稳定后,一个周期T中电感L放出的能量与吸收的能量相等,故:
(1)
化简得:
(2)
Boost升压电路能提升电压,是因为:1.电容C可将输出电压保持住。2.电感L具备一定能量之后可以使电压骤升。如前文所述,理论上认为开关管处于通态期间输出电压不变(电容C导致的),但实际上C值不可能是理想水平,在此阶段其向负载放电,会导致输出电压下降,故实际输出电压会略低于式(2)所得结果。
2.3 DC-AC逆变拓扑结构及选型
根据DC侧能量存储元件的不同形式,逆变电路可以分为电压型逆变电路和电流型逆变电路。电压型逆变器一般连接串联负载,因此他们也被称为串联谐振逆变器,而电流型逆变器一般连接并联负载,因此他们也被称为并联谐振逆变器。
逆变电路是一种将直流电变换成交流电的电路,与整流电路相对应。有源逆变是指交流侧接有电源;无源逆变是指交流侧直接和负载连接。
逆变电路的使用相当广泛。在目前市场上已有的各种电源中,太阳能电池、干电池、蓄电池等都是直流电源,当然,车载动力电池也是直流电源。而只有经过逆变电路逆变了,这些直流电源才能够向交流负载供电。
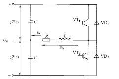
- 半桥逆变
半桥逆变电路是逆变电路中最基础的电路,其对于我们深入了解逆变电路有着重要意义。半桥逆变拓扑结构如图2.5所示

图2.5 半桥逆变电路
下面介绍其原理:
开关器件
和
的输入信号在一个周期内各有半个周期正偏,半个周期反偏,且二者互补。如图2.6所示,当负载为感性时,其输出电压
为方波,幅值为
。输出电流
波形则随根据负载情况而不同。设
时刻以前
为断态,
为通态。
时刻令
关断,令
开通,则
关断,但由于电感的续流作用,
无法瞬间改变方向,所以
导通续流。运行到
时刻时,
降为0,
开通,
截止,
开始反向。同理可得,在
时刻令
开通,令
关断后,
先导通续流,
时刻
才开通。

以上是毕业论文大纲或资料介绍,该课题完整毕业论文、开题报告、任务书、程序设计、图纸设计等资料请添加微信获取,微信号:bysjorg。
相关图片展示:







您可能感兴趣的文章
- 一种确定磁探针集总电路参数的标定方法外文翻译资料
- 一种人体可接触的大气压低温等离子体射流装置研究(适合电气B方向)毕业论文
- 氩氧中大气压DBD放电特性研究(适合电气B方向)毕业论文
- 大气压氩等离子体射流放电影响因素的仿真研究(适合浦电气B方向)毕业论文
- 含氧高活性均匀DBD改性聚合物薄膜研究(适合浦电气B方向)毕业论文
- 反应器结构对气液两相DBD放电特性的比较(适合浦电气B方向)毕业论文
- 南京某公司研发楼电气设计毕业论文
- 金帆北苑地块经济适用住房——02栋商住楼电气设计(适用于浦电气1004~06A方向学生)毕业论文
- 扬州人武部大楼电气设计毕业论文
- 金帆北苑地块经济适用住房——04栋商住楼电气设计(适用于浦电气1004~06A方向学生)毕业论文


