APF仿真研究毕业论文
2020-02-18 11:00:21
摘 要
由于电力电子技术的快速发展和广泛使用,电网中的谐波污染日益严重,它对电网的安全经济稳定运行具有重要影响,谐波问题已成为一个不可忽视的问题,关于谐波抑制的研究也已成为电力电子工作者需要解决的一个重要问题。谐波抑制的思路基本分为改善谐波源装置和补偿谐波两种。自基于瞬时无功功率理论的谐波检测法被提出以来,电力有源滤波器日益成为实际中抑制谐波污染的最重要手段之一。
本文从谐波问题出发,分析了谐波研究的背景、意义及现状。之后以并联型电力有源滤波器(APF)为例,说明了其补偿谐波的工作原理,并具体分析阐述了APF指令电流运算电路、补偿电流发生电路等各部分的功能及实现方法。最后,借助Matlab的Simulink仿真平台,进行了并联型APF仿真模型的设计搭建,分析仿真结果表明,并联型电力有源滤波器接入电网可以很好的实现实时动态补偿谐波的功能。
关键词:电力有源滤波器;谐波抑制;瞬时无功功率理论;电流跟踪控制
Abstract
Due to the rapid development and widely use of power electronic technology, harmonic pollution in the power grid is increasing serious. This problem has important effects on safe, economic and stable operation of the power grid. Harmonic pollution has become a problem which cannot be ignored, and the research on harmonic suppression has also been an important subject which need power electronics workers to study hard. Improving harmonic source device and compensating harmonic are two methods of harmonic suppression. Since Instantaneous Reactive Power Theory was proposed, active power filter has become one of the most important means to control harmonic pollution in practice.
This paper introduces the background, present situation and significance of harmonic research. Then it explains the working principle of the shunt active power filter (APF) to compensate the harmonic as an example. And it analyzes and explains in detail the functions and implementation methods of instruction current operation circuit and compensation current generation circuit of APF. Finally, with the help of simulation platform that called Simulink in Matlab, the design and construction of shunt active power filter simulation model are carried out. The analysis and simulation results show that the shunt active power filter connected to the power grid can well realize the real-time and dynamic harmonic compensation function.
Key Words: active power filter; harmonic suppression; instantaneous reactive power theory; current tracking and control
目 录
摘 要 Ⅰ
Abstract Ⅱ
第1章 绪论 1
1.1 谐波问题的背景及意义 1
1.2 国内外研究现状 2
1.3 APF的特点及分类 3
1.4 本文内容概述 4
第2章 APF的基本原理及系统构成 5
2.1 并联型APF的基本工作原理 5
2.2 指令电流运算电路 6
2.2.1 概述 6
2.2.2 基于瞬时无功理论的谐波检测法原理 7
2.2.3 p-q 运算方式 9
2.2.4 -运算方式 9
2.2.5 两种运算方式的比较 10
2.3 电流跟踪控制电路 10
2.3.1 概述 10
2.3.2 滞环比较器的瞬时值控制方式 11
2.3.3 三角波比较方式 13
2.3.4 两种电流跟踪控制方式的特点比较 13
2.4 主电路工作原理 13
2.5 直流侧电压控制原理 14
2.6 本章小结 15
第3章 APF在Simulink中的建模仿真设计 17
3.1 电源与谐波源负载的建模 17
3.2 指令电流运算电路的建模 17
3.3 电流跟踪控制电路的建模 19
3.4 主电路及电压控制电路的建模 20
3.5 APF仿真总模型 21
3.6 本章小结 22
第4章 仿真结果及结论 23
第5章 总结与展望 26
参考文献 27
致 谢 28
第1章 绪论
1.1 谐波问题的背景及意义
在我国电力系统的标准下,电网频率应为50Hz。而电力系统中的谐波指的是电网中的电气量频率与基波不同的正弦波分量,一般,谐波的频率高于基波,但对应的谐波幅值是低于基波的。无功是指电网运行状态下感性负载或容性负载等非线性元件与电源发出的能量之间进行能量转换的过程是所需要占用的电网容量,当某段电路两端电压与流经它的电流相位不相同即负载呈非线性时就会产生谐波和无功损耗。现代电力系统日益错综复杂,谐波与无功问题相互联系,不可割裂。
在理想状态下,电力系统中接入的负载获得的是来自电力系统基本稳定的供电电压,且容量足够大,不会随负载的特性而使该稳定电压的频率或幅值发生改变。但随着科学技术的发展,电力系统的现代化也在飞速进步,新兴多样的电力装置为了满足不同的需要被应用于电网,尤其是包括在电力系统中大功率整流设备和调压装置的应用、高压直流输电技术的利用等,这些骤增的非线性负荷的出现使得电力系统中的电气量波形畸变严重,这就是“谐波污染”。这些情况的出现会造成严重的不利影响[1]。主要表现为:
(1)大量谐波的引入首先会使得工频正弦形的电流波形产生畸变,主要是引入的奇次谐波,造成电能质量变差,这对于使用电能的用户及相关领域造成影响;
(2)电力系统非线性负载负荷较大,当其投入的电力电容器谐波阻抗小,产生的谐波电流会很大,再加上如果发生感抗和容抗发生等效时,电力电容器会因谐波电流过大面临寿命变短甚至烧坏的风险。
(3)谐波电流的出现,使得变压器的铜损耗增大,从而引发噪声以及温度升高的情况;此外它还使得励磁电流的谐波分量加大,造成局部过热、局部放电、绕组温度升高等,对电力变压器稳定运行造成影响。
(4)输电路线中谐波电流和集肤效应的综合影响,将会使得输电线路中损耗加大,从而输电效率降低;
(5)对于继电保护及自动装置的正常工作,谐波的出现会使得这这些装置发生保护动作的拒动,造成被保护装置发生烧坏等的危险。
(6)谐波对一些在电力系统中运行的装备造成危害。如:对同步发电机,注入的谐波电流及负序电流使得它附加损耗变大,引发局部发热的严重现象;对断路器,谐波会使得其中的磁吹线圈没法正常工作,导致不能切断故障电流,造成器件的烧坏;对载波通讯,谐波主要造成语音通信上的失真、噪声等,更为严重的情况下则使得信息丢失、通讯系统没法正常工作。
所以,谐波补偿的研究对于减轻这些不利影响,提高社会能源利用率,推动电能绿色发展都具有重要的意义。
该研究也对推动电力电子技术向前迈进的有着重要的作用。在未来,我们社会生活中用到的绝大多数电能的利用都将通过电力电子装置被传递转换利用。在发达国家,这一趋势的发展尤其明显。电力电子技术将在极大程度上改变我们的生活。谐波问题是电力电子装置在应用过程中带来的不良附加影响,要优化电力电子的应用,必须解决这个问题,无法回避。
谐波研究的意义也在于可以促进电网环境的绿色发展。在当今社会,全世界都倡导绿色发展,而对电力系统这个环境来说,其“绿色”发展的一个关键标志就是“无谐波”。电气电子工程师和这些技术的研究者、学习者有责任为治理谐波污染,维护电力系统中“绿色”环境做出持之以恒的不懈努力。
1.2 国内外研究现状
目前关于谐波抑制主要从两个方向[2]进行研究:其一是装设能够补偿谐波的装置;二是从源头减少谐波污染,也就是对造成主要污染的谐波源,即各类电力电子装置进行优化改造,尽可能使其减少产生的谐波,同时降低其自身运行需要消耗的无功功率,或者设计使其能调节并控制功率因数以满足不同运行状态的需求。
一种比较传统的补偿无功和谐波的重要方式是采用LC调谐滤波装置。LC调谐滤波器虽然在使用的补偿性能上存在一些难以完善的不足,但这种装置结构简单,成本较低,因而直到现在也被广泛应用于解决电力系统中的谐波污染的问题。关于它的研究现在则大多集中于LC调谐滤波器的优化设计问题、与有源滤波装置配合使用的混合滤波器,多组滤波器协同配合工作时的规划设计和如何最小化成本的问题等。
当前的最重要最广泛最主流的方式是采用电力电子装置进行谐波补偿,典型代表就是电力有源滤波器(Active Power Filter,缩写为APF),与LC调谐滤波器相比,APF明显具有更优越的性能。
APF最初的萌芽思想早在本世纪六七十年代就已被设计提出。在1969年Bird和Marsh等人发表的论文中,他们提出了改善含谐波电网波形的新方法,也就是通过另外向交流电网注入谐波电流来抵消电源电流中的谐波。到1971年,Sasaki和Machida的论文首次完整地描述了APF的基本原理,但由于当时在实际中并没有直接纳用,因为在当时的科技条件下,他们是用线性放大器产生谐波补偿电流,损耗既大,成本又高。后来1976年,Gyugyi等人提出了采用控制变流器构成的APF,由此形成APF的完整概念和主电路拓扑结构[3]。80年代以来,新型电力半导体器件的出现以及脉宽调制(PWM)逆变技术的发展,Akagi基于瞬时无功功率理论的谐波电流瞬时检测方法的提出等为APF的迅速发展提供了重要条件[4]。有源电力滤波器逐渐被很多人们所关注,有了很大的进步。
1982年,在日本研制成功了第一台由可关断晶闸管构成的有源电力滤波器,并且在实际投入运行中取得了良好的反响。随后,“三相电路瞬时无功功率理论”成功应用在了谐波电流检测领域,更是取得了重大突破。经由多年来的摸索和研究,数字信号技术以及有源滤波技术的快速发展都极大增进了有源电力滤波器的进步,已逐步步入了实用化的阶段。
国外的有源电力滤波器以日本为代表,自20世纪90年代走上了工业化生产的道路。我国有源电力滤波器的研究也自20世纪90年代开始,虽然起步较晚,但是近年来也开始批量生产并应用在工程实际[5]。相较于一些工业发达国际虽有一些差距,但也在慢慢缩小。
如今,随着电力系统的规模的扩大,自动化智能化水平的日益提高,各种大功率电力电子装置,先进的智能控制策略也被大量应用于电流源滤波器的设计中,高电压大容量环境下的谐波治理研究成为一个重要方向。
1.3 APF的特点及分类
电力有源滤波器的在电网中正常工作时的基本特点可总结如下:
(1)可实现快速的谐波和无功动态跟踪补偿;
(2)可以在同一时间既补偿谐波又补偿无功,补偿无功时可做到连续调节;
(3)补偿无功时不需要装设其他贮能元件;
(4)有源电力滤波器即使在补偿对象电流过大的情况下也不会发生过载,仍能正常工作;
(5)基本不受电网阻抗对其的影响,和电网自身阻抗发生谐振的可能性很小;
(6)补偿性能好坏不会受电网频率变化的影响,因为能跟踪电网频率的变化;
(7)可以对一个或多个谐波和无功源进行单独的或集中的补偿。
有源电力滤波器的分类方法有很多,如下图1.1所示,在实际应用中根据不同特点选择种类。按主电路连接的储能元件类型,可分为电流型和电压型两种;以实际应用场合的电源相数和连接分为三相和单相;根据控制方式分,一般大都采用PWM方式,但又可具体细化为三角波载波的PWM方式、多脉冲PWM方式以及跟踪控制方式;根据PWM个数,又有单个主电路和多重化的结构之分;根据输出的电平数可分为三电平与多电平;根据与电网的相连方式,分为电压型与电流型等。

图1.1 有源电力滤波器的分类框图
单独使用的并联型电力有源滤波器是所有有源电力滤波器中最基本的一种,在实际电力工程中应用最多,它具有源电力滤波器最典型的特点。可以将并联型有源电力滤波器看做可以根据具体运行需求发出相应谐波电流的电流源,向电网注人补偿电流,抵消谐波,它通常也适用于对可以看作电流源的谐波源进行补偿作用。下文即以并联型电力有源滤波器在三相三线制系统中的应用为例说明电力有源滤波器的具体的原理及工作特点。
1.4 本文内容概述
对于本文的所做的具体工作及内容做如下概述。
第1章绪论主要介绍谐波和无功的概念,谐波问题的背景意义及针对解决谐波问题的国内外研究现状,由此引出电力有源滤波器对于解决谐波问题的重要意义。接着对电力有源滤波器的工作特点及分类做了简要介绍。第2章选定关联电压型电力有源滤波器为例,对其补偿谐波的工作原理及结构作出了详细论述,将其结构分为四部分分别进行功能及实现方法的说明。基于瞬时无功理论的p-q运算方式和??-??运算方式的指令电流运算电路,电流跟踪控制电路下的滞环比较法和三角波比较法,主电路及直流侧电压控制电路完成功能的原理。第3章主要阐述了在Matlab的Simulink中进行APF各部分电路模型搭建的过程,包括如何选择相关参数及模块元件,最后得到并联型电力有源滤波器的整体仿真模型。第4章对仿真结果的波形做出对比及分析,得到关于方案设计合理性及APF工作性能的结论。第5章对全文做出总结对APF的发展未来做出展望。
第2章 APF的基本原理及系统构成
2.1 并联型APF的基本工作原理
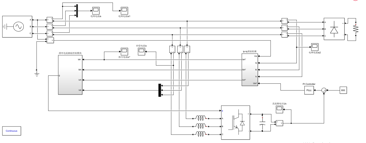
并联型有源电力滤波器的工作过程是,通过检测被补偿对象的电压和电流,经过一定的原理计算补偿对象的波形中的谐波分量,并产生与这种谐波分量大小相同,方向相反的谐波分量信号,作用于驱动电路,控制PWM整流器开关器件的开通及关断,从而使之发出与谐波补偿信号一致的补偿电流,这样,原来的负载电流波形经过补偿电流的叠加作用,大部分多余的谐波分量被抵消,只剩下标准的基波信号,更接近理想工作情况所需要的正弦条件。
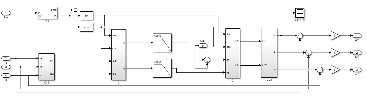
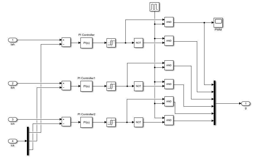
有源电力滤波器(APF)的基本工作系统构成如下图2.2所示。主要由以下两个大的功能模块组成:指令电流运算电路和补偿电流发生电路,但是补偿电流发生电路完成功能又需要电流跟踪控制电路、驱动电路和主电路三个主要的模块。
在图2.1中,表示电网电源,表示电源电流,表示负载电流。当未装设APF时,只有电网电源与负载连接,由于实际中大量负载呈非线性,接入电网后,会使电网波形发生畸变,这样的波形中包含大量谐波,非线性负载成为谐波产生的主要来源。当加入了APF来补偿负载所产生的谐波电流时, 有源电力滤波器第一步首先检测出补偿对象负载电流中的谐波分量,将这个检测到的信号做反极性工作后作为补偿电流的指令信号,再输入电流跟踪控制电路,电流跟踪控制电路将该信号与主电路实际产生的补偿电流的反馈信号做差值比较,输出控制驱动电路的PWM信号,该信号调整控制主电路发出的补偿电流的大小,使之尽量满足补偿谐波的要求,此时由补偿电流发生电路产生的实际补偿电流与负载电流中的谐波分量模值相等、方向相反、相互抵消,此时没有了谐波的作用,就使得电源电流中只剩下正弦基波分量。

图2.1 并联型APF基本工作原理
上述原理中各信号量的关系可以用一组数学公式可描述如下:
(2.1)
(2.2)
(2.3)
(2.4)
式中 ——负载电流的基波分量。
2.2 指令电流运算电路
2.2.1 概述
指令电流运算电路又称为谐波检测电路,是电力有源滤波器完成功能最重要的一个环节,因为它对谐波的检测准确与否、快速与否都在很大程度上影响着其他电路组成部分的工作,因而十分重要。选择合适的方法进行谐波检测或指令电流运算对电路功能实现的好坏,对谐波补偿的实时性重要意义。该电路需要完成的功能是快速准确地检测负载侧电流波形,确定对补偿对象的补偿目的,为接下来进行实时的、针对性的电流补偿提供依据。若检测的准确性越好,谐波补偿的精度就会越高,若谐波电流检测地越快,补偿作用发生的动态响应电路需求也会更加迅速。
2.2.2 基于瞬时无功理论的谐波检测法原理
三相电路的瞬时无功功率理论于20世纪80年代被提出,并成功应用在很多方面。该理论的核心与一直以来通过平均值的概念为基础的形式来定义功率的方法不同,而是通过变换坐标系,在新构建的坐标系中,该理论重新系统地定义了瞬时有功电流、瞬时无功电流、瞬时无功功率、瞬时有功功率等量。将该理论将平均量转化为瞬时量,当用于电网谐波检测时,可实现谐波的瞬时检测计算,且具有较好的实时性。本设计中的指令运算电路的原理就是基于瞬时无功功率的谐波检测原理。
该原理将三相电压和电流采用一种确定的坐标公式变换到一个新定义的坐标系中,称为αβ坐标系,该坐标系由相互正交的两条坐标轴α、β轴构成[4],变换公式如下所示。
以上是毕业论文大纲或资料介绍,该课题完整毕业论文、开题报告、任务书、程序设计、图纸设计等资料请添加微信获取,微信号:bysjorg。
相关图片展示:







您可能感兴趣的文章
- 一种确定磁探针集总电路参数的标定方法外文翻译资料
- 一种人体可接触的大气压低温等离子体射流装置研究(适合电气B方向)毕业论文
- 氩氧中大气压DBD放电特性研究(适合电气B方向)毕业论文
- 大气压氩等离子体射流放电影响因素的仿真研究(适合浦电气B方向)毕业论文
- 含氧高活性均匀DBD改性聚合物薄膜研究(适合浦电气B方向)毕业论文
- 反应器结构对气液两相DBD放电特性的比较(适合浦电气B方向)毕业论文
- 南京某公司研发楼电气设计毕业论文
- 金帆北苑地块经济适用住房——02栋商住楼电气设计(适用于浦电气1004~06A方向学生)毕业论文
- 扬州人武部大楼电气设计毕业论文
- 金帆北苑地块经济适用住房——04栋商住楼电气设计(适用于浦电气1004~06A方向学生)毕业论文


