基于滞环控制的有源电感设计毕业论文
2020-02-18 10:58:40
摘 要
随着生产力的迅猛发展,电力电子变流装置广泛应用于各类现代装备和系统中,而这些负载由于冲击性、不平衡等特点会产生大量谐波。有源滤波器相比于无源滤波器而言,具有相应速度快、重量轻等特点,适用于补偿频率和幅值都变化的谐波分量。因为其优越良好的补偿特性,不受电网阻抗的影响,在滤波要求较高的场合应用较无源滤波应用多,为了更好的提高无源滤波的性能,有必要对其电路结构、控制策略及其应用进行深入的研究和改进。
本文以三相不控整流电路为主电路,首先介绍了功率为1000W的三相不控整流电路原理和拓扑结构,分析无源LC滤波下电路性能,改变电感值,观察不同电感值下滤波效果和交流侧电流谐波情况。然后介绍了有源电感器结构和滞环控制工作原理,提出基于滞环控制的有源电感器控制策略,并且观察相同等效电感值下滤波效果和交流侧电流谐波情况,加以比较,验证有源电感器设计的有效性。在MATLAB/Simulink仿真环境下搭建无源LC滤波和有源电感滤波三相不控整流器系统的仿真模型,用Simulink的powergui中FFT功能进行交流侧电流谐波分析,仿真结果表明,相同等效电感值下有源电感滤波效果略好于无源LC滤波,但是有源电感比无源电感体积小重量轻,达到预期设计效果。
关键词:有源电感器;无源电感器;滞环控制;谐波分析。
Abstract
Active inductor research is one of the research priorities in the field of power electronics. Researching and designing active inductors is of great importance in compensating for harmonics and purifying the power grid. The purpose of active inductor research is to replace traditional passive inductors, overcoming the inadequacies such as large size and weight, and parameters that change during aging. Active inductors are not only small in size but also reliable in performance, making them the focus of research in improving power quality in recent years.
In this paper, the three-phase uncontrolled rectifier circuit is the main circuit. Firstly, the principle and topology of three-phase uncontrolled rectifier circuit with power of 1000w are introduced. The performance of the circuit under passive LC filtering is analyzed, the inductance value is changed, and the filtering effect under different inductance values is observed. And AC side current harmonics. Then the active inductor structure and hysteresis control working principle are introduced. The active inductor control strategy based on hysteresis control is proposed. The filtering effect and the AC side current harmonic under the same equivalent inductance value are observed and compared. The effectiveness of active inductor design. In the MATLAB/Simulink simulation environment, the simulation model of passive LC filter and active inductor filter three-phase uncontrolled rectifier system is built. The FFT function of Simulink's powergui is used for AC side current harmonic analysis. The simulation results show that the same equivalent The active inductor filtering effect under the inductance value is slightly better than the passive LC filtering, but the active inductor is smaller and lighter than the passive inductor, achieving the expected design effect.
Keywords: active inductor; passive inductor; hysteresis control; harmonic analysis.
目录
摘要 I
Abstract II
第1章 绪论 1
1.1研究背景及意义 1
1.2国内外研究现状 1
1.3本文研究内容及章节安排 3
第2章 LC滤波三相桥式不控整流电路分析与仿真 4
2.1三相桥式不控整流电路设计 4
2.1.1三相桥式不可控整流电路原理 4
2.1.2无源滤波电路分类及其原理 4
2.2电感值不同时电路仿真分析 7
2.2.1 MATLAB/Simulink仿真软件 7
2.2.2 LC滤波三相桥式不控整流电路仿真分析 7
2.3谐波分析 13
2.4本章小结 15
第3章 有源电感滤波三相不控整流电路设计与仿真 16
3.1有源电感设计 16
3.2滞环控制工作原理 18
3.3带有源电感滤波下电路仿真分析 20
3.4谐波分析 26
3.5本章小结 27
第4章 两种滤波方案电路对比及系统结构优化 28
4.1 LC滤波和有源电感滤波方案对比 28
4.2加入软启动电阻和三端双向可控硅开关 31
4.3使用PWM前端整流 32
4.4零电压开关(ZVS)技术 32
4.5本章小结 34
第5章 总结与展望 35
5.1工作总结 35
5.2工作展望 35
参考文献 37
致谢 39
第1章 绪论
1.1研究背景及意义
伴随着现代工业的崛起,电力电子技术的发展也非常快速,大到航空航天,小到手机充电,均离不开电力电子技术。电力电子装置在给我们生活带来巨大便利的同时,也对公用电网带来了大量谐波电流和谐波电压,公用电网中谐波电流和谐波电压对电网本身和用电设备的安全造成不利影响[1]。我国科学技术不断进步,在新技术引入的同时,电力系统中增加了大量非线性负载,比如各种传统非线性设备中的变压器、交直流电机以及电弧炉等和现代电力电子非线性设备中的整流逆变器、变频调速器等[2]。因而滤波器的研究十分重要,由于无源滤波器结构简单价格低廉可靠性高,通常选用无源滤波器来抑制谐波和解决无功电流问题,但是无源滤波器体积大重量大,且负载效用明显,老化过程参数易改变,已经越来越满足不了电力系统日益发展的需要[3]。
电感是指当电流留过通电导体时,导体两端产生磁场,磁场又会产生感应电流阻碍通过线圈的电流变化,科学家通过这个原理做成变压器和互感器类的电子元件。一个理想的电感是不消耗能量的,电感两端电流是不可以突变的,正是由于这些特性,电感成为电子电路中不可或缺的元件之一。电感也被广泛的应用在电抗器电路,滤波器电路,谐振电路,低相位噪声放大器电路,功率分配器电路中[4]。
通过摩尔定律可以表明:随着集成电路的发展,各元件的尺寸都在逐渐减小。在集成电路中或者微型电路中,电阻和电容的体积重量减小比较容易实现,而对电感体积重量减小比较困难。因为电感值和它的体积有着固定的关系,经过理论推导表明,若尺寸减小到原来的十分之一,那么电感值将减小到原来百分之一而电感值太小的话将会不能满足电路性需求,因此为了解决这一缺点,我们常用有源电路来等效电感,将之称为有源电感,有源电感比无源电感稳定性更好,精度更高,而且尺寸也得到进一步减小[5-6]。
因此有源滤波的研究和设计就尤为重要,传统有源滤波器如有类似拓扑结构的串联有源滤波控制复杂,而基于滞环控制的有源电感结构紧凑,占地面积小,重量轻,为系统设计人员提供了更大的灵活性,并为其他需求提供了更多空间,且电感值是动态可调的,在进行谐波抑制和无功补偿方面具有较好的效果。
1.2国内外研究现状
有源电感的研究从初始阶段到现在已经出现了很多类型,其主要设计方法包括采用传统运放设计的有源电感,采用晶体管设计的有源电感和采用回转器倒逆特性的有源电感等。由于有源电感优点众多,国内外研究都比较多。
国外对有源电感的研究颇为丰富。意大利拉奎拉大学的Giorgio Leuzzi等人设计了基于全积分无电感高品质因子有源电感(AI)的射频带通滤波器[7]。它可以在1.8GHz到2GHz的中心频率范围内进行调谐,并具有较高的Q值,但没有给出等效电感值及其检验。葡萄牙的电信研究所和军事学院设计的有源电感电路仿真值达到0.3nH,品质因素高也非常高[8]。马来西亚科技大学的Ler Chun Lee等人将有源电感用于CMOS全集成可调谐镜像抑制(IR)低噪声放大器(LNA)[9]。该文章不仅给出了有源电感的拓扑结构图,还给出了等效电感的推导式。法赫德国王石油矿产大学的MunirA.Al-Absi等人使用一个电流传感器(CCII±)、一个双输出跨导放大器(DO-OTA)和一个接地电容器设计出新型有源电感,该电感电感可调谐范围从几mH调整到2H以上[10]。德累斯顿工业大学的T.Meister等人将有源电感用于AM探测器电路中,该有源电感设计中仅使用一个晶闸管,探测器消耗极小功率,效率提高接近10倍之多[11]。拉奎拉大学电气与信息工程系的G. Leuzzi等人仅用一个晶体管和无源补偿网络组成有源电感,并且可以控制电感和串联电阻的值,该电感具有高线性度和高动态范围[12]。乔治华盛顿大学电气与计算机工程系的Kevin Dobson等人利用负阻抗电路的有源电感器谐振器代替无源电感,加入到连续时间带通的模数转换器中,极大地减小了芯片面积[13]。
国内从二十世纪初已经开始研究有源电感,第一个提出用有源电路代替无源电感,即有源电感的是安徽大学的孙学平等人[14]。该文章用运放实现阻抗变换器、回转器,并由此实现模拟电感进行了理论推导与计算。在此基础上,通过实验做了模拟电感,并完成一系列的测试,但是只给出了理论层面的分析。随着电路集成化和微型化的发展,浙江大学的王路,支天等人提出了用回转器和理想放大器来进行网络综合[15]。该文章从回转器的原理和特性出发,用回转器来模拟几种类型电感。湖南大学的张红南,杨智勇等人在普通接地电感的基础上提出了一种改进型的有源电感,不仅给出了该有源电感等效电路图,还给出了每个元件参数具体表达式,测出在某种范围工作频率下有源电感的电感值和Q值均能达到很大[16]。清华大学李政等人提出了一种使用有源电感的电路实现方案,可用于宽带无线收发机射频放大电路的设计中。分析了有源电感的阻抗与各元件取值的关系,设计了中心频点调节电路和具有鲁棒性的偏置电路,保证工艺偏差和电源电压波动对有源电感的阻抗具有很弱的影响[17]。北京大学的Nair,M.U等人介绍了一种基于有源电感的LNA,用于较低的UWB通信带宽(3-5GHz),并且该文章将有源电感电感值进行了理论推导[18]。东南大学的夏少东等人使用有源延时单元构成延时线的主体以替代传统LC网络,运用到实时延时技术中,优化芯片设计面积,使得整体电路不仅面积小集成度高,而且工作频率范围宽[19]。北京工业大学信息学部微电子学院的黄建程等人利用回转器提出原理提出一种工作频带宽、电感值大Q值高且可以独立调节的有源电感,实验结果表明,Q值可高达1996,电感峰值可高达54nH,工作频带为0~12GHz[20]。
本文在阅读上述文献基础上不仅给出了基于晶体管的有源电感的结构,还给出了等效电感的推导和相应的控制策略,并且等效电感是可以调节的,有源电感器结构紧凑重量轻,在替代无源电感的作用上非常明显。
1.3本文研究内容及章节安排
本文研究主要是在传统无源电感基础上设计出有源电感,并给出相应的控制策略。先观察无源LC滤波对三相不控整流电路的影响,通过改变电感值观察滤波效果,然后设计出基于滞环控制有源电感,并用仿真验证其有效性。
本文共由五部分组成,各部分内容安排如下:
第1章,绪论。介绍本文的研究背景和意义,有源电感研究的现状以及本文研究内容。
第2章,LC滤波三相桥式不控整流电路分析。因为有源电感是在无源电感基础上提出来的,只有研究好无源电感滤波才能更好分析有源滤波情况,所以先设计出1000W功率的三相不控整流电路,然后改变无源电感值,观察交流侧电流谐波组成成分和此时电路性能。
第3章,有源电感滤波三相桥式不控整流电路设计与仿真。首先提出了基于晶体管有源电感器结构,即用一个小电感器,高频直流链路电容器和一个H桥组成。然后介绍了滞环控制工作原理,控制有源电感器工作的控制策略。用MATLAB/Simulink进行仿真,观察交流侧电流谐波分析和电路性能。
第4章,方案对比及系统结构优化。将两种电路在一个仿真环境中搭建,用同一个示波器将两种情况进行比较,观察输出电压和交流侧电流的效果以验证有源电感器设计的有效性。并且在原有电路基础上提出了三种结构优化方案,有加入软启动电阻和双向可控硅开关,零电压开关技术和PWM前端整流。分别介绍了三种方案的原理和优缺点,同时也是在本文研究的基础上,提出下一步的研究发展方向。
第5章,总结与展望。对全文进行总结,然后提出下一步研究发展方向。
第2章 LC滤波三相桥式不控整流电路分析与仿真
2.1三相桥式不控整流电路设计
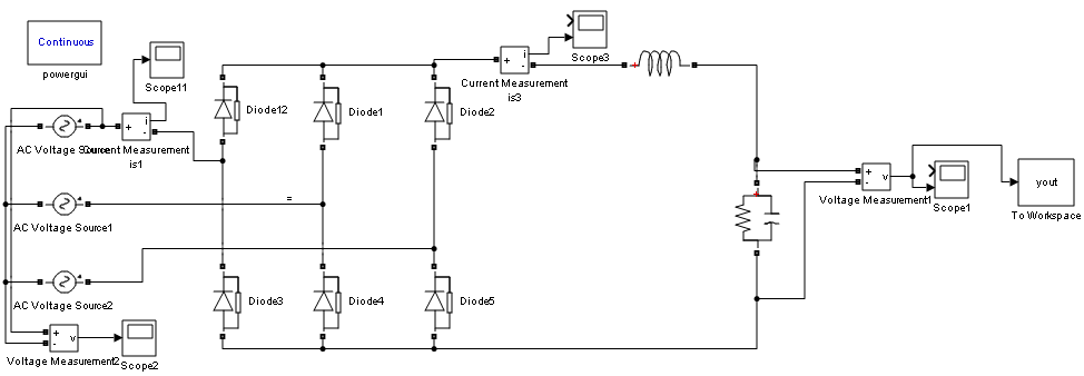
三相桥式不控整流电路,就是将三相桥式可控整流电路中的晶闸管换成了整流二极管,最近以来,在AC-DC-AC变频器、开关电源和不间断电源(UPS)等实际应用中,大多采用二极管不可控整流电路经电容滤波后提供直流信号,供后级使用。由于使用的开关器件是整流二极管,因此也叫二极管整流电路,如图2.1所示。

图2.1 LC滤波三相不可控整流电路
2.1.1三相桥式不可控整流电路原理
以二极管D1和D6开始同时导通时间为t=0时刻,并且设二极管在线电压过零点某个时间处开始导通。三相交流电压ua、ub、uc依次相差120度;而六个线电压uab、ubc、uca依次相差60度。D1、D3、D5三个共阴极二极管构成一个三相半波整流电路,D4、D6、D2三个共阴极二极管构成另一个三相半波可控整流电路。t=0时,二极管D1和D6开始同时导通,直流侧电压ud等于uab,下一次导通是D1和D2,直流侧电压等于uac。同理在随后的过程中,依次是线电压ubc(D2、D3导电)、uba(D3、D4导电)、uca(D4、D5导电)、ucb(D5、D6导电)最大,因此在一个电源TS周期中,ud由六个相同的脉波组成,每个脉宽为60度,其直流电流平均值ud为
	
	(2.1)
式中us为相电压有效值。
2.1.2无源滤波电路分类及其原理
对于满足狄利赫里条件的周期性非正弦电压信号,可以将其分解为傅里叶级数。
	
	(2.2)
在式(2.2)中,把频率与工频相同的称为基波,把频率为基波整数倍分量称为谐波。电流谐波总畸变率THD定义为
	
	(2.3)
其中Ih、I1分别表示谐波电流中第n次的有效值、基波电流的有效值。
谐波危害重大,威胁着人们生活的各个方面,因此滤波十分重要。无源滤波电路通常有五种电路形式,分别为电容滤波、电感滤波、LC型滤波、LC-π型滤波、RC-π型滤波。

图2.2 电容滤波电路
(1)电容滤波
如图2.2所示,电容滤波电路是最简单的滤波电路,即在输出端并联一个电容。电容取值一般较大,输出电压随着输入电流的变化而变化,该电路有较软的外特性,输出特性较差,因此一般用于负载电流变化较小的场合,有时为了减小脉动成分,会并联一大一小的两个电容。
(2)电感滤波
以上是毕业论文大纲或资料介绍,该课题完整毕业论文、开题报告、任务书、程序设计、图纸设计等资料请添加微信获取,微信号:bysjorg。
相关图片展示:







您可能感兴趣的文章
- 一种确定磁探针集总电路参数的标定方法外文翻译资料
 - 一种人体可接触的大气压低温等离子体射流装置研究(适合电气B方向)毕业论文
 - 氩氧中大气压DBD放电特性研究(适合电气B方向)毕业论文
 - 大气压氩等离子体射流放电影响因素的仿真研究(适合浦电气B方向)毕业论文
 - 含氧高活性均匀DBD改性聚合物薄膜研究(适合浦电气B方向)毕业论文
 - 反应器结构对气液两相DBD放电特性的比较(适合浦电气B方向)毕业论文
 - 南京某公司研发楼电气设计毕业论文
 - 金帆北苑地块经济适用住房——02栋商住楼电气设计(适用于浦电气1004~06A方向学生)毕业论文
 - 扬州人武部大楼电气设计毕业论文
 - 金帆北苑地块经济适用住房——04栋商住楼电气设计(适用于浦电气1004~06A方向学生)毕业论文
 

        
            
