基于PLC的船舶电站自动化系统毕业论文
2020-02-18 10:56:21
摘 要
船舶电站是船舶技术发展的重要基础,为适应高速发展的造船业,对船舶电站的稳定运行和可视化管理提出了更高的要求。将自动化技术运用于船舶电站,可以通过对发电机组、采油机、断路器等设备的信息采集处理,有效将船舶电站运行的各个环节有机联系起来,运用自动控制技术、计算机技术和现场总线等技术达到智能控制的目的。
本文设计了基于PCL的船舶电站自动化系统。在分析了船舶电站所需实现的各项功能的基础上,对实现细节的原理和方式进行剖析,从而完成船舶自动化系统的软硬件设计。通过模块化和分层化的思想,根据功能的不同,将船舶电站分为上位监控层、中间控制层和下位设备层。对不同的层面进行单独的设计,最后自上而下通过总线将各层面有机的组合起来,完成船舶电站自动化系统的设计。
上位监控层使用PC机和运用在PC机上的监控软件对控制层和设备层的信息进行读取,也可对设备层发出指令,进行远程控制。控制层包括西门子S7-300、并联与保护装置PPU-3和Profibus-DP现场总线等设备,通过PCL/PPU的模块化编程,实现自动化电站发电机组的自动启动、自动解列、自动并车、自动调频调载等功能。当设备运行发生故障或重载等状况时,系统能自动触发报警装置,PLC和PPU组成的控制系统也能根据故障进行相应的处理,以保证自动化船舶电站的稳定运行。
根据软硬件调试,可以检验本文设计的船舶电站自动控制系统能够实现预计的功能,并且具有抗干扰能力强,运行安全可靠等优点。
关键字:船舶电站;自动控制;PLC;PPU
Abstract
Ship power station is an important foundation for the development of ship technology. In order to adapt to the shipbuilding industry with rapid development, it puts forward higher requirements for the stable operation and visual management of ship power station. The application of automation technology to ship power stations can effectively link all aspects of ship power station operation through information collection and processing of generator sets, oil extractors, circuit breakers, etc., using automatic control technology, computer technology and field bus technology. Achieve intelligent control purposes.
This thesis designs a PCL-based ship power station automation system. On the basis of analyzing the functions required for the ship power station, the principle and method of implementing the details are analyzed to complete the software and hardware design of the ship automation system. Through the idea of modularization and stratification, the ship power station is divided into upper monitoring layer, intermediate control layer and lower equipment layer according to different functions. Separate design for different levels, and finally combine the various layers organically from top to bottom through the bus to complete the design of the ship power plant automation system.
The upper monitoring layer uses the PC and the monitoring software used on the PC to read the information of the control layer and the device layer, and can also issue commands to the device layer for remote control. The control layer includes Siemens S7-300, parallel and protection device PPU-3 and Profibus-DP field bus and other equipment. Through the modular programming of PCL/PPU, the automatic start, automatic unloading and automatic parallel of the automatic power plant generator set are realized. Auto frequency modulation and other functions. When the equipment is running fault or heavy load, the system can automatically trigger the alarm device. The control system consisting of PLC and PPU can also be processed according to the fault to ensure the stable operation of the automated ship power station.
According to the software and hardware debugging, it can be verified that the ship power station automatic control system designed in this paper can realize the expected function, and has the advantages of strong anti-interference ability, safe and reliable operation.
Key Words:Ship power station;Automatic control;PLC;PPU
目录
第1章 绪论 1
1.1研究目的及意义 1
1.2船舶电站自动化的研究现状和发展趋势 1
1.3国内船舶自动化电站的发展存在问题和展望 2
1.4论文主要内容和研究思路 2
第2章 船舶电站的总体结构及工作原理 5
2.1船舶电力系统的主要组成 5
2.2自动化电力监控系统的结构与组成 6
2.2.1自动控制子系统 6
2.2.2安全保护子系统 7
2.2.3自动监控报警子系统 7
2.3船舶电站自动化工作原理 8
2.3.1自动化化系统自动启动与停机 8
2.3.2发电机组的并车原理 9
2.3.3船舶电站发电机调频调载原理 12
第3章 船舶电站自动控制系统的硬件和软件设计 14
3.1船舶自动化电站的总体构成 14
3.2硬件设备选用 15
3.2.1PLC模块的选择 15
3.2.2自动并车与保护装置PPU 16
3.2.3Profibus现场总线 19
3.3自动化船舶电站的PLC编程环境 21
3.4 PLC程序模块化设计 21
3.4.1船舶自动化系统主程序设计 21
3.4.2自启动模块 23
3.4.3自动并车模块 24
3.4.4自动调频调载模块 25
3.4.5自动解列与停机模块 27
第4章 基于STEP 7的仿真调试 28
4.1 STEP 7组态配置 28
4.2自动化船舶电站功能模块的编写 28
4.3功能模块的运行和调试 31
结论 36
参考文献 37
致 谢 38
第1章 绪论
1.1研究目的及意义
船舶运输在全球贸易中具有不可动摇的地位,其具有经济实惠和运载量大等优点。船舶电站是船舶技术的重要基础,随着国家经济的迅速发展和计算机控制技术、电力电子技术的不断创新,对船舶电站的可靠性和智能化有了更高的要求,也有了更多改进的空间[1]。由于船舶电站的运行环境较为恶劣,电站常年运行在空气湿度大,海水腐蚀性强的环境下,对构成电力系统的设备和仪器装置有了更高安全规格的要求。为保证电气设备在恶劣环境下的安全稳定运行,船舶电站需要一个更加可靠的监控系统和报警系统。同时为了保证船舶发电机始终保持最为经济的工作状态,根据负载情况自动调整发动机运行台数,需要将自动化技术引入船舶电站,构建船舶电站自动化系统,跟踪管理电站的运行状态,采集发电机组和控制模块的各项参数,在发生故障时及时报警,为全船提供高质量的供电[2]。
船舶电站的自动化,可以使船舶发电机组维持在最佳的运行状态。当船舶负载加重时会自动增机并车调频调整,也可以自动的让发电机组解列停机,这样船舶电站就会一直维持在最经济高效的工作状态。自动的控制和上位机的监视,有效的减轻了船员的工作强度,通过远程发出指令对发电机组进行实时调整,可以让工作效率显著的提高。减少劳力的同时也可以减轻船舶的经济开支,对船舶电站的定期维护也将变得更加高效。船舶电站自动化的可持续发展性、智能性和人文性体现了新时代科技发展的要求,适应了未来科技服务人类这一发展理念,让劳动生产力提高。
1.2船舶电站自动化的研究现状和发展趋势
随着信息技术分发展和微电子技术的不断创新,船舶自动化电站经历了从简单分离元件到小规模集成电路再由计算机技术与信息技术、微电子技术相结合的发展阶段[3]。上个世纪60年代,用晶闸管分立元件搭建的控制电路作为最主要的控制设备被用于船舶的控制中,例如日本研发的XPT自动并车装置和德国研发的MMF自动并车装置等。受到材料和电气设备的限制,当时的并车装置的稳定性达不到运行要求。在随后的数十年 ,自动化装置由单一逐步改进为系统多元化的成套设备。数字模拟集成电路的发展,为自动化设备提供了新的硬件条件,设计出的自动化系统性能更加稳定,同时功能更为多元化。工业PC机的出现让系统可以集中控制。20世纪80年代后期,国外的公司推出了基于局域网技术的船舶控制系统,如德国西门子公司推出的未来型系统、丹麦STL公司推出的ISC系统和美国SPERRY公司的船舶航行管理系统等。这些系统都采用了计算机控制子系统,电站的控制变得更急集中智能。1995年WOODWARD公司推出专用于电站控制的分散式控制系统DCS,完成柴油机的启动、自动并车、调频调载和系统检测等自动化任务。美国的ONAN公司也推出了电站智能化控制系统POWER COMMAND[4]。
可编程逻辑控制器PLC的出现,让船舶自动化技术越发的成熟。PLC具有性能稳定、逻辑控制能力强等特点,推动现代船舶系统向大型化、自动化、集中化和智能化的方向发展。
1.3国内船舶自动化电站的发展存在问题和展望
就国内现状而言,在过去的半个世纪我国船舶自动化技术发展取得了一定的成果,例如704、711研究所,上海船研究所的军用舰艇的自动化系统有巨大发展,但民用船舶的自动化技术较国外仍然有一定差距,自动化程度也有待提高[5]。大型的船舶公司会考虑购买国外的综合监控系统,例如康士伯的AUTO-CHIEFC20综合监控系统。目前国内大多使用的是一微计算机或单片机系统否承德小型控制单元,这类控制结构简单,操作便捷,但无法与其他控制设备通信连接,所以只能实现单一的发电机组控制。而在船舶电站的并车控制操作上,目前国内主要使用的是根据人工观察电压表、频率表和相位表的数值来判断并车合闸的时机。这种方式控制的并车合闸精度较低,易产生较大的冲击电流,会使电网和发电机组严重损坏。在监控各设备运行状态的方面,国内电站主要使用的是LED显示屏显示发电机组电压、电流等电站运行工作参数,这种显示方式直观但缺乏可控制性,同时不方便对各项指标进行计算,以达到对电站设备状态的精确监控,在发生问题时无法及时的发出报警,使船舶在运行和维护的过程出现安全隐患。对于电机组的操作,由于船舶运行处于一个极为恶劣的环境,同时发电机组和发动机运行过程中会产生巨大的噪音和粉尘,对船舶操作人员的安全和健康十分不利。
微电子技术和工业控制总线技术的发展成熟,未来船舶电站自动化的发展趋势将各项控制分解为小型的控制模块,通过PLC和上位PC机对船舶电站进行集中控制,可以方便的进行操作。我国作为一个船舶制造业的大国,船舶电站自动化船舶有巨大的市场潜力,先进的控制技术在船舶业有广阔的前景[6]。
1.4论文主要内容和研究思路
本论文采用了基于S7-300PLC与并车与保护单元PPU的联合自动控制技术,并且使用了基于Profibus-DP现场总线技术的综合运用,共同完成对系统上位监控层、控制层和设备层三个层次的设计工作。这些技术的联合运用可以提高船舶自动化系统的综合自动化程度,进而提升船舶电站运行的安全可靠性和经济实用的能力,可以为民用船舶电站的设计提供参考,其简单的原理如图1.1所示:

图1.1 船舶自动控制系统原理图
分析船舶电站控制系统,本文设计的主要是实现控制电机组自动启动、自动停机、自动准同步并车、自动解列、自动调频调载等功能,使整个电站控制系统能够稳定的运行。本设计首先从整体上说明船舶自动化系统的结构,组成相应部分用到的硬件设备。然后根据自动化系统需要实现的功能利用模块结构实现PLC与PPU的控制程序[7]。通过PLC与PPU的联合控制实现包括电网频率的调节、发电机组并车以及并车后的功率分配、自动解列以及待解列机组负载的转移等功能。PLC与上位PC机相连,可以及时的发出警报具有监控保护的功能,可以根据检测到的电机组异常,自动执行声光报警系统并采用相应应急保护措施。
本论文主要包括以下几个部分:
(1)首选对船舶电站的基本概念和总体结构进行阐述,说明课题的研究背景和现实意义。
(2)然后以船舶电站的工作原理为基础,为后文基于PLC与PPU设计的自动化控制系统提供理论依据
(3)着重对船舶电站自动化系统的软硬进行设计,基于PLC的编译软件,编写完成船舶自动化电站的各功能模块。硬件设计包括PLC的选用和为何选用该款PLC的原因,结合PPU的使用手册说明PPU在设计中起到的作用,以及PLC和PPU共同控制电机所能起到的控制效果。
(4)说明本论文设计的自动化控制系统的监控系统组成的原理,完成上位机与PLC,PLC与PPU和设备之间的通信问题,结合相应软件设计出符合要求的监控界面。
(5)对本设计实现的内容和实现的效果进行总结,并从现实意义说明本次研究有哪些优点与不足。
第2章 船舶电站的总体结构及工作原理
2.1船舶电力系统的主要组成
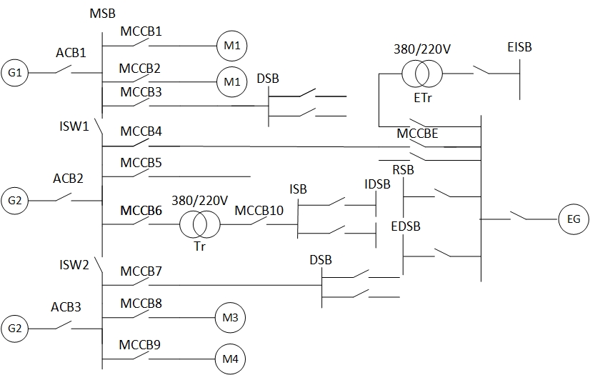
船舶电力系统主要由电源、电网、配电装置与负载四大部分组成,其单线图如图2.1 船舶电力系统简图所示:

图2.1 船舶电力系统简图
G1,G2,G3为主发电机,EG为应急发电机,MSB为主配电板,ACB为发电机主开关,ESB为应急配电板,
为配电开关,
为电动机,DSB为无线分配电板,
为应急配电开关,
为隔离开关,ISB为照明配电板,EISB为应急照明配电板,IDSB为照明分配电板,EDSB为应急分配电板,Tr为照明变压器,
为应急照明变压器[8]。
电源:电源是将其他形式的能量如化学能、机械能等转化成电能的装置,船舶电站通常使用的电源装置是蓄电池和柴油发电机组。
配电装置:配电装置通常用来接收和分配电能,是发电厂或者变电所重要的组成部分,是对负荷和电源进行监视、分配、测量、转换、保护、控制的装置。配电装置主要由主配电板、分配电板、应急配电板和充放电版等构成。
电网:船舶电力系统的电网是安装在船舶的电缆电线统称。通过电网实现发电机、主配电板、分配电板和负载间的联系,将电源的电能输送到负荷上的媒介。船舶电网根据其连接的负荷性质可以分为照明电网、动力电网、应急电网、低压电网以及弱点电网等。
负荷:船舶上的负荷可划分为舱室机械、甲板机械、通导设备、船舶照明及其他用电设备。也可分为由电动机类组成的动力负载,照明设施组成的单相负载,在通信导航上起作用的弱电负载等。
2.2自动化电力监控系统的结构与组成
2.2.1自动控制子系统
此子系统是自动化系统设计的核心,本设计采用由PLC于PPU组成的控制核心,用于自动处理船舶电站运行中的一些故障,对电站电压、功率、频率的自动调整,实现发电机组的启动、停机、解列和并车等的自动控制[9]:
(1)电压的自动调整:即对发电机励磁电流的调整,保障发电机输出电压的相对不变。用动态电压特性和静态电压特性作为衡量电压调节的性能指标。根据文献资料的数据:恢复时间不高于1.5s,动态电压调整率不超过额定电压的15%,静态电压调整幅度不超过额定电压的2.5%,电压波动不超过额定电压的3%。
以上是毕业论文大纲或资料介绍,该课题完整毕业论文、开题报告、任务书、程序设计、图纸设计等资料请添加微信获取,微信号:bysjorg。
相关图片展示:







您可能感兴趣的文章
- 一种确定磁探针集总电路参数的标定方法外文翻译资料
 - 一种人体可接触的大气压低温等离子体射流装置研究(适合电气B方向)毕业论文
 - 氩氧中大气压DBD放电特性研究(适合电气B方向)毕业论文
 - 大气压氩等离子体射流放电影响因素的仿真研究(适合浦电气B方向)毕业论文
 - 含氧高活性均匀DBD改性聚合物薄膜研究(适合浦电气B方向)毕业论文
 - 反应器结构对气液两相DBD放电特性的比较(适合浦电气B方向)毕业论文
 - 南京某公司研发楼电气设计毕业论文
 - 金帆北苑地块经济适用住房——02栋商住楼电气设计(适用于浦电气1004~06A方向学生)毕业论文
 - 扬州人武部大楼电气设计毕业论文
 - 金帆北苑地块经济适用住房——04栋商住楼电气设计(适用于浦电气1004~06A方向学生)毕业论文
 

        
            
