分布式静止同步串联补偿器的潮流控制技术研究毕业论文
2020-02-18 10:48:46
摘 要
在我国一次能源和负荷分布不均匀的背景下,大容量、远距离的输电网络体系对电网提出很高的要求。柔性交流输电技术(FACTS)作为新兴的电力电子技术在电网的安全稳定运行、提高输送能力等方面有很好的应用。分布式柔性交流输电技术(D-FACTS)是FACTS的一种新思路,分布式静止同步串联补偿器(DSSC)是D—FACTS的一员。
本文主要针对分布式静止同步串联补偿器(DSSC)阐述其相关专业知识的发展历史、研究现状和基本原理。介绍DSSC的主电路拓扑,针对各个部件的选择要素做简单分析。研究分布式静止串联补偿器在优化潮流控制中的模型,对DSSC的稳定工作状态下的潮流调节、线路电流调节功能做阐释。
采用直流侧电压恒定的控制策略来进行DSSC的本体控制,最终借助matlab仿真平台进行仿真,对DSSC进行模拟,验证其容、感性注入的工作模式,验证潮流控制调节功能的实现以及对线路电流的影响。
关键词:分布式静止同步串联补偿器;电路拓扑;matlab;潮流控制
Abstract
Under the background of uneven distribution of primary energy and load in our country, the transmission network system with large capacity and long distance puts forward high requirements for power grid. Flexible AC transmission technology (FACTS), as a new power electronics technology, has a good application in the safe and stable operation of power grid and improving transmission capacity. Distributed Flexible AC Transmission Technology (D-FACTS) is a new idea of FACTS.Distributed Static Synchronous Series Compensator (DSSC) is a member of D-FACTS. In this paper, the development history, research status and basic principles of distributed static synchronous series compensator (DSSC) are described. This paper introduces the main circuit topology of DSSC, and makes a simple analysis of the selection elements of each component. The model of distributed static series compensator in optimal power flow control is studied. The power flow regulation and line current regulation functions of DSSC under steady state are explained, and the mathematical model of DSSC under steady state operation is introduced. The control strategy of constant DC voltage is used to control the DSSC. Finally, the simulation of DSSC is carried out with the help of MATLAB simulation platform. The operation mode of capacitance and induction injection is verified, and the realization of power flow control and regulation function and its influence on line current are verified.
Key Words:Distributed static synchronous series compensator;circuit topology;matlab;power flow control
目录
第1章 绪论 1
1.1课题背景及研究意义 1
1.1.1柔性交流输电技术发展概况 1
1.1.2课题研究意义 1
1.2课题国内外现状 2
1.3课题的研究内容 2
第2章 DSSC基本原理和组成结构 3
2.1 DSSC的基本原理 3
2.1.1 DSSC的结构 3
2.1.2 DSSC的主电路拓扑 3
2.2 单匝变压器STT 4
2.3 单相电压源逆变器 5
2.3.1 单相电压源的选择 5
2.3.2 逆变器的谐波 5
2.4 直流电容器 6
2.5 本章小结 6
第3章 DSSC的潮流控制原理 7
3.1 DSSC的潮流控制原理 7
3.1.1 电力系统潮流控制原理 7
3.1.2 DSSC潮流控制基本原理 7
3.2 DSSC的补偿方式和补偿特性分析 9
3.2.1 DSSC的补偿方式 9
3.2.2 DSSC补偿特性分析 10
3.3 本章小结 12
第4章 DSSC的控制策略 13
4.1 触发信号的产生 13
4.2 PWM调制信号的产生 14
4.3 控制模块的仿真实现 15
4.4 本章小结 17
第5章 DSSC的仿真验证 18
5.1 DSSC的仿真模型 18
5.2 DSSC的仿真验证 18
5.2.1 DSSC的容性补偿模式及潮流控制验证 18
5.2.2 DSSC的感性补偿模式 23
5.3 本章小结 27
第6章 结论与展望 29
6.1 结论 29
6.2 展望 29
参考文献 31
致 谢 33
第1章 绪论
在国民用电需求快速增长的背景下,旧有的输配电线路设施无法满足用电需求,由此而来的影响巨大。一方面,新的电力线路的建设成本大幅上升,施工所需的时间也很长,而在另一方面,电网中一些需要引起重视的问题也因为现有结构的不足而更加明显。针对这种现实情况,电力系统需要采取恰当的技术手段来改善运行状况,提高电力资产的利用率。柔性交流输电技术(FACTS)可用于灵活地控制线路中流经的潮流,从而提高线路的输送能力,改善系统的运行环境[1]。使用柔性交流输电系统是实现智能电网的公认的有技术证明的方法,尤其是针对实现对电网上有功潮流的控制。FACTS装置可以单独的串联或并联在系统中,或者串并联结合组成复合控制器实现多种控制功能[2]。FACTS装置功能强大,但高建设成本、高维护成本、高电压等级、建设占地面积大、建设周期长等问题限制着FACTS装置在电力系统中的广发应用。针对这种情况,美国电力电子专家Divan.D.M教授提出了分布式柔性交流输电系统(Distributed FACTS,简称D-FACTS)的概念[3]。
1.1课题背景及研究意义
1.1.1柔性交流输电技术发展概况
柔性交流输电技术旨在利用电力电子器件快速可控的特征,实现快速连续、柔韧有效的潮流控制作用,同时也需要微处理和微电子技术、通信技术的支持,是一门综合性技术。FACTS概念最早于1986年提出,创建者为美国著名电力专家N.G.Hingorani。从最早的SVC装置开始,可以将FACTS按性能和功能的区别划分成三代,其分界线按照装置内有无常规电力器件(电容电抗器,抽头变压器等等)。第一代(SVC,TCSC)和第二代(STATCOM、SSSC)的主要区别在于其如何实现对线路的影响,第一代有实际的电容电抗器组,而第二代的外部电路则不需要电容电抗器组,而是通过电子电路来模拟的实现等效接入系统的电容和电抗;其次,第一代采用的是半控型器件控制来实现电容电抗器接入系统的数值大小,而第二代则是基于全控器件,使用电子电路来模拟电容器和电抗器的影响,这可以提高经济性。第三代是指将两个或更多控制器组合成一组FACTS设备,例如组合STATCOM和SSSC而成的综合潮流控制器(UPFC)可以对线路进行串并联补偿[4]。调节双回路功率流的线间功率流控制器(IFPC)和可控移相器(TCPR)也是第三代FACTS复合控制器。
2004年,美国电力电子专家提出分布式FACTS概念,即D-FACTS。每个DFC模块对阻抗补偿度很小,因此所需容量也较小,可以制作得小巧轻便,直接悬挂于电力线上。由大量DFC分布于输电线,整体联合实现集中式FACDS的功能,实现对潮流的控制[5]。
1.1.2课题研究意义
D-FACTS的核心是小容量的分布串联补偿器。这些模块可以根据电网操作阶段的实际需要,在不同的时间段进行安装,并且可以根据实际情况来在不同的地点安装不同数量的DSSC模块,这展示了DSSC的灵活性和可移动性。DSSC的器件选择,尤其是其核心单相电压源逆变器的选择可以采用市场上批量生产的器件,这种量产化决定了DSSC可以实现低成本化[6-7]。DSSC概念结构简单,可以实现方便的维护和应用,不占面积且避免集中型FACTS的高绝缘要求问题。由此可以看出,DSSC的概念,可以克服一定的集中型FACTS装置的最严重的局限性。研究DSSC对于实际工程的经济性,时效性,以及对线路进行潮流控制、提高电网输送能力、降低电网输配电损耗有积极作用。
1.2课题国内外现状
D-FACTS方案主要有分布式串联阻抗(DSI),分布式串联电抗(DSR),分布式静止串联补偿器(DSSC)和分布式潮流控制器(DPFC)。
Khalilian.M工作组于2006年完成了第一台DSSC的原型开发。该原型的容量为6.5kV.A,预计将用于69~161kV电压等级[8]。2009年,德黑兰大学伊朗的Poriya.Fajri在PSCAD上建立了DSSC模型并研究了DSSC的电磁瞬态[9]。在中国,2011年,西安交通大学对DSSC的时域特性和频域特性以及抑制次同步谐振的机理进行了研究[10-11]。在2017年,全球能源互联网研究院提出了基于RTDS的建模仿真[12]。在2019年,国网电力科学研究院进行了DSSC装置的设计,为其工程应用奠定基础[13]。
国内外对于DSSC的模型及控制策略进行了研究,但目前没有看到有关DSSC应用的实际工程报道。
1.3课题的研究内容
本文主要介绍DSSC的基本结构、主电路拓扑,针对DSSC的变压器、逆变器、直流电容的选择要素做简单分析。研究分布式静止串联补偿器在优化潮流控制中的模型,对DSSC的稳定工作状态下的潮流调节、线路电流调节功能做阐释。采用直流侧电压恒定的控制策略来进行DSSC的本体控制,最终借助matlab仿真平台进行仿真,对DSSC进行模拟,验证其容、感性注入的工作模式,验证潮流控制调节功能的实现以及对线路电流的影响。
第2章 DSSC基本原理和组成结构
2.1 DSSC的基本原理
2.1.1 DSSC的结构
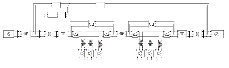
DSSC是由单匝变压器(具有常闭开关)、滤波器、单相电压源逆变器、直流电容、控制模块和通讯模块等组成的新型D—FACTS装置,DSSC的结构示意图如图2.1所示。

图2.1 DSSC的结构图
DSSC的基本原理是,当线路电流较小或者没有线电流时,单匝变压器SST的常闭机械开关处于合闸位置,此时逆变器不工作;当线路电流达到可以启动的设定值后,直流电源模块接受指令启动,常闭机械开关处于断开位置,逆变器直流总线充电并启动逆变器操作[13]。
在相应的控制下得到逆变器输出电压Vds,可以将Vds分为两个电压分量,一个电压分量的相位与线路电流相位一致,另一个与线路电流相位相差。与线路电流相位相差的电压分量用于实现容感性注入,模拟正负电抗在线路中表现相应的阻抗值的变化进而调节潮流。和电流同相的电压分量则对应逆变器中功率损耗以及逆变器直流电容电压。逆变器输出的脉冲电压经滤波环节后,经单匝变压器串联入电网中。
DSSC可以自主地导出要注入多少正交电压的命令,或者可以由系统操作员传达。通过使用通信和智能控制以协调方式操作的多个模块来实现整个系统控制功能[3]。
2.1.2 DSSC的主电路拓扑
DSSC的核心器件是单相电压源型逆变器[14]。单相电压源逆变器的直流侧为直流电容,相当于逆变器直流侧电压源;交流测输出的可控电压经滤波环节,由单匝变压器串联到线路中,以此实现直交流的连接。这样相当于在系统和负载之间串入一个大小可控、相位与线路电流正交的电压源,可以等效的改变线路的电抗,进行潮流调控,提高线路传输能力。
DSSC的主电路拓扑如下图2.2所示。
图2.2 DSSC主电路拓扑图
对于DSSC来说,单相电压源逆变器将电压单独的输入线路中的某一相,对于三相交流电网,一个DSSC有三个单相电压源逆变器,三个逆变器相互独立。每个单相桥由两个桥臂构成,正桥臂与负桥臂的调制波符号相反。
2.2 单匝变压器STT
对于DSSC而言,我们希望实际工程应用的DSSC模块可以实现在电力线上的悬挂,这意味着必须考虑DSSC的重量。要使DSSC足够轻便小巧,必须考虑DSSC模块中最重的部件变压器。出于实现潮流控制的需要,可以通过正交电压的注入等效出来的可调阻抗值应在线路阻抗的±(10%-20%)[3]。因为要考虑线路的荷重能力,DSSC的容量在10kV.A以内考虑。这时DSSC的变压器被设计为串联单匝变压器SST。对于这种小容量模块,为了能共同实现对系统的调控作用,整条线路需要安装数量不少的DSSC装置。特定情况下DSSC的变压器可以不使用单匝变压器,比如当DSSC装置吊装在线路耐张塔上时,DSSC装置的容量可以大概估算到70-150kV.A。对于这种容量的DSSC,可以采用常规低压串联变压器[13]。
STT需要有较高的匝数比。由于DSSC串联的接在线路上,DSSC模块的工作不需要知道具体的线路电压,其输出电压的大小也与线路电压大小无关。若STT为50:1的匝数比,当线路上的电流在正常水平时,在STT的次级侧上仅仅施加一个很小的电流,批量生产的IGBT可以安全稳定工作。此外,假如线路发生了故障,例如线路上故障电流高达50000A时,在高匝数比的前提下,逆变器电流仍然只有667A。另外,与TCSC不同,在发生线路故障时,DSSC可以迅速的切换工作模式,由正常的补偿工作模式,很快的转换为最大电感注入模式来增大线路电抗,防止故障电流水平升高[3]。这样即使发生故障,DSSC中的小型全控器件一样可以承受冲击。由此可见,选择高匝数比的变压器对DSSC的实际运行有重大意义。
2.3 单相电压源逆变器
2.3.1 单相电压源的选择
DSSC中的单相电压源逆变器的作用是产生可控的注入电压,由于DSSC是小模块联合作用起到集中型FACTS装置SSSC的作用,对其逆变器功率的要求远远小于SSSC。SSSC逆变器功率要足够大以满足系统控制的要求。SSSC选择的逆变器为大功率三相桥式电压源逆变器,有时为了实现需求还需要进行多电平处理。而DSSC则选择单相逆变器就足以满足DSSC的工作需求,这也正是实现DSSC低成本的因素之一[3]。
电压源逆变器通过控制IGBT的开通和关断,将直流电容上的直流脉动电压转换为输出端的交流电压,这个通过对输出交流电压的控制,比如改变其幅值大小、与线电流的相角关系来等效改变线路电抗进而调节系统潮流、提高线路输送能力的作用。
逆变器输出电压是直流电容器电压以及触发控制变量的函数[4]。如何进行合理的触发,控制IGBT的开断来使逆变器交流侧得到较好的正弦电压输出是一个需要考虑的关键。目前有两种基本的控制策略来控制逆变器全控电子器件的开合,即相位控制和脉宽调制PWM。在第四章会进一步分析所采用的控制方法和控制变量。
2.3.2 逆变器的谐波
在电力系统中,谐波的危害很大。谐波会影响电能的生产,传输和利用,使电能利用率下降。同时,谐波还会影响电力设备,造成过热、噪声,加速绝缘老化影响设备的使用寿命等等。电力电子装置正是系统内谐波来源之一。DSSC利用逆变技术控制输出电压,其输出电压不可避免的有着高次谐波分量。
逆变器的交、直流侧的电流和电压变量中存在频率为工频整数倍的谐波分量。令交流侧电压为vds、交流测电流为ids、直流侧电容电压为vdc、直流侧电流为idc、电压电流相角差为,如下式:
假如忽略逆变器损耗,则有:
即
因此有:
由式(2.5)可以看出,直流侧电流中不仅仅有直流分量,还有二次谐波分量。
当逆变器采用PWM控制技术时,因为逆变器的直流侧电流是在触发信号控制全控器件开关时,从交流侧经整流调制到直流侧的结果,所以直流侧电流为PWM波。由电容电流电压的关系式可知,直流电压也是脉动的。
从上面分析可以看出,相同直流电压情况下,如果要减小交流输出电压vds的谐波分量,输出交流电压的幅值也要因此减小。但和谐波分量对电力系统的恶劣影响相比,牺牲一定的输出电压的幅值是值得的。降低一定的输出电压幅值对于低次谐波分量的减小很有帮助,这对谐波滤除来讲可以减轻很大压力。
2.4 直流电容器
以上是毕业论文大纲或资料介绍,该课题完整毕业论文、开题报告、任务书、程序设计、图纸设计等资料请添加微信获取,微信号:bysjorg。
相关图片展示:





![C:\Users\serena\Documents\Tencent Files\1223668496\FileRecv\MobileFile\Image\(O6D7395$EGRWZKTJA]V$EK.png](http://www.biyelunwen.org/wp-content/uploads/2020/02/lw1122_2020218104844558.png)
![C:\Users\serena\Documents\Tencent Files\1223668496\FileRecv\MobileFile\Image\7)T18IMMKU2]~TQL9E9@9P5.png](http://www.biyelunwen.org/wp-content/uploads/2020/02/lw1122_2020218104844573.png)
您可能感兴趣的文章
- 一种确定磁探针集总电路参数的标定方法外文翻译资料
- 一种人体可接触的大气压低温等离子体射流装置研究(适合电气B方向)毕业论文
- 氩氧中大气压DBD放电特性研究(适合电气B方向)毕业论文
- 大气压氩等离子体射流放电影响因素的仿真研究(适合浦电气B方向)毕业论文
- 含氧高活性均匀DBD改性聚合物薄膜研究(适合浦电气B方向)毕业论文
- 反应器结构对气液两相DBD放电特性的比较(适合浦电气B方向)毕业论文
- 南京某公司研发楼电气设计毕业论文
- 金帆北苑地块经济适用住房——02栋商住楼电气设计(适用于浦电气1004~06A方向学生)毕业论文
- 扬州人武部大楼电气设计毕业论文
- 金帆北苑地块经济适用住房——04栋商住楼电气设计(适用于浦电气1004~06A方向学生)毕业论文


