电励磁双凸极电机发电系统设计与分析毕业论文
2020-04-15 21:29:09
摘 要
随着电工学与微电子学科的发展与进步,电机变成了我们身边必不可少的一部分,本文研究的主要对象为电励磁双凸极电机(DSEM)。其结构简单、调速性能良好、断磁简易等很多优势使得它在工业应用中大放异彩,在航空航天、冶金工业、风力发电、电动汽车发挥着不可替代的作用。本文主旨意在通过对一个12/8的DSEM进行有限元仿真以及设计其发电系统,加强对DSEM的认识,以及了解其控制原理和工作方式。
首先通过Maxwell进行电机的绘制、填充材料、设置边界,在对其在不同情况下的工作进行分析,变量可为旋转角度、励磁电流、转速大小,分析其相电压以及磁链。目的是对DSEM进行评估,是否可以进行下一阶段的模拟。
然后运用simplorer进行驱动电路的绘制,利用不可控整流拓扑,达到简易的发电系统,利用DSG2发电方式,使得电路可以正常运行
关键词:电励磁双凸极电机 二维有限元仿真 联合仿真 开环控制 发电系统设计
Design and analysis of generator system for doubly salient motor with electric excitation
Abstract
With the development and advancement of electrical engineering and microelectronics, motor has become an indispensable part of our work. The main object of this paper is the electric excitation doubly salient motor (DSEM). Its simple structure, good speed control performance, simple magnetic disconnection and many other advantages make it shine in industrial applications, playing an irreplaceable role in aerospace, metallurgical industry, wind power generation and electric vehicles. The purpose of this paper is to enhance the understanding of DSEM and understand its control principles and working methods by performing finite element simulation on a 12/8 DSEM and designing its power generation system.
Firstly, Maxwell is used to draw the motor, fill the material, set the boundary, and analyze the work under different conditions. The variables can be the rotation angle, excitation current, and speed. The phase voltage and phase current are analyzed. The goal is to evaluate the DSEM and see if the next phase of the simulation can be performed.
Then use simplorer to draw the drive circuit, use the uncontrollable rectification topology to achieve a simple power generation system, and use DSG2 power generation mode to make the circuit run normally.Key words: electrically excited double-salient pole motor no-load finite element simulation open-loop control power generation system Settings
Key Words: electric excitation doubly salient motor two-dimensional finite element simulation co-simulation open-loop control power generation system design
目录
摘 要 I
Abstract II
第一章 绪论 1
1.1 引言 1
1.2 双凸极电机的发展历史 1
1.3 双凸极电机的分类 2
1.3.1 永磁双凸极电机 2
1.3.2 电励磁双凸极电机 3
1.3.3 混合励磁双凸极电机 3
1.4 电励磁双凸极电机的应用 3
1.4.1 航天航空 3
1.4.2 电动汽车 4
1.4.3 风力发电 4
1.5 研究现状 4
1.5.1 双凸极电机结构 5
1.5.2 控制方式 5
1.5.3 电励磁双凸极电机研究现状 7
1.6 本文研究内容 8
第二章 电励磁双凸极电机的结构 10
2.1 引言 10
2.2 电励磁电机基本结构 10
2.3 电励磁电机数学模型 10
2.4 电励磁双凸极发电机工作原理 12
2.4.1 空载原理 12
2.4.2 负载原理 12
2.5 电励磁双凸极电机发电方式 13
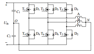
2.5.1 不控整流拓扑 13
2.5.2 可控整流拓扑 14
2.6 本章小结 14
第三章 电机的建模与有限元分析 15
3.1 引言 15
3.2 ANSYS Maxwell介绍 15
3.3 电励磁双凸极电机本体建模 16
3.4 电机空载有限元分析 19
3.4.1磁力线分析 19
3.4.2 磁链分析 20
3.4.3 电枢绕组感应电势 20
3.4.4 气隙磁密的分析 22
3.5 本章小结 24
第四章 发电系统的联合仿真 25
4.1 引言 25
4.2 Simplorer软件介绍 25
4.3 建立发电系统模型 26
4.4 Simplorer与Maxwell联合仿真 26
第五章 总结与反思 32
5.1 总结 32
5.2 反思 32
参考文献 34
第一章 绪论
1.1 引言
电机在我们的日常生活中时常出现,逐渐成为成为我们生活必不可少的一部分。电机从被发明出来那一天起,作为一种能量转换装置,便对人类社会的进步做出了巨大的贡献。电机应用于工业发展的各个领域,小到我们日常生活中使用的电风扇、电冰箱、洗衣机,大到冶金工业、机器制造业、机械加工业、航空航天业、输变电网,其都有着广泛的应用。
目前能源问题与环境问题是人类首要面对的两大难题。随着部分地区能源短缺以及雾霾、酸雨等环境问题日益凸显,节能减排和能源结构优化是未来工业发展的重中之重。亚太经合(Asia-Pacific Economic Cooperation,APEC)于2014年提出,工业发展离不开绿色能源。为了确保适应气候变化、推动可持续发展、确保能源安全的任务顺利完成,必须持续进行清洁能源供应,提高清洁能源在市场中所占的比例,而可再生能源中风力发电很大程度上就是对传统电机改进和提升,故电机优化刻不容缓。
对电机的优化方面体现在方方面面,主要有两种,1.优化电机结构参数,2.优化控制策略。未来电机需要减少能耗,最高效率完成生产任务。因此我们需要对各种电机进行进一步的研究,顺应未来节能、绿色、高效的发展趋势。
1.2 双凸极电机的发展历史
Rauch S.E.和Johnson L.J.于上世纪50年代首次提出双凸极电机(DSM)的概念模型[1]。没有落实生产的原因是电机的永磁材料的问题难以得到解决。所以以后的对于双凸极电机的研究一直停留在模型和概念上。
以上是毕业论文大纲或资料介绍,该课题完整毕业论文、开题报告、任务书、程序设计、图纸设计等资料请添加微信获取,微信号:bysjorg。
相关图片展示:







您可能感兴趣的文章
- 一种确定磁探针集总电路参数的标定方法外文翻译资料
- 一种人体可接触的大气压低温等离子体射流装置研究(适合电气B方向)毕业论文
- 氩氧中大气压DBD放电特性研究(适合电气B方向)毕业论文
- 大气压氩等离子体射流放电影响因素的仿真研究(适合浦电气B方向)毕业论文
- 含氧高活性均匀DBD改性聚合物薄膜研究(适合浦电气B方向)毕业论文
- 反应器结构对气液两相DBD放电特性的比较(适合浦电气B方向)毕业论文
- 南京某公司研发楼电气设计毕业论文
- 金帆北苑地块经济适用住房——02栋商住楼电气设计(适用于浦电气1004~06A方向学生)毕业论文
- 扬州人武部大楼电气设计毕业论文
- 金帆北苑地块经济适用住房——04栋商住楼电气设计(适用于浦电气1004~06A方向学生)毕业论文


