基于同步整流的DCDC变换器的研究与设计毕业论文
2020-04-12 15:48:06
摘 要
这几年来,人们持续对不可再生的化石能源进行开采,导致环境污染问题越来越突出,而且化石能源的储备也越来越少。人们越发的倾向于使用新型能源。DC/DC变换器在新能源发电系统和储能系统之间承担着桥梁作用,DC/DC变换器可以起到提高发电系统电能质量和改善新能源利用效率的作用。针对低损耗,高效率,大功率的设计指标,本文研究设计了基于同步整流的DC/DC变换器。主要研究内容如下:
提出了变换器的拓扑结构和总体方案,并对同步整流式DC/DC变换器的工作原理进行了详细的阐述,并在此基础上对所设计的变换器进行大信号动态分析,得出相应的结论;介绍同步整流技术的基本原理,并设计出同步整流电路及其死区控制电路,提出了控制开关管工作的控制方式,并在整流电路的基础上研究了软开关技术的实现方法,给出了电路中各元件的参数计算方法和开关器件的选型,并研究开关管的驱动方式。
根据变换器的设计要求来确定对应开关管的控制方式,本文主要采用电压模式PWM控制方式,该方式又可以通过控制脉冲的宽度和频率来实现,通过改变开关管的驱动脉冲占空比可以直接改变输出电压的大小,也可以将两种方式混合在一起使用。
最后对设计好的DC/DC变换器电路使用Matlab进行仿真,对整体工作性能进行测试,观察输出波形,对比仿真结果和设计指标,验证基于同步整流的DC/DC变换器可以实现大功率,低损耗和高效率的工作模式。
关键词:DC变换;同步整流;软开关;PWM控制;驱动电路
Abstract
In recent years, with the continuous exploitation of fossil energy, the problem of environmental pollution has become more and more serious, and the reserves of fossil energy have become less and less. People's demand for new energy has become urgent. The DC/DC converter plays the role of a bridge between the new energy power generation system and the energy storage system. The DC/DC converter can play a role in improving the power quality of the power generation system and improving the utilization efficiency of new energy. In this paper, DC/DC converter's high power, low loss and high efficiency are the research object and design goal, and a DC/DC converter based on synchronous rectification technology is designed. The main research content is as follows:
The topology structure and overall design of the converter are proposed. The working principle of the synchronous rectifier DC/DC converter is described in detail. Based on this, the large-signal dynamic analysis of the designed converter is obtained. Corresponding conclusions; introduced the basic principle of synchronous rectification technology, and designed the synchronous rectification circuit and its dead-time control circuit, proposed the control method to control the work of the switch tube, and studied the implementation method of soft-switching technology on the basis of the rectification circuit. The method of calculating the parameters of each component in the circuit and the selection of the switching device are given, and the driving mode of the switch tube is studied.
According to the design requirements of the converter to determine the control mode of the corresponding switch tube, this paper mainly adopts the voltage mode PWM control method. This method can also be realized by controlling the width and frequency of the pulse. By changing the duty cycle of the drive pulse of the switch tube can be directly change the output voltage, we can also mix the two methods together.
Finally, the designed DC/DC converter circuit is simulated using Matlab, the overall performance is tested, the output waveform is observed, and the simulation results and design indexes are compared. It is verified that the DC/DC converter based on synchronous rectification can realize high power and low power loss and efficient mode of operation.
Key Words:DC conversion; synchronous rectification; soft switching; PWM control; drive circuit
目 录
第1章 绪论 1
1.1选题背景及意义 1
1.2国内外研究现状 2
1.2.1中国电源产业的发展现状 2
1.2.2开关电源技术的研究现状 2
1.2.3软开关技术现状 3
1.2.4发展趋势 3
1.3 本文研究内容 4
第2章 DC/DC变换器工作原理分析 5
2.1 DC/DC变换器 5
2.2 DC/DC变换器结构 6
2.2.1 Buck型变换器 6
2.2.2 Boost型变换器 6
2.2.3 Buck-Boost型变换器 7
2.2.4 GTR控制的双向DC/DC变换器 7
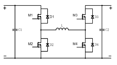
2.2.5 MOSFET控制的双向DC/DC变换器 8
2.3 DC/DC变换器瞬态分析 9
2.4 本章小结 10
第3章 同步整流技术应用 11
3.1 同步整流技术 11
3.1.1 MOSFET管 11
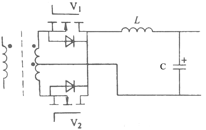
3.1.2 常用同步整流电路 12
3.2 软启动电路 13
3.3 储能元件的选择 13
3.3.1 储能电感参数 14
3.3.2 滤波电容参数 15
3.4 死区时间设置 15
3.5 整流驱动方式 17
3.6 本章小结 17
第4章 开关变换器的控制方式 18
4.1 电压模式PWM控制方式 18
4.2 脉冲宽度调制方式 18
4.3 脉冲频率调制方式 20
4.4 本章小结 21
第5章 仿真与分析 22
5.1 仿真与分析 22
5.1.1 同步整流电路仿真 22
5.1.2 双向DC/DC变换电路仿真 23
5.2 本章小结 28
第6章 总结与展望 29
6.1 总结 29
6.2 展望 30
参考文献 31
致 谢 32
第1章 绪论
1.1选题背景及意义
随着传统能源的持续消耗,地球上的化石能源逐渐消耗殆尽,人们开始对能源的需求转为可再生能源。新能源的发现与电力系统发展推动了电能储备技术的不断发展,随着风光发电系统的技术创新,蓄电池以其能量密度和运输优势成为风光发电系统的主要储能器件,并被广泛的运用。在蓄电池与风光发电系统之间常用DC/DC变换器作为桥梁连接起来,确保电能的转换质量,稳定输出电流波形,提高发电效率,并可在需要的时候将蓄电池里面的能量传递出到需要的地方。
在通讯,数据,自动化仪器,计算机,航空航天等领域,DC/DC变换器有着广泛的用途,支撑着国民经济各行各业的发展。DC/DC变换器的作用是将固定的直流输入电压变换成为可变的直流输出电压,这种电压转换的功能常应用于公交,地铁运行电机的控制与变速,在节约电能的同时可以保证调节的平稳性和响应的快速性。其中直流斩波器可以减少消耗约25%的电能,既能起到调压的功能,还能电网侧的谐波电流。
新的电力电子器件出现或新需求的出现总是对电力电子功率变换技术的发展注入新的动力。随着功率MOSFET器件和IGBT的出现,上世纪80年代出现了电力电子拓扑研究的高潮,同时期也是计算机快速发展的几年,这一时期对开关电源和不间断电源的需求大大提高。为了满足开关电源的效率和功率密度等性能的提升要求,研究出了许多的AC/DC和DC/DC功率变换的拓扑结构,其中软开关谐振功率变换电路研究成为当时的热点。这一时期出现了如有源钳位DC/DC功率变换电路、全桥移相软开关DC/DC功率变换电路、单相功率因数校正电路、三相功率因数校正电路等新颖电路拓扑。上世纪90年代对中压变频和无功补偿的需求大大提高。这些需求带动了多电平变流技术的发展,其中具有代表性的有:级联式多电平变流器,三电平变流器等等。新世纪以来,节能环保的理念成为主导理念,人们对新能源的开发和利用提出了新的需求,其中以光伏逆变器为主要代表拓扑结构。
二极管整流DC/DC变换电路虽然控制简单,但是由于电路往往工作在低电压和大电流的环境中,所以导致二极管的导通压降较大,一般的快速恢复二极管的导通压降在 0.8~1.1V 左右,肖特基二极管的导通压降在 0.5~0.9V 左右,因为有这些压降的存在,直接导致变换器的损耗加大,效率偏低。若使用IGBT在整流电路中,其导通损耗依然较大,不满足低电压大电流变换器的效率要求。随着整体损耗的增加,散热器体积必定越来越大,不利于变换器的使用与发展。
以上是毕业论文大纲或资料介绍,该课题完整毕业论文、开题报告、任务书、程序设计、图纸设计等资料请添加微信获取,微信号:bysjorg。
相关图片展示:







您可能感兴趣的文章
- 一种确定磁探针集总电路参数的标定方法外文翻译资料
- 一种人体可接触的大气压低温等离子体射流装置研究(适合电气B方向)毕业论文
- 氩氧中大气压DBD放电特性研究(适合电气B方向)毕业论文
- 大气压氩等离子体射流放电影响因素的仿真研究(适合浦电气B方向)毕业论文
- 含氧高活性均匀DBD改性聚合物薄膜研究(适合浦电气B方向)毕业论文
- 反应器结构对气液两相DBD放电特性的比较(适合浦电气B方向)毕业论文
- 南京某公司研发楼电气设计毕业论文
- 金帆北苑地块经济适用住房——02栋商住楼电气设计(适用于浦电气1004~06A方向学生)毕业论文
- 扬州人武部大楼电气设计毕业论文
- 金帆北苑地块经济适用住房——04栋商住楼电气设计(适用于浦电气1004~06A方向学生)毕业论文


