高压输电线路感应取电装置前端电容设计毕业论文
2020-04-10 16:41:53
摘 要
本文主要针对高压输电线路上的用电设备供电电源进行研究,目前的电源都是太阳能或者其他电池供电,供电不稳定且不方便。如果能够吸收高压线附近的电磁场并将其转化成可靠的电能,那么很多问题都迎刃而解。能够实现收集能量的装置有许多,其原理也各不相同,综合各方面因素电容分压式的感应取电装置既能收集能量获得稳定电压,而且其装置简便,易于制作和安装使用。
分压式感应取电装置有前端电容和硬件稳压电路两大重要组成部分。本次毕设的主要研究方向是前端电容对采集到的电能的电压的大小的影响,然后简述了其他部分的工作原理。先后通过软件仿真和实地测量探讨了影响取电电压的因素电容板的宽度和电容板与地面的距离,再进行传统电容计算和ansys软件仿真研究了电容板大小的影响因素,之后选择最佳的电容板规格,最后简述其他部分的组成结构及作用。
关键词: 感应取电 comsol 取电电压 其他组成部分
Abstract
The present invention is mainly aiming at the power supply of the electric equipment on the high - voltage transmission line , and the current power supply is the power supply of solar energy or other batteries , the power supply is unstable and the power supply is not convenient . If the electromagnetic field near the high - voltage wire can be absorbed and converted into reliable electric energy , many problems are solved .
The voltage-divided induction power-receiving device has two important components: a front-end capacitor and a hardware voltage regulator circuit. The main research direction for this time is the influence of the capacitance of the front-end capacitor on the voltage of the collected electrical energy. Then the working principles of other parts are briefly described. Through software simulation and field measurement, the width of the capacitor plate and the distance between the capacitor plate and the ground were discussed. The conventional capacitance calculation and ansys software simulation were used to study the influencing factors of the capacitor plate size, and then the best one was selected. Capacitor board specifications, and finally the composition and function of other parts are briefly described.
Key Words: Induction heating Comsol Electric power Other components
目 录
第1章 绪论 1
1.1目的与意义 1
1.2研究现状和发展趋势 2
1.2.1光伏板和风力发电机 2
1.2.2交流线路 2
1.2.3近似能量采集方法 3
1.2.4 垂直风力涡轮和压电传感器 3
1.3 本章小结及章节安排 4
第2章 高压线路附近感应取电原理 5
2.1电容分压的原理 5
2.2线圈取电原理 5
2.3电磁感应原理: 7
2.4最优选择 8
2.5 本章小结 8
第3章 影响取电电压的因素 10
3.1可能的影响因素 10
3.2仿真模型建立 10
3.3计算结果分析 11
3.4采用电容板收集能量进行实验 14
3.5本章小结 22
第4章 电容仿真 23
4.1 基础知识: 23
4.1.1电容器的电容 23
4.1.2三种电容器电容的计算公式 23
4.2非平行板类电容器电容的计算 23
4.2.1 球冠面极板电容器的电容 23
4.2.2 圆平面极板电容器的电容 24
4.2.3 正方形极板电容器的电容 25
4.2.4柱形极板电容器的电容 26
4.3 电容形式的选择 26
4.4不同规格电容理论计算与仿真 26
4.4.1分类及理论计算 26
4.4.2 ANSYS简介 26
4.4.3 利用ansys的有限元原理进行电容板的绘制以及大小的计算 27
4.4.4 不同规格电容板电容大小与间距的关系 32
4.5本章小结 35
第5章 装置其他部分功能 36
5.1电源转换电路结构 36
5.2变压器 36
5.2.1变压器原理 36
5.2.2应用方法 37
5.3整流电路 38
5.4保护电路 38
5.5稳压电路 39
5.6比较控制电路 41
5.7储备电源 42
5.8 本章小结 42
第6章 论文总结 43
致 谢 44
参考文献 45
第1章 绪论
1.1目的与意义
如今,可再生能源的实施正在全世界以极快的速度增长。 对于风力发电来说,美国的目标是到2030年,20%的电力供应将来自风力[1]。 对于太阳能发电,预计到2010年,光伏(PV)模块的部署预计将达到3000兆瓦[2]。 随着可再生能源的深入渗透,人们普遍认为需要新的高压传输系统。 北美电力可靠性公司(NERC)预测,美国高压输电线路总里程将在未来十年内增加9.5%(15,700英里电路英里)[3]。
理想情况下,作为战略资产,输电线路需要密切监测和保持,以确保运行安全可靠。 相关的监测和维护方面包括线路温度,线路下垂,结冰,振动,钢芯腐蚀,断股,电晕,可闻噪声等[4-9]。 但实际上,目前的传输系统基本上没有实时监控。 通常的做法是以直升机或地面运输为基础的线路检查。 但是常规的线路检查是麻烦的,而且更重要的是,通常不能及时发现发展中的问题或查明故障位置。 因此,输电网络的安全已成为电网不断扩大的主要关注点之一。解决方案是建立传输线路维护的实时监控系统[10-16]。最近,随着对“智能电网”的需求,计划在未来二十年内建成的新输电线路将使实时监测相关研究更加紧迫和有意义[17]。
对于传输线路监测和维护,主要有两个子研究方向:线路机器人和分布式线路安装无线传感器[18] - [20]。在这些设备中,电池通常用作主要电源[12]。电池存在的问题是需要时常充电,这会限制性能并增加维护成本。在一些在线监测单元中,电流互感器用于给电池充电[13] [14]。但是当线路电流较低时,这些设备可能无法正常工作。考虑到可再生能源的间歇性,这对于致力于太阳能和风能的输电线路尤其如此。此外,对于直流输电的情况,这些电流互感器将不起作用。
为了保证监控装置的持续运行,首先要解决的问题就是对监控系统持续性供电。由于监控系统处于高电压的环境中,出于安全因素的考虑,一切电气接触都是禁止的,通常情况下,避免电气接触的供电方式有以下 3 种:(1)采用蓄电池供电。由于蓄电池需要周期性更换以及定期维护,而输电线路及监控装置往往都处于远离城市的地方,这就极大地增加了蓄电池的更换、维护成本,而且高空、高电压作业难度极大,所以一般不会选用蓄电池供电。(2) 利用光伏电池供电。光伏电池具有环保、无需人为定期维护、更换等优点,但是光伏电池光电转换率很低,往往需要很大的面积来进行光电转换。此外,光伏电池还有一个重大缺陷就是受环境影响较大,阴天无法持续供电,无法满足监控装置持续工作的要求。(3)采用输电线路感应取电。输电线路感应取电利用了电磁感应原理,将输电线路附近的电磁能转换为电能来为附近的监控设备进行供电。输电线路感应取电拥有环保、稳定性高、可持续供电等诸多优点,可以长期稳定的为监控设备供电,但在实际应用方面目前仍然面临两大难题;一是如何最经济地从输电线路中获取最大功率;二是当输出电压过大时,如何对输出电压进行调节。本文通过一个感应取电装置的设计,对输电线路感应取电进行了新的尝试和发现,并且运用仿真实验来验证设计的正确性和可行性。
总之,电力供应仍然是输电线路监控和维护的挑战和瓶颈[21] [22]。有前途的解决方案是在高压和电力电子组合能量收集。
1.2研究现状和发展趋势
能量收集被定义为环境能量转化为可用的电子形式[23]。 它也被称为能量清除。 典型的能量收集设备包括光伏板,风力发电机,热电发电机,压电发电机,电磁场收集器(电流互感器)等。
1.2.1光伏板和风力发电机
由于需要安装在输电塔上,光伏面板和水平轴风力发电机通常不被认为是线路监测节点的良好电源。 与直接线路安装设备相比,它们将具有更高的绝缘和传感器成本。 由于高压输电线路和周围环境的温度波动很大,热电发电也不适合传输线安装的能量收集。 具有受控制的击穿电压的气体放电管是可能的解决方案。 但很难清除高频电流,这会给变压器设计带来问题。
1.2.2交流线路
交流线路的一种有前途的方法是电流互感器。在文献[24]中,作者用实验结果表明,当传输线中有1000 A时,具有非常小的表面积(54×64 mm2)的通量集中器核心电流互感器可以提供257 mW的功率。除电流互感器外,另一种有前途的交流线路方法是基于电场的能量收集。基于电场的能量收集取决于电容耦合。在[4]中,介绍了基于电场的能量收集的最新测试结果。已经证明,在150kV交流电线上,55cm长的管状能量收集器可以达到380mW。
在[4]中,主功率调节电路具有非常简单的结构,如图1.1所示。涉及变压器的原因主要是因为能量采集管上的电压降通常在几百到几千伏。由于负载电流的均方根值在电路中保持不变,此设计面临的一个挑战是负载动态过程中的输入电压变化。当负载功率发生变化时,能量采集管两端的电压将发生显着变化,这可能导致电路工作效率很低,或者由于欠压或过压而无法工作。

图 1.1
1.2.3近似能量采集方法
在[15],[16]和[24]中,介绍了基于电场的能量收集的另一种配置。 如图2所示,其基本思想是使用浮动电容结构在相对接近地面的高度收集能量。 这种方法的问题在于大电极结构和安全问题,因为高电压对地之间的距离缩短了。 多节绝缘子的盘之间的空间也可以用于收集能量。 这种情况下的可用电容大于上述两种方法。 但是,如果将额外的器件放置在绝缘子串上,则电压分布和产生的绝缘强度将成为严重的问题。

图 1.2
1.2.4 垂直风力涡轮和压电传感器
与电流互感器类似,基于电场的能量收集方法仅适用于交流输电线路。 对于直流变速器,基于电场的能量收集将变得效率低得多。 在这种情况下,基于风能或振动的能量收集方法(如垂直风力涡轮机和压电换能器)更有前途[25] [26]。
本次毕设的主要任务就是利用自制平行板电容器收集高压线附近的感应电压,与其他感应装置不同的是此次采用平行板电容收集的方法,因此电容的设计对感应装置有很大影响,如何制作电容以及电容的规格都是需要考虑的内容。电容的感应取电以及之后的整合电路在本论文中也会有所提及。
1.3 本章小结及章节安排
本文主要研究的是咬牙输电线路前端电容设计,也对装置的其他部分做了简要介绍。目的是研制出结构简单明确,易于制作,安装使用方便且能输出稳定电压的感应装置。
第一章主要是深入了解了该技术的目的及意义,然后探讨了其现状,包括国内外的最新技术,它们所能达到的高度。
第二章主要是研究了几种不同的感应取电原理,分析它们相对的优缺点,然后选择最优的感应取电原理进行设计。
第三章主要通过软件仿真和实地测量两种方法对比研究了影响取电电压的因素,包括电容板的大小(电容大小)、电容板与高压线的距离、电压等级。
第四章主要研究了不同的电容的传统计算方法,然后选择本次设计所采用的电容形式,然后探讨了影响电容大小的因素。
第五章主要介绍了电源转换电路,即硬件电路部分。
第六章主要对本次设计进行综合分析,得出最后结论。
第2章 高压线路附近感应取电原理
2.1电容分压的原理

图2.1 电容分压原理图
电容分压式感应取电的基本原理如图2.1所示,C1、C2分别是两个起分压作用的电容器,其中CI的电容值比C2大很多。U1为输电线路的电压等级,UC1为C1电容器上的电压,UC2为电容器C2上的电压,理论上UC1比UC2大很多。
由于电路是两个电容C1和电容C2是相互串联而成的,则得出结论:U1=UC1+UC2。 可以根据电容器串联分压的原理,得出如下公式(2.1):
2.1
电容器选定后K为定制,叫做电容分压的分压比,所以只要控制好C1和C2的大小,就可以得到系统所需要的对应的分压系数。
2.2线圈取电原理
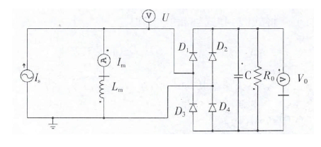
图2.2为线圈取电原理图,线圈感应取电原理是把线圈套在交流高压输电线路上,通过电磁感应原理,将高压输电线路附近的电磁能转化为电能进行输出,输出的电能是交流电,交流电需要经过桥式整流电路使它变为直流电从而对需要的设备进行供电。

图2.2 输电线路取电原理
如果一次线圈与二次线圈匝数比为1∶n且一次侧电流为i1,二次侧电流为i2,励磁电流为 im,则可以依据电磁感应关系和变压器磁动势方程 i1=n×im n×i2得出高压输电线路取电模型如图2.3所示。

图2.3 输电线路取电模型
此次模型需要将参数折算到二次侧统一计算,其中:电流源电流 is=i1/n,Rm和 Lm为励磁电阻和励磁电感,R1和 L1为一次侧漏电阻和一次侧漏电感,R2,L2为二次侧漏电阻和二次侧漏电感,电容器C有两个作用:一是消除绕组带来的电感,二是失输出电压变得更稳定。现在进一步对图2.3的工作模型进行简化:由于高压输电线路属于电流源,一次侧和二次侧的漏阻都可以忽略不计算;二次侧的漏组和漏感与励磁电阻和励磁电感相比很小也可以忽略不计算;励磁感抗远远大于励磁电阻,因此影响取电线圈的输出功率的主要因素励磁电感,所以忽略励磁电阻,所得的进一步简化工作模型如图2.4所示。

图2.4 简化的工作模型
通过重新得到的简化工作模型来分析和计算怎样才能通过最经济的线圈去获得高压输电线路取电最大的取电功率。
2.3电磁感应原理:
电磁感应原理是通过取能线圈从高压输电线路上感应交流电压,然后依次通过整流、滤波、稳压后为需要的装置供电。电磁感应的工作原理如图2.5所示,由电磁理论的相关知识可知,取能线圈两端在空载情况的下,取能线圈一次侧部分由交流电流控制,如图2.6。假设输出电压的峰值为U,可知:
U= 4. 44 fN2φm (2.2)
φm= BmSλ (2.3)

图2.5取能电源原理框图

图2.6磁感应线圈原理图
式中,
f为激励电流的频率;
N2为线圈匝数;
φm为磁通量幅值; Bm为磁感应强度幅值;
S为铁心横截面积;
λ为铁心叠片系数。
由安培环路定律 HmL= N1I (2.4)
式中,
Hm为磁场强度幅值,
N1为一次侧绕组匝数,此处值为1,
L为平均磁路长度。
Bm与Hm的关系为Bm= μ0μrHm(2.5)式中,
μ0为真空磁导率;μr为相对磁导率。
2.4最优选择
了解各种感应去电原理之后就是比较它们的优劣势然后选择最简便且功能强大的去完成本次设计。线圈取电原理其取电效率比分压式要低,且电压没有分压式获得的电压稳定,运用电磁感应原理的装置中绝缘部分是一个亟待解决的问题,因此分压式原理是最好的选择。
本次毕设运用的是两块电容片,用分压的原理就是上片与高压线形成电容,上片与下片形成另一电容,下片电容板与地面相连。我此次毕设的主要目的就是设计这两块电容板的大小,包括板子大小,板间距,然后通过理论公式进行计算,随后用ansys进行电容模拟计算,在模拟现实的情况下观察结果与理论值是否相同,因此上级板与导线的距离理论上是影响取电电压的一个因素(具体后面仿真会有介绍)。这时只能去研究前端电容的大小与规格,判断可能的最优选择。用感应取电的原理解释就是在高压线附近本来就存在电势差,这也是人为什么远离高压线的原因,理论上距离高压线越近电荷越密集,相对应的电势差会越大,如果在距高压线一定的位置放置电容板,这些导体上自然会感应出电荷形成电势差(这在后面的实验中有验证)。
以上是毕业论文大纲或资料介绍,该课题完整毕业论文、开题报告、任务书、程序设计、图纸设计等资料请添加微信获取,微信号:bysjorg。
相关图片展示:







您可能感兴趣的文章
- 一种确定磁探针集总电路参数的标定方法外文翻译资料
- 一种人体可接触的大气压低温等离子体射流装置研究(适合电气B方向)毕业论文
- 氩氧中大气压DBD放电特性研究(适合电气B方向)毕业论文
- 大气压氩等离子体射流放电影响因素的仿真研究(适合浦电气B方向)毕业论文
- 含氧高活性均匀DBD改性聚合物薄膜研究(适合浦电气B方向)毕业论文
- 反应器结构对气液两相DBD放电特性的比较(适合浦电气B方向)毕业论文
- 南京某公司研发楼电气设计毕业论文
- 金帆北苑地块经济适用住房——02栋商住楼电气设计(适用于浦电气1004~06A方向学生)毕业论文
- 扬州人武部大楼电气设计毕业论文
- 金帆北苑地块经济适用住房——04栋商住楼电气设计(适用于浦电气1004~06A方向学生)毕业论文


