基于定子磁链定向的双馈风力发电机并网运行矢量控制的研究毕业论文
2020-04-09 14:12:56
摘 要
随着能源的日益减少和人们节能环保意识的提高,新能源发电的发展已成为不可阻挡的趋势。风电作为一种可再生绿色能源,已得到各国高度重视,成为能源发展战略中一个不可缺少的部分。
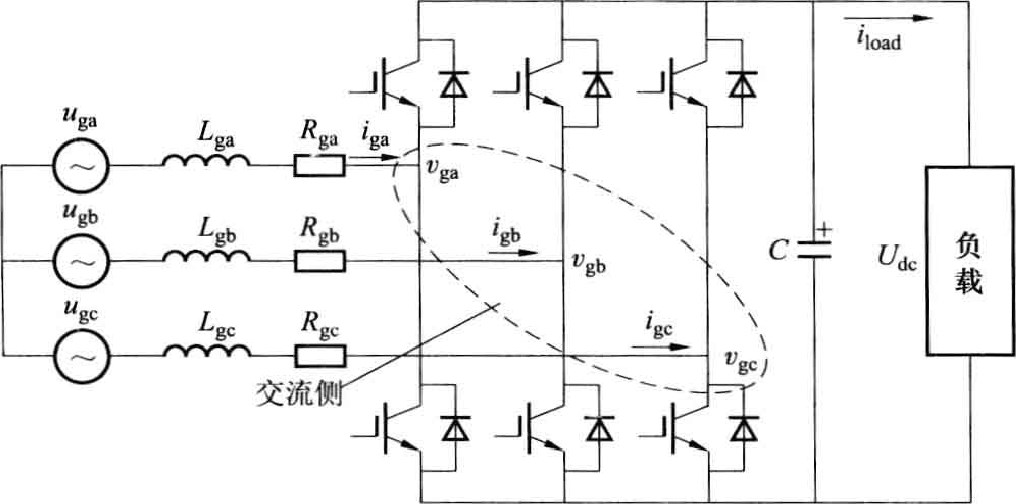
要使风力发电机接入电网,对风电系统的变速恒频发电能力有着很高的要求,而双馈风机可以通过调节转子励磁电流来实现变速恒频发电。双馈风机的另一个特点是为双馈风机转子绕组提供交流励磁的是交流励磁变换器,该变换器由网侧变换器和转子侧变换器组成,转子侧PWM变换器给转子绕组提供励磁电流的同时,还能通过调节转子电流d、q轴分量来实现双馈风机定子输出的有功功率和无功功率的解耦控制,并实现风机的最大风功率跟踪运行;网侧变换器能保持良好地输入特性,使输入电流接近正弦波,减少谐波且能控制风机的功率因数,提升电网性能及用户用电质量。
本文首先研究了双馈风机变速恒频发电的基本原理,并建立了双馈风机在三相静止坐标系下的数学模型,分析了双馈风机在不同工作状态下的功率流动关系,利用坐标变换得到网侧PWM变换器和转子侧PWM变换器在d、q轴坐标系下的数学模型,提出双馈风机有功、无功输入输出功率的解耦控制方法,并制定了网侧、转子侧变换器的矢量控制策略,最后利用Matlab中的simulink工具搭建双馈风机仿真模型,通过试验验证了基于定子磁链定向的矢量控制策略的有效性。
关键词:风力发电,双馈风机 ,变速恒频,矢量控制,交流励磁变换器
Abstract
With the decrease of energy and the improvement of people's awareness of energy conservation and environmental protection, the development of new energy generation has become an irresistible trend. Wind power, as a kind of renewable green energy, has been highly valued by all countries and has become an indispensable part of energy development strategy.
To make the wind generator connected to the electricity grid, we must let the doubly-fed fan constant frequency, amplitude and phase of electricity. Doubly-fed fan of another characteristic is the use of ac excitation converter of rotor winding excitation current, ac excitation converter is the core of the doubly-fed machine control system, is composed of network side converter and the rotor side converter, PWM rotor side converter for rotor winding of exciting current at the same time, through independent vector control to adjust the stator output active power and reactive power, and achieve the function of fan, the wind track; The network side converter can keep good input characteristics, make the input current close to sine wave, reduce harmonics and control the power factor of the fan, and improve the performance of the power grid and the power quality of users.
At first, this paper studied the basic principle of variable speed constant frequency doubly-fed fan electricity, and established the doubly-fed fan in the mathematical model of three-phase static coordinate system, analyzes the doubly-fed fan flow under different working conditions of power relations, coordinate transformation are used to get the network side PWM converter and PWM rotor side converter in the d, q axis system, the mathematical model proposed doubly-fed fan active and reactive power decoupling control method of input and output power, and make the network side and rotor side converter vector control strategy, and finally in the Matlab simulink tool set up simulation model of doubly-fed fan, The effectiveness of vector control strategy based on stator magnetic chain orientation is verified by experiments.
Key words: wind power generation, doubly-fed fan, variable speed constant frequency, vector control, ac excitation converter
目录
摘要 I
Abstract II
第一章 绪论 1
1.1 研究背景与意义 1
1.2 国内外研究现状 3
1.3 本文研究的主要内容和目的 4
第二章 双馈风力发电机机基本运行原理 5
2.1 双馈风机工作原理 5
2.2 双馈风机在三相静止坐标系中的数学模型 6
2.3 坐标变换 8
2.3.1 三相-两相静止坐标系变换(3s/2s变换) 8
2.3.2 两相静止-两相旋转变换(2s/2r变换) 9
2.4 双馈风机在两相旋转坐标系中的数学模型 9
2.5 双馈风力发电机的功率关系 10
2. 6 本章小结 12
第三章 基于定子磁链定向的双馈风机矢量控制策略 13
3.1 两电平电压型双PWM变换器 13
3.2 网侧PWM变换器 14
3.2.1 网侧PWM变换器的数学模型 14
3.2.2 网侧PWM变换器的控制策略 15
3.3 转子侧PWM变换器 18
3.3.1 转子侧PWM变换器的数学模型 18
3.3.2转子侧PWM变换器的控制策略 19
3.4 本章小结 21
第四章 仿真 22
4.1 仿真模型 22
4.1.1主电路仿真模型 22
4.1.2 网侧变换器控制系统仿真模型 22
4.1.3 转子侧变换器控制系统仿真模型 23
4.1.4 SPWM仿真模型 24
4.1.5 PLL 24
4.2 仿真实验结果 25
4.2.1 双馈风机稳态运行试验 25
4.2.2 不同风速下的双馈风机运行实验 26
4.3 本章小结 27
第五章 总结与展望 28
参考文献 29
致谢 30
第一章 绪论
1.1 研究背景与意义
能源是人类发展历程上必不可少的,人类最开始靠简单的燃烧获取能量来加工食物或用品,随着科技的发展,人们对能源的需求越来越高,目前人们的主要能量来源任为化石能源。这些化石能源是地球在若干亿年的历史上形成的是有限的,也是不可能再生的,随着全球工业化与自动化高速发展,人们对能源的需求急剧上升,煤炭、石油和天然气三大化石能源日渐枯竭,根据联合国能源署报告,从目前的能源消耗速度与加速度来看,这些能源仅可供全世界消耗大约170 年[1]。由此可见,如果不对化石能源的消耗速度加以控制,我们的后代将无化石能源可用,同时,人们对化石能源的利用率不够充分,对化石能源的利用方法仍在发展,不正确使用化石能源造成大量能源浪费的同时,还会严重破坏我们赖以生存的地球生态环境,如燃烧化石能源产生的二氧化碳与二氧化硫会导致温室效应和酸雨。但社会的发展是不可逆的,人们不能舍本逐末地因能源日渐枯竭而停止社会的发展,因此,必须找到新的可替代化石能源的能源,并实现可持续发展,这是当今社会发展的重大课题。现如今,寻找和开发可再生能源已成为大势所趋,目前,可实现的可利用新能源有:风能、太阳能、地热能、潮汐能、核能和可燃冰,其中,风能、太阳能、地热能、潮汐能为可再生能源,对生态环境没有影响且取之不尽用之不竭,风能作为主要的成员之一,收到各国广泛的关注。
与其他能源相比,风能利用技术最为成熟,且在成本与能量来源上都具有明显的优势,与太阳能相比,风能不需要昂贵的太阳能光伏电池板;与地热能和潮汐能相比,风电的能源分布范围广,能源丰富。因此,在诸多新能源中,风电是最理想也是最先得到大力发展的新兴可再生能源。风力发电的优点有:一,在经济成本方面,风力发电厂的建造成本比火力发电厂、水力发电厂、光伏发电厂或核电站的建造成本低很多;二,风力发厂的运营成本低,除建运营维护费用外,无需任何燃料费用,且风电厂所需运行人员较火电厂少,发电机组故障少,维护简单;三,在环保角度上,风电是一中清洁的绿色能源,在发电过程中不会产生火力发电或天然气发电等产生的温室气体及二氧化硫等有害气体,对生态环境没有影响,并在一定程度上增加了环境的观赏性[16]。因此,各国对于风力发电的关注越来越高,对于风能开发和利用项目的投资不断加大,风力发电行业呈现出了前所未有的发展速度。
世界上第一个利用风力发电的国家是丹麦,在1891年,丹麦丹麦建造了世界上第一台用于发电的风力机,由于技术水平不高和经济效益低的原因,风力发电一直没有在电网中利用。直到1973年爆发了石油危机,美国、欧洲等发达国家开始寻找新的能源以代替化石能源,投入大量精力与经费研究可并入电网的风力发电机组。80年代建立了示范风电厂,风电开始成为电网中的新兴能源之一。到了90年代,由于各国日益认识到环境保护的重要性,对二氧化碳等温室气体的排放做出了减排的要求,各国开始征收二氧化碳排放税,进一步刺激了风力发电行业的发展。法律规定符合要求的可再生能源发电全部收购,且必须要在电网发能源源中占一定比例;另外还对投资风力发电行业的企业给予补贴,风力发电厂税收减免、增加鼓励电价等。为进一步加快风力发电的发展,美国在1992年制定了鼓励风力发电行业的政策,风力发电可享受一定的税收减免,为1.5美分/千瓦时,但是该法规先后3次被终止实施,最终被取消,可见当时制约美国风力发电行业发展的主要因素在于缺乏稳定的国家政策。美国风能委员会(AWEA)希望有一个长期持续的产品税减免的政策,当电力公司购买电力时,必须要购买一定比例的可再生能源产品[2]。在亚洲,印度是利用风力发电容量最大的国家之一,在2004年,印度在风力发电新增装机容量为875MW,风力发电能力达3000MW,是世界最大的风力发电国家之一。2016年,印度新增装机容量达3612MW,创下本国新增装机容量新纪录,在2016年全球新增装机容量排行上位列第四名,印度总装机容量已达28.7GW,在全球名列第四。2016年全球市场新增容量超过54.6GW,全球累计容量达到486.7GW[4]。2016年的风电市场由中国、美国、法国和印度引领,尽管在年装机容量上未超过2015年的记录,但任然达到了一个相当令人满意的水平。新增装机容量未持续增长的主要原因是电力需求下降和电网消纳风电能力不足等[5]。
我国是世界上最大煤炭生产国和消费国,发电总量中利用煤炭发电的发电量占比为73.4%,大大高于发达国家和世界品均水平。大量使用煤炭也是我国成为世界上二氧化碳和二氧化硫排放量最大的国家之一,煤炭等火电成为我国最大污染源之一,因此,整改能源结构是我国实施可持续发展战略的关键步骤。我国地大物博,风力资源十分丰富,据中国气象科学研究院估算,我国风能平均风能密度约为100W/,十米高的空中风能资源储量为32.26亿KW,其中可开发利用的部分为2.53亿KW,具有很大的开发利用价值[3]。我国的风力发电是在20世纪50年代后期开始研究的,但在试点建设了一个容量为10KW以下小型风电厂以后便一直处于停滞状态。在20世纪70年代中期,全球能源危机爆发的影响下,中国也开始了在部分地区进行风力发电的研究。但在当时,风力发电的主要运用在一些牧区、海岛等大型电网难以运输到的地方,且风力机组单独运行发电,不参与并网。20世纪80年代,中国开始了风电厂并网运行的研究,但规模仍然较小。到1996年,风力发电开始加大建设规模,风电厂规模和庄家荣两开始增大,到21世纪初,装机总容量达470MW。2016年,我国新增装机容量为2337万KW,累计装机容量达1.69亿KW,与2015年相比,我国华北、华东等较为发达的地区风电占比均有增长,而西北、西南等地区风电占比维持不变甚至有所下降,这是由于西北等地区对电力的需求不高导致的。
风能是可再生的绿色能源,具备相当多的优点,是新能源发电领域最具前景的能源之一。大力发展风电发电对保护环境,改善能源结构,实现经济社会可持续发展都具有深远的意义。为进一步发展风力风电行业,提升风电的普遍性,必须进一步研究风力发电技术,改善风力发电机拓扑结构,提升风力发电机控制特性。
1.2 国内外研究现状
目前风力发电机主要为双馈发电机和永磁同步发电机。双馈异步风力发电机在结构上和绕线异步电机类似,因其定子、转子都可以馈入或馈出能量,“双馈”的定义由此而。
对于风力发电系统来说,最重要的部分是风力发电机的控制系统,所以目前国内外的研究主要其中在对双馈风机控制系统的研究上。双馈风机的控制策略主要是控制风机的交流励磁变换器,其中,控制双馈风机输出功率和实现双馈风机最大风功率追踪运行的是转子侧变换器,目前转子侧变换器的主要控制策略为矢量控制和直接转矩控制。
一般的交流三相异步电机定子绕组为三相绕组,分别为A、B、C绕组,在三相绕组上通上平衡的三相正弦电流时,会产生一个以同步转速 的角速度以A-B-C三相的顺序旋转的和合成磁动势F,而双馈风机的转子绕组为励磁绕组,绕组本身就在旋转,且产生的合成磁动势会受到定子绕组的影响,所以双馈风机控制较为复杂。而直流电动机的中只要控制好励磁绕组的励磁电流即可控制电机中的磁通,不使用弱磁调速而改变励磁电流的情况下,可认为磁通保持恒定,。所以直流电机的数学模型较为简单,且控制性能好。若将双馈风机数学模型中的交流量利用某种方法转化为直流量,将交流电机等效为直流电机,这样便能利用直流电机的控制方法控制直流电机,改善控制特性,这就是矢量控制的由来。
双馈发电机控制的核心在于交流励磁变换器的控制,其中转子变换器的控制尤为重要,双馈风机控制的主要目的是实现输出有功、无功功率的解耦控制并实现双馈风机系统最大风功率跟踪运行,而这都靠转子侧变换器控制转子电流来实现。目前控制双馈发电机的转子电流的方法主要分为矢量控制和直接转矩控制,其中矢量控制策略有:基于电网电压定向、基于虚拟电网磁链定向、基于定子电压定向和基于定子磁链定向等;直接转矩控制策略有:查表法、空间矢量调制和预测控制等[6]。
基于电网电压定向的矢量控制策略一般用于双馈风机网侧PWM变换器的控制上,该控制策略只需测量定子电流、电网电压和转子作为正交信号,避免矢量控制系统对定定器、转子测量精度、严格要求和控制系统的实时性和一致性进行简化。有功、无功功率和速度的双馈发电机稳态调节特性和机器三个相对突然短路暂态过程的仿真研究表明,该控制策略可以实现双馈发电机定子有功和无功功率的解耦控制,转速和短路故障切除后有功,无功功率和速度可以回到原来的设定值和稳定运行[7]。矢量控制可以实现高性能有功功率和无功功率的解耦控制,但其主要缺点之一是过于依赖系统参数。在普通异步电动机的控制中,直接功率控制被认为是一种具有较强鲁棒性、对参数不敏感和简单控制算法的良好控制策略[10]。因此,这种控制策略也被应用到了双馈风机的控制系统中。国外学者详根据双馈风机发电系统并网运行的一些特点,提出了通过直接观测转子磁链位置来实现对双馈风机进行直接功率控制 ,观测转子磁链位置后,再根据查表法得到对励磁变换器开关元件的控制波形,最终实现对双馈风机的有功功率和无功功率的解耦控制。实验结果表明,该控制方法具有良好的动态特性和鲁棒性,然而,磁链的计算会受到转子电阻变化和电感的影响[8]~[9]。与之类似的是,观测定子磁链的直接功率控制策略,通过估计定子磁链的位置来实现双馈风力发电机的直接功率控制,使用该控制策略的控制系统的性能与定子绕组电压、电流及阻抗等参数相关[10]~[11]。然而与矢量控制箱比,直接功率控制策略使用的功率开关管具有开关频率高的特点,特别是大容量电机中,变换器中的开关损耗将大大增加,影响风机系统的控制性能,所以目前直接功率控制仍未进入实际应用阶段。
1.3 本文研究的主要内容和目的
本文首先研究了双馈风机变速恒频发电的基本原理,并建立了双馈风机在三相静止坐标系下的数学模型,分析了双馈风机在不同工作状态下的功率流动关系,利用坐标变换得到网侧PWM变换器和转子侧PWM变换器在d、q轴坐标系下的数学模型,提出双馈风机有功、无功输入输出功率的解耦控制方法,并制定了网侧、转子侧变换器的矢量控制策略,最后利用Matlab中的simulink工具搭建双馈风机仿真模型,通过试验验证了基于定子磁链定向的矢量控制策略的有效性。
第二章 双馈风力发电机机基本运行原理
2.1 双馈风机工作原理
双馈感应型异步发电机结构与绕线式异步发电机类似,由定子转子两套绕组组成,且定、转子均能参与与电网的有功无功交换,因此称之为双馈异步发电机(DFIG)。DFIG在运行特性上兼有异步发电机和同步发电机的双重特性:其转速可与电网和发电机同步转速不相同,与异步电机类似[12];而在其他性能上又与同步电机类似,例如可利用DFIG独立的转子励磁绕组对功率因数进行独立调节。
由于风能的变化是无规律的,风力发电机在工作时转速也会不断变化,且为保持电网稳定和发电质量,发出的电能频率必须为额定的频率、相位、幅值,这就对风力发电机的变速恒频运行能力有着极高的要求,而常规的同步电机或异步电机无法很难达到这一要求。双馈风机采用交流励磁,可通过对转子励磁的控制,从而调节定子绕组输出额定的频率、相位、幅值,实现在双馈风机变速运行下的柔性并网。
以上是毕业论文大纲或资料介绍,该课题完整毕业论文、开题报告、任务书、程序设计、图纸设计等资料请添加微信获取,微信号:bysjorg。
相关图片展示:







您可能感兴趣的文章
- 一种确定磁探针集总电路参数的标定方法外文翻译资料
 - 一种人体可接触的大气压低温等离子体射流装置研究(适合电气B方向)毕业论文
 - 氩氧中大气压DBD放电特性研究(适合电气B方向)毕业论文
 - 大气压氩等离子体射流放电影响因素的仿真研究(适合浦电气B方向)毕业论文
 - 含氧高活性均匀DBD改性聚合物薄膜研究(适合浦电气B方向)毕业论文
 - 反应器结构对气液两相DBD放电特性的比较(适合浦电气B方向)毕业论文
 - 南京某公司研发楼电气设计毕业论文
 - 金帆北苑地块经济适用住房——02栋商住楼电气设计(适用于浦电气1004~06A方向学生)毕业论文
 - 扬州人武部大楼电气设计毕业论文
 - 金帆北苑地块经济适用住房——04栋商住楼电气设计(适用于浦电气1004~06A方向学生)毕业论文
 

        
            
