SVPWM控制策略研究毕业论文
2020-04-08 14:25:28
摘 要
在三相逆变中,较成熟的SVPWM调制算法中包含着许许多多的坐标变换与矢量分解,三角函数计算、矩阵计算和无理数计算,因为运算过程十分复杂,计算量庞大,降低了我们对控制系统的实时性要求。相对于七段式调制,我们剖析了一种SVPWM三段式控制策略。介绍了它的调制和其计算方法,对实现方法进行了验证。这种控制策略的特点是简化了以往的SVPWM调制时需要的复杂计算,只需要查表和普通的乘法计算就完成调制。扇区的判定与逆变桥驱动波生成是依靠组合逻辑来实现。本文对设计原理及要求做了介绍,并对SVPWM三段式调制进行了MATLAB 仿真。通过分析与仿真,证明了SVPWM三段式调制控制策略的正确性。
关键词:三段式 SVPWM MATLAB仿真
Abstract
In the three-phase inverter, the more mature SVPWM modulation algorithm contains many coordinate transformations and vector decompositions, trigonometric function calculations, matrix calculations and irrational number calculations. Due to the complex calculation process and large amount of calculation, the real-time control system is reduced in real-time. Sexual requirements. Compared to the seven-segment modulation, we analyzed a SVPWM three-stage control strategy. Its modulation and its calculation method are analyzed and the implementation method is verified. The advantage of this control strategy is that it simplifies the complex calculations of the previous SVPWM modulation and completes the modulation only through look-up tables and general multiplication calculations. The judgment of the sector and the generation of the inverter bridge drive wave are realized by combinational logic. This article describes the design principles and requirements, and performs MATLAB simulation of SVPWM three-stage modulation. Through analysis and simulation, the correctness of SVPWM three-stage modulation control strategy is proved.
Key words: Three-Stage SVPWM MATLAB Simulation
目 录
摘 要 I
Abstract II
第1章 绪论 1
1.1 研究目的及意义 1
1.2 国内外研究近况 1
1.3 主要研究内容 1
第2章 电压型逆变器常用PWM技术 3
2.1 逆变器的基本分类 3
2.2 常用PWM技术 3
2.2.1 SPWM技术 3
2.2.2 SVPWM调制的基本原理 5
2.3本章小结 9
第3章 电压型逆变器常用PWM技术 10
3.1三段式SVPWM调制 10
3.2三段式SVPWM调制波的生成原理 13
3.3三段式SVPWM调制逆变桥的驱动 16
3.4 本章小结 18
第4章 系统的仿真与分析 20
4.1MATLAB介绍 20
4.2三段式算法系统仿真建模 20
4.2.1 Tk、Tk 1、Ts调制信号仿真模块 21
4.2.2 扇区和奇偶控制信号仿真模块 22
4.2.3六个功率开关驱动信号仿真模块 23
4.3 七段式算法和三段式算法的比较 25
4.4 本章小结 26
第5章 总结与展望 27
5.1 总结 27
5.2 展望 27
致谢 28
参考文献 29
附录 31
第1章 绪论
1.1 研究目的及意义
自从上世纪科学家们提出SVPWM调制技术,因为它优良可靠的特性和性能,被广泛大量的应用在三相逆变和生活中的许多地方,受到了工程和学术界的关注,并被深入地研究和探讨。SVPWM的关键思想和方法是把三相对称正弦波电压电路供应电能时候的三相对称电动机定子理想磁链圆作为的参考标准,可以采用三相逆变器不同开关模式作一系列可行的适当的切换,进一步从而形成PWM波,我们可以用所形成实际磁链矢量作为参考量来追踪具体精确的磁链圆。以前SPWM方法都是先考虑电源的角度,用来产生一个可调频调压的电源,这个电源是正弦波,但是SVPWM方法将逆变系统和异步电机看作一个整体来考虑,模型比较简单,也便于微处理器的实时控制。
考虑到以往的SVPWM 调制算法具有复杂的计算,包括了大量的坐标变换和矢量分解,许许多多的三角函数运算、矩阵运算和矢量运算,考虑到复杂的计算会大大影响了控制系统。所以来说大量的新式的SVPWM 调制算法被科学家们发表出来.我们对在载波为锯齿波的情况下如何实现三段式SVPWM调制做出了一定的研究。
1.2 国内外研究近况
汪松松等人采用直接的三相电压差值来进行基本电压矢量作用时间的计算,并将相电压由大到小排序,从而判定扇区[1]。吴丽华等人对和进行逻辑及加减运算,从而得到了合成的矢量所在扇区,通过查表就可以计算出该扇区合成矢量作用时间[2]。王畅等人发表了基于60°坐标系的SVPWM算法,这种算法只用逻辑判断就可以获得参考矢量具体位置,用简单的加减运算就可以算出基本矢量的作用时间[3]。齐昕等人采用了双矢量空间压缩到特殊位置时判断其扇区,和找出双边对称七段SVPWM三相占空比计算的特殊规律来将计算进行简化[4]。董长双等人把任意扇区的参考矢量变换到第一扇区,用第一扇区的矢量时间计算公式,从而计算出波形的占空比[5]。
虽然这些算法的研究和提出并没有对七段式SVPWM 调制基础有何改进和突破,仅仅的只以以前的SVPWM 七段式调制为基础找到一种相对来说简便快捷的算法,但是,我们可以清楚的知道,这些研究的进展使得SVPWM 调制技术更加成熟了。
1.3 主要研究内容
利用锯齿波进行SVPWM的调制,优化一种三段式SVPWM调制技术并在MATLAB上加以验证,并与传统的七段式进行比较。
第2章 电压型逆变器常用PWM技术
2.1 逆变器的基本分类
逆变器我们可以考虑根据主电路的波形来进行鬼类,大体可以分成两类,一类是电流型逆变器,第二类别则是电压型逆变器;我们还可以考虑根据主电路的相数来分类,也可以分成两大类,一类是单相,另一类是三相。
根据不同的发电能源的种类和类型,我们将把逆变器区分成许多类。有利用核能逆变器,使用太阳能逆变器,能源为风能的逆变器,燃烧煤发的电的逆变器等类型。分析考虑到使用的时候目的有很大的不同,我们还可以将逆变器分别命名成独立控制逆变器,并网逆变器这两种。
还有常见的一种分类就是电压型和电流型逆变器。电流型逆变器顾名思义也就是直流电源是恒流源,我们利用直流电压来表现逆变功率脉动波形状态。电压型逆变器也就是直流电源是恒压源,我们利用直流电流来表现逆变功率的脉动波形状态。
使用三相电压型逆变器作为控制对象是论文对SVPWM三段式算法的一种想法,并SVPWM的最基础的原理进行客观详细的介绍,在这个原理的基础上进行了SVPWM算法的创新,绞尽脑汁的想出了三段式SVPWM。
2.2 常用PWM技术
脉冲宽度调制技术也就是我们自动化学院老师日常经常提及的PWM控制技术,这是一种输出电压的方法,这种方法采用了电压型逆变器控制,亦如我们所了解的其使用范围相当的广泛。最开始的时候经过模拟电路,将参考的正弦波与三角载波进行相应的对比比较来产生生成控制开关功率的器件的正弦脉宽调制信号。经过了大家的不断改进和努力,现在工作领域中所使用的全数字化的方案,其产生的输出信号不仅仅保证了质量远超出人们的预期,从另一个方面来说的话,还能够满足工程中对实时性的各种要求。
为了达到我们希望的变化频率、改变电压与减少危险性谐波的效果,PWM技术将利用直流电压,通过一系列的变化和操作转化改变成为符合我们预期和希望脉冲序列。PWM技术的操作途径是利用半导体开关器件,换一句话说,也就是利用开关的通断来完成我们的目标和预期。
2.2.1 SPWM技术
SPWM技术是现阶段大多数科学家研究的较为透彻,也是目前应用范围是我们所知道的最为广泛的技术。SPWM技术所根据的理论依据主要是面积等效原理。我们再来说说面积等效原理。这种原理最为主要核心的思想就是在拥有惯性环节基础之上,人们把冲量大小基本相同(也就是说面积大小是相等)的窄脉冲当做输入信号,在大致符合这个关键性的条件的前提之下即使让输入窄脉冲形状发生了很大的改变,但是这种输出效果和我们所预期的基本大致相同。可以得到合理的解释,这里就不详细叙述了。再因为惯性环节输出响应得到波形的低频率段是十分相当接近的,我们可以在高频段才能发现十分巨大无法忽略的差异,我们通过以上的讨论分析可以知道效果就基本相同。
输出与正弦波基本大致作用的效果是大致基本相等PWM的波形是SPWM技术的特点。我们还可以把PWM波形分成两类,一类是等幅PWM波,另一类是不等幅PWM波:当脉冲的幅度相等的时候,脉冲宽度按规律变化,这个规律就是正弦的规律;当脉冲宽度相同的时候,脉冲幅度也按一种规律变化,这个规律也是正弦规律。考虑到控制开关器件通断的是输出脉冲信号电压高低。所以为了能够改变输出端的窄脉冲的频率与幅度,在能够满足面积等效原理这个最基本的条件之下,我们可以随意选取幅度大小和频率高低大有不同的载波来完成实验。
正如图2-3所展示,我们为了保证输出的是等幅PWM波。我们先将正弦半波根据宽度平均分成N份,再让每份正弦波和每份窄脉冲的中心对应并且要保证面积相等,与此同时还要保证所有幅度脉冲是一致的,脉冲宽度是根据某些规律改变的,这种规律是正弦规律。而且N越大,则输出波形就越接近正弦波。我们假设Ud是PWM波幅值,Um是正弦波幅值,把Si表示为第i个窄脉冲宽度值,如式(2.1) Si就可以写成以下公式:
(2.1)
,i=1,2,3,4,5……,N (2.2)
的意思是各等效的矩形窄脉冲中心角的角度。
考虑分析到相同的理论和方法,正弦波的负的半周期也是可以保证输出的是等幅PWM波。单相的电压型逆变器也是都可以利用等幅SPWM来完成我们的要求和期望的。

图2.1 SPWM原理图
SPWM技术根据和考虑到采样方法不同就可以分成主要的两大类:一类就是自然采样法,而另一类则是规则采样法。自然采样法的核心思想就是在载波与正弦波相交的时候,对逆变电路开关器件的状态发生一些改变,这样就能产生窄脉冲序列,当然这样的所产生的窄脉冲序列与正弦波的所作用效果大体上是基本相同。但是考虑到自然采样法需要复杂大量的计算,不利于实时控制,所以在生产生活中很少被人们所利用,但是方法和理论是正确的。
而规则采样法则解决了上面的问题,它的计算十分方便,提高了实时控制的可能性,降低了许许多多的计算量,最为关键重要的就是输出的效果和自然采样法大致基本上是相同,所以能够在生产生活中得到了科学家们的推广和使用。规则采用法所采用的基本载波通常是等腰三角形和锯齿波。
2.2.2 SVPWM调制的基本原理
经典的SPWM调制的最重要最主要最关键的任务是让变压变频器输出电压尽其最大的可能的符合正弦波要求,缺点是没有考虑输出电流波形。电流跟踪控制的主要任务是直接控制输出的电流,让其波形尽量满足正弦波的各个条件,这样就比只要求正弦电压的技术向前迈进了一步。最终的目标是产生电磁转矩,这个电磁转矩要是恒定的。这需要我们在电动机空间产生圆形的磁场,这个磁场要是旋转的。这就是向交流电动机输入三相正弦电流的意义。
我们把交流电动机和逆变器看成一体的,所有控制逆变器工作的目的是产生圆形旋转磁场,这类的控制方法被称之为“磁链跟踪控制”,我们通过交替使用相关电压空间矢量可以达到控制磁链轨迹的目的,所以又可以叫做是“电压空间矢量PWM控制”。
SVPWM在近几年来发展是飞速的,是和以往的控制方法完全不同的,是通过特定开关模式来产生的脉宽调制波的,这个特定开关模式包括三相功率逆变器六个功率开关元件,它能够实现让输出电流波形尽量满足理想的正弦波形的各个要求的目标。传统的正弦PWM和空间电压矢量PWM有很大的不同,它考虑如何让电机获得完美的理想圆形磁链轨迹,它从三相输出电压整体效果的角度出发。
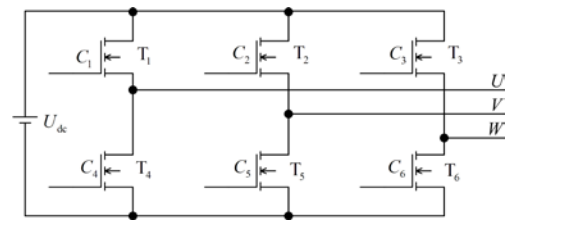
平均值等效原理是我们所说的SVPWM 的理论关键和基础,也可以说成是在某个开关的周期内利用和控制对几个基本的电压的矢量进行顺序和时间的安排,让其平均值(换一种说法也是等效值)和给定的电压的矢量保持大体上的基本相等。在一定的时间点上,电压矢量是偏移到一定的某个的位置上的,可以依靠和控制零矢量与这个位置的两个相邻的非零的矢量在某个时间段的顺序上的不同的先后的顺序来获取。这些的矢量在作用时间内可在一个采样周期里任意分成多次分散来作用,进而能够达到控制各个基本的电压的矢量作用时间目的的办法,使电压空间中的各个矢量尽可能多的的按照接近于圆轨迹来进行旋转, 后面形成的PWM 波形是控制逆变器不同的开关的状态,这样的电路状态能够保证产生了实际磁通,我们尽可能的让这个产生的磁通去尽可能的接近完美理想的磁通圆形,并且我们可以把两者的对比分析的结果来考虑如何调整逆变器开关状态。逆变电路正如图 2.3 所展示给人们的。

图2.2逆变电路
假设直流母线侧的电压是
,逆变器输出三相相电压分别是
、
、
,加在空间上互差120°的三相平面静止坐标系上,这样就能够定义这三个电压的空间矢量
、
、
,它们的方向始终保持在各相的轴线上,时间相位互差120°但是大小则变化,变化规律是正弦规律。假设f是电源频率,Um是相电压有效值,则就可以得到以下公式:
(2.3)
在公式中,
,这样三相电压空间矢量相加而得到的合成空间矢量 U(t)的公式就可写成下式:
(2.4)
由公式可以得到U(t)不是不变的空间矢量,而是一个旋转空间矢量,幅值是1.5倍的相电压峰值,Um是相电压峰值,并且是以角频率为ω=2πf,在逆时针方向上匀速旋转的空间矢量,空间矢量 U(t)在三相坐标轴(a,b,c)上的投影就是三相正弦量。这种三相正弦量是对称的,考虑到逆变器的三相桥臂一共有6个开关管,为了方便讨论各相的上下桥臂在不同开关组合时所产生的逆变器输出的空间电压矢量,特别定义了一种开关函数 ( x = a、b、c) 是:
(2.5)
在图2-1中,(Sa、Sb、Sc)的组合共有八种,分别为
(001)、
(010)、
(011)、
(100)、
(101)、
(110)、
(111)和
(000) ,这八个矢量被称为基本矢量,构成了由6个扇区组成的基本矢量空间,如图2-2所展示。我们可以知道在
与
状态下,逆变器是不用换流的。SVPWM调制是通过安排基本电压矢量作用顺序和作用时间,让参考电压矢量
根据之前设计好的周期与幅度作圆形的旋转。

以上是毕业论文大纲或资料介绍,该课题完整毕业论文、开题报告、任务书、程序设计、图纸设计等资料请添加微信获取,微信号:bysjorg。
相关图片展示:







您可能感兴趣的文章
- 一种确定磁探针集总电路参数的标定方法外文翻译资料
- 一种人体可接触的大气压低温等离子体射流装置研究(适合电气B方向)毕业论文
- 氩氧中大气压DBD放电特性研究(适合电气B方向)毕业论文
- 大气压氩等离子体射流放电影响因素的仿真研究(适合浦电气B方向)毕业论文
- 含氧高活性均匀DBD改性聚合物薄膜研究(适合浦电气B方向)毕业论文
- 反应器结构对气液两相DBD放电特性的比较(适合浦电气B方向)毕业论文
- 南京某公司研发楼电气设计毕业论文
- 金帆北苑地块经济适用住房——02栋商住楼电气设计(适用于浦电气1004~06A方向学生)毕业论文
- 扬州人武部大楼电气设计毕业论文
- 金帆北苑地块经济适用住房——04栋商住楼电气设计(适用于浦电气1004~06A方向学生)毕业论文


