基于快速原型控制器的LLCL有源电力滤波器毕业论文
2020-04-07 14:05:48
摘 要
随着电力电子技术的发展被广泛用于电力系统中,像逆变器、开关电源等非线性负荷,这些非线性负荷给电力系统带来了比较严重的电能质量,这些电能质量问题主要包括谐波污染、电压波动以及无功问题等。近些年关于电网谐波治理已经成为一个比较热门的研究课题,尤其当有源电力滤波器的出现使得谐波补偿得到了急速发展,尤其近些年如何高效的利用有源电力滤波器去抑制电网中的谐波已经成文了研究的热点。
有源电力滤波器的研究主要分为两大模块分别是谐波电流检测模块和电流跟踪控制模块。谐波电流检测模块本文主要采用的是
 检测方法。对于有源电力滤波器的电流控制的问题,本文主要比较分析了三角比较方式和滞环控制方式,最终通过比较的结果选择了滞环控制。最后通过Simulink仿真软件对有源电力滤波器进行了仿真建模,通过仿真结果的分析与研究来验证LLCL有源电力滤波器的滤波性能。
关键词:有源电力滤波器;谐波电流检测模块;电流跟踪控制模块;滞环控制
Abstract
With the development of electric and electronic technology, it is widely used in power systems, such as nonlinear loads such as inverters and switching power sources. These nonlinear loads bring more serious power quality to the power system, which mainly include harmonic pollution, voltage fluctuation and reactive power problem. In recent years, the harmonic control of the power grid has become a hot research topic, especially when the active power filter has made the harmonic compensation develop rapidly, especially in recent years, how to effectively use active power filter to suppress the harmonic in the power grid has become a hot research topic.
The research of active power filter is mainly divided into two modules: harmonic current detection module and current tracking control module. The detection method of harmonic current is mainly used in this paper. For the current control problem of active power filter, this paper mainly compares and analyzes the triangular comparison and hysteresis control methods, and finally selects the hysteresis control through the comparison results. Finally, the Simulink simulation software is used to simulate the active power filter, and the filtering performance of the LLCL active power filter is verified by the analysis and research of the simulation results.
Key words: active power filter; harmonic current detection module; current tracking control module; hysteresis control
目录
第1章 绪论 1
1.1课题研究的背景和意义 1
1.2有源电力滤波器的国内外研究现状 2
1.3课题主要研究内容 3
第2章 有源电力滤波器系统原理分析 5
2.1有源电力滤波器系统工作原理 5
2.2谐波电流检测方法 6
2.3直流侧电压控制 8
2.4滞环电流控制策略 10
2.5本章小结 11
第3章 有源电力滤波器的参数设置 12
3.1 LLCL滤波器参数设置 12
3.1.1 逆变器侧电感参数设计 14
3.1.2 网侧电感参数设计 15
3.1.3 滤波电容参数设计 15
3.2 无源电阻参数设置 16
3.3 直流侧电容参数设置 16
3.4本章小结 18
第4章 系统模型仿真及验证 19
4.1快速原型系统简介 19
4.2基于STARSIM实时仿真器和LABVIEW的快速原型控制器 20
4.3系统仿真结果分析 21
4.4本章小结 22
第5章 总结与展望 23
致谢 25
参考文献 26
第1章 绪论
1.1课题研究的背景和意义
伴随着时代的发展,社会工业化的不断提升,电力电子技术也得到了飞速的发展。在电力系统的发展过程中伴随着各种各样的非线性负载的加入,这些非线性负载的存在进而导致谐波的产生。这些非线性负载主要有开关电源、变频器、不间断电源等,当电流流经这些负载时,与电压不呈线性关系,从而形成非正弦电流导致电路产生谐波。
总的来说电力系统中谐波的存在会让系统中的电气设备会产生很大的损耗,这些损耗主要是铁耗和铜耗。同时由于设备的损耗增加,设备的温度则会变得更易增加,从而会加速设备的绝缘老化,同时设备的绝缘以及使用寿命会被削短,电能的传输和利用的效率也会由于谐波对电能的影响受到很大的影响,谐波也会对电力系统局部电路产生串联谐振或者并联谐振从而导致电容器等设备的毁坏,另外谐波还会引起电路中的测量仪器和计量装置产生误差,导致设备显示不了准确的数据。对于电网,谐波的危害则处处可见。比方说谐波对电力变压器的影响,谐波电流的产生会使变压器的铜耗增加导致电压器局部过热,噪声增大等问题,同时谐波也会对输电线路产生很大的影响,它增加了线路上面的损耗,降低了电能的传输效率。谐波也会对电路中的保护装置造成一定的影响,会使其异常动作,也会导致开关的误跳闸。总的来说谐波的危害已经是现今电力系统中一个十分重要的问题,另外对谐波的治理也是客观重要的。
对于目前而言,治理谐波的方法一般分为三种,分别为无源滤波、有源滤波以及无功补偿。无源滤波具有结构简单、经济、技术相对成熟等优点,但是其谐波滤除率一般只有80%,对基波补偿也是一定的。无源滤波器(FC)一般利用的是阻容元件的LC谐振特性来抑制谐波和高频干扰。有源滤波的谐波滤除率则比无源滤波要高一些,一般可以到达95%以上同时它还具有实时补偿的功能,但是其成本高,制作复杂且容量小。有源滤波器则是采用电力电子器件来产生一个与系统中谐波大小相等相位相反的谐波用来消除系统谐波。无功补偿则主要是为了提高电力系统中的功率因数,降低设备容量,减少功率损耗、提高电能质量等优点,但是无功补偿只能固定补偿不能够补谐波。本课题则主要研究的是基于快速原型控制器的LLCL有源电力滤波器,主要目的就是为了解决电力系统中的谐波与无功补偿。通过快速原型控制器件对有源电力滤波器进行控制从而对电力系统中的谐波进行治理实现系统的高效化与智能化。利用有源电力滤波器不仅可以补偿各次谐波,还能够补偿无功,其滤波特性也十分稳定,可以消除与系统阻抗的谐振危害。同时有源电力滤波器实现了对谐波和无功功率的动态补偿,另外其可以补偿电力系统中任何时刻的无功功率与谐波而且其响应速度也是非常快。并且它还具有对一个谐波和无功源进行单独补偿和对多个谐波和无功源进行集中补偿的特点。在电力系统中的无功补偿与谐波补偿等方面具有很大的作用。总的来说谐波补偿对电力系统是至关重要的,谐波补偿技术也是现如今所亟待解决的技术之一,它能够影响到整个电力系统运行的稳定性同时对用电用户也十分重要,比如说某些工厂用电对电能质量的要求是非常高的。
1.2有源电力滤波器的国内外研究现状
在上个世纪七十年代,首先是由日本学者提出了有源电力滤波器(简称APF)的概念,但是由于当时的电力电子器件发展还不够完善,因此没有得到实际运用。直到上世纪八十年代以后,伴随着各种大功率可关断器件以及脉宽调制的控制技术的发展,有源电力滤波器才得到了飞速发展,特别是由日本学者Akagi.H于1983年所提出的“瞬时无功功率理论”给有源电力滤波器的发展与应用提供了有利的条件[1]。随着有源电力滤波器的不断发展,国内外也对其的重视程度不断提高,比较知名的国内外公司有:西门子、ABB、日本三菱电机公司、苏州和顺、思源电气等。我国有源电力滤波器的发展虽然起步晚,但是国家对这一方面的发展还是十分重视的,如今这些研究已经与世界先进水平十分接近了,有的甚至已经达到了世界先进水平。如今国内外对电力系统的电能质量也十分的重视,有源电力滤波器对于改善电能质量能够起到很好的作用,同时电力滤波器也具有抑制闪变和电压调节,这也更加引起了国内外的重视。
现如今投入使用的有源电力滤波器的种类有很多种,根据应用场合可以分为有源直流滤波器和有源交流滤波器,其中有源直流滤波器可以消除高压直流系统中的换流器直流侧的电流、电压谐波;后者则应用于交流电力系统[2]。
根据逆变器直流侧储能元件的不同,可以分为电压型有源电力滤波器和电流型有源电力滤波器,电压型有源电力滤波器具有效率高,可以任意并联扩容,经济性优,因此如今所实用的大多数是电压型有源电力滤波器。
从有源电力滤波器与电网的连接方式的不同,可以将有源电力滤波器分为并联型、串联型、串-并联型和混合型。并联型主要适用于电流源型非线性负载的谐波电流抵消、无功补偿以及三相系统中的不平衡电流等[2]。在绝大多数的情况下研究混合型有源电力滤波器时来对串联型有源电力滤波器进行研究,一般不单独使用串联有源电力滤波器。对于混合型有源电力滤波器,它具有成本低和体积小的优点,是目前比较值得推广的。串-并联有源电力滤波器则是结合了串联型和并联型的优点,但是其造价高并且控制复杂,仍处于实验状态。
现如今对有源电力滤波器的研究最重要的技术就是补偿电流的检测与补偿电流的产生。对于补偿电流的检测,就目前国内外对补偿电流检测的方法一般采用瞬时空间矢量法、基于频域运算的方法、基于现代控制理论的检测方法、基于神经网络控制法与适应检测法。瞬时空间矢量法是一种基于瞬时无功功率理论的瞬时空间适量法,同时这种方法也是目前用于有源电力滤波器补偿电流检测最广泛的方法。基于现代控制理论的检测方法则是最早应用的有基于PI控制器的方法,因PI控制器的特性不能适应负载及电网的变化,后来又提出了滑模控制及模糊控制等现代控制方法[3]。对于补偿电流的产生主要的方法有滞环比较控制、三角载波线性控制和无差拍控制。滞环比较控制是将补偿电流参考值与逆变器世纪电流输入值之差输入到具有滞环特性的比较器,然后通过比较器的输入来控制开关的开合,从而达到逆变器输出值实时跟踪补偿电流参考值[4]。这种方法具有开关损耗小、动态响应快的优点,但是滞环宽带会印象其性能。三角载波线性控制则是最简单的控制方法,其电路简单,动态响应好,开关频率固定,但是其也具有开关损耗比较大等缺点。无差拍控制是一种全数字化的控制技术[4]。目前所常用的方法主要是滞环比较控制和三角载波线性控制。同时无差拍控制则是以中全数字化的控制技术,实际上它是利用了电路中前一时刻的指令电流和实际补偿电流电流值,它具有动态响应快并且方便计算机运行,但是它具有一定的缺点比方说其计算量特别大并且它的系统参数的依赖性比较强。随着计算的不断的简化,这种控制方法也是比较有一定的前途。总的来说基于模拟控制技术的三角载波线性控制技术和滞环控制技术是目前比较常用的方法。另外现在随着多重化技术和自适应滞环的改进已经可以有效克服三角载波线性控制技术和滞环控制技术中的缺点并且提高其使用效率。另外在一些别的文章中还提出了很多改进的电流控制方法,比如说像电压空间双滞环电流控制方法。
国外对有源电力滤波器的研究已经比较成熟了,其应用范围已经从最开始用户的谐波补偿到如今对整个电力系统的电能质量提升,并且国外很多地方都已经大量应用有源电力滤波器了而且十分成熟。国内对于有源电力滤波器的研究还是比较成熟的,但是还是处于研究阶段,应用方面还是落后于一些发达国家。所以说我国的有源电力滤波器还是需要加快自己的脚步,不断提高自己科技与技术能力。
1.3课题主要研究内容
本课题研究的主要内容是通过快速原型器件对有源电力滤波器进行实时控制。主要包括LLCL有源电力滤波器的硬件电路搭建以及有源电力滤波器快速控制程序的编写与调试和LLCL有源电力滤波器实时仿真建模等。对于LLCL有源电力滤波器的硬件搭建则又分为系统的硬件结构设计和控制电路设计。对于LLCL有源电力滤波器实时仿真建模则需要搭建仿真模型并且不断调试得到合适的波形。
本文首先对LLCL有源电力滤波器仿真模型进行参数设计,其中参数设计主要包括LLCL滤波器逆变器侧电感参数设计、网侧电感参数设计和滤波电容参数设计,同时也包括无源电阻参数设计以及直流侧电容参数设置。在对LLCL有源电力滤波器系统仿真模型搭建的时候,本文采用的是通过StarSim实时仿真器进行仿真,通过对LLCL有源电力滤波器系统仿真结果的分析,进而去证实了其滤波效果。在文章的最后本文了探讨了有关本文所研究还可以改善的方面总的来说课题主要就是通过快速原型器件对有源电力滤波器进行实时控制从而实时动态的消除谐波[5]。
第2章 有源电力滤波器系统原理分析
本章主要详细地介绍了有源电力滤波器系统工作原理,并对电压型有源电力滤波器进行了比较系统的研究,同时也介绍了谐波电流检测的方法和直流侧电压控制,也分析了滞环电流控制策略,最后进行了一个比较系统的总结。
2.1有源电力滤波器系统工作原理
有源电力滤波器其实就是一个大功率2波形发生器,它可以对电网中的谐波进行实时采样,然后产生一个与原谐波幅值大小相同,方向相反的谐波并将此谐波输送到电网中从而消除电网中的谐波。有源滤波的工作原理图如下:

图2.1 有源滤波工作原理
图2.1所展示的工作原理大致如下:有源电力滤波器(APF)大致是由四个模块组成,分别为谐波无功电流检测模块、补偿电流控制模块、驱动电路以及主电路,其中最为重要的两个模块是谐波无功电流检测模块和补偿电流控制模块[6]。谐波检测模块主要用来检测电路系统中负载电流的谐波,从而得到所需要的补偿电流信号。补偿电流模块则是用来产生该指令电流信号然后通过驱动模块让主电路产生补偿电流,将该补偿电流输送到电路中从而达到谐波的检测与控制。

图2.2 有源滤波器主电路结构图
其中有源电力滤波器的主电路的结构图可见图2.2,其中主电路的储能元件相当于电源,根据储能元件的不同可以划分为电流型有源电力滤波器与电压型有源电力滤波器,由于电流型有源电力滤波器会产生较大的损耗且电压型有源电力滤波器具有能量损耗低和易于控制的优点,所以目前常用的有源电力滤波器一般是电压型有源电力滤波器。储能元件的作用主要为可控开关元件提供保障[7]。其中可控开关元件一般为PWM变流器,检测以及控制电路用来将负载电流中的基波与谐波分离开来,从而使控制电路来产生开关控制信号来控制可控开关元件的动作,可控开关电路则可以将储能元件中的电能以合适的形式输送到电力系统中,产生所需的补偿电流。
2.2谐波电流检测方法
谐波电流检测技术是有源电力滤波器里面十分重要的技术,目前常用的谐波电流检测方法有傅里叶变换检测技术、瞬时无功功率理论谐波检测法与自适应谐波检测法等。由于最初的基于PQ理论的瞬时无功功率理论谐波检测方法还不够完善,因为当电力系统中的电压发生畸变的时候,用该方法所检测的结果出现较大的误差,无法满足有源电力滤波器正常工作的需要。本文则采用的是
 检测方法。
 检测方法相对而言更加完善,它能够运用在电压畸变与不对称电网中,所以现在大多数有源电力滤波器都是使用
 检测方法来对谐波电流进行检测[8]。本文则主要介绍一下
 检测方法的原理。

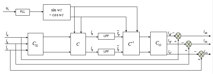
图2.3 
谐波检测方法原理图
 谐波检测方法原理图如图2.3所示。假设其中三相电路中各项的电流的瞬时值为
 、
 、
 ,通过
 变换和
 变换得到p轴电流
与q轴电流
,其中
和
经过低通滤波器之后会得到p轴和q轴电流的直流分量
和
,然后再经过
 变换和
 可以得到各相电流中的基波分量,最后用原三相电流减去基波分量
、
、
,就可以得到三相电流中的谐波分量
 、
 、
。其中各变换过程如下所示。
	
	(2.1)
以上是毕业论文大纲或资料介绍,该课题完整毕业论文、开题报告、任务书、程序设计、图纸设计等资料请添加微信获取,微信号:bysjorg。
相关图片展示:







您可能感兴趣的文章
- 一种确定磁探针集总电路参数的标定方法外文翻译资料
 - 一种人体可接触的大气压低温等离子体射流装置研究(适合电气B方向)毕业论文
 - 氩氧中大气压DBD放电特性研究(适合电气B方向)毕业论文
 - 大气压氩等离子体射流放电影响因素的仿真研究(适合浦电气B方向)毕业论文
 - 含氧高活性均匀DBD改性聚合物薄膜研究(适合浦电气B方向)毕业论文
 - 反应器结构对气液两相DBD放电特性的比较(适合浦电气B方向)毕业论文
 - 南京某公司研发楼电气设计毕业论文
 - 金帆北苑地块经济适用住房——02栋商住楼电气设计(适用于浦电气1004~06A方向学生)毕业论文
 - 扬州人武部大楼电气设计毕业论文
 - 金帆北苑地块经济适用住房——04栋商住楼电气设计(适用于浦电气1004~06A方向学生)毕业论文
 

        
            
