基于复联结构的电磁耦合电抗器特性研究毕业论文
2020-04-05 11:03:37
摘 要
作为一种重要的电气装置,电抗器是随着电力系统的发展而不断发展的。而随着电力系统的复杂程度越来越高,对于电抗器的要求也在不断提高,这也就要求在各种应用的场合,对电抗器做到实时有效的控制。所以,对于可连续无级调节阻抗值的电力电子电抗器的研究就变成了重中之重。
本人所作的此次毕业设计主要是研究基于IGBT式复联结构电磁耦合电抗器的拓扑结构与电路原理,重点是研究其阻抗变换机理和调压原理。
首先,分析了电抗器的发展历史以及电抗器技术的国内外研究现状,了解可变电抗器的未来走向,找出本次研究的需要攻克的难点及问题,确定论文研究内容。
其次,对机械式电抗器和基于晶闸管的电磁耦合电抗器的拓扑结构及工作原理进行总结与分析。研究了晶闸管式电抗器的拓扑结构,在此基础上,提出了基于IGBT复联结构的电磁耦合电抗器方案。
最后,构建了基于复联结构的电磁耦合电抗器模型。并利用Matlab/Simulink仿真软件搭建模型并进行了仿真,仿真结果有效地证明了本文理论分析的正确性。
通过理论分析与仿真研究,验证了基于复联结构电磁耦合电抗器的阻抗变换机理及调压原理的正确性与可行性,并对IGBT式电磁耦合电抗器的应用前景进行了展望。
关键词:电磁耦合电抗器;拓扑结构;阻抗变换;特性仿真
Abstract
As an important electrical device, reactor is developing with the development of power system. With the increasing complexity of power system, the requirements for reactor are also increasing, which requires real-time and effective control of reactor in various applications. Therefore, the study of power electronic reactors with continuously stepless impedance regulation becomes the top priority.This graduation design is mainly to study the structure and principle of electromagnetic coupling reactor based on IGBT compound structure, focusing on the impedance conversion mechanism and voltage regulation principle.
My graduation design is mainly to study the topology and circuit principle of electromagnetic coupling reactor based on IGBT structure. The emphasis is on the impedance conversion mechanism and voltage regulation principle.
Firstly, the development history of reactor and the research status of reactor technology at home and abroad are analyzed, the future trend of variable reactor is understood, the difficulties and problems that need to be solved in this study are found out, and the research content of this paper is determined.
Secondly, the topology and working principle of traditional mechanical reactor and thyristor based electromagnetic coupling reactor are summarized and analyzed. The topology of thyristor reactor is studied, and a scheme of electromagnetic coupling reactor based on IGBT structure is proposed.Finally, the electromagnetic coupling reactor model based on multiple structure is constructed. The Matlab/Simulink simulation software is used to simulate the model, and the simulation results prove the correctness of the theoretical analysis.
Finally, the electromagnetic coupling reactor model based on multiple structure is constructed. The Matlab/Simulink simulation software is used to build the model and the simulation results prove the correctness of the theoretical analysis.
Through theoretical analysis and simulation research, the correctness and feasibility of impedance transformation mechanism and voltage regulation principle of electromagnetic coupling reactor based on multiple structure are verified, and the application prospect of IGBT type electromagnetic coupling reactor is prospected.
Key words: electromagnetic coupled reactor; topology structure; impedance transform; characteristic Simulation
目录
摘要 Ⅰ
Abstract Ⅱ
第1章 绪论 1
1.1研究的目的和意义 1
1.1.1 研究目的 1
1.1.2 研究意义 1
1.2电力电子电抗器技术的国内外研究现状 2
1.2.1 国内外电抗器发展状况 2
1.2.2 国内外电抗器研究现状 3
1.2.3 研究现状分析 3
1.3 本文研究的关键问题及技术难点 3
1.3.1关键问题 3
1.3.2技术难点 4
1.4 论文的研究内容及章节安排 4
第2章 基于复联结构电磁耦合电抗器拓扑结构研究 5
2.1 机械式电抗器结构及原理 5
2.1.1 机械式电抗器结构 5
2.1.2 机械式电抗器原理 5
2.2 电抗变换器结构及原理 6
2.3 基于晶闸管的电磁耦合电抗器结构及原理 6
2.3.1 基于晶闸管的电磁耦合电抗器拓扑结构 7
2.3.2 基于晶闸管的电磁耦合电抗器原理 8
2.4 基于复联结构的电磁耦合电抗器拓扑结构研究 8
2.4.1 单绕组IGBT式电磁耦合电抗器拓扑结构 8
2.4.2 双绕组并联电磁耦合电抗器拓扑结构 9
2.3.3 多绕组串并联电磁耦合电抗器拓扑结构 10
2.5 几种电抗器对比分析 11
2.6 本章小结 11
第3章 基于复联结构的电磁耦合电抗器阻抗变换及调压原理研究 13
3.1 单绕组IGBT式电磁耦合电抗器的阻抗变换机理 13
3.1.1 IGBT占空比控制和阻抗变换关系 13
3.1.2 阻抗变换机理 13
3.2 双绕组并联电磁耦合电抗器的阻抗变换机理 15
3.2.1 IGBT占空比控制和阻抗变换关系 15
3.2.2 阻抗变换机理 15
3.3 三绕组串并联电磁耦合电抗器的阻抗变换机理 16
3.3.1 IGBT占空比控制和阻抗变换关系 16
3.3.2 阻抗变换机理 16
3.4 四绕组串并联电磁耦合电抗器的阻抗变换机理 17
3.5 单绕组IGBT式电磁耦合电抗器调压原理 18
3.6 双绕组并联式电磁耦合电抗器调压原理 19
3.7 三绕组串并联电磁耦合电抗器调压原理 20
3.8 四绕组串并联电磁耦合电抗器调压原理 20
3.9 本章小结 21
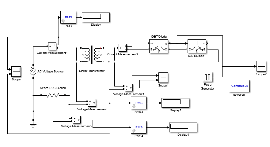
第4章 基于复联结构的电磁耦合电抗器特性仿真 23
4.1 单绕组IGBT式电磁耦合电抗器仿真模型建立 23
4.1.1 仿真环境 23
4.1.2 模型建立 24
4.2 占空比和阻抗变换关系曲线仿真 25
4.3 调压原理仿真分析 30
4.3 本章小结 31
第5章 总结与展望 32
5.1 总结 32
5.2 展望 32
参考文献 34
附录 单绕组IGBT式电磁耦合电抗器仿真模型 35
致谢 36
第1章 绪论
根据对现有文献的查阅,明确对于电力电子电抗器研究的目的和意义,分析电力电子电抗器的国内外研究的现状,并以此为根据,找出基于IGBT复联结构电磁耦合电抗器需要攻克的关键问题及技术难点。
1.1研究的目的和意义
1.1.1 研究目的
掌握电力电子电抗器的发展现状以及出于对现有应用的了解,深入研究基于复联结构的电磁耦合电抗器的关键技术及难点,掌握基于IGBT复联结构的电磁耦合电抗器阻抗变换机理及调压原理,提升自己的动手能力以及学习能力,提高专业表达能力。
电抗器作为一种电力系统中应用广泛的元器件,与我们所学的专业息息相关。因此,通过本次课程设计,我们可以了解相关专业知识的发展历史、现状以及趋势,相关领域技术发展历史中的重大突破。新型可控电抗器的发展卓有成效的解决电力系统中存在一些问题,提高了电能质量,保障了电力运输。而我们的研究是对相关专业知识的深化、巩固,不是理想的电气元件,而是具有复杂性、针对性的元件。研究过程随时是一个从书本走向实践的过程。我们研究的不再是书本中简单的、理想的能出现的难题,有必要做好心里准备。
本次毕业设计同样会锻炼自主学习能力,虽然内容与课程相关,但并不是全部都来源课本,否则就与这次毕设的初衷相违背。这要求我们动用一切可以动用的资源去查资料、翻文献,填补空白。查阅资料同样也是一种能力的体现,又快又准的找到相应的资料也是提高研究效率的重要一步。
通过电路拓扑结构的熟悉和设计以及仿真软件的仿真,是对我们处理实际问题能力的有效提升。
1.1.2 研究意义
在电力系统中,可变电抗器以其实现控制电压和补偿无功的性能,在提高电力系统的稳定性等方面发挥着重要的作用。从最早的机械式电抗器到早期磁阀式可变电抗器到后来随着晶闸管的发明而出现的基于晶闸管的电磁耦合电抗器再到最新研究的基于PWM控制的可变电抗器,可是说电抗器贯穿了电力系统的整个发展历程,并在电力系统稳定运行等方面发挥着不可磨灭的作用。
电抗器作为一种重要的电气装置,在电力系统中广泛应用于限制工频过电压、消除发电机自励磁、限制操作过电压、线路容性充电功率、潜供电抑制、限制短路电流和平波等。
随着工业时代的发展,电力系统地稳定性以及电能质量越来越受到人们的重视。高压大容量电机越来越多地应用在工业控制中,其直接起动会产生大的冲击电流,易对电网和电机本体造成损害。在电力系统领域,电抗器常用于电压控制和无功补偿,在提高电力系统的稳定性和改善电能质量方面有重要的意义。将电抗器应用在电机起动过程中,能够抑制冲击电流,实现电机软起动。此外,电抗器还可以应用于风机、水泵的调速控制,以及矿热炉的节能控制等领域,具有广阔的应用前景[3]。
机械式电抗器无法进行无级调节传统电抗器,基于晶闸管的电磁耦合电抗器又存在着大量谐波问题,而本文研究的基于IGBT复联结构的电磁耦合电抗器既可以做到有效地消除谐波又可以做到无级调节。
1.2电力电子电抗器技术的国内外研究现状
1.2.1 国内外电抗器发展状况
(1)理论方面
早在20世纪初期美国学者就已经提出了磁放大的概念,但是限于当年的技术只是应用在自动化系统中作为控制元件使用。不久之后,俄罗斯的工作者就开始将磁放大的理论应用到了电力系统之中,并随之展开了深入的研究。等到20世纪后半叶,晶闸管的发明将基于其的可变电抗器的研究推向高潮。直到1986年苏联学者才提出新型可控电抗器的研究,使得直流可控电抗器在结构方面有了突破性发展。最近几年,基于PWM控制的新型电抗器也纳入了研究范围之中。与此同时,一些日本的研究人员提出的基于控制磁通原理正交磁心的可控电抗器也日趋走向实用[9]。
(2)技术方面
近年来越来越多的科研工作者集中研究可变电抗器。在直流可控电抗器方面,武汉大学、上海交通大学和华北电力大学进行了深入的研究。在交流可控电抗器方面,武汉理工大学、浙江大学和华中科技大学展开了这方面的研究,并获得了较大进展。其中武汉理工大学袁佑新教授团队在电磁耦合电力电子交流电抗器方面取得了卓越的成就。与此同时,国内的其他学者也开始从事对于晶闸管控制、特性仿真等方面的深入研究,并且在无功补偿装置以及谐波治理方面也取得了卓越成就。
(3)产品方面
20世纪中期,世界上第一台可控电抗器就在英国成功诞生,但是由于当时的技术等方面的原因,电抗器的使用性能较低,并没有得到市场的较大认可。之后在20世纪70年代,英国公司又推出一种电抗器,虽然配有新型结构,性能上也得到了提高,但是在谐波处理方面仍然存在着问题,推广前景也并不明朗。也是在20世纪中期,美国通用公司成功研制首台磁控电抗器,但是由于器件本身存在着功耗较大以及响应时间过慢等原因,推广难度也极大。直到1997年,加拿大的BBC公司投入一台磁控电抗器到该国变电站,在性能方面明显有很大的提升,响应速度更快,效果更好,也因此一直沿用至今。但在此后的研究过程中,该公司依旧没有解决器件的高损耗问题。
1.2.2 国内外电抗器研究现状
最近的几十年间,国内外很多科研学者都投入到了可控电抗器的研究之中,并不断取得新的成绩。愈来愈多的新型电力电子技术被提出并且应用到电抗器领域。目前,国际上主要是对磁控电抗器和交流电抗器的研究力度最大,而且在俄国已经有磁控电抗器方面的成果问世,并且也已经在市场上推广。以此同时,国内也紧追国际趋势,不断推新的产品,在确保产品性能的同时,将其投入到流水线上批量生产。
其中武汉理工大学袁佑新教授及其研究团队,从2000年起对电磁耦合电力电子电抗器进行了理论、技术、到应用系统深入的研究,发表学术论文50余编,获得授权专利20余项,获得省部级科技成果将5项。武汉理工大学与湖北大禹电气公司合作,研制生产了高压大功率交流电动机软起动器,功率达到30Mw,电压达到10kv,实现了高压大功率交流电动机软起动器的产业化;与南京康迪欣公司合作研制生产了电力谐波动态滤波器节电装置,实现了电力谐波动态滤波器产业化,其谐波滤波和节电效果非常明显。
1.2.3 研究现状分析
针对目前电抗器研究现状,我们不难发现未来的电力电子电抗器主要朝以下几个方面发展:
- 可控电抗器的结构将会更加简单,控制将会更加可靠有效,以此来调高效率,降低成本。
 
(2)将更加先进的技术应用到电力电子电抗器领域,提高电抗器相应的运行速度。
(3)为了存在的谐波问题,可控电抗器不仅要有效地降低自身谐波,而且要能够主动地抑制系统谐波,使可控电抗器功能更加实用。
1.3 本文研究的关键问题及技术难点
1.3.1关键问题
目前市面上的可控电抗器主要有机械式可控电抗器,此种电抗器虽然控制较为简单,但是并不能实现无级调节电抗值,再有就是磁阀式可控电抗器、基于晶闸管的电磁耦合电抗器等,但是这些电抗器都存着精度低、谐波大的问题。因此如何保证电抗器在满足结构简单、控制简单的同时,保证精度高而且谐波要小就成以后研究所要解决的问题。
对于基于IGBT复联结构的电磁耦合电抗器而言,存在串联、并联以及串并联等多种形式,也因此结构较为复杂。再加上IGBT构成电路整体,控制便更加复杂。所以如何优化基于复联结构的电磁耦合电抗器的控制是研究的关键问题。
1.3.2技术难点
基于IGBT复联结构的电磁耦合电抗器的研究核心部分有两个。其一是复联结构,绕组的串并联问题涉及到的不仅有单绕组与多绕组的变换问题,还有不同形式联接时,磁路关系以及电路关系的分析。其二是IGBT的控制,相对于晶闸管控制而言,本身其控制就比较复杂,同时要考虑到控制两组IGBT的触发信号的占空比的相同与不同。以上就是研究过程会遇到的技术难点。
1.4 论文的研究内容及章节安排
本文的章节安排如下:
- 绪论。
 
主要描述论文目的与意义、分析国内外研究现状、找到电抗器技术发展的难点、确定研究内容和章节安排。
- 基于复联结构的电磁耦合电抗器的拓扑结构研究。
 
主要分析研究机械式电抗器和基于晶闸管的电磁耦合电抗器的拓扑结构及工作原理,并在此二者的基础上提出基于复联结构的电磁耦合电抗器并进行优化。
- 基于复联结构的电磁耦合电抗器阻抗变换机理和调压原理研究。
 
本章主要分析基于IGBT复联结构的电磁耦合电抗器在不同绕组联接情况下的阻抗变换机理以及调压原理,同时含有计算分析。
- 基于复联结构的电磁耦合电抗器特性仿真
 
通过建模、仿真,以及对仿真结果的分析来验证第3章中的对于阻抗变换机理和调压原理的研究的正确性。
- 总结与展望。
 
总结本次研究中得到的成果及存在的问题,展望基于复联结构的电磁耦合电抗器的未来发展前景。
- 基于复联结构电磁耦合电抗器拓扑结构研究
 
为了获得适用于大功率、高电压情况的电力电子电抗器,首先,要研究机械式电抗器的拓扑结构及电路原理,其次,要探究晶闸管式电磁耦合电抗器的结构及电路原理,最后,要在两者的基础上提出改进方案,得到新型的基于IGBT复联结构的电磁耦合电抗器拓扑结构。
2.1 机械式电抗器结构及原理
机械式电抗器电路拓扑结构较为简单,但是其电感值不能平滑调节,只能实现阻抗的有级变换,由此限制了其在多种场合发挥作用,目前市场应用正在减少。
2.1.1 机械式电抗器结构
机械式电抗器拓扑结构如图2.1所示。
A
以上是毕业论文大纲或资料介绍,该课题完整毕业论文、开题报告、任务书、程序设计、图纸设计等资料请添加微信获取,微信号:bysjorg。
相关图片展示:







您可能感兴趣的文章
- 一种确定磁探针集总电路参数的标定方法外文翻译资料
 - 一种人体可接触的大气压低温等离子体射流装置研究(适合电气B方向)毕业论文
 - 氩氧中大气压DBD放电特性研究(适合电气B方向)毕业论文
 - 大气压氩等离子体射流放电影响因素的仿真研究(适合浦电气B方向)毕业论文
 - 含氧高活性均匀DBD改性聚合物薄膜研究(适合浦电气B方向)毕业论文
 - 反应器结构对气液两相DBD放电特性的比较(适合浦电气B方向)毕业论文
 - 南京某公司研发楼电气设计毕业论文
 - 金帆北苑地块经济适用住房——02栋商住楼电气设计(适用于浦电气1004~06A方向学生)毕业论文
 - 扬州人武部大楼电气设计毕业论文
 - 金帆北苑地块经济适用住房——04栋商住楼电气设计(适用于浦电气1004~06A方向学生)毕业论文
 

        
            
