36V100kW舰用加热电源建模与仿真研究毕业论文
2020-03-14 12:18:07
摘 要
本文借助MATLAB软件中的Simulink模块对由整流器构成的加热电源进行了建模与仿真,主要的要求为输出电压为直流36V,功率为100kW,并且实现单位功率因数。
论文首先介绍了PWM整流器的研究目的、国内外的发展历程以及当前的发展方向。其次,本文介绍了整流电路目前常见的拓扑结构,其中主要包括电压型和电流型两大类。然后通过整流器的工作状态阐述了PWM整流器的工作原理,通过基本的电路原理、矩阵变换推导了PWM整流器在低频和高频下的数学模型,以及通过对比直接和间接电流控制的优缺点介绍了常见的控制策略。最后文章给出了整流器主电路参数的设计方法以及晶闸管相控整流电路在Simulink中的建模与仿真。其中,对PWM整流器电路形式的研究、工作原理的分析、数学模型的推导、常见控制策略的实现方法以及参数计算是本文研究内容的重中之重。
在仿真实验中,本文给出了基本的晶闸管相控整流仿真结果。对相控整流的仿真研究也是对PWM整流器设计研究的基础。通过改变晶闸管的触发角度,可以实现对直流电压波形以及有效值的改变。结果表明简单的相控整流可以实现交流向直流的电能变换以及电压调节的功能,而对于整流器性能的改善还需要引入闭环控制系统。
关键词:PWM整流器;数学模型;控制策略;建模与仿真
Abstract
In this paper, the Simulink module in the MATLAB software is used to model and simulate the heating power source composed of rectifiers. The main requirement is to realize that the output voltage is DC 36V, the power is 100kW, and the unit power factor.
First of all, the thesis introduces the purpose of researching the PWM rectifier, the development process at home and abroad, and the current development direction. Secondly, this thesis introduces the current common topologies of rectifier circuits, including voltage and current types. Then the thesis explains the PWM rectifier's working principle through the working state of the rectifier, deduce the mathematical model of the PWM rectifier at low frequency and high frequency and introduces common control strategy by comparing the advantages and disadvantages of direct and indirect current control. Finally, the design method of main circuit parameters of rectifier and the modeling and simulation in Simulink are given. Among them, the study of the PWM rectifier circuit form, the analysis of the working principle, the derivation of the mathematical model, the realization method of the common control strategy and the parameter calculation are the most important aspects of the research content of this paper.
In the simulation experiment, this thesis presents the basic thyristor phase-controlled rectifier simulation results. The simulation of phase-controlled rectification is also the basis for the design of the PWM rectifier. By changing the trigger angle of the thyristor, the DC voltage waveform and the effective value can be changed. The results show that a simple phase-controlled rectification can realize the AC-to-DC power conversion and voltage regulation functions, and the closed-loop control system needs to be introduced to improve the performance of the rectifier.
Key Words:PWM rectifier;Mathematical model;Control strategy;Modeling and Simulation
目录
摘 要 I
Abstract II
第一章 绪论 1
1.1 PWM整流器的发展现状 1
1.2 本论文的主要研究内容 2
第二章 PWM整流器的原理 3
2.1 PWM整流器的分类和拓扑结构 3
2.2 PWM整流器的工作原理 6
2.3 三相电压型PWM整流器的数学模型 7
2.3.1 低频数学模型 8
2.3.2 高频数学模型 10
2.4 本章小结 11
第三章 PWM整流器的控制策略 13
3.1 间接电流控制 13
3.1.1 基于SPWM的间接电流控制 13
3.1.2 基于DQ解耦的间接电流控制 14
3.2 直接电流控制 17
3.2.1 电压外环的设计 18
3.2.2 电流内环的设计 19
3.3 本章小结 20
第四章 整流器主电路参数设计 21
4.1 交流侧滤波电感的选择方法 21
4.2 直流侧滤波器的设计方法 22
4.3 直流侧支撑电容的设计方法 22
4.4 整流器主电路参数选取 23
4.5 本章小结 24
第五章 整流器仿真结果 25
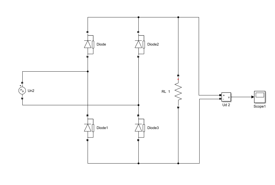
5.1 不控整流电路仿真 25
5.2 单相桥式整流电路仿真 27
5.3 三相桥式整流电路仿真 31
5.4 含有滤波电容的整流器仿真 32
5.5 本章小结 34
第六章 总结 35
参考文献 37
附录A 不控整流仿真结果 39
附录B 单相桥式整流仿真结果 40
附录C 三相桥式整流仿真结果 41
附录D 含滤波电容的不控整流仿真结果 42
致 谢 43
第一章 绪论
随着功率半导体的不断发展,电力电子装置已经成为各行各业中不可缺少的部分。整流器是一种常见又重要的交流变直流装置,早期的不控整流和晶闸管相控整流功率因数较低而PWM整流功率因数可达到1,因此对PWM整流器的研究具有重要意义。
1.1 PWM整流器的发展现状
早在20世纪70年代,西方国家就有人开始将PWM(脉冲宽度调制——Pulse Width Modulation)技术用于整流装置中,并取得了良好的成果。但是由于功率器件在当时发展程度并不高,所以导致了高频整流器在几十年里并没有出现蓬勃的发展。随后,全控型电力电子器件被研制出来,其可承受功率等级变得越来越大,这为对PWM整流器的研究奠定了坚实的基础。随着各种可控的快速型电力电子器件(IGBT、GTO、MOSFET、MCT)出现,整流技术变得越来越成熟。过去的PWM整流器主电路主要由半控型开关器件构成,而如今的PWM整流器主电路主要由全控型开关器件构成。目前在主电路的类型方面上有电压型整流器,同时也有电流型整流器,并且两者在不同的场景下都有了广泛的应用[1]。现在开关控制方式不仅有了硬开关控制方式,同时还发展出了软开关控制方式。整流器的功率等级也在逐步提升,由千瓦级发展成为了兆瓦的级别。
在研究PWM整流器的原理之前首先要建立它的数学模型,此后才能更有依据地研究其控制技术。在很早之前,有人根据坐标的变换技术的提出了PWM整流器数学模型。在那之后,PWM整流器的时域模型[2][3]被建立了起来。为了便于设计PWM整流器参数,分析动态性能,有学者构建了高频和低频模型。曾有研究人员提出利用交流系统中的d-q坐标变换建立PWM整流器的低频等效模型电路[4],这使得PWM整流器的稳态、动态性能得到了全面的分析。之后又有人根据前人的研究成果运用降阶小信号模型化简了PWM整流器的高频和低频数学模型[5]。目前,在电网不平衡条件下控制策略的研究、智能控制方法的研究以及并网技术的研究成为了PWM整流器研究领域的热点[6]。
在不同的应用场合,应对PWM整流器的研究有不同的侧重点。对于小功率场合,应当尽量减少开关的功率同时要求直流输出特性良好。目前已有许多的研究人员对三相电压型全桥整流器进行了建模和分析[7]。一般情况下,Boost型变流器的直流输出电压会被抬高。有学者通过对电路的结构进行了改造,使得直流电压能够降低并小于交流电压峰值[8]。在功率更大的场合中,整流器组合[9]、多电平技术[10]以及软开关技术[11]成为了研究的重点。在其他的场合中,可能会遇到高压、大容量或者是大电流的情况。这时可以采用变流器组合拓扑结构或者基于移相PWM控制技术[12]的并联PWM整流器。在这种技术中,整流器可以以低开关频率达到良好的高频控制性能。同样,串联组合的整流器结构对于高电压大功率的场合也非常适用。
如今,随着数字电子技术的发展,PWM整流技术向着数字化的方向发展[13]。有许多新型的控制方法被运用到PWM整流器上,例如最优控制法、神经网络、模糊逻辑控制及网络化控制等。这使得整流器的控制性能对于微型处理器的性能要求越来越高。高速DSP的研制对于这种数字化的控制产生了极大的帮助,能有效地进行大量的实时运算,完成高效的PWM控制。长期以来,研究人员一直将整流器的研究重点着眼于电压型PWM整流器,因为它具有结构简单、控制方便等特点。而由于储能电感的限制以及交流侧滤波困难等问题,电流型PWM整流器并没有被广泛的应用。但是,电流型PWM整流器在如今新兴的超导储能技术发展中发挥了更大的作用。
1.2 本论文的主要研究内容
本论文主要通过理论分析、公式推导和仿真实验对PWM整流器进行了研究,文章主要包括以下内容:
第一章主要阐述了PWM整流器目前的发展状况,主要包括国内外研究概况、数学模型研究历史、控制方式发展现状以及拓扑结构种类等。
第二章详细介绍了目前主流的两种整流器拓扑结构——电压型和电流型,通过整流器的电路模型和工作矢量图介绍了工作原理,通过公式分析和推导介绍了两种数学模型——低频模型和高频模型。
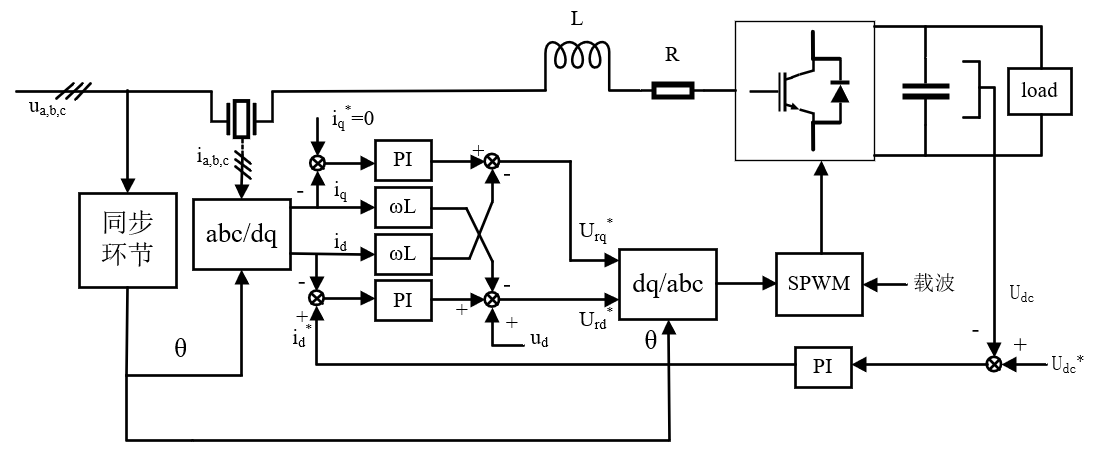
第三章主要介绍了一些经典的整流器控制策略,通过对比和分析阐述各自的优点和缺点。目前主要的两种控制策略为:间接电流控制和直接电流控制。其中,间接电流控制属于一种较为简单的控制方式,在此基础上介绍了两种控制方法:SPWM控制和DQ解耦控制。针对间接电流控制的不足之处,文章又介绍了一种传统的直接电流控制方式。这是一种包含电压外环和电流内环的双闭环控制方法,同时介绍了控制器的设计方法。
第四章介绍了针对单相电压型PWM整流器在直接电流控制方式下的主电路参数的设计方法。
第五章介绍整流器的仿真实验。
第六章为对全文及研究工作的总结。
第二章 PWM整流器的原理
本章详细介绍了目前主流的两种整流器拓扑结构;通过整流器的电路模型和工作矢量图介绍了PWM整流器的工作原理;最后通过三相静止坐标系到两相坐标系变换,再到两相同步旋转坐标系的转换关系和微分方程推出了PWM整流器的低频、高频数学模型。
2.1 PWM整流器的分类和拓扑结构
经过研究人员多年的研究,目前PWM整流器的种类和分类方式已经非常多样化。单相电路、三相电路、多相电路PWM整流器可被应用于不同相的供电网络中。对于不同的储能形式需求和电源形式有电压型和电流型PWM整流器。按开关形式分类,有软开关调制和硬开关调制。对于不同的调制电平类型,有二电平电路、三电平电路、多电平PWM整流器。按电路桥路结构进行分类,能分为半桥电路和全桥电路。

虽然目前对于PWM整流器的分类方法有很多,但是最主要的分类方法还是电压型和电流型这两种分类。因为不管是从控制策略来分类还是从PWM发生方法来分类,电压型和电流型的整流器均可描述所有的整流器类型,且在电路的结构上有一定的对偶性。这种不同就使得该种分类方法更加清晰、普及。
- 半桥 (b) 全桥
图2-1 单相VSR拓扑结构
电压型PWM整流器(Voltage Source Rectifier-简称VSR)电路结构的主要特点就是在直流输出端并联电容,稳定直流电压输出,使得VSR直流输出端表现为低阻抗的电压源特性。
如图2-1(a)为电压型PWM整流器的单相半桥电路的拓扑结构。单相半桥电压型整流电路包含两个功率开关管构成的一个桥臂,以及两个电容构成的另一个桥臂。两个电容串联可以稳定电压输出并储蓄直流电能。这种电路结构较为简单,适用于低成本、小功率场合。
如图2-1(b)为单相全桥主电路的拓扑结构。单相电压型全桥整流电路具有两个桥臂和4只功率开关管。由于开关管的数量增加,其造价也相应地提高了。由进一步的研究发现,全桥电路对开关管的耐压要求低于半桥电路的要求,因为在相同的交流输入参数下,由于功率开关管数量的增加,每个开关管所分配的电压将会减半。
对于这两种拓扑结构,他们在交流侧的电路结构相同,都串联的能滤除电网谐波电流的电感。
整流器的负载可能会带有感性成分,在使用PWM控制的同时为了抑制电流断续时电感产生的反电动势,使输出电流能较为平缓的变化,应当在VSR的开关器件上反并联续流二极管。
图2-2 三相全桥VSR拓扑结构
对于通常所说的三相桥式整流电路一般为如图2-2所示的三相全桥电路结构,它采用和单相全桥相似的多对开关管并联的模式,由三桥臂6管构成。这种电路结构在平衡的三相电网中使用较多。如果三相电网失去平衡,三相全桥电路每个桥臂的输入电压就会不平衡,对于开关管的控制将会增加难度,很可能会使控制功能发生故障。为了能够在不平衡三相电网中提升控制性能,多重联结VSR最终被研制出来,其拓扑结构如图2-3所示。
图2-3 多重联结三相VSR拓扑结构
多重联结三相 VSR的交流输入端采用三相四线制的模式,在每一相的交流输入端上采用与单相桥式整流相同的电路结构,同时将三相的一共6个桥臂并联起来。多重联结三相VSR相当于三个独立的单相全桥VSR组合,每一相独立控制,当三相电网不平衡时不会严重影响控制特性。但是,多重联结三相VSR由于开关器件数量太多,其成本也相应较高,一般很少使用。

图2-4 三相CSR拓扑结构
电流型PWM整流器(Current Source Rectifier简称CSR)电路结构的主要特点就是在直流输出端串联电感,稳定直流电流输出,使得CSR直流输出端表现为高阻抗的电流源特性。同时与VSR不同的是,CSR交流侧电感会和一个电容进行并联,构成一个低通滤波器以抑制交流谐波电压和电流。与VSR不同的地方还在于,开关器件需要串联续流二极管,以抑制反向电流,同时能分担反向电压提高开关器件耐压能力。
目前,在各种AC-DC变换的场合里电压型整流器的拓扑结构应用最多,且实现较为简单,控制较为方便。对于36V/100kW的加热电源来说应当采用电压型的电路结构更为合适,因此本文研究的主要内容为电压型PWM整流器
2.2 PWM整流器的工作原理

图2-5 PWM整流电路模型
在研究PWM整流器的特性以及控制策略之前一定要研究清楚它的工作原理,只有对其工作原理有了清晰良好的理解和认识,我们才能顺利地进一步研究其控制策略和性能特性。
为了研究PWM整流电路的工作原理,首先我们要建立电路模型如图2-5所示。
根据基尔霍夫电压定律,有:

式中:为交流电源电压,为交流侧电感电压,为整流桥的输入电压
根据功率守恒定律,忽略电路上少量的功率损耗应有交流侧输入功率等于直流侧的输出功率,因此可得:
式中:为交流侧电流,为直流侧电压,为直流侧电流
对于上式,电路的交流侧和直流侧是有一定联系的,等式两边的参数会互相影响。因此控制交流或者直流的电压或者电流即可控制对方的电压或者电流。基于本次研究的背景,控制直流电压的输出是关键所在,因此可通过控制交流侧的输入电压来控制直流侧的输出电压。
以上是毕业论文大纲或资料介绍,该课题完整毕业论文、开题报告、任务书、程序设计、图纸设计等资料请添加微信获取,微信号:bysjorg。
相关图片展示:







您可能感兴趣的文章
- 一种确定磁探针集总电路参数的标定方法外文翻译资料
- 一种人体可接触的大气压低温等离子体射流装置研究(适合电气B方向)毕业论文
- 氩氧中大气压DBD放电特性研究(适合电气B方向)毕业论文
- 大气压氩等离子体射流放电影响因素的仿真研究(适合浦电气B方向)毕业论文
- 含氧高活性均匀DBD改性聚合物薄膜研究(适合浦电气B方向)毕业论文
- 反应器结构对气液两相DBD放电特性的比较(适合浦电气B方向)毕业论文
- 南京某公司研发楼电气设计毕业论文
- 金帆北苑地块经济适用住房——02栋商住楼电气设计(适用于浦电气1004~06A方向学生)毕业论文
- 扬州人武部大楼电气设计毕业论文
- 金帆北苑地块经济适用住房——04栋商住楼电气设计(适用于浦电气1004~06A方向学生)毕业论文


