汽轮发电系统的建模与运行优化的研究毕业论文
2020-02-25 22:47:30
摘 要
Abstract II
第一章 绪论 1
1.1研究背景及意义 1
1.2国内外研究现状 2
1.2.1火电厂仿真模型研究现状 2
1.2.2仿真支撑系统研究现状 3
第二章 汽轮机系统工作原理 6
第三章 汽轮机系统数学模型研究 8
3.1模块化建模 8
3.2蒸汽流量及功率计算模型 10
3.3凝汽系统数学模型 12
3.3.1凝汽器数学模型 13
3.3.2真空泵数学模型 18
3.4除氧器数学模型 19
3.4.1未分段模型 19
3.4.2分段模型 20
3.5 回热加热系统数学模型 23
第四章 模型构建及验证 27
4.1汽轮机本体 27
4.1.1对象描述 27
4.1.2模型构建 27
4.2凝汽器 30
4.2.1对象描述 30
4.2.2模型构建 31
4.3除氧器 33
4.3.1对象描述 33
4.3.2模型构建 34
4.4加热器 37
4.4.1对象描述 37
4.4.2模型构建 39
4.5汽轮机系统 41
4.5.1对象描述 41
4.5.2模型构建 42
第五章 汽轮机系统的运行优化研究 44
5.1 不同工况下凝汽系统特性研究 44
5.2 凝汽系统最佳真空度研究 45
5.2.1负荷及循环水入口水温的影响研究 45
5.2.2凝汽器清洁度的影响研究 45
5.2.3真空泵运行的影响研究 46
5.2.4复合条件下凝汽系统的优化运行 47
第六章 结论与展望 49
6.1结论 49
6.2未来研究展望 50
参考文献 51
致谢…………………………………………………………………………………………………………………………………………53
摘 要
如今煤炭资源日益枯竭、环境污染日益加重,为确保我国经济可持续发展,必须深入研究解决燃煤发电机组节能减排问题。并且随着电力产业的发展,超临界机组已逐渐成为火电机组的主力,这对汽机系统的运行水平提出了更高的要求。本论文以建立汽轮机系统仿真模型、探索机组的节能优化运行方式为研究目的,通过研究某600MW超临界汽轮机组,使用模块化建模方法,将各设备的输入输出关系用数学模型表示。使用MATLAB/SIMULINK建模仿真软件建立了汽机本体、凝汽系统、除氧系统和回热加热系统的集总参数模型,不仅通过数据比较验证了模型的正确性,还对汽轮机系统的优化运行进行了深入的研究。
关键词:汽轮机系统;数学模型;仿真研究;运行优化
Abstract
Now that coal resources are increasingly depleted and environmental pollution is increasing, in order to ensure the sustainable development of China's economy, it is necessary to further study and solve the problem of energy-saving and emission reduction of coal-fired generating units. With the development of the power industry, supercritical units have gradually become the main force of the thermal power unit, which puts forward higher requirements for the operational level of the turbine system. This dissertation aims to establish the simulation model of the turbine system and explore the energy-saving optimization operation mode of the unit. By studying a 600MW supercritical steam turbine unit and using the modular modeling method, the relationship between the input and output of each equipment is represented by a mathematical model. Using MATLAB/SIMULINK modeling simulation software, a lumped parameter model of steam turbine body, condensing system, deoxygenation system and regenerative heating system was established. The correctness of the model was verified by data comparison, and the optimal operation of the turbine system was also studied in-depth.
Keywords: steam turbine system; mathematical model; simulation research; operation optimization
第一章 绪论
1.1研究背景及意义
中国作为全球重要的煤炭的产生和消耗国家其中之一,煤炭能源作为重要的天然能源,被重点应用到电力工业。2003年,中国的煤炭资源生产量为17.2亿吨,到2009年,产量已达到30.5亿吨,在这几年间,增长比率达到77.33%;我国对煤炭资源的消耗,从2003年的16.9亿吨,至2009年的31.3亿吨,消耗增长比率为82.51%。根据2009年记录,煤炭能源在我国天然能源消耗中占比69.6%。根据相关部门的分析,直至2020年,煤炭资源在我国天然能源消耗总量中所占比例将达到百分之五十五,消耗的量可能到达三十八亿吨;甚至到2025年,煤炭资源可能占比达到我国天然能源消耗总量中的一半[[1]]。综上所述,未来十年内,煤炭资源依然是中国最重要的天然能源之一;把燃烧煤炭作为电力工业主要能源来源的模式在近期是无法更改的。在2009年,中国发电央企每万元工业产值所消耗的能源量是27.2吨标准煤,与2008年相比,降低了13.6%。同一时期,我国所有地区,超过六千千瓦的发电工厂的供应电力的消耗煤炭量是342g/kW·h,对比2002年,耗煤量减少了41g/ kW·h。而我国“十一五”的要求是到达2010年,火力发电厂的供应电力平均消耗的煤量不超过355g/ kW·h。数字显示,2009年,我国大部分电力公司都能够提前完成此项目标。不过,中国与发达国家平均消耗的煤量依然存在差距,发达国家平均消耗的煤量仅为312g/ kW·h。我国的电力系统的装机总容量为8.74亿KW,美国位于第一,我国处于第二位置[[2]]。我国的社会经济不断发展,国民生活水平持续增长,对电的需求也日益迫切,国产600MW超临界火力发电机组已经逐渐变成中国电力网络的主要机组。然而,中国自主研发的600MW超临界机组在制造与运转的水准上,与国际的技术相比,还存在着不足之处。所以,本文将对600MW超临界机组热力系统开展剖析,讨论以及改进。分析此系统在节约能源上的潜能,通过技术改革充分发挥600MW超临界机组热力系统的优势。
火力发电厂作为一个庞大而又复杂的生产电能与热能的工厂,以多种设备和多项控制运行系统等构成。其中任意的设施或者任意系统出现差错,都有可能造成无法预估的效益损失,甚至危及到生命。一个机器系统的设备、热力系统的热力特征和辅助设施设备是否完整,配置是否合理、运营的状况是否与预定的指标相符,偏移程度是否在误差范围内等情况,都可能造成整个系统运营效益降低[[3]]。在系统的各项指标都在误差范围内浮动的情况下,仅仅是造成汽轮机运营的效益降低,但是,如果运行时指标浮动值过大,超过了误差范围,就会影响系统安全。机组容量逐渐加大,其系统的工作也变得日益复杂,系统工作的时候,每个过程都需要越来越多的程序,因而,对系统机组工作进程中每个相关指标以及参数监控、调整与预估,是保障机组安全运行效益和其顺利高效安全运行的重要手段[[4]]。因此,精确模拟火电机组汽轮机系统中的运行参数是保证汽轮机系统经济安全运行的关键。
汽轮机系统由汽轮机本体、凝汽系统、除氧系统和回热加热系统等子系统构成。在系统的工作过程中,凝汽器系统中,凝汽器处于真空状态下的气体稀薄程度,即真空度,将对汽轮机的汽耗量以及其工作效率产生极大影响。在汽轮机的汽耗总量没有改变的条件下,真空度每恶化一个百分点,汽轮机机组的功率也响应降低一个百分点。同时,如果凝汽器的真空强度每减少一千帕,汽轮机的汽耗量会响应升高百分之二左右。真空度的恶化会导致凝汽器的排汽温度变高,可能造成汽轮机的轴承偏移其固定位置,甚至会由于真空度下降,导致汽轮机机组的震动,影响其正常工作[[5]];从除氧器通过给水泵输送到锅炉的化学水中包含较多的易溶气体,当腐蚀性气体溶解量较多,就会对发电站的设备产生影响,特别是氧气对热力设备造成的腐蚀,极大地影响了汽轮机机组运行的安全性[[6]]。所以,汽轮机系统都会设计除氧给水的系统,消除氧气对设备的腐蚀作用;回热加热系统为机组的一个重要的辅助系统,回热加热系统利用汽轮机抽气,对锅炉给水进行加热,从而增加发电厂的加热效能。假如加热器出现问题,汽轮机的给水水温会有很大程度上的下降,要保证给水的水温在合理的水平,就一定要增加燃煤量,由此,会导致汽轮机的发电运行成本大幅度上升,不利于其高效益运行。如果加热器停止工作,一定比例的水蒸气持续在汽轮机内流动,会加大汽轮机缸体和转子之间的胀差,影响其系统工作的平稳性。
目前,通过计算机技术对实际工作情况进行建模与仿真模拟是一种研究问题的重要手段。通过对汽轮机机组进行动态的建模与仿真模拟,还原其工作过程,可以有效预知其工作过程中可能产生的问题,保障汽轮机机组运行的安全性;同时,仿真模拟过程中的所得出的各项指标,如汽轮机机组的燃煤量、汽耗等,可以用来评价不同工作情况下汽轮机机组工作是否产生良好的效益,从而评价其经济性;可以分析其耗能较多的过程,为采取节能举措降低能耗提供数据支持。所以,本文采用动态建模与仿真的方法,对汽轮机机组工作过程进行模拟,发现运行过程中的各项问题,更大发挥其优势[[7]]。
1.2国内外研究现状
1.2.1火电厂仿真模型研究现状
仿真模型指的是将被仿真的对象特征进行抽象与简化,模拟被仿真对象的物理结构或者其运行的过程。可能是物理模型,也可能是数学模型。但是并非所有的被仿真对象都可以构建物理模型[[8]]。假如想要分析飞行器的特性,我们无法实际观测到飞行器的运行状况,因此,在研究过程中必须通过建立数学模型,将数学模型输入到仿真软件中,模拟其飞行的过程,从而了解其动力学特征[[9]]。综合国际与国内的发电厂系统仿真模型的研究现状,其研究大多数为数学模型,很小部分涉及到物理模型。热工水力的动态模拟分析模型主要从两个方面进行研究,分别是分布参数法与集总参数法,集总参数法是研究此类问题中使用最多的方法,也是解决此类问题最有效的方法。如《传热学》中所述, 集总参数法假设整体对象内部参数波动的频率与性质是相似的,将实际被仿真对象的参数等效为一个代表性集总参数,也就是说,用一个参数等效替代全部对象,这个参数的更改就代表了整个对象参数的改变[[10]]。
而对于火力发电厂系统的建模与仿真研究,荷兰的Delft University of Technology研发Sim ECS 仿真软件,通过模块集成与层次分析构建模型,以能量守恒,质量守恒定律为基础,与实际的数据相结合,对600kW小型生物质发电厂的工作过程进行建模与仿真。研发Sim ECS仿真软件,是为了对600kW小型生物质发电厂进行控制系统的分析与设计和流程设计,同时,希望通过Sim ECS程序,结合发电机的管理数据库,形成一套功能完善的发电设施设备的仿真机模型[[11]]。二零零四年,意大利的博洛尼亚大学利用MATLAB/SIMULINK,利用模块化的模型构建方式,依据能量守恒定律,构建了常态热力发电厂的各项设备及工作过程的模拟控制仿真模型。此模型构建原理是,把每项设施系统都看做一个个具有一定独立性和大小的模块,构建热电厂的功能控制库。使用者只要输入发电厂的布局方式,管理系统与各项设备的固定指标就能够构成电厂的管控模型,这种仿真模拟方法能够解决由数学模型过于复杂造成的无法顺利仿真的困难[[12]]。我国,也有学者利用MATLAB软件构建热力发电厂的常态经济效益分析模型,部分学者利用模块化方法构建仿真模型。而更多学者利用STAR-90仿真平台、APROS仿真系统或者利用其它计算机语言进行仿真建模,文献13使用MATLAB软件,结合Cmex—S函数,把每个发电厂子系统与各项设施的数学建模转变成实际应用价值更高的SIMULINK模块,构建300MW火电机组仿真模型[[13]]。但是,综合分析我国对火力发电建模仿真的研究,不利用MATLAB转化,直接以SIMULINK为基础的仿真平台构建火力发电厂模型的研究较少。
1.2.2仿真支撑系统研究现状
仿真支持系统指的是辅助构建模型、调试程序、和软件运行支持等系统的综合。把这些辅助支撑系统进行协同组合,能够在整体的模拟过程中,为开发者和最终的使用者创建完整的研发与使用条件[[14]]。自从八十年代起,国际知名公司都在陆续研发仿真支撑系统,比如意大利的自动化和计算研究中心所研发的LEGO、美国的MMS仿真系统,此系统以ASCL为依托,德国西门子公司的NLOOP、美国ABB(原CE)公司研发的CETRAN软件、法国的Flownet、Reganet和Logenet、芬兰 Fortum和 vTT合作研发发APROS(Advanced PROcess Simulator)多功能仿真软件[[15]],以及加拿大的ROSE、SACDA等等。20世纪90年代末期,面向对象以物理方程为基础的Modelica/Dymola仿真系统应运而生[[16]]。近期,荷兰Delft University of Technology正在研发Sim ECS模型构建与仿真模拟系统。
然而,国内对于火力发电厂的建模仿真分析的系统的开发并不完善,大部分都是由国际引入技术与系统,我国对其进行再次开发。如清华大学的GNET与仿真支撑系统ISSE,华北电力大学基于美国的CETRAN系统,研制了STAR-90建模系统,北京同方电子科技有限公司基于ISSE研发DCOSE系统,亚洲ASC公司也引进美国技术,研发ASCA仿真平台,深圳的本鲁克斯仿真控制有限公司开发的一体化仿真支撑软件PROSIMS[[17]]
由于上述的各种模拟仿真系统所设计服务的用户是具有仿真专业知识的人员,并不是火力发电厂的广大技术工作者。因此,大多数的仿真模拟系统的价钱较为昂贵,并且非仿真专业的人员使用此系统极为困难,可操作性较差,而且软件内置的一些算法和控制器等较为简略,无法实现复杂的控制器运算。这就导致了仿真系统实用性差,很难得到广泛使用。
MATLAB软件语言简单,功能强大,可以弥补上述仿真软件存在的问题。它是由美国的Mathworks所研发的建模仿真模拟软件。MATLAB语言以矩阵计算为基本算法,将数学矩阵的运算,计算结果的图形化与系统的开发相结合,用来实现数学计算、多功能算法模型求解、和模型构建与模拟、还可以进行一定程度上的软件开发等功能。自从MATLAB投入使用以来,得到了国内外各高校的喜爱。并且,和其相对应的SIMULINK功能模块,也是目前工程仿真领域最受欢迎的工具之一[[18]]。MATLAB/SIMULINK具有极强的包容性,且能够进行很大程度上的再次开发,实用性很强,因此,国内外各个公司与机构不断对其进行研发,开发多项工具箱和功能模块,使其应用范围持续扩大[13]。
总之,使用MATLAB/SIMULINK功能模块,研发界面简洁易懂、易于操作、功能模块完善、且同时具有广泛的包容性,与其他软件有较好兼容性与继承姓的火力发电机组的仿真系统是非常可行且具有重大意义的。和国际上较为流行的火力发电仿真系统比较,MATLAB系统极其方便获得,电脑上安装此软件都可以进行建模仿真的过程。SIMULINK营造了交互性强的可视化环境,并且其强大的功能模块库都是可以自己设定的,这就令火力发电厂中发电机、锅炉、供电、控制等所有过程的模型建立与仿真模拟都在同一个仿真平台中运行,使其运行效率有极大的提高。同时,再具体仿真建模过程中,使用MATLAB内置的工具箱,通过进一步改进,易于模拟各项较为繁复的控制方法。其各项指标的波动过程也能够通过可视化界面直观地观测到,所需要得到的评价指标也能够直接输出。多种工具箱可以同时使用分析模型结果,用以评估其经济性与安全性。
MATLAB/SIMULINK软件具有强大的功能,兼容性强,适应变化的能力较强,并且,使用者能够根据自身需求,对其任意功能模块进行二次开发,是实现火电厂建模仿真的较为理想的系统。
第二章 汽轮机系统工作原理
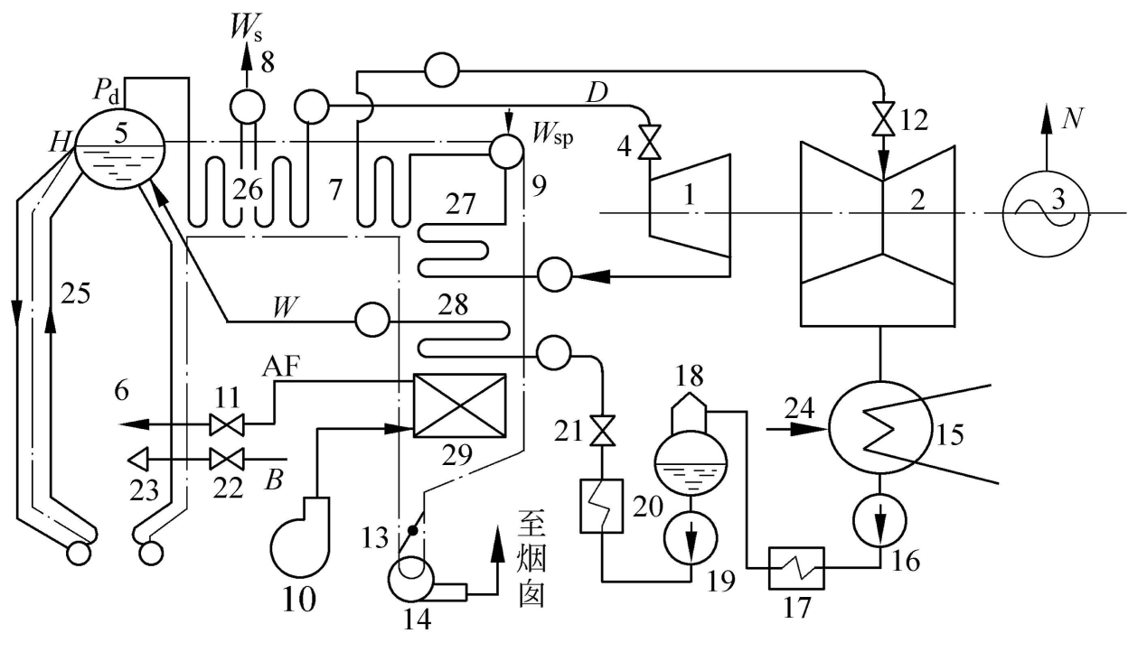
为了确保高效、安全和经济的电能生产, 现代火力发电机组都具有非常复杂的工艺流程和设备连接。除了三个主发动机锅炉、涡轮机和发电机外,还有许多辅助设备,如各种泵、风机、油泵,以及大多数辅助设备都配备有备用设备。各回热加热器和各种换热器都设置直通旁路,以便在这些设备发生故障或有其他必要时, 可以从系统中切除, 确保锅炉和汽轮发电机组等主要设备的安全运行[[19]]。考虑到一些设备在低负荷下可能与某些设备的工作质量和运行参数不匹配,还需要设备来启动旁路系统和再循环系统。另外, 各辅助设备之间还有可切换管道, 以利于启动时相互支持, 提高热力系统的灵活性和安全性。为了提高热效率, 高参数、大容量的火电机组都有蒸汽再热系统[[20]],此外还把汽轮机分为高压缸和中、低压缸。只有对上述这些复杂的系统进行深入分析和研究, 才能对它们进行正确的建模和仿真。下面给出大型凝汽式火电机组生产流程示意图。

以上是毕业论文大纲或资料介绍,该课题完整毕业论文、开题报告、任务书、程序设计、图纸设计等资料请添加微信获取,微信号:bysjorg。
相关图片展示:







您可能感兴趣的文章
- 一种确定磁探针集总电路参数的标定方法外文翻译资料
 - 一种人体可接触的大气压低温等离子体射流装置研究(适合电气B方向)毕业论文
 - 氩氧中大气压DBD放电特性研究(适合电气B方向)毕业论文
 - 大气压氩等离子体射流放电影响因素的仿真研究(适合浦电气B方向)毕业论文
 - 含氧高活性均匀DBD改性聚合物薄膜研究(适合浦电气B方向)毕业论文
 - 反应器结构对气液两相DBD放电特性的比较(适合浦电气B方向)毕业论文
 - 南京某公司研发楼电气设计毕业论文
 - 金帆北苑地块经济适用住房——02栋商住楼电气设计(适用于浦电气1004~06A方向学生)毕业论文
 - 扬州人武部大楼电气设计毕业论文
 - 金帆北苑地块经济适用住房——04栋商住楼电气设计(适用于浦电气1004~06A方向学生)毕业论文
 

        
            
