基于LC谐振的通信电源蓄电池均衡电路硬件设计毕业论文
2020-02-24 14:32:57
摘 要
蓄电池组在通信系统中的运用十分广泛。常用于通信电源中的是铅酸蓄电池组。蓄电池组中的各单体蓄电池存在不一致性,这会影响蓄电池组的充放电容量,并且这种不一致性会随着充放电次数的增加而加大。而有效的均衡方式能够提高蓄电池组的充放电容量,延长蓄电池组的使用寿命。因此设计一种合适的均衡电路在蓄电池组的应用中十分重要。论文按要求设计了一种基于LC谐振的蓄电池组均衡电路。该电路以电容和电感作为储存和转移能量的载体,通过开关器件控制均衡能量在各单体蓄电池之间的流动,来达到均衡的目的。对单体蓄电池剩余容量的估计是均衡电路有效工作的前提。由于铅酸蓄电池可以根据端电压估算剩余容量,论文设计了一种基于运算放大器的单体蓄电池电压检测电路。关于测得电压数据的处理分析以及对均衡电路中开关器件的控制,需要选择一种处理器。论文选用AT89S52单片机作为处理器,AT89S52单片机应用广泛,发展成熟。参考AT89S52单片机的特性,为使电压信号能够输入,论文使用ADC0809芯片设计了A/D转换电路。论文还利用82C55芯片对单片机I/O口进行了扩展。因为均衡电路中使用了开关器件电力MOSFET以及双向晶闸管,论文分别设计了电力MOSFET驱动电路和双向晶闸管触发电路。论文还设计了适合各芯片使用的 5V电源电路。最后绘制出了符合设计要求的基于LC谐振的蓄电池组均衡电路原理图。
关键词:铅酸蓄电池;均衡电路;单片机
Abstract
Battery packs are widely used in communication systems. Lead-acid battery packs are commonly used in communication power supplies. There is an inconsistency in each individual battery in the battery pack, which affects the charge and discharge capacity of the battery pack, and this inconsistency increases with the increase in the number of charge and discharge times. The effective equalization method can increase the charge and discharge capacity of the battery pack and prolong the service life of the battery pack. Therefore, designing a proper equalizing circuit is very important in the application of battery packs. The thesis design a battery equalization circuit based on LC resonance. The circuit uses capacitors and inductors as the carrier for storing and transferring energy. The switching device controls the flow of equalized energy among the individual batteries to reach the goal of equalization. The estimation of the remaining capacity of each individual battery is a prerequisite for the efficient operation of the equalization circuit. Since the lead-acid battery can estimate the remaining capacity based on the terminal voltage, the thesis designs a single battery voltage detection circuit based on the operational amplifier. Regarding the analysis of the measured voltage data and the control of the switching devices in the equalization circuit, a processor needs to be selected. The thesis chooses AT89S52 MCU as processor. AT89S52 MCU is widely used and matured. Referring to the characteristics of the AT89S52 MCU, in order to enable the voltage signal input, the thesis designs the A/D conversion circuit using the ADC0809 chip. The thesis also uses the 82C55 chip to expand the MCU I/O port. Because the switching device power MOSFET and TRIAC are used in the equalization circuit, the power MOSFET drive circuit and the TRIAC trigger circuit are designed separately. The thesis also designed a 5V power supply circuit suitable for each chip. Finally, the schematic diagram of the LC resonance-based battery equalization circuit that meets the design requirements is drawn.
Keywords:Lead-acid battery;Equalization;MCU
目录
第1章 绪论 1
1.1 背景和意义 1
1.1.1 通信电源简介 1
1.1.2 阀控式密封铅酸蓄电池简介 1
1.1.3 蓄电池组均衡的意义 3
1.2 均衡方式研究现状 4
1.3 本课题的主要研究内容 5
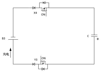
第2章 基于LC谐振的均衡电路设计 7
2.1 均衡电路设计 7
2.2 均衡电路工作原理 9
第3章 单体蓄电池电压检测电路设计 13
3.1 铅酸蓄电池剩余容量检测方法 13
3.2 单体电压检测电路设计 13
第4章 控制电路设计 17
4.1 AT89S52单片机简介 17
4.2 单片机与ADC的接口 19
4.2.1 ADC0809芯片简介 19
4.2.2 单片机与ADC0809芯片的接口电路 20
4.3 单片机的I/O扩展 22
4.3.1 82C55芯片简介 22
4.3.2 单片机与82C55芯片的接口电路 23
4.4 MOS管驱动电路设计 25
4.5 双向晶闸管触发电路设计 25
4.6 电源电路设计 26
第5章 均衡电路原理图 27
第6章 小结与展望 29
参考文献 30
致谢 31
第1章 绪论
1.1 背景和意义
1.1.1 通信电源简介
通信电源是向通信设备提供交流电或直流电的电源,它是通信系统中不可或缺的组成部分。通信电源的供电质量和可靠性对通信系统的通信质量和可靠性有着重要的影响。现代通信电源应具备节能高效,无人值守、集中监控和智能管理等特点,这样才能符合信息时代的发展趋势[1]。
因为世界上的大多数通信设备使用的都是直流供电,所以通信基站不仅拥有常用的交流供电系统,而且拥有特殊的直流供电系统。直流供电与交流供电相较具有电压稳定、可靠性高和易于实现持续供电等优势。通信设备所需的直流电主要是通过整流产生。将220/380V交流电输入整流器,输出符合使用要求的直流电。整流器的输出端还并联有蓄电池组,两者一起向通信设备提供直流基础电源。这个基础电源电压一般为-48V,论文设计要求中的通信电源蓄电池组电压即为48V。
蓄电池广泛运用于通信系统中。在直流供电系统中,整流器的输出端并联有蓄电池,构成浮充供电系统[2]。当整流器正常工作时,蓄电池虽然不供电,但能起到平滑滤波的作用,保证供电的质量。当整流器出现故障时,蓄电池代替供电,使供电不发生中断。在交流供电系统中,蓄电池同样作为后备电源,当交流输入中断时,蓄电池提供的直流电经过逆变器逆变为交流电给负载供电[2]。除此之外,中小型柴油机发电机组的起动电源使用的也是蓄电池。
1.1.2 阀控式密封铅酸蓄电池简介
阀控式密封铅酸蓄电池(VALAB)是在通信基站中广泛使用的一种蓄电池。在正常工作时,阀控式密封铅酸蓄电池保持密封状态。当蓄电池内部的气压过高时,安全阀自动打开,排出多余的气体;当内部的气压回落后,安全阀自动闭合,恢复密封,避免外部空气流入蓄电池内部[2]。在使用过程中,阀控式密封铅酸蓄电池无酸雾排出,不会损坏设备或污染环境,可以与通信设备安装在一起。因为在使用期间无需加水和电解液,所以平时维护比较方便。同时,这种蓄电池体积较小,可立放或卧放,节省空间。
阀控式密封铅酸蓄电池由正负极板组、电解液、隔膜、电池槽等部分组成[2],如图1.1所示。

图1.1 阀控式密封铅酸蓄电池结构图
(1)正负极板组
单片极板由板栅和铅膏组成,正极板上的铅膏主要为多孔状活性物质二氧化铅(
),负极板上的铅膏主要为绒状活性物质铅(
)。将一片正极板和一片负极板分别用隔膜包裹,再一起放入电池槽,然后分别用汇流条焊接,这样就构成了正负极板组。
(2)电解液
阀控式密封铅酸蓄电池的电解液有两种,分别是稀硫酸溶液和硫酸硅胶。电解液的作用为浸透正负极板上的活性物质,生成导电粒子,在有电流流过时参与电极反应。
(3)隔膜
隔膜一般使用超细玻璃纤维,上面有不同孔径的小孔,用来防止正负极板短路,防止杂质离子扩散,储存电解液,并为氧气提供由正极扩散到负极的通路。
(4)电池槽
电池槽由槽盖和槽壳组成,用来放置正负极板组、电解液以及附件。阀控式密封铅酸蓄电池的电池槽普遍采用阻燃材料、聚丙烯、塑化聚氯乙烯等材料。为避免电池槽发生破裂,槽盖上设有单向节流阀,高压时用于释放多余的气体。此外,槽盖上设有正负极引出端子,用于与外部电路相连。
铅酸蓄电池的正极板和负极板与电解液发生化学反应产生不同的电位。正极板上的二氧化铅(
)与硫酸(
)作用失电子,呈正电位。负极板上的铅(
)与硫酸(
)作用得电子,呈负电位。
铅酸蓄电池将储存的化学能转化为电能输出到外电路的过程称为放电。放电时,正极得电子,正极板上的二氧化铅(
)与电解液稀硫酸中的硫酸根离子(
)和氢离子(
)反应,生成硫酸铅(
)和水(
);负极失电子,负极板上的铅(
)与电解液中的硫酸根离子(
)反应,生成硫酸铅(
)。
铅酸蓄电池放电过程的正极和负极的电化学方程式如下:
正极:
(1.1)
负极:
(1.2)
通过外部直流电源向铅酸蓄电池输送电能,蓄电池将电能转化为化学能储存起来的过程称为充电。充电是放电的逆过程。充电时,正极失电子,正极板上的硫酸铅(
)和水(
)反应得到二氧化铅(
)、硫酸根离子(
)和氢离子(
);负极得电子,正极板上的硫酸铅(
)变为铅(
)和硫酸根离子(
)。
铅酸蓄电池充电过程的正极和负极的电化学方程式如下:
正极:
(1.3)
负极:
(1.4)
在充电的后期,正极开始产生氧气,经过隔膜扩散到负极,与负极的铅发生一系列反应生成水,这就是铅酸蓄电池的氧循环。
铅酸蓄电池氧循环的电化学方程式如下:
正极:
(1.5)
负极:
(1.6)
(1.7)
(1.8)
1.1.3 蓄电池组均衡的意义
在大多数实际情况下,用电设备需要的电压远大于单体蓄电池能够提供的电压,因此需要将多个单体蓄电池串联起来组成蓄电池组才能给用电设备供电。论文设计要求的蓄电池组电压为48V,而常用于通信电源的单体铅酸蓄电池电压为12V。因此为实现设计要求,需要将四个12V的单体铅酸蓄电池串联起来组成蓄电池组。同时论文设计还要求这个蓄电池组的容量为1500Ah,也就是说每一个单体蓄电池的容量要为375Ah,但现实生活中单体铅酸蓄电池的容量不可能有这么大。松下蓄电池有限公司的LC-PM系列铅酸蓄电池具有安全性好,放电性好,耐过充过放性好,耐大电流性好等优点,适用于通信领域,可作为设计需要的单体蓄电池。LC-PM系列中的LC-PM1275型号是电压为12V,容量为75Ah的单体铅酸蓄电池。因为只需要考虑串联蓄电池组的均衡,不需要考虑并联蓄电池组的均衡,所以将五个LC-PM1275型号蓄电池并联起来就可以构成12V375Ah的符合设计要求的单体蓄电池。
大量事实表明,不一致性在蓄电池组中的各单体蓄电池间普遍存在。在充电过程中,只要有一个单体蓄电池达到充满状态或达到充电截止电压,则对蓄电池组的充电必须停止;在放电过程中,只要有一个单体蓄电池达到放空状态或达到放电截止电压,则对蓄电池组的放电必须停止[3]。由四个单体蓄电池组成的串联蓄电池组的充放电示意图如图1.2所示。如果不采取有效的均衡措施,随着蓄电池组不断充放电,各单体蓄电池之间的不一致性还会扩大,同时蓄电池组的充放电容量会逐渐减小,这会导致蓄电池组无法正常使用,最终提前报废。因此,为了使蓄电池组的充放电容量保持稳定,不受充放电循环次数的影响,延长蓄电池组的使用寿命,需要采用合适的均衡措施。

图1.2 串联蓄电池组充放电示意图
1.2 均衡方式研究现状
从能耗方面来看,均衡方式可以分为能耗型均衡和非能耗型均衡[4]。
能耗型均衡是指在蓄电池组充电过程中,通过给单体蓄电池并联电阻或开关器件来降低高电压单体蓄电池的充电速度[3]。因为能量被耗散在这些分流器件上,所以这是一种耗能的被动的均衡方式。这种均衡方式的均衡电流很小,但均衡时间较长,而且要考虑散热问题,因为通过分流器件耗散的能量将转换为热能。能耗型均衡方式电路简洁,且易于控制,在不一致程度较低的情况下有一定的作用。综合而言,能耗型均衡只能用于蓄电池组充电过程,且耗时耗能,并不是理想的均衡方案。
非能耗型均衡主要是使用电感、电容或变压器作为储存或转移均衡能量的元件,利用开关器件使均衡能量在单体蓄电池与蓄电池组之间或单体蓄电池与单体蓄电池之间进行转移[3]。理论上这是一种非能耗的均衡方式,但是均衡电路上的开关器件实际会产生开关损耗。总的来说,非能耗型均衡方式损耗低,均衡效率高,是比较理想的均衡方式。比较典型的几种非能耗型均衡方式有基于电容的均衡方式,基于电感的均衡方式和基于变压器的均衡方式。基于电容的均衡方式是利用单体蓄电池之间的电压差实现均衡,而这个电压差实际上很小,同时均衡电路中开关器件的导通压降也无法忽略,其实很难实现均衡能量的转移[4]。基于电感的均衡方式以电流作为均衡能量转移的载体,均衡电流易于控制,均衡的效率与实际应用的均衡策略有关。基于变压器的均衡方式对变压器精度要求高,且变压器也会产生损耗,同时因为使用的是同轴多副边反激式变压器,导致均衡电流可控性差[4]。
以上是毕业论文大纲或资料介绍,该课题完整毕业论文、开题报告、任务书、程序设计、图纸设计等资料请添加微信获取,微信号:bysjorg。
相关图片展示:







您可能感兴趣的文章
- 一种确定磁探针集总电路参数的标定方法外文翻译资料
- 一种人体可接触的大气压低温等离子体射流装置研究(适合电气B方向)毕业论文
- 氩氧中大气压DBD放电特性研究(适合电气B方向)毕业论文
- 大气压氩等离子体射流放电影响因素的仿真研究(适合浦电气B方向)毕业论文
- 含氧高活性均匀DBD改性聚合物薄膜研究(适合浦电气B方向)毕业论文
- 反应器结构对气液两相DBD放电特性的比较(适合浦电气B方向)毕业论文
- 南京某公司研发楼电气设计毕业论文
- 金帆北苑地块经济适用住房——02栋商住楼电气设计(适用于浦电气1004~06A方向学生)毕业论文
- 扬州人武部大楼电气设计毕业论文
- 金帆北苑地块经济适用住房——04栋商住楼电气设计(适用于浦电气1004~06A方向学生)毕业论文


