基于电池本体的通信电源蓄电池均衡电路硬件设计毕业论文
2020-02-24 14:32:41
摘 要
串联使用的各单体电池在使用过程中会表现出各单体电池的电压或剩余电量不一致,随着电池充放电次数的增加,各单体电池间的不一致程度会加剧,而单个电池的性能将会影响整个电池组的性能,因此需要设计电池均衡电路,对串联电池组进行均衡控制。本设计以LTC3305铅酸蓄电池均衡芯片为核心,在电容均衡的基础上进行改进,采用与待均衡单体蓄电池容量一致的蓄电池作为能量传输的载体来实现蓄电池组的主动均衡,完成了48V1500Ah蓄电池组采用蓄电池本体实施均衡的电路原理图设计。
基于电池本体的均衡方案能够较好的克服电容均衡策略中存在的均衡效率明显受单体电压差限制的问题。相较其他的主动均衡方案诸如多绕组变压器均衡方案、变换器均衡方案等,该设计硬件成本较低且均衡控制相对简单。
关键词:铅酸蓄电池;电池本体;均衡电路
Abstract
Each unit cell used in series shows inconsistency in the voltage or remaining charge of each cell during use. As the number of charging and discharging of the battery increases, the degree of inconsistency between the individual cells will increase, and the performance of a single cell will increase. Affecting the performance of the entire battery pack, it is necessary to design the battery equalization circuit to perform balanced control of the series battery pack. The design uses the LTC3305 lead-acid battery equalizer chip as the core and improves on the basis of capacitor equalization. The battery with the same capacity as the battery cell to be equalized is used as the carrier for energy transmission to realize the active equalization of the battery pack, completing the 48V1500Ah battery pack. Equilibrium circuit schematic design using battery body.
The battery-based equalization scheme can better overcome the problem that the equilibrium efficiency in the capacitor equalization strategy is obviously limited by the cell voltage difference. Compared with other active equalization schemes such as multi-winding transformer equalization schemes, converter equalization schemes, etc., the design hardware cost is lower and the equalization control is relatively simple.
Key Words:Lead-acid battery;Battery-based;Equalization circuit
目 录
第1章 绪论 1
1.1 研究背景 1
1.2 电池均衡 1
1.3 论文主要内容 2
第2章 蓄电池串联均衡方案的比较与选择 3
2.1 蓄电池均衡策略分析 3
2.1.1 被动均衡 3
2.1.2 主动均衡 3
2.2 基于电池本体的主动均衡方案设计 4
第3章 基于LTC3305芯片的均衡电路设计 6
3.1 LTC3305芯片软硬件资源 6
3.2 LTC3305芯片均衡工作流程 6
3.3 基于LTC3305的外围电路的设计 9
3.3.1 MOS管驱动电路设计 9
3.3.2 LED指示电路设计 10
3.3.3 辅助电源设计 11
3.4 参数设定及元器件选型 13
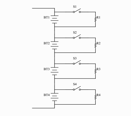
第4章 结论 19
4.1 均衡电路原理图及其工作过程 19
4.2 设计总结 22
参考文献 23
致谢 25
第1章 绪论
1.1 研究背景
通信基站是无线电台的一种形式,可以在有限的无线电覆盖区域内,实现移动通信用户与移动通信网络之间的管理与通信。通信电源系统是通信基站的核心,可靠稳定的通信电源系统是保证通信基站安全可靠运行的关键。如果通信电源系统的发生故障导,将会导致通信基站的电力供应中断,通讯设备将不能正常运行,这会带来巨大的社会效益损失和经济损失。因此,通信电源系统在通信基站中占有非常重要的地位。
通信电源多采用铅酸蓄电池作为储能电池。自铅酸蓄电池被发明以来,因其低廉的价格、易获得的原材料和较高的可靠性,它在化学电源中一直占有绝对的优势。铅酸蓄电池技术经过多年的发展,它的比能量、高低温适应性、循环寿命等问题已有了极大的突破。因此,铅酸蓄电池在通信、交通、电力、军事和航空等各个领域都起到了不可或缺的作用。
1.2 电池均衡
在通信电源系统中为满足电压、电流和所需容量要求,需要选择合适类型的蓄电池并对一定数目的单体电池进行串并联。串联使用的各单体电池在使用过程中将会表现出各单体电池荷电状态不一致,即剩余电量不一致。随着电池充放电次数的增加,各单体电池间的荷电状态的不一致程度会加剧,最终直接影响电池组的使用寿命和安全性。由此可见,对串联电池组进行均衡是很有必要的。
目前,被动均衡与主动均衡均方案基于各自的特点而在不同的场合有着应用,例如对于动力电池,当前市场上采用被动均衡的电池管理系统较多,主要是因为被动均衡发展早于主动均衡,技术上较为成熟,具有简单可靠的特点。主动均衡虽然有更好的均衡效率,在能量损耗方面优于被动均衡,但是主动均衡结构及控制复杂,可靠性差,例如变压器方案的设计以及开关矩阵的设计无疑会增加系统成本。总结来看,基于实际的应用场合,综合比较两类均衡方案的优劣来选取合适均衡方案十分重要。
串联电池组中各单体电池荷电状态相等,就可以认为电池单体之间实现了均衡。而电池荷电状态与电池端电压存在一定比例关系,因此可以通过测量电池端电压来反映电池的剩余电量,在电池均衡应用中这是一种较为常用的判断电池单体之间均衡情况的方法。
在此背景下,本设计以 LTC3305铅酸蓄电池均衡芯片为核心,在电容均衡的基础上进行改进,采用与待均衡单体蓄电池容量一致的蓄电池作为能量传输的载体来实现蓄电池组的主动均衡,完成了48 V1500 Ah蓄电池组采用蓄电池本体实施均衡的电路原理图设计。
1.3论文主要内容
第一章介绍了本论文的研究背景、研究意义和研究内容。第一节介绍了通信电源对于通信基站的重要性。第二节指明了电池均衡的必要性并引出本文所要设计的内容。最后分章节介绍了本论文的主要内容。
第二章为蓄电池串联均衡方案的比较与选择。第一节将蓄电池均衡方案分为被动均衡与主动均衡两类并进行了分类介绍,同时基于本设计实际的应用场合,综合比较两类均衡方案的优劣来选取合适均衡策略。第二节对本文所采用的基于电池本体的主动均衡方案进行了简单分析。
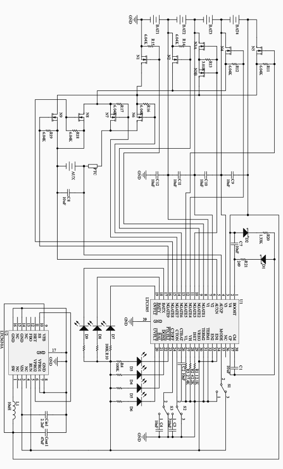
第三章详细介绍了基于LTC3305铅酸蓄电池均衡芯片的均衡电路设计。本章对LTC3305芯片软硬件资源做了介绍,并对该芯片的两种工作模式即连续模式和定时模式的均衡操作流程做了分析。由于集成了电压监视、栅极驱动和故障检测电路,不需要额外的软件设计,因此本章主要介绍相应外围电路的设计和相关参数的设定及元件选型。
第四章给出了本文所设计的完整电路原理图,本设计通过3个双向开关切换LTC3305芯片的两种工作模式,本章主要描述了所设计均衡电路工作于定时模式下的均衡操作过程,并对连续模式和定时模式做了比较。本章最后对全文工作进行了总结。
第2章 蓄电池串联均衡方案的比较与选择
2.1蓄电池均衡策略分析
2.1.1被动均衡
典型的蓄电池被动均衡拓扑结构如图2.1所示。
图2.1 被动均衡方案
被动均衡也称为能耗型均衡,被动均衡方案的基本思想是,借助并联在单体电池两端的电阻分流来降低电压过高的单体电池电压,以此达到均衡的目的。如图2.1所示,通过实时检测比较各串联蓄电池的电压差,当电压差超过某一阈值时,接通电压过高的蓄电池所对应的开关管,便可以将相应的均衡模块接入以进行均衡过程,直到电压差降至正常范围以内,均衡过程结束。这种均衡方法将电压较高的单体电池中的能量消耗在电阻上而转化为了热量被浪费掉,为此还需要设置专门的散热装置,由此增加了设备成本。能耗型均衡控制电路简单可靠,但是其本身作为一种耗能、需要额外散热的被动均衡方案,对于本设计中较大的蓄电池组容量而言,它所展现出来的弊病非常突出,因此本设计并不考虑使用被动均衡方案。
2.1.2 主动均衡
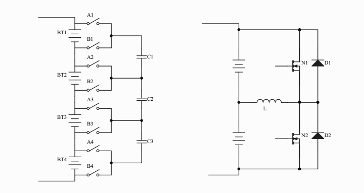
主动均衡也称为非能耗型均衡,主动均衡方案的基本思想是,利用电容、电感或变压器等器件作为中间能量载体,通过开关器件使能量在不均衡的蓄电池之间进行转移而达到均衡目的。如图2.2(a)所示电容主动均衡方案,通过将A组开关和B组开关分别接通可对电容进行充放电,这样相邻两蓄电池的能量就能相互转移,最终使整个串联电池组中趋于均衡。但是电容均衡效率受单体电压差的限制明显,当待均衡单体电池间电压差较小时,均衡效果往往一般。图2.2(b)所示为电感均衡电路,它将电感作为储能元件,使能量以电流的形式在单体电池之间进行转移。电感均衡能够克服单体电池间电压差的限制,在电压差较小的情况下也能展现出比电容均衡更高的均衡效率。但是基于电感的主动均衡策略比较依赖于蓄电池电压采样精度及采样误差大小,较差的采样精度或较大采样误差可能会导致均衡过程起到反作用,从而加剧蓄电池组的不均衡度。其他的主动均衡方案诸如多输入绕组变压器均衡方案、DC/DC变换器均衡方案等,都需要额外投入更高的硬件成本,且存在均衡控制相对复杂的问题。
(a)电容均衡拓扑 (b)电感均衡拓扑
图2.2 主动均衡方案
2.2基于电池本体的主动均衡方案设计
电容均衡的实质是基于两单体蓄电池之间的电压差实现的能量转移,均衡速率完全取决于电压差的大小,电压差越大则均衡效率越高,然而在实际使用过程中,均衡回路中存在着开关器件的导通阻抗及蓄电池的内阻抗,这将进一步降低均衡压差从而抑制均衡电流。另外,电容作为中间能量载体的加入,无疑会增加系统的硬件成本同降低系统可靠性。
本文所采用的方案在电容均衡的基础上进行改进,采用与待均衡单体蓄电池容量一致的蓄电池作为能量传输的载体来实现蓄电池组的主动均衡,能够较好的克服电容均衡策略中存在的一些问题。
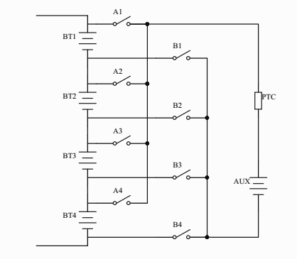
本设计所采用基于电池本体的均衡方案的基本工作原理如图2.3所示。
图2.3 主动均衡工作原理图
如图所示,本设计中均衡系统采用与待均衡单体蓄电池容量一致的蓄电池作为辅助模块(Auxiliary,AUX),通过将该辅助模块与待均衡蓄电池组依次进行并联来实现电池组均衡。在蓄电池组充放电过程中,由于均衡模块的存在,它可抑制电压稍高的单体蓄电池的充电电流同时提升其放电电流,而对于电压稍低的单体蓄电池则可提升单体蓄电池的充电电流同时抑制其放电电流。随着均衡过程的进行,包括辅助模块在内的所有蓄电池电压将趋于一致。与单纯的将电容作为中间能量载体不同,由于辅助模块的电压将始终维持与串联电池组中的单体电池电压相一致,也参与了串联电池组的充放电过程,因此可以将辅助模块的容量也算作系统容量的一部分,系统无需增加额外的能量转移单元。
均衡系统采用具有正温度系数(Positive Temperature Coefficient,PTC)的热敏电阻来实现均衡过程中的过流保护。当PTC两端电压较小时,其阻抗维持在较小值不变,随着电压的升高,流经PTC的电流增大导致其温度升高,当温度升高到某一限定值时,PTC的阻抗会随着电压的持续升高而急剧增大从而抑制其电流的大小。通过选取合适参数的PTC可以实现对均衡电流幅值的控制。
第3章 基于LTC3305芯片的均衡电路设计
3.1 LTC3305芯片软硬件资源
LTC3305是由美国Linear公司生产的铅酸蓄电池均衡芯片,可通过配置外围电路来保持独立运行,不需要添加外围采样及控制电路。其主要特点有:
- 单个芯片可均衡多达4节串联的12V铅酸蓄电池;
- 全NFET设计;
- 可通过堆叠来均衡较大的串联电池组;
- 可独立工作,无需添加外围采样或控制电路;
- 均衡电流受限于外部PTC热敏电阻;
- 连续模式和定时模式;
- 可设定欠压(UV)和过压(OV)故障门限;
- 可设定充电终止时间和终止电压;
- 耐热性能增强型38引脚TSSOP封装。
LTC3305铅酸蓄电池均衡芯片集成了端电压电压监视、栅极驱动和故障检测电路,通过配置MODE引脚实现两种操作模式的选择,即定时模式和连续模式。在定时模式下,一旦芯片判断均衡操作完成,芯片将立即进入低功率关断状态并持续一个可设定的时间,以此周期性地对电池进行再均衡。在连续模式下,电池均衡操作持续进行,即使在电池被均衡至其设定的终止电压之后也不例外。
LTC3305芯片应用场合非常广泛,包括通信后备供电系统、家用后备电池供电系统、工业电动汽车、能量储存系统 (Energy Storage System,ESS)等等。
3.2 LTC3305芯片均衡工作流程
LTC3305芯片可通过对外围电容、电阻值的配置及部分引脚的电平设置实现对相关的均衡参数进行设置,由此均衡电路可工作于独立运行模式。芯片可工作于定时模式或连续模式,本设计通过3个双向开关切换芯片的两种工作模式,下面分别介绍连续模式和定时模式的均衡工作流程。
(1)连续模式
在连续模式下工作时相关均衡参数有:待均衡蓄电池组节数n(本文n取4),单节电池单次均衡最大时间tBAT。连续模式下芯片工作流程如图3.1所示。
在连续模式下,均衡芯片将均衡模块依次并接至串联蓄电池组的各个待均衡单体电池,各单体电池与均衡模块的并接时间为固定值tBAT。可以看出,均衡模块将始终参与蓄电池组的充放电过程,可视作系统容量的一部分。
开始
t=0;igt;n?
tgt;tBAT?
图3.1连续模式下均衡流程图
- 定时模式
在定时模式下工作时相关均衡参数有:待均衡蓄电池组节数n(本文n取4),单节电池单次均衡最大时间tBAT,辅助模块和所连接的待均衡单体电池被认为处于均衡状态时的两者电压差VTERMINATE,均衡操作持续的最大时间tON,芯片处于低电压关断状态的时间tOFF。定时模式下芯片工作流程如图3.2所示,其中V为辅助模块和所连接的待均衡单体电池电压差。
在定时模式下,LTC3305芯片的工作流程与连续模式下的功能非常相似,但有以下区别:1.2.在定时模式下,存在均衡操作持续的最长时间tON限制,当tON超时时芯片将进入低电压关断状态。3.在定时模式下,如果LTC3305芯片内部比较器连续n 1次检测到辅助模块和所连接的待均衡单体电池电压差小于终止电压VTERMINATE,串联电池组将被认定为处于均衡状态,均衡操作将终止。而在连续模式下情况并非如此。
开始
Tlt;tON?
Tgt;tOFF?
t=0;igt;n?
Vgt;VTERMINATE
Vlt;VTERMINATE||tgt;tBAT?
jlt;n 1?
图3.2定时模式下均衡流程图
3.3 基于LTC3305的外围电路的设计
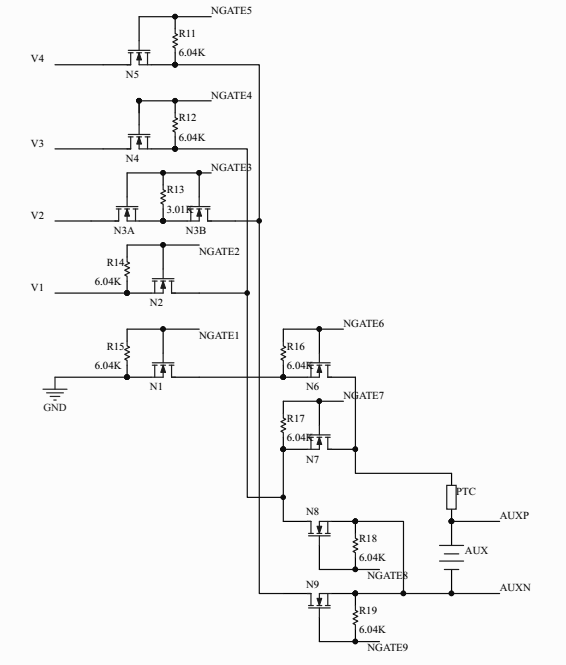
3.3.1 MOS管驱动电路设计
LTC3305芯片可以通过SET引脚的接地电阻RISET来设置MOS管栅极驱动引脚NGATE引脚的电流大小,芯片所能提供的驱动电流范围为50μA到150μA,驱动电流经MOS管栅源极间的外部电阻产生电压,由此控制MOS管的导通。依据表3.1设计均衡四节串联电池时相应的MOS管驱动电路,如图3.3所示。
图3.3 MOS管驱动电路设计








