基于CLLC的电池升温控制设计与仿真毕业论文
2021-12-05 17:36:10
论文总字数:20056字
摘 要
低温下的电池预热对于确保电动汽车高效运行至关重要,为了解决高寒地区电动汽车的应用瓶颈,本文采用了作为内部加热的交流电加热方法,使锂离子电池在低温时可以快速有效地提升温度,以改善低温时电池的不良性能。本文首先综述了CLLC谐振变换器及锂电池热管理与热模型的研究现状,进而对CLLC谐振拓扑的特点与传输功率情况进行了分析,再利用其设计温升电路并讲述了工作原理,最后通过基于热力学的数学模型分析设计的温度变化量计算电路对温升电路仿真验证,发现在500Hz的开关频率下,锂电池的温度在480秒内由零下20摄氏度上升至0摄氏度,平均温升速率达到了2.5摄氏度/分钟,具有较快的预热速率。并发现在相同的情况下,开关频率越高,预热的速率越低。
关键词:锂离子电池;CLLC谐振变换器;交流加热;数学模型
Abstract
Preheating the battery at low temperature is essential to ensure the efficient operation of electric vehicles. In order to solve the bottleneck of electric vehicles in high and cold areas, this thesis utilizes the AC heating method, which is a kind of internal heating, so that lithium-ion batteries can raise the temperature at low temperature quickly and effectively, to improve the poor performance of the battery at low temperature. This thesis firstly summarizes the research status of CLLC resonant converter and thermal management and thermal model of lithium battery, Furthermore, the characteristics of CLLC resonant topology and the power transmission are analyzed. And then it is used to design the temperature rise circuit and discusses the working principle. Finally, the temperature rise circuit is simulated and verified by the calculation circuit of temperature change, based on the thermodynamic mathematical model analysis. It is found that the temperature of the lithium battery rises from minus 20 degrees Celsius to 0 degrees Celsius in only 480 seconds at a switching frequency of 500 Hz, while the average temperature rise rate reached 2.5 degrees Celsius per minute, which had a satisfied warm-up rate. It is also found that under the same circumstances, the higher the switching frequency is, the lower the preheating rate would be.
Key Words: Lithium-ion battery; CLLC resonant converter; AC heating; mathematical mode
目录
摘要 I
Abstract II
第一章 绪论 1
1.1 课程设计目的与意义 1
1.2 车载充电器类型与基本原理 1
1.3 锂电池热管理与热模型研究现状 2
1.3.1 锂电池热管理研究现状 2
1.3.2 锂电池热模型研究现状 3
1.4 基于CLLC的双向DC-DC变换器研究现状 3
1.5 本文主要研究内容 5
第二章 CLLC谐振型双向DC-DC变换器 6
2.1 CLLC谐振变换器的应用 6
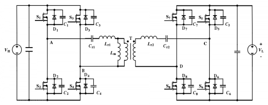
2.2 CLLC谐振变换器的拓扑结构 6
2.3 CLLC谐振变换器的功率输出特性 7
2.4 小结 8
第三章 基于CLLC谐振电路的温升电路设计 9
3.1 锂电池的加热方式 9
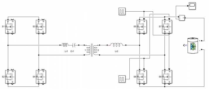
3.2 温升电路的设计 9
3.3 温升电路的仿真 11
3.4 小结 12
第四章 温度运算电路的设计与仿真 13
4.1 温升计算的原理与数学模型 13
4.2 温升运算电路的设计与仿真 13
4.3 小结 16
第五章 总结与展望 17
5.1 总结 17
5.2 展望 17
参考文献 18
致谢 20
第一章 绪论
- 课程设计目的与意义
 
改革开放以来,我国汽车产业获得了举世瞩目的发展,汽车在国民生活中扮演着越来越重要的角色,但是由于汽车数量的大幅度增长,也导致了能源的短缺,环境污染严重等问题,而作为新兴支柱性产业代表的新能源汽车同传统汽车相比,具有噪音小,污染少,效率高的优点。由于新能源汽车的突出优势,世界各国的政府已经开始大力发展本国的电动汽车产业,中国由于其巨大的需求市场已经成为全球最大的电动汽车生产基地[1]。
为了缓解日益加重的能源和环境安全压力,我国不断地加大对新能源汽车的扶持力度,并将新能源汽车的发展确立为国家战略。国务院颁布了《2012-2020年节能与新能源汽车产业发展规划》,其中明确指出,到2020年,我国对于纯电动汽车和插电混合动力汽车的生产能力要突破200万辆,累计新能源汽车产销量超过500万辆。在经历了十多年的政策推动和发展后,我国新能源汽车已于2015年开始年年销量居世界第一位,并维持至今。
新能源汽车的类型主要分为四种:纯电动汽车(EV)、混合动力汽车(HEV)、插电式混合动力汽车(PHEV)和燃料电池汽车(FCEV),我国主要发展纯电动汽车和插电混合动力汽车。在主要发展的四种新能源汽车类型中,除了燃料电池汽车不需要车载电池以外,其余的三类均以车载电池作为其核心的动力来源。
现如今,锂离子电池因其高能量密度、高工作电压、无记忆效应、自放电低、循环寿命长、污染少以及容量大等优点,已成为最有前途的主流电动汽车的电源[2]。然而,锂电池在低温下,诸如放电容量衰减,放电性能差,由于正负极材料的不活泼性,电解质的缓慢粘度和电导率的降低导致锂离子电池充电和放电困难,电解质浓度差异增大且极化增强导致充电提前终止之类的问题不容忽视[3],这使得电动汽车的行驶里程急剧缩短,从而限制了锂电池作为车载动力电池在冬季较低温度或高寒地带的应用和推广。同时,锂电池在低温下在充电和放电过程中,锂离子在碳阳极中的扩散速度很慢,容易引起锂离子沉积和树枝状结晶,从而导致电池容量下降,循环寿命下降以及严重的内部短路,甚至导致热失控和其他安全隐患[4]。因此,采取快速有效的加热措施来提高锂电池的工作温度以改善其在低温环境下的性能显得尤为重要。
- 车载充电器类型与基本原理
 
车载充电器是指常规通过汽车电瓶供电的车载充电器,大量使用于各种便携式、手持式设备的锂电池充电领域,具有便携性、多功能性、安全性等特点。
目前,车载充电器的结构可以分为两大类,分别为单级式功率变换结构和两级式功率变换结构。单级式功率变换结构只包含AC-DC变换器,直接将来自交流电网的电流通过整流转换为直流电,为车载电池进行充电。单级式的结构使其具有使用器件少且电路设计相对简单的优势,但同时限制了输出电压范围和功率因数的改善效果。
两级式功率变换结构在单级式功率变换结构的基础上增加了一个DC-DC变换器,且在两级结构之间加入了功率因数调整网络(包含MOSFET与电感等元器件)。先将交流电网的电流进行整流和功率因数调节,再通过DC-DC变换器以PWM脉宽调制的方法对整流后的直流电变换和改善其特性,获得满足所需要求的直流电流波形。因而其可以拓宽输出电压范围,通过加入的PFC(功率因数校正)可消除低功率因数对电网的污染,但由于多加了一级结构导致电路结构复杂、设计成本较高。
车载充电器的充电方法可以分为常规充电法和快速充电法。其中,常规充电法包括恒流充电法、恒压充电法和阶段式充电法等。较常用的恒流充电法即保持电流不变,电压随着充电过程逐步增大;恒压充电法即保持电压恒定,电流随着电芯的饱和程度逐步减小。
- 锂电池热管理与热模型研究现状
 
1.3.1 锂电池热管理研究现状
锂电池热管理是根据电池工作时的最佳温度范围,通过改进电池组的排列方式、优化电池箱结构、优化控制系统以及加入导热传热介质等方法来对锂电池进行有效的温度调节。当锂电池的温度过低时对其进行加热,温度过高时对其进行散热,以减小电池组中电池与电池间的温度差和降低电池组达到的最高温度,从而提高车载动力电池的运行效率与安全性[5]。
对于锂电池工作时自身的发热导致温度过高,目前针对锂电池散热的热管理技术主要有:耐温电池材料的研究、空气冷却的研究、液体冷却的研究、基于制冷制热原理的热管理系统、相变材料的冷却研究。
对于锂电池在低温工作时带来的安全隐患问题,目前针对锂电池的产热方式主要有两种,外部加热和内部加热。所谓的外部加热方法是将外部加热装置产生的热量传递给电池以实现电池的加热。主要有加热板,相变材料,加热管,珀尔帖效应加热,PTC加热,金属膜加热,液体或气体加热[6-7]和其他形式。它简单易行,但能量损失大,时间长,加热速率低,加热均匀性差。相反,内部加热作为利用电池本身能量产生热量的加热策略,比外部加热具有更高的发热率,更少的能量损失和更好的温度分布,同时不需要在外部另加加热装置。对于内部加热方式展开了许多的研究。Wang等提出了一种全气候电池,该电池是通过在电池的两个凸端之间添加50毫米厚的镍箔制成的。这种结构可以在20秒内实现从-20°C到0°C的快速加热,或者在30秒内实现从-30°C到0°C的快速加热,仅分别消耗电池容量的3.8%和5.5%[8]。该方法非常地快速和有效,但需要改变电池的设计和生产,并且在实际车辆应用的安全性方面不够可靠。Hande A等采用了一个逆变器电路来产生高频交流电来加热电池,并发现电池可以在短短几分钟内加热到正常温度。但他们尚未建立相应的模型来分析这种高频交流加热的发热特征[9]。Yang等开发了一种电化学-热耦合模型来预测相同结构电池的内部特性,并表明加热时间和能量消耗受到内部温度梯度的极大影响[10]。诚然,它提供了一种新的方法来更快地从低于零摄氏度的温度预热电池,且消耗更少的能量,但是,它在很大程度上取决于电池的某些结构和材料,必须在工程应用中重新设计现有的电池。另一种内部加热策略是交流电加热,作为一种交流电加热方式,正弦交流电加热策略通过验证发现锂电池在经过数十次加热循环后仍没有损坏,因此是一种良好的电池内部加热方式。
1.3.2 锂电池热模型研究现状
锂离子电池热模型的相关研究从上世纪八十年代就已经开始,根据其发展过程可以分为三个阶段:第一阶段是偏向于将锂电池假设为均匀的发热源,从而基于电池的平均温度进行各类分析研究;第二阶段是在原有研究的基础之上,考虑了因为极耳的布置所产生的电流场这一影响因素;第三阶段则是在提出锂离子多孔电极模型理论后,对锂离子电池热模型的研究开始与电池内部的电化学反应和物质运输等多物理场因素相结合。
根据锂电池热模型的建模原理可以将其分为电化学-热耦合模型、电-热耦合模型和热失控模型。不同形式能量的耦合模型,它们的理论基础都是共同的,即能量守恒定律。电化学-热耦合模型是以电化学反应热力学与动力学为理论基础,通过描述热能、化学能和电能在化学反应、电势差和浓度差中的变化情况来描述电化学反应过程,并与外部环境的温度产生关联。相比电化学-热耦合模型描述电池内部结构、物质组成和电化学反应过程等方面,电-热耦合模型以宏观的形式反映锂离子电池的外形尺寸、电极位置等参数,更为方便,因而应用较多。通过电-热耦合模型可以获得电芯中电压与电流的分布情况,进而推算出电池中的温度分布。热失控模型即以极端情况模拟锂电池的运行情况,确保其安全性能。
请支付后下载全文,论文总字数:20056字
相关图片展示:





您可能感兴趣的文章
- 一种确定磁探针集总电路参数的标定方法外文翻译资料
 - 一种人体可接触的大气压低温等离子体射流装置研究(适合电气B方向)毕业论文
 - 氩氧中大气压DBD放电特性研究(适合电气B方向)毕业论文
 - 大气压氩等离子体射流放电影响因素的仿真研究(适合浦电气B方向)毕业论文
 - 含氧高活性均匀DBD改性聚合物薄膜研究(适合浦电气B方向)毕业论文
 - 反应器结构对气液两相DBD放电特性的比较(适合浦电气B方向)毕业论文
 - 南京某公司研发楼电气设计毕业论文
 - 金帆北苑地块经济适用住房——02栋商住楼电气设计(适用于浦电气1004~06A方向学生)毕业论文
 - 扬州人武部大楼电气设计毕业论文
 - 金帆北苑地块经济适用住房——04栋商住楼电气设计(适用于浦电气1004~06A方向学生)毕业论文
 

        
            
