直流微电网储能变换器设计毕业论文
2021-12-05 17:34:22
论文总字数:19786字
摘 要
工业制造水平的快速提升,使得化石能源急剧消耗,短时间内不可再生。汽车作为能源消耗大户,在节能减排方面首当其冲。新能源汽车的推广离不开配套充电设施的完善。光储充直流微电网成为值得考虑的解决方案。
依托上述背景,本文主要对光储充直流微电网中的核心部件,双向DC/DC储能变换器展开研究。得益于功率传输效率稿、体积小重量轻、性能稳定的优势,它在多个领域、多种场合都得了广泛应用。
本文在不同拓扑结构优缺点的基础上,综合考虑性能要求和成本控制,选定了buck/boost拓扑结构作为本次的研究对象。一开始首先对其工作原理进行说明,然后参考设计任务的要求,对主电路参数进行设计,以及对电子器件进行选型。根据设计参数对电路进行小信号建模。在小信号电路模型基础上,依据电路输入输出的特点,分别制定boost和buck模式的控制策略,整定PI参数,搭建PWM控制模块。
最后,在simulink中,将所设计的主电路和控制电路进行仿真验证,总结设计中是否完成设计任务,以及存在哪些缺陷,并对该方面未来的研究提出猜想与展望。
关键词:双向DC/DC储能变换器;PWM脉冲宽度调制;电流闭环控制;PI调节
Abstract
Industrial manufacturing level is rapidly improving nowadays. Thus, fossil energy is rapidly consumed and cannot be renewable in a short time. As a major energy consumer, automobiles bear the brunt of energy conservation and emission reduction. The promotion of new energy vehicles is inseparable from the improvement of supporting charging facilities. DC photovoltaic microgrid with storage system becomes a solution worthy of consideration.
According to the above background, the bidirectional DC/DC converter is mainly studied in this paper, which is the component of the DC photovoltaic microgrid. Thanks to the advantages of power transmission efficiency, light weight and stable performance, it has been widely used in many fields and occasions.
Comparing the advantages and disadvantages of different topologies, I choose the buck/boost topology was selected as the research object in this paper. First, this paper explains the principle of its work. Then the main circuit parameters are designed according to the requirements of the design task, as well as the selection of electronic devices. According to the design parameters, small signal modeling is carried out for the circuit. On the basis of the small signal circuit model, according to the characteristics of the input and output of the circuit, the control strategies of boost and buck modes were formulated, the PI parameters were set, and the PWM control module was built.
Finally, in simulink, the main circuit and control circuit will be designed for simulation verification, to summarize whether the design task is completed in the design, as well as the existing defects, and to this aspect of the future research conjecture and prospects.
Key Words:bidirectional DC/DC converter;PWM;current closed-loop control ; PI controller
目录
第1章 绪论 1
1.1 本文的研究背景及意义 1
1.2 双向DC/DC储能变换器的研究现状 3
1.3 本文的主要研究内容以及设计目标 4
第2章 双向DC/DC变换器主电路的设计 6
2.1变换器主电路拓扑选型 6
2.2 双向DC/DC变换器主电路的工作原理 7
2.2.1 boost模式下的工作原理 8
2.2.2 buck模式下的工作原理 8
2.3 主电路的设计 9
2.3.1 蓄电池的设计 9
2.3.2 主电路参数设计 9
2.3.3 电感的参数设计 10
2.3.4 电容的参数设计 11
2.4 主电路的数学模型设计 11
2.4.1 boost模式下小信号模型 11
2.4.2 buck模式下小信号模型 12
第3章 双向DC/DC变换器的控制电路设计 14
3.1 PWM脉冲宽度调制技术 14
3.2 PI调节器及PI参数设计方法 15
3.3 boost模式下的控制器设计 16
3.4 buck模式下的控制器设计 17
第4章 在simulink中对设计电路进行仿真验证 19
4.1 boost模式的仿真及结果 19
4.2 buck模式的仿真及结果 21
第5章 设计总结与未来展望 23
参考文献 24
致 谢 26
第1章 绪论
1.1 本文的研究背景及意义
我们的社会慢慢步入智能化时代,工业制造水平发展到了更高的高度,能源需求量也随之增大,石油、煤炭、天然气等等不可再生能源不断消耗,造成能源短缺。为了避免能源枯竭问题,各国都积极探索如何更好地实现可再生能源的利用,致力于改变传统能源结构以满足社会需求,同时减小碳排放量减轻环境污染。随着越来越多的家庭普遍拥有一辆或者以上的私家车,汽车成为了能源消耗大户,在节能减排方面自然首当其冲。与传统燃油车相比,电动汽车不消耗化石能源,不存在尾气排放问题,更符合未来汽车的发展方向。为了促进电动汽车的发展,提高消费者购买意愿,国家颁布了一系列的相关政策,例如电动汽车购置补贴、汽车厂商环保积分政策、电动汽车上牌免费免摇号等。另外,电动汽车的制造水平也不断提高,特斯拉的自动驾驶技术、比亚迪的刀片电池技术、蔚来等新势力品牌的创新性等等,让电动汽车有了和传统燃油车竞争的实力,而不是一种作为燃油车替代品无奈之举。得益于政策支持和技术进步,近五年来,我国电动汽车保有量快速上涨,2015年年底保有量为33万辆,到2019年年底,保有量已经达到310万辆,平均年涨幅达到170%。2019年年底,工信部发布了《新能源汽车产业发展规划(2021-2035 年)》(征求意见稿)。根据该规划内容,预计我国在未来15年内电动汽车将成为主流交通工具。电动汽车目前普遍存在续航里程有限,充电时间长,充电不方便的缺点,快速增长的电动汽车保有量也带来了大额的充电桩需求。上述规划也着重提到,要大力推广电动汽车充电基础设施的修建,方便电动汽车进行充电,尽可能消除续航焦虑。在停车场就地建设微电网为充电桩供电是较为理想的充电方案,相比于传统充电桩从大电网接电,这种方案可以减轻配电网负荷压力,避免因车辆集中充电造成电网超负荷运行,提高电网运行的安全性和稳定性。光伏发电本身输出为直流电,而电动汽车充电所需也是直流电,另外,光伏发电相比于风力发电和水力发电等可再生能源发电方式,受地形和面积限制较小,同时光伏顶棚也可以为汽车提供遮阳挡雨保护,因此光伏发电非常适合作为电动汽车充电微电网的发电选择。
光能作为绿色环保的可再生能源,易于采集,能源量丰富,对环境无污染,有着良好的发展应用前景。随着光伏发电组件制造技术的上升,单晶硅材料的制作工艺改进,和应用规模扩大,光伏发电的成本得到了有效的控制,这也为它更大规模、更多领域的应用,以及抢占传统发电市场份额提供了可行性。2016年,中国国家发展改革委印发《可再生能源发展“十三五”规划》,对可再生能源发电在总发电量中的占比提出了具体要求。其中,有关于光伏发电的具体要求为,在2021年前,全国光伏发电机组的总容量要达到1.1亿千瓦,约占可再生能源发电的16%。实际上,在2017年光电装机容量已达1.3亿千瓦,提前超额完成该目标,截至2019年底已达2亿千瓦,约占总装机容量的10%,相比于2015年的0.4亿千瓦,达到了400%的大额增幅。同时,国家投入资金大力支持工厂园区、经济开发区、农业基地等区域在屋顶、楼墙铺设光伏电池板,建设光伏微电网。在用电高峰期可以有效缓解大电网的负载,提高能源利用率,同时该区域用户可以得到电能补贴,降低生产成本,一举多得。
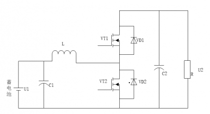
但是,由于光伏发电具有间歇性和波动性的特点,白天和晚上发电量相差巨大,受天气和季节因素影响大,无法像传统的火力发电一样稳定输出。另外,接入直流微电网的负荷变化,也会造成直流母线电压波动等问题。为了避免以上问题,为光伏直流微电网配备储能系统,是必不可少的设计环节。中午光线充足情况下,电能供过于求,可以将剩余电能向储能系统充电进行储存;晚上缺乏光照,储能电池可以作为电源向直流母线供电。储能系统与直流母线之间,通过双向DC/DC变换器相连接,如图1。双向DC/DC变换器可以配合PWM调制和PI调节等控制策略,实现对输出电压和电流的控制,提高输出信号的稳定性,降低纹波率和开关损耗。根据发电功率和负荷大小的变化,可以调整为储能单元向直流母线放电,或者直流母线给储能单元充电,实现功率的双向流动。
图1光储直流微电网充电站储能系统结构示意图
光储充直流微电网在国内外已经有多个实际应用案例。特斯拉公司在美国总部和上海分部都修建了光储充微电站;杭州、上海、广州等地也相继有光储充微电站投产使用,为电动汽车车主提供充电便利。另外,上海电力大学临港新校区的风光储微电网也在2018年建成,其中光伏发电电池板安装在23栋建筑的楼顶及外墙,总面积达两万平方米,最高发电功率为两千千瓦,基本足够供全校师生日常使用。
1.2 双向DC/DC储能变换器的研究现状
从1980年美国的科研专家首次将双向DC/DC储能变换器投入到实际应用中,取代笨重的蓄电池,使得航空器的体积更小重量更轻,发展到现在,双向DC/DC储能变换器已经具备多样化的拓扑结构,以及成熟的控制模式,以供不同场合选择使用。2003年,中国科学院电工研究所的研究院许海平博士,提出了全数字信号化的变换器控制方式,以一台五千瓦的变换器为实验装置,验证了该控制方法的有效性,相比于以往的模拟信号控制,可以进一步改善变换器非线性和不稳定性,增强了电路的滤波能力[1]。2008年,华中科技大学的黄声华博士带领其团队,提出了一种新型三相双向DC/DC变换器,采用了超级电容作为储能和滤波装置,可工作于高功率场合,并且拓扑简单、内含电气隔离、可以简单实现软开关控制[2]。2013年,江苏省新能源发电与电能变换重点实验室,南京航空航天大学刘福鑫副教授的团队,提出了一种结构对称,且可以实现软开关控制的双向桥式变换器。2018年,燕山大学的孙孝峰教授带领其实验室学生,对零电压开关三电平 buck/boost双向变换器展开研究,提出通过对电感电流的控制,不需要依靠谐振辅助电路,实现对该非隔离型变换器的软开关,降低了变换器的功率损耗,简化了软开关电路结构[3]。
除了上文提及的光储充微电网系统,双向DC/DC储能变换器还在其他多个领域中都得到了广泛的应用。如电动汽车领域,可以将车辆发电机输出的高电压,转换成供车内点烟器、收音机等电子设备所需的低电压,也可用于将蓄电池输出的低电压,转换成供动力系统使用的高电压[4];在航空航天领域,可用于多电机系统,将不稳定不一致的发电电压,转换成稳定的工作电压为航天器的仪器设备供电[5];在分布式发电领域,多个能量的输入源通过DC/DC变换器,将能量统一到一个端口输出,有效进行资源整合方便管理[6];在机器人控制领域,如医用机器人或者一些高精度制造设备,对机械臂的动作精度要求非常高,而机械臂的动作精度很大因素取决于伺服电机的工作电流是否精确,以及工作电压是否稳定,直流变换器的稳压和滤波性能可以确保伺服电机工作在稳定的电压和电流下 [7];另外,还有现在我们经常乘坐的动车列车组,在进行制动动能回收过程中,电机工作在发电机模式,把列车的动能转化成电能,由逆变器将交流变成直流后,输入双向DC/DC变换器,变换器对储能系统进行充电储能[8]。
请支付后下载全文,论文总字数:19786字
相关图片展示:





您可能感兴趣的文章
- 一种确定磁探针集总电路参数的标定方法外文翻译资料
 - 一种人体可接触的大气压低温等离子体射流装置研究(适合电气B方向)毕业论文
 - 氩氧中大气压DBD放电特性研究(适合电气B方向)毕业论文
 - 大气压氩等离子体射流放电影响因素的仿真研究(适合浦电气B方向)毕业论文
 - 含氧高活性均匀DBD改性聚合物薄膜研究(适合浦电气B方向)毕业论文
 - 反应器结构对气液两相DBD放电特性的比较(适合浦电气B方向)毕业论文
 - 南京某公司研发楼电气设计毕业论文
 - 金帆北苑地块经济适用住房——02栋商住楼电气设计(适用于浦电气1004~06A方向学生)毕业论文
 - 扬州人武部大楼电气设计毕业论文
 - 金帆北苑地块经济适用住房——04栋商住楼电气设计(适用于浦电气1004~06A方向学生)毕业论文
 

        
            
