基于LLC谐振变换器的LED驱动电源设计毕业论文
2021-12-02 13:04:22
论文总字数:28336字
摘 要
随着当今人们对电能消耗的关注,大功率LED驱动电源技术也逐渐被引起重视。本次毕业设计的课题也是围绕此话题的,是基于LLC谐振变换器的大功率LED驱动电源设计。对于此课题本文将其分为以下几个部分进行了设计,包括功率因数校正技术、LLC谐振技术以及双路输出部分。在此次设计中关于功率因数校正部分则是采用了连续工作模式的Boost变换器,并选用UC3854芯片按照平均电流控制策略来进行控制,以使功率因数达到了较高值,并且输出较稳定的直流电压。接着采用全桥LLC谐振电路进行DC/DC变换器的设计,并且选用了TI公司UC3863芯片完成LLC谐振控制。另外在双路输出部分,主电路为LED负载进行供电时还选用了AP4313进行恒压恒流控制,另外选用了UC3842芯片对另一路输出蓄电池充电电路进行控制。最后采用Saber仿真软件依照前面各部分所设计的电路搭建了仿真模型,即对设计的LED驱动电源系统进行了仿真分析。
对通过Saber软件仿真得到的波形进行分析可知,本次基于此课题进行的各个部分设计的理论研究和设计方法都是合理可行的。
关键词:LED;驱动电源;全桥LLC谐振变换器;Saber仿真
Abstract
With today's attention to power consumption, high-power LED drive power supply technology has gradually attracted attention. The subject of this graduation project is also around this topic, which is the design of high-power LED drive power supply based on LLC resonant converter. For this subject, this article divides it into the following parts and designs it, including power factor correction technology, LLC resonance technology and dual output part. In this design, the power factor correction part uses the Boost converter in continuous working mode, and selects the UC3854 chip to control according to the average current control strategy, so that the power factor reaches a higher value and the output is more stable. DC voltage. Then adopt the full-bridge LLC resonant circuit to design the DC/DC converter, and select TI UC3863 chip to complete the LLC resonant control. In addition, in the dual output part, when the main circuit supplies power to the LED load, the AP4313 is also used for constant voltage and constant current control, and the UC3842 chip is also used to control the other output battery charging circuit. Finally, a simulation model was built using Saber simulation software, and the designed LED drive power system was simulated and analyzed.
The analysis of these waveforms shows that the theoretical research and design methods of this design are both reasonable and feasible.
Key Words:LED ;Drive power;Full-bridge LLC resonant converter;Saber simulation
目 录
摘 要 I
Abstract II
第1章 绪论 1
1.1 课题研究背景及意义 1
1.2 国内外研究现状 1
1.3 本文主要研究内容 2
第2章 功率因数校正电路的设计 4
2.1 功率因数校正分析 4
2.2 功率因数校正分类 4
2.2.1 无源功率因数校正技术 4
2.2.2 有源功率因数校正技术 4
2.3 有源功率因数校正电路的设计 5
2.3.1 Boost型有源功率因数校正主电路的设计 5
2.3.2 Boost型有源功率因数校正控制策略的选择 7
2.3.3 Boost型有源功率因数校正控制电路的设计 9
第3章 全桥LLC谐振变换器的设计 16
3.1 谐振变换器 16
3.2 全桥LLC谐振变换器 16
3.2.1 全桥LLC谐振变换器的主电路 16
3.2.2 全桥LLC 谐振变换器的等效电路模型的建立和分析 17
3.3 全桥LLC谐振变换器设计 19
3.3.1 全桥LLC谐振变换器主电路设计 19
3.3.2 全桥LLC谐振变换器控制策略的选择 21
3.3.3 全桥LLC谐振变换器控制电路的设计 21
第4章 双路输出部分电路的设计 25
4.1 LED负载供电电路的设计 25
4.2 蓄电池充电电路的设计 26
第5章 LED驱动电源的仿真结果与分析 29
5.1 Boost型有源功率因数校正电路的仿真 29
5.2 全桥LLC谐振变换器的仿真 30
5.3 双路输出部分的仿真 31
5.3.1 LED负载供电电路的仿真 31
5.3.2 蓄电池充电电路的仿真 32
第6章 总结与展望 34
6.1 全文总结 34
6.2 工作展望 34
参考文献 36
附录 37
致 谢 41
第1章 绪论
1.1 课题研究背景及意义
随着社会的发展,人们已经对能源的依赖越来越强,但是由此导致能源危机日益凸显,而且人类对能源的需求不断提高,节能环保经济将成为21世纪社会发展的主旋律。电能作为众多能源中清洁、高效并且便利的终端载体,其所占总能源消耗的比例也正不断提高。但面对传统能源不够用而新能源又未能大量产业化的现状下,节能这一热点就很快成为了人人口中的话题,也成为了一个热门的研究方向。而且在人们的日常生活中,电力是不可或缺的。根据资料显示,照明用电消耗的能源约占世界总能源消耗的20%左右,而我国照明用电量约占全社会的15%左右[1]。现在人们发现LED有很多优点,比如节能这一点就值得被关注,称为绿色光源,被普遍应用在当今社会的各项领域[2]。
由于LED驱动电路关系到整个LED照明系统性能的可靠性,特别是被用来照明并且对可靠性要求较高的公共场合,比如隧道和道路照明,由于在这种公共场合下LED常年曝露在外,而且所处的环境也很差,如果LED有损坏,维修人员也无法及时赶来,而且维修起来也比较困难,在这种情况下就很容易发生一些事故[3]。因此,为了从源头解决这一问题,这就使得LED驱动电路的研究面临更大的挑战,以LED灯其独特的电气特性而言,就需要所设计的LED驱动系统能够准确地控制输出电流。从目前来看,最常使用的恒定电压驱动电路具有电流稳定能力较差的缺点,这导致大大缩短LED的使用寿命。LED驱动电源根据电源类型的不同可以将分成DC/DC和AC/DC,DC/DC驱动器的电源通常从稳定的直流电压获取,AC/DC驱动器的电源则直接从电网获取[4]。从目前来看,从直流输入的LED驱动电源由于现世地比较早,技术相对成熟,但是从电网输入的LED驱动电源,降压的方式大部分采用电容或工频变压器。这样的LED驱动电源内部器件比较多,体积一般比较大,而且输出的电流稳定性差,因此这种的不常用,所以目前针对由电网输入的降压驱动电路是当前LED驱动电源研究中的一个困难点。另外,由于理论上LED的寿命应该很长,将近9万小时,所以就需要LED驱动电源性能非常优越。所以,对LED驱动电源进行研究讨论具有很大的必要[5]。
1.2 国内外研究现状
目前,LED驱动电源基于开关电源的开发,将电源转换形态后,并通过反馈使输出电压和输出电流适应要求[6]。随着相关半导体技术的迅速发展,大功率LED驱动电源技术逐渐被引起重视。其中照明系统的输出特性取决于驱动电源的性能,是高性能LED照明技术的核心[7]。驱动电源的稳定性是必不可少的,因为任何电源都必须使整个系统的运行是安全的;而高效率意味着更少的功率损耗和更少的发热,这有助于延长LED的使用寿命。而且照明所用的LED大部分是电流驱动型的器件,其亮度与流过的电流呈比例关系[8]。
而目前从对LED驱动电源的控制方面来看,现在有很多公司专门设计用于LED驱动电源的控制芯片,在中国国内有点晶、宏晶等公司,国外有安默生、国家半导体等公司,而这些控制芯片可以根据使用场合的不同分为单级驱动方案型和多级驱动方案型。而其中的单级驱动方案就是在设计时将功率因数校正电路(PFC)与DC/DC变换电路设计集成在一起,让这两个电路共享一个芯片和一个用于控制的开关管,这将简化微电路的外围电路的设计并减少组件的数量,这将导致LED驱动器的电源尺寸减小,进而节约了成本。此外,单级驱动方案下的LED驱动电源使用的拓扑结构更加灵活,但是这种单级驱动方式仍然存在很多问题,例如效率低和功率因数不太高等问题,因此该方式通常与低功率LED一起使用。通常,对于高功率LED电源,需要超过50瓦。使用这类LED驱动器的电源,例如舞台灯和大型活动灯,由于其负载端可能是大量的LED灯,因此需要恒定电流输出,以确保所有负载均流,以达到要求。这种LED电源多级驱动方式的拓扑通常是三层结构,第一步是功率因数校正电路,第二步是一个隔离式的转换器,第三步使用恒流模块来使输出电流分布均匀[9]。
然而,随着DC/DC转换相关技术的发展,小型化、高频率和具有软开关技术的谐振转换器的集成电路正以这种趋势蔓延,其功率管驱动比较容易实现,转换效率也很高。谐振器开关拓扑有四种类型:PRC谐振系列、SRC谐振系列、LCC谐振系列和LLC谐振系列[10]。
另外,随着LED驱动电源的相关技术发展迅速,人们的需求也越来越细节化和高质量化。其中对于小型控制芯片的需求越来越迫切,因为这种芯片不仅可以减小LED驱动系统的设计成本和体积,而且输出也能得到较高的效率。从目前来看,大功率LED电源的效率通常超过90%,小功率的约为20W,效率可以达到86%左右,并且随着社会发展,各种新兴技术地兴起,也逐渐用于LED驱动电源的设计中以达到更高的效率。此外,由于近年来能源危机日益凸显,为了提高用电效率,大功率LED驱动电源的设计将以其独特的优势迎来更好的发展前景。
1.3 本文主要研究内容
本文从分析LED驱动电源的发展背景及研究意义出发,主要对LED驱动电源进行了相关设计[11]。主要内容如下:
- 介绍了LED驱动电源的发展背景及研究意义,并分析了当前国内外对其的研究现状。
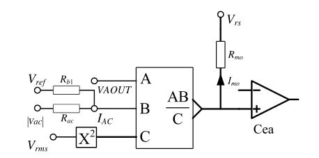
- 分析了功率因数的定义及其校正技术的分类,并且通过对几种功率因数校正技术控制策略的对比确定了所采用的模式,并且介绍了设计过程,包括控制芯片UC3854外围电路的设计和具体参数计算等。
- 介绍了全桥LLC谐振变换器的原理与特性,并论述了设计过程,包括控制芯片UC3683外围电路的设计以及具体的参数计算等。
- 进行了双路输出的设计,一路是LED负载恒流恒压控制电路,另一路是蓄电池充电电路,并且进行了相关电路的设计及其参数的计算等。
- 利用Saber仿真软件对前面所设计的电路搭建了Saber仿真模型,并进行了相关的Saber仿真测试,得到了仿真结果并进行了整理分析,验证了设计的合理性。
- 对本课题进行了总结,并且说明了改进要点。
第2章 功率因数校正电路的设计
2.1 功率因数校正分析
在常规的AC/DC开关电源的设计中,AC输入电路通常接一个全桥整流二极管,并且输出直接接给高电容来滤波。虽然电路简单,但AC输入电压是正弦波,还会产生高峰值电流,这会导致AC输入电流波形的强烈失真,从而产生许多谐波电流。电流输入中包含的许多谐波电流分量会增加输入功率的无功功率,并且大量流回电网的谐波电流会引起一些损害,会损坏电气设备,因此功率因数需要校正。
定义有功功率(P)与视在功率(S)的比值为功率因数(PF),则:
(2.1)
式(2.1)中,为输入电压基波的有效值,为输入电流基波的有效值,为输入电压有效值,为输入电流有效值,为输入市电基波电压、基波电流的相移因数,其中为输入电流畸变因数,则:
(2.2)
请支付后下载全文,论文总字数:28336字
相关图片展示:





您可能感兴趣的文章
- 一种确定磁探针集总电路参数的标定方法外文翻译资料
- 一种人体可接触的大气压低温等离子体射流装置研究(适合电气B方向)毕业论文
- 氩氧中大气压DBD放电特性研究(适合电气B方向)毕业论文
- 大气压氩等离子体射流放电影响因素的仿真研究(适合浦电气B方向)毕业论文
- 含氧高活性均匀DBD改性聚合物薄膜研究(适合浦电气B方向)毕业论文
- 反应器结构对气液两相DBD放电特性的比较(适合浦电气B方向)毕业论文
- 南京某公司研发楼电气设计毕业论文
- 金帆北苑地块经济适用住房——02栋商住楼电气设计(适用于浦电气1004~06A方向学生)毕业论文
- 扬州人武部大楼电气设计毕业论文
- 金帆北苑地块经济适用住房——04栋商住楼电气设计(适用于浦电气1004~06A方向学生)毕业论文


