高功率因数的无刷直流电机驱动器的设计毕业论文
2021-11-25 23:24:53
论文总字数:27830字
摘 要
在全球能源日益紧缺的形势之下,为了达到能效要求,吊扇和换气扇等电器由简单交流感应电机转为无刷直流电机(BLDC)控制。
无刷直流电机之所以在众多领域广泛应用,是因为它不仅不受机械电刷束缚,摆脱了接触不良和摩擦损耗等问题;而且在调速性能上也脱颖而出。为了实现“绿色电网”的发展目标,如何提高电能质量已成为电气行业的热点问题。随之而来的,对具有高功率因数的无刷直流电机驱动器的研究与设计也备受关注。
首先对无刷直流电机控制技术和功率因数校正技术的国内外研究情况与创新前景进行了概述。为了详细阐释FOC(磁场定向控制)算法应用于BLDC控制的全过程,分析和推导了BLDC的工作原理和它在三相坐标和两相坐标下的数学模型。然后对功率因数校正技术进行了理论解析,并根据设计的要求选择了平均电流控制的降压型(Buck)电路作为功率因数校正(PFC)的主电路拓扑。
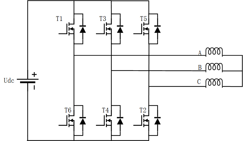
基于理论分析,选用UCC28180和STM32F103RBT6两款控制芯片分别对无刷直流电机驱动器的PFC部分和控制系统部分展开了了设计。其中PFC部分包含了滤波整流、DC-DC变换器等模块;BLDC控制系统部分包含了电源、逆变驱动电路、检测电路等模块。
最后,利用TINA-TI和MATLAB SIMULINK仿真软件分别对两部分的设计进行了仿真实验。分析结果得出的结论是:含PFC的无刷直流电机驱动器在各工况下工作时功率因数可达0.9以上,且静、动态性能较好。
关键词:无刷直流电机;PFC;Buck变换器;UCC28180;FOC;SVPWM
Abstract
Under the situation of global energy shortage, in order to meet the energy efficiency requirements, ceiling fans and ventilators are controlled by BLDC instead of simple AC induction motor.
Brushless dc motor is broadly used in many domains because it is not only free from mechanical brush, but also free from bad contact and friction loss. And in the speed performance also stand out. In order to realize the development goal of "green power grid", how to improve the power quality has become a hot issue in the electric industry. Subsequently, the research and design of brushless dc motor driver with high power factor has also attracted much attention.
Firstly, the research backgrounds and development trend of BLDC motor control technology and power factor correction technology all over the world are illustrated. In order to explain the whole process of applying FOC algorithm to BLDC control in detail, the operating principle and mathematic model of BLDC are deduced. Then the power factor correction (PFC) technology is analyzed theoretically, and the Buck circuit controlled by mean current is selected as the main circuit topology of PFC according to the design requests.
Based on theoretical analysis, two control chips, UCC28180 and STM32F103RBT6, were selected to design the PFC part of the brushless dc motor driver and the control system part respectively. Among them, PFC includes filtering, rectification, dc-dc converter and other modules. The BLDC control system includes modules such as power supply, inverter drive circuit, current detection circuit and position detection circuit.
Finally, TINA-TI and MATLAB SIMULINK were used to simulate the design of the two parts. It is concluded that the power factor of the brushless dc motor driver with PFC can reach more than 0.9 under various working conditions, and its static and dynamic performance is good.
Key Words:BLDC;PFC;Buck Converter;UCC28180;FOC;SVPWM
目 录
第1章 绪论 1
1.1引言 1
1.2 无刷直流电机控制技术发展的现状分析 1
1.3 功率因数校正技术的发展及现状 1
1.3.1 研究意义 1
1.3.2 发展及现状 2
1.4 设计内容与章节安排 3
第2章 无刷直流电机控制理论 4
2.1 无刷直流电机基本原理 4
2.2 无刷直流电机的数学模型 6
2.3无刷直流电机控制策略 7
2.4 FOC在无刷直流电机控制中的应用 7
2.4.1 FOC基本原理 8
2.4.2 坐标变换理论 8
2.4.3 无刷直流电机d-q轴下数学模型 11
2.4.4 基于FOC的转速电流双闭环控制 12
2.4.5 SVPWM技术 13
第3章 功率因数校正技术 18
3.1功率因数校正技术基本原理 18
3.2有源功率因数校正技术主要控制方式 19
3.3 降压(Buck)型功率因数校正电路介绍 20
第4章 高功率因数无刷直流电机驱动器的设计 23
4.1 整体设计方案 23
4.2 PFC部分的设计 23
4.2.1 UCC28180控制芯片介绍 23
4.2.2 功率元件的选型与参数计算 24
4.2.3 硬件电路的设计 26
4.3 BLDC驱动系统部分的设计 29
4.3.1 整体硬件结构 29
4.3.2 主控电路 29
4.3.3 电源电路 30
4.3.4 功率驱动电路 31
4.3.5 相电流检测电路 32
4.3.6 转子角度与转速检测电路 33
第5章 高功率因数无刷直流电机驱动器的仿真验证 34
5.1 PFC部分的仿真模型 34
5.2 PFC部分的仿真结果与分析 35
5.3 BLDC驱动系统的仿真模型 36
5.3.1 逆变器模块 37
5.3.2电机本体模块 37
5.3.3 坐标变换模块 38
5.3.4 SVPWM模块 39
5.4 BLDC驱动系统的仿真结果与分析 40
第6章 总结与展望 44
6.1 总结 44
6.2 展望 44
参考文献 45
致谢 47
第1章 绪论
1.1引言
当今的时代是能源时代,“节约能源、提高效率”是各行各业都致力追求的发展目标,电机行业也不例外。在这样的时代背景下,为了响应号召提高能效,许多家用电器逐渐采用无刷直流电机(BLDC)控制。与此同时,电网稳定性、电能质量和电网的可利用率等问题也受到科研人员的关注,世界范围内IEC555-2、IEC1000-3-2和EN6005-2等标准相继出台,我国在提升电能质量问题上也出台了GB/T14549-93等标准[1]。由此看来对高功率因数的无刷直流电机驱动器的研究具有重要理论意义和实用价值。
1.2 无刷直流电机控制技术发展的现状分析
在这个机械化和自动化的时代里,电机应用于我们生活的方方面面。按驱动电源类型划分,电机的种类可以分为两大类:交流感应电机和直流电机。在对电机转速要求较高的场合下,直流电机应用更广。这是因为与交流电机相比,直流电机的响应速度更快,转速调节能力更好,适应重载的能力更强。但是受机械电刷的负累,传统有刷直流电机存在电磁干扰、噪音和磨损等问题。创新灵感总是在弥补缺陷的过程中迸发出来的,上世纪初,无刷直流电机就已进入大众视野。最初的实现方法为用整流管代替机械电刷换向。半导体技术的发展是无刷直流电机的开发迎来新时代的契机。20世纪50年代中期,哈里森等人首先取得了用可变电流开关换相电路代替机械电刷的专利权,现代BLDC电机诞生了。1978年, MANNESMANN公司推出MAC永磁无刷直流电动机及其驱动系统, 标志着永磁无刷直流电机真正进入了实用阶段[2]。八十年代中期,直流无刷电机的方波控制理论被波尔顿进行了全面总结,但由于方波驱动的过程中存在噪声大和转矩脉动大的问题,后来又出现了正弦波驱动。
当下,无刷直流电机驱动系统正逐渐向小型化、智能化和脉宽调制控制高效化方向发展。矢量控制、DTC控制和Fuzzy PID控制等算法层出不穷,无感技术和转矩脉动抑制等方向是该领域最受关注的研究方向。
1.3 功率因数校正技术的发展及现状
1.3.1 研究意义
电机的控制中会涉及到各种电力电子装置的应用,整流桥作为一种传统的AC-DC转换装置被广泛应用于调速驱动系统中[3]。从电机输入的大峰值电流中获得高值电流的二极管桥式整流器,会导致整个电路具有极高的谐波失真和低为0.7的功率因数。根据国际电能质量标准,如IEC 61000-3-2,这种低功率因数值是不可接受的。此外,传统不控整流电路还具有启动时冲击电流大,输入电流波形畸变,谐波含量高等缺点,这会对电网质量带来严重的污染。现代功率因数校正技术可以使输入电流正弦化,跟随电源电压波形,有效抑制谐波的产生。因此,研究功率因数校正转换器,对改善交流电源的电能质量具有重要意义。
1.3.2 发展及现状
功率因数校正技术最早出现在人们视野中是以无源功率因数校正(Passive Power Factor Correction,PPFC)的形式。无源功率因数校正电路的结构简单且无需控制,整流电路前端加一个电感即可实现,但其具有很多显著的缺点。它的体积大、质量大、成本高并且功率因数提高效果不明显,对谐波电流的抑制作用不够强。此外,负载的大小、输入电压的频率以及输入电压的大小都会影响到校正电路的整体性能,因此通常只适用于功率小,对重量和体积没有要求的场合[4]。
有源功率因数校正技术(Active Power Factor Correction,APFC)于20世纪80年代登上历史舞台,得益于电力电子开关管的更新换代。功率因数校正技术的发展就此迈入新的阶段。与PPFC电路相比,APFC电路的体积更小、质量更轻,应用场合更广泛。在功率因数的提高上,APFC的调制效果显然更好,在某种程度下经校正后的系统可近似看作理想线性系统。
请支付后下载全文,论文总字数:27830字
相关图片展示:





您可能感兴趣的文章
- 一种确定磁探针集总电路参数的标定方法外文翻译资料
- 一种人体可接触的大气压低温等离子体射流装置研究(适合电气B方向)毕业论文
- 氩氧中大气压DBD放电特性研究(适合电气B方向)毕业论文
- 大气压氩等离子体射流放电影响因素的仿真研究(适合浦电气B方向)毕业论文
- 含氧高活性均匀DBD改性聚合物薄膜研究(适合浦电气B方向)毕业论文
- 反应器结构对气液两相DBD放电特性的比较(适合浦电气B方向)毕业论文
- 南京某公司研发楼电气设计毕业论文
- 金帆北苑地块经济适用住房——02栋商住楼电气设计(适用于浦电气1004~06A方向学生)毕业论文
- 扬州人武部大楼电气设计毕业论文
- 金帆北苑地块经济适用住房——04栋商住楼电气设计(适用于浦电气1004~06A方向学生)毕业论文

 
         
            
