磁谐振无线电能传输系统频率跟踪失谐控制设计毕业论文
2021-11-25 23:17:35
论文总字数:25271字
摘 要
磁谐振式无线电能传输(Magnetic Coupling Resonant Wireless Power Transfer,MCR-WPT)技术是近年的一个值得关注和研究的热点技术,相对于传统电能传输技术优势显著,比如:相对更安全、电能传输效率高、更强的环境适应性而且更便捷。作为近年的一个重要的科技突破,磁谐振式无线电能传输技术的应用前景广泛,如交通运输、医疗和通信等领域均有实际价值。本文将对磁谐振式无线电能传输技术的相关工作主要有一下几个方面:1、对磁谐振式无线电能传输系统的传输原理进行详细介绍,并搭建系统电路模型,分析磁谐振式无线电能传输系统的电路传输性能。2、为了获得更好的频率跟踪效果且使磁谐振式无线电能传输系统在距离扰动下的输出功率波动较小,通过建模Simulink仿真分别讨论分析了基于微分锁相环的PID控制和基于微分锁相环的自抗扰控制两种控制策略的控制性能。其中的微分鉴相环节实现鉴相功能,能获得精准的相位误差信号。其中相位控制环节通过控制输出相位差来实现失谐补偿。3、对PID控制和自抗扰控制的磁谐振式无线电能传输系统进行鲁棒性分析,表明该控制系统具有良好的稳定性。
关键字:磁谐振;自抗扰控制;频率跟踪;失谐控制;鲁棒性
Frequency Tracking Detuning Control of Magnetic Resonant Wireless Power Transfer System
Abstract
The technology of Magnetic Coupling Resonant Wireless Power Transfer (MCR-WPT) is a hot topic worthy of attention and research in recent years. Compared with the traditional Power transmission technology, it has significant advantages, such as: relatively more secure, high Power transmission efficiency, stronger environmental adaptability and more convenient.As an important scientific and technological breakthrough in recent years, The technology of Magnetic Coupling Resonant Wireless Power Transfer has a wide application prospect, such as transportation, medical and communication fields have practical value.In this thesis, the related work of The technology of Magnetic Coupling Resonant Wireless Power Transfer mainly includes the following aspects: 1. The transmission principle of Magnetic Coupling Resonant Wireless Power Transfer system is introduced in detail, and the circuit model of the system is built to analyze the circuit transmission performance of Magnetic Coupling Resonant Wireless Power Transfer system.2. In order to obtain better frequency tracking effect and make the output power fluctuation of the magnetically coupled resonant radio energy transmission system less under the range disturbance, the control performance of PID control based on differential phase-locked loop and adrc based on differential phase-locked loop are discussed and analyzed respectively through modeling Simulink simulation.The differential phase discrimination part can realize the phase discrimination function and obtain the accurate phase error signal.The phase control is realized by controlling the output phase difference.3. The robust analysis of the magnetic coupled resonant radio energy transmission system based on PID control and adrc shows that the control system has good stability.
Key words: Magnetic resonance;ADRC;Frequency tracking;Mismatch control;Robust analysis
目录
第一章 绪论 1
1.1 国内外研究现状 2
1.2频率跟踪技术及失谐控制技术 2
1.3本文研究内容 3
第二章 磁耦合谐振式无线电能传输系统拓扑模型及分析 4
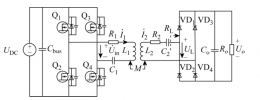
2.1 串串谐振模型主电路拓扑 4
2.2 功率特性分析 6
2.3 小结 7
第三章 磁谐振无线电能传输系统频率跟踪失谐控制策略 8
3.1 PID控制策略 8
3.2自抗扰控制 13
3.2.1自抗扰控制策略 14
3.2.2自抗扰控制算法 15
3.2.3 自抗扰控制simulink仿真模型 16
3.3 小结 20
第四章 控制系统性能分析 21
4.1 PID控制器与自抗扰控制器滤波性能分析 21
4.2保证初级失谐和次级谐振性能分析 23
4.2.1响应速度及跟踪频率 23
4.2.2 传输距离变化时失谐相位控制分析 24
4.3逆变输出功率及其波动程度 27
4.4 传输距离变化时的传输性能 28
4.5 小结 31
第五章 PID控制和自抗扰控制的抗扰及鲁棒性分析 32
5.1 抗扰性能 32
5.2 鲁棒性 35
5.3小结 36
第六章 结论与展望 37
参考文献 38
致谢 40
第一章 绪论
自从世界从蒸汽时代进入了电气化时代,电能传输在社会生产生活中扮演的角色愈加重要。电能传输指从发电厂或者电源传输到某处的一种方式。早期大多工程师致力于直流电传输的研究,后来随着研究的深入和技术逐渐成熟,改为交流输电。相对与直流输电,交流输电的优势明显:不仅可以减少电能传输的损耗还增加了传输距离及提高电能传输速度。现在的电力系统,传统电力传输中交流输电占据主要地位。
随着社会生产力的不断发展,社会现代化的持续发展和电气化程度不断提高,在电能传输领域已经广泛应用了传统的接触式电能传输方式,而且发展得十分成熟,但是难以解决的问题仍然层出不穷。在传统电能传输技术多处受限时,无线电能传输技术显得更为迫切,加上相关理论和技术的不断发展,国内外研究者已经把无线电能传输技术作为一个值得关注的研究课题。无线电能传输是一种新的电能传输技术,通过不同的介质,无线电能传输技术可以摆脱电能传输对导线的依赖,而且对解决电能的两个自身缺点有很大帮助。相对于传统电能传输技术,无线电能传输(Wireless Power Transfer,WPT)技术有许多优点,比如安全、便携、灵活性高、更高效和更强的环境适应性,在生活生产各个领域如交通运输领域的电动汽车、通信领域的无线充电和航空航天领域等具有广泛的应用前景,有明确的实际应用价值。所以研究者们也在这些不同的领域进行不懈的研究,相信通过研究者的努力,无线电能传输彻底取缔传统的电能传输方式的梦想将会在未来实现,而且能很大程度地改变人们的生活水平和生活方式。
无线电能传输技术有三种基本形式:适用于短距离的传输技术:感应耦合电能传输技术(Inductively Coupled Power Transmission,ICPT);适用于中距离的传输技术:磁耦合谐振式无线电能传输(Magnetic Coupling Resonant Wireless Power Transfer,MCR-WPT)技术;适用于长距离的传输技术:微波电能传输技术 (Microwave Power Transmission,MPT)[1]。其中的磁谐振式无线电能传输(MCR-WPT)技术为无线电能传输的一个重要研究领域,这种技术利用电磁谐振原理,在特定的电源工作频率下,使具有相同的谐振频率的发射端线圈和接收端线圈发生共振,其电能传输的介质是磁场,通过谐振耦合的方式实现无线电能传输。MCR-WPT技术在中距离的电能传输时传输效率更高、传输功率大而且供电相对安全,相对于ICPT技术和MPT技术,应用领域更广泛、致力于该技术研究的学者较多,其中包括如何精准跟踪MCR-WPT系统谐振频率、实现较小传输功率波动等的研究。
1.1 国内外研究现状
关于无线电能传输的设想,由特斯拉首先提出,但是由于各种条件制约以及其他客观因素的限制无法成功实现。随后由雷声公司的研究者布朗,为这一设想提供了充足的实验数据和理论研究,让这个设想成为现实。布朗的研究推动了无线电能传输技术的发展。2007年麻省理工团队对磁耦合无线电能传输系统搭建模型,将60W灯泡成功点亮,这次成功的实验让更多学者关注到磁耦合无线电能传输技术。2008年英特尔的研究小组设计的一款无线电能传输装置,60W的灯泡与发射器相距1米时传输效率高达75%。2009年日本学者Takehiro Imura设计的电动汽车无线电能传输装置传输效率最高可达96%。2010年,韩国学者通过实验验证了两个超导线圈之间的磁谐振无线电能传输机理,2013年这个团队对4个线圈的超导磁谐振无线电能传输进行了实验[2]。
无线电能传输技术的研究在国内同样有众多大学和研究机构进行研究,如华南理工大学、东南大学、中科院电工所等。华南理工大学张波教授课题组对磁谐振无线电能传输系统的传输性能与传输距离和互感量等参数的关系进行了研究,率先提出了频率跟踪方法。东南大学黄学良教授的团队对谐振无线电能传输进行研究,基于频率控制技术实现了60%的稳定传输效率。中国科协多次召开WPT技术主题学术活动,为推动国内无线电能传输技术的理论探索与应用研究做了突出贡献。如何提高传输效率,是国内对磁耦合谐振式无线电能传输系统的多数研究的目的,国内学者多数通过做基于硬件的研究来实现。随着关注度的提高,近年磁耦合谐振式无线电能传输(MCR-WPT)技术在国内的发展势头良好。
从国内国外对无线电能传输技术的研究情况来看,磁耦合谐振式无线电能传输技术已经有了充足的基础理论[3]。研究方向也从机理研究、拓扑分析、参数调试等面慢慢转到实际应用当中并设计出了大量的实际产品。但是传输功率波动、传输距离等问题,在磁谐振式无线电能传输技术仍难以避免,为了提高无线电能的传输效率和稳定性等性能,国内外学者不仅通过电路理论和耦合理论进行了研究,还从功率能量的角度进行许多研究。
请支付后下载全文,论文总字数:25271字
相关图片展示:





您可能感兴趣的文章
- 一种确定磁探针集总电路参数的标定方法外文翻译资料
- 一种人体可接触的大气压低温等离子体射流装置研究(适合电气B方向)毕业论文
- 氩氧中大气压DBD放电特性研究(适合电气B方向)毕业论文
- 大气压氩等离子体射流放电影响因素的仿真研究(适合浦电气B方向)毕业论文
- 含氧高活性均匀DBD改性聚合物薄膜研究(适合浦电气B方向)毕业论文
- 反应器结构对气液两相DBD放电特性的比较(适合浦电气B方向)毕业论文
- 南京某公司研发楼电气设计毕业论文
- 金帆北苑地块经济适用住房——02栋商住楼电气设计(适用于浦电气1004~06A方向学生)毕业论文
- 扬州人武部大楼电气设计毕业论文
- 金帆北苑地块经济适用住房——04栋商住楼电气设计(适用于浦电气1004~06A方向学生)毕业论文


