电力系统负荷模型的有效性评估及校准毕业论文
2020-05-24 12:33:36
摘 要
为了保障电力系统能够稳定运行,对其研究不可能通过频繁的试验来进行。其研究、规划、设计和运行往往都直接参考于仿真结果,因而仿真结果的准确性将直接关系到决策的科学性。电力系统的动态行为与电力系统负荷模型息息相关,对仿真而言,负荷模型有效与否将会直接对仿真结果造成影响。由于电力技术的飞速提高,电力网络结构变得复杂,负荷节点的规模变得十分庞大,其自身所具备的时变、分散、多样的特性更是造成了精确模型的获得变得相当艰难。
多年以来,在对电力系统的仿真过程中经常使用恒定阻抗、恒定电流、恒定功率的组合模型,此类模型往往精度不高。为了能够更加真实的反映电力系统负荷的实际动态特征,人们又提出了感应电动机模型、幂函数模型,上述的这些负荷模型的提出更加加大了仿真过程中对模型的选择余地。本文从模型结构和参数对电力系统暂态稳定计算的影响的角度出发,研究了负荷模的有效性的评估及校准方法。本文基于故障拟合法展开研究,在PSASP仿真平台中搭建了IEEE-39节点仿真系统。设置了输电线路三相短路故障的情形,对
负荷模型的参数进行了校准研究。
关键词:电力系统 负荷模型 故障拟合 模型有效性 特征向量 参数校准
Power System Load Model Validation and Calibration
Abstract
In order to ensure the operation safety of power system, it is impossible to study the power system through frequent testing. Its research, planning, design and operation are directly referred to the simulation results, so the accuracy of the simulation results will be directly related to the scientific decision-making. The dynamic behavior of power system is closely related to the power system load model. The load model is effective or not will directly affect the simulation results. Due to the rapid development of power industry, power grid structure has become more complex, the number of the power system load bus becomes very large. Time variability, diversity, and diversity of load make it difficult to establish a precise load model.
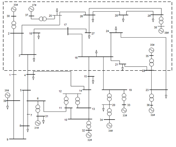
For many years, the combined model of constant impedance, constant current and constant power is often used in the simulation of power system. This kind of model is often not accurate. In order to reflect the actual dynamic characteristics of power system load more realistically, it is proposed the polynomial model, induction motor model, power function model of load model, greatly enrich the process simulation of the load model selection. In this paper, from the point of view of the influence of load model structure and parameters on power system transient stability, this paper studies the evaluation and calibration method of the effectiveness of power system load modules. In this paper, modeling analysis is based on failure fitting method. In the PSASP simulation platform models the New England 10-Machine 39 Bus simulation system. In the case of three-phase short circuit fault of transmission line, the parameters of ZIP load model of CLM load model are calibrated in this paper.
Key Words: Power System Load Model; Fault Fitting Method; Model Validity; Feature Vector; Parameter Calibration
目 录
摘 要 I
ABSTRACT II
第一章 绪论 1
1.1 选题背景 1
1.2 负荷模型对仿真计算的影响 1
1.3 负荷模型的有效性研究的发展 2
1.3.1 国外负荷模型有效性的研究 2
1.3.2 国内负荷模型有效性的研究 3
第二章 电力系统负荷建模理论 4
2.1 负荷建模的方法 4
2.1.1 统计综合法 4
2.1.2 总体测辨法 6
2.1.3 故障拟合法 7
2.2 负荷模型结构的选择 8
2.2.1 电力系统静态负荷模型 8
2.2.2 机理式动态负荷模型 9
2.2.3 非机理式动态负荷模型 12
2.2.4 负荷模型结构的选择原则 12
2.3 参数辨识的常用方法 13
2.3.1 最小二乘法 13
2.3.2 卡尔曼滤波法 15
2.3.3 遗传算法 15
第三章 电力系统负荷模型有效性的评估方法 17
3.1 负荷模型的定性定量评估 17
3.2 系统相似度原理 17
3.3 时间序列相似度计算 18
3.3.1 基于残差分析的数值相似度 18
3.3.2 基于相关系数的形状相似度 20
3.4 负荷模型的有效性评估 21
第四章 基于故障仿真的负荷模型参数校准 23
4.1 仿真平台的搭建 23
4.1.1 仿真系统的数据准备 23
4.1.2 校准负荷区域的选定 26
4.2 基于K-means算法的负荷分类 28
4.2.1 K-means聚类算法 28
4.2.2 特征向量的选取 30
4.2.3 负荷聚类结果 31
4.3 故障设置 33
4.4 递推最小二乘法 35
4.5 参数校准算例 37
第五章 总结 47
参考文献 49
附 录 53
附录1 基于K-means聚类算法的MATLAB程序 53
附录2 基于递推最小二乘算法的MATLAB程序 55
致 谢 61
第一章 绪论
1.1 选题背景
因为电网暂态过程的快速性,其中任意一个元件出现问题都可能瞬间波及整个电网,从而影响电网的稳定运行,因而对电力系统的研究不可能通过频繁的试验来进行。现阶段而言,电力系统的数字仿真已经成为电力系统的研究工作的首选手段。仿真结果的准确性将会直接影响决策的科学性,倘若仿真结果与实际结果并不匹配,可能会造成决策过于乐观或悲观,从而造成经济浪费或是致使系统运行在危险状态。只有使得仿真结果与实际的电网行为相接近,才能让依赖于仿真的决策更加合理[1]。
分散多样的负荷除了会随时间或气候有规律的变化外,还会因为各种因素的影响随机变化。并且在试图通过数学方法描述负荷时发现,线性模型无法解释负荷对电力系统运行的影响,这表明负荷具有很强的非线性特征。这些特征使得负荷模型的发展远远落后于发电机及其励磁系统的模型的发展。目前,仿真中所应用的负荷模型仍然十分简单粗糙,某些情形下,人们对负荷模型的重要性的认识仍然不足,负荷模型逐渐成为了制约电力仿真精度的短板。文献[2-13]向我们揭示了负荷模型的重要性,负荷模型在电力系统的多种计算中都有多重影响。
1.2 负荷模型对仿真计算的影响
负荷的特征对多种仿真的结果会有影响[14]:
相关图片展示:







您可能感兴趣的文章
- 一种确定磁探针集总电路参数的标定方法外文翻译资料
 - 一种人体可接触的大气压低温等离子体射流装置研究(适合电气B方向)毕业论文
 - 氩氧中大气压DBD放电特性研究(适合电气B方向)毕业论文
 - 大气压氩等离子体射流放电影响因素的仿真研究(适合浦电气B方向)毕业论文
 - 含氧高活性均匀DBD改性聚合物薄膜研究(适合浦电气B方向)毕业论文
 - 反应器结构对气液两相DBD放电特性的比较(适合浦电气B方向)毕业论文
 - 南京某公司研发楼电气设计毕业论文
 - 金帆北苑地块经济适用住房——02栋商住楼电气设计(适用于浦电气1004~06A方向学生)毕业论文
 - 扬州人武部大楼电气设计毕业论文
 - 金帆北苑地块经济适用住房——04栋商住楼电气设计(适用于浦电气1004~06A方向学生)毕业论文
 

        
            
