多机电力系统的建模与分析毕业论文
2020-05-24 12:33:17
摘 要
由不同类型发电机组、多种电力负荷、不同电压等级电力网络等组成庞大切特别复杂的动力学系统,被称之为多机电力系统。其暂态过渡过程不仅包括机电方面的过渡过程,而且还有电磁方面的过渡过程。在仿真中使用简单的电力系统模型,通过仿真计算分析说明,此仿真方法可以进行简单的电力系统分析,对提高电力系统稳定具有重要意义。
电力系统仿真已经成为电力系统设计、运行和控制中最为常用的一种方法。
本文主要通过MATLAB软件进行电力系统的仿真环境下,首先做出单机电力系统的仿真,然后再做出多机电力系统的仿真。并对其故障原因进行分析,最后得出结论。
关键词:多机电力系统 MATLAB 仿真 建模
Modeling and analysis of multi machine power system
Abstract
Multi machine power system is consists of different types of generators, all sorts of power load, different voltage levels of power network consisting of very large complex dynamic system. The transient process includes not only electromagnetic transient process, and electromechanical transient process. Thus, the mathematical model of the power system is a strong nonlinear high dimensional state equations. Using simple power system model in dynamic stability simulation. Through simulation analysis shows that, this method can be a simple power system transient analysis, to improve the transient stability of power system has important significance.
Power system simulation has become one of the most commonly used methods in the design, operation and control of power system.This paper mainly through the MATLAB software for power system simulation environment, first of all to make the simulation of a single machine power system, and then make the simulation of multi machine power system. And the cause of the fault analysis, finally draws the conclusion.
Key words: multi machine power system MATLAB simulation modeling
目录
摘要
ABSTRACT
- 绪论..................................................................................1
 
1.1研究背景及意义............................................1
1.2 国内外研究现状............................................2
1.3本论文研究内容............................................2
- 电力系统仿真和MATLAB.......................3
 
2.1电力系统的仿真............................................3
2.2 MATLAB软件介绍...........................................4
2.3基于MATLAB的SIMULINK仿真模块............................5
- 单机电力系统仿真模型的建立与分析...........9
 
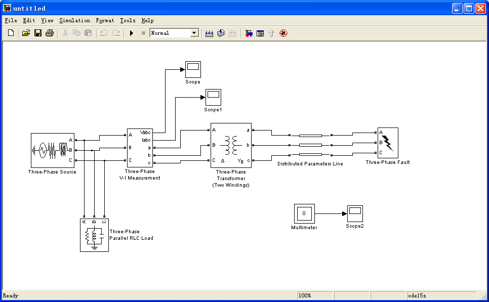
3.1单机电力系统仿真模型......................................9
3.2仿真参数设置.............................................10
3.3单机电力系统仿真结果分析.................................12
- 多机电力系统仿真模型的建立与分析..........25
 
4.1对于单机系统与多机系统的假设.............................25
4.2多机电力系统仿真模型.....................................25
4.3仿真参数设置.............................................25
4.4多机电力系统仿真结果分析.................................26
- 总结......................................32
 
致谢.............................................33
参考文献.........................................34
第一章 绪论
1.1研究背景及意义
相关图片展示:







您可能感兴趣的文章
- 一种确定磁探针集总电路参数的标定方法外文翻译资料
 - 一种人体可接触的大气压低温等离子体射流装置研究(适合电气B方向)毕业论文
 - 氩氧中大气压DBD放电特性研究(适合电气B方向)毕业论文
 - 大气压氩等离子体射流放电影响因素的仿真研究(适合浦电气B方向)毕业论文
 - 含氧高活性均匀DBD改性聚合物薄膜研究(适合浦电气B方向)毕业论文
 - 反应器结构对气液两相DBD放电特性的比较(适合浦电气B方向)毕业论文
 - 南京某公司研发楼电气设计毕业论文
 - 金帆北苑地块经济适用住房——02栋商住楼电气设计(适用于浦电气1004~06A方向学生)毕业论文
 - 扬州人武部大楼电气设计毕业论文
 - 金帆北苑地块经济适用住房——04栋商住楼电气设计(适用于浦电气1004~06A方向学生)毕业论文
 

        
            
