过氧化氢法生产环氧丙烷安全设计毕业论文
2020-07-11 18:22:23
摘 要
环氧丙烷(PO)又称氧化丙烯或甲基环氧乙烷,是一种重要的有机化工原料,其全球产能已超过 1000 万 t/a,目前已经超过丙烯腈而成为仅次于聚丙烯的第二大丙烯衍生物。PO 主要用于生产聚醚多元醇(PPG)、丙二醇(PG)、丙二醇醚、碳酸丙 烯酯、异丙醇胺、1,4-丁二醇以及丙烯醇等,是非离子表面活性剂、破乳剂、乳化剂等的主要原料,在汽车、建筑、食品、烟草、医药及化妆品等行业具有广泛应用[1]。本文根据工艺特点以及相关设计标准规范,从工艺原理、带控制节点的工艺流程图设计、安全联锁装置设计、消防安全设计、危险因素及重大危险源辨识、危险性分析、有毒气体及可燃气体检测设计等方面阐述了HPPO工艺的安全设计。
关键词:HPPO 危险性分析 安全设计
Production of propylene oxide by hydrogen peroxide method
Abstract
Propylene oxide (PO), also known as oxypropylene or methyl oxirane, is an important organic chemical raw material. Its global production capacity has exceeded 10 million t/a, and it has now surpassed acrylonitrile as the only one. The second largest propylene derivative in polypropylene. PO is mainly used in the production of polyether polyol (PPG), propylene glycol (PG), propylene glycol ether, propylene carbonate, isopropanolamine, 1,4-butanediol, and allyl alcohol. It is a non-ionic surfactant and demulsifier. The main raw materials such as emulsifiers are widely used in the automotive, construction, food, tobacco, pharmaceutical and cosmetic industries. This article is based on process characteristics and related design standard specifications, from process principles, process flow chart design with control nodes, safety interlock device design, fire safety design, risk factors and identification of major hazards, hazard analysis, toxic gases and flammable gases Test design and other aspects elaborated the safe design of HPPO process.
Key Words: HPPO;risk analysis;safety design.
目 录
摘 要 I
Abstract II
引言 1
第一章 总论 2
1.1国内外PO生产现状 2
1.1.1 氯醇法生产工艺 2
1.1.2.共氧化法 3
1.1.3.异丙苯氧化法(CHP) 3
1.1.4.HPPO法 4
1.2 国内外HPPO工艺对比 4
1.2.1 BASF 和DOW研发的HPPO工艺 4
1.2.2赢创工业集团和伍德公司研发的HPPO技术 5
1.2.3中石化自主研发技术 6
1.2.4大连多相触媒有限公司自主研发技术 6
1.3工艺反应原理 6
1.4工艺主要原料和产品 7
第二章 工艺概述 9
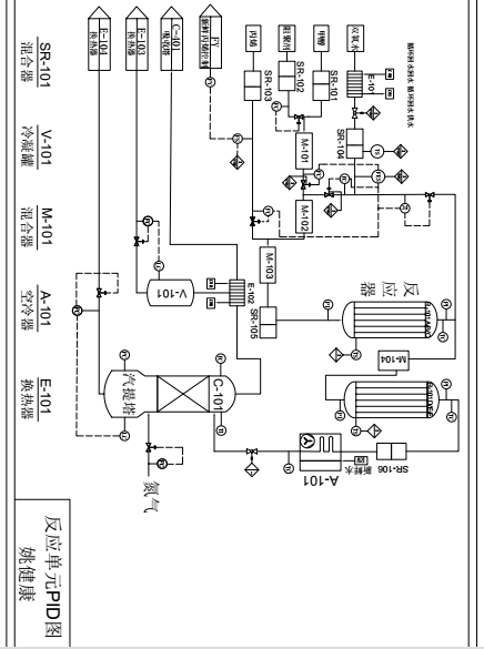
2.1反应单元 9
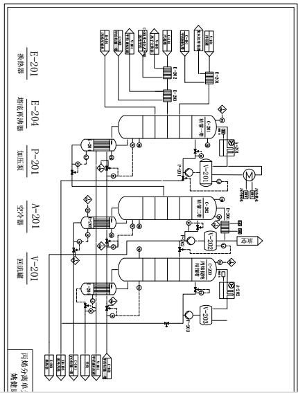
2.2丙烯分离单元 10
2.3环氧丙烷分离单元 11
2.4甲醇回收单元 13
第三章 工艺危险性分析 16
3.1.物料危险性分析 16
3.2 生产过程中的危险有害因素分析 18
3.2.1火灾爆炸危险性 18
3.2.2物理爆炸 20
3.2.3窒息中毒性 20
3.2.4 灼烫伤害 20
3.3重大危险源分析 21
3.4 工艺HAZOP分析 23
3.4.1 反应单元的HAZOP分析 23
3.4.2 丙烯分离单元HAZOP分析 33
3.4.3 PO分离单元 39
3.4.4 甲醇分离单元 47
第四章 PO罐区设计 54
4.1 储罐的选型 54
4.2储罐选材 54
4.3设计参数 55
4.3.1结构设计 55
4.3.2 压力设计 56
4.3.3壁厚设计 57
4.4 PO储罐区消防设计 57
4.4.1消防用水量 58
4.4.2 水喷雾系统 58
4.4.3灭火器材选择 61
4.5罐区爆炸防火分区划分 62
4.5.1火灾爆炸危险区域划分和依据 62
4.5.2 划分因素分析 62
4.5.3区域划分 63
结束语 64
参考文献 65
引 言
近年来,由于PO在世界化工领域的应用越来越广泛,特别是可利用PO和二氧化碳合成聚碳酸丙烯酯(PPC),PPC是一种可生物降解的塑料。这种工艺原料简单、廉价而且对环境友好十分具有发展前景。在这种情况下,全球PO的需求量不断上升,极大推动了世界PO产能的增加,使之从2005年的6800kt/a增长到2014年的10625kt/a。目前世界生产PO的工艺主要包括氯醇法、共氧化法、异丙苯氧化法(CHP)、过氧化氢直接氧化法(HPPO)等。而HPPO作为一种清洁无副产品的PO生产工艺,其不论是从经济效益还是环境保护方面来看都具有十分广阔的前景,是近年来国内外各大化工企业争相研发的对象。
到目前为止,全世界掌握HPPO核心技术并建有工业化生产装置的生产商只有BASF–Dow、 Evonik–Uhde和中石化长岭石化3家,而我国对于HPPO工艺的研发起步较晚,发展也较为缓慢,2007年华东理工大学与大沽化工联合研发了国内第一套产能为1 500 t/a 的模型装置。中国吉林神华有限公司通过购买 Evonik–Uhde 公司的技术,在吉林建成一套 30 万 t/a 的HPPO装置。中石化长岭分公司采用中石化石油化工科学研究院开发的催化剂和小试工艺进行了中试放大,其10万 t/a HPPO工业化装置于2014年12月成功投产,并生产出合格产品。该装置也是国内第一套自主研发并具有完全知识产权的HPPO装置,打破了国外对该技术的垄断。
可以看出我国的HPPO工艺技术虽然有所发展但是还并不成熟,在安全生产体系有待完善,本文主要从工艺生产的安全隐患方面阐述HPPO工艺安全设计。
第一章 总论
1.1国内外PO生产现状
目前,世界上生产PO的主要方法,也是最成熟的方法有氯醇法和共氧化法 (Halcon法),这两种生产工艺的产量占到世界PO产量的90%以上。异丙苯氧化法(CHP)以及HPPO法是近十年来国内外开发的PO清洁生产工艺。2014 年国内外主要PO生产商的产能见表1-1[1]。
相关图片展示:








        
            
