MRNC-255 型数控转台试验转台静态加载系统设计毕业论文
2020-07-15 21:18:42
摘 要
数控转台是数控机床的重要组件之一,其负重的大小及精度的保持性将直接决定工件加工的大小和质量。对数控转台试验台进行模拟加载控制,可以降低试验成本,减少试验时间,可以更好的模拟出物体在转台上的受力情况。这样可以提高产品精度的稳定性以及整体数控机床的整体性,同时也为日后改进数控转台打下基础。
论文以MRNC-255型数控转台试验台为研究对象,完成了以下工作:
- 对数控转台试验台的控制系统的方案设计进行论证。确定了控制系统以及PLC的选择。
 - 对控制系统的硬件进行选型。包括PLC的选择,压力传感器和工控机等的选型,总线方式等。
 - 完成了PLC S7-200编程软件的使用,包括PLC控制液压油缸的加载,以及调节三个方向的力的大小,模拟出转台静态加载。
 
本静态加载系统主要利用三个液压油缸进行模拟加载,用PLC对液压系统进行调节控制,验证出静态加载系统的可行性。
关键词:数控转台 试验台 PLC 控制系统 液压系统
Design of Static Loading System for MRNC-255 Type CNC Turntable
ABSTRACT
The numerical control rotary table is one of the important components of the numerical control machine tool, its weight size and the precision maintainability will determine the size and the quality of the workpiece processing directly. The simulation loading control of the numerical control turntable test stand can reduce the test cost, reduce the test time, and can better simulate the stress of the object on the turntable. This can improve the stability of product accuracy and the integrity of the overall CNC machine tool, and at the same time lay the foundation for improving the CNC turntable in the future.
The paper takes MRNC-255 numerical control turntable as research object and completes the following work:
- Demonstrate the design of the control system of the CNC turntable test stand. Determined the choice of control system and PLC control.
 - Select the hardware of the control system. Including the choice of PLC, pressure sensor and industrial computer selection, bus mode.
 - The use of PLC S7-200 programming software was completed, including PLC control of hydraulic cylinder loading, and adjustment of the force in three directions to simulate static loading of the turntable.
 
The static loading system mainly uses three hydraulic cylinders to carry out simulation loading, and the hydraulic system is adjusted and controlled by the PLC to verify the feasibility of the static loading system.
Key Words: CNC Turntable ;Test Bench ;PLC ;Control System;Hydraulic system
目录
摘要 I
ABSTRACT II
第一章 绪论 1
1.1 课题来源 1
1.2 课题研究背景及意义 1
1.2.1 研究背景 1
1.2.2 研究意义 1
1.3 国内外研究现状 2
1.3.1 数控转台国内外研究现状 2
1.3.2 数控转台国内外发展方向 2
1.4 课题的研究内容 3
第二章 数控回转工作台 4
2.1 数控转台的介绍 4
2.1.1 转台的结构形式 4
2.1.2 转台的分类 4
2.1.3数控转台的工作原理 4
2.2 数控转台试验台待测参数定义 5
2.2.1 数控转台试验标准 5
2.2.2 转台试验台控制参数及控制测点布置 5
2.3 数控转台试验台的结构和工作原理 6
2.3.1 数控转台试验台静态加载系统结构 6
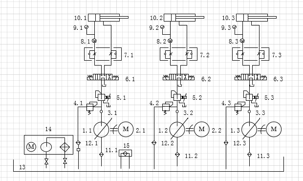
2.3.2 液压加载系统设计 6
2.3.3 控制面板功能 10
2.3.4 液压系统原理 11
2.4常见测控系统的总体设计 12
2.4.1 控制方案选择 12
2.4.2 控制系统硬件结构 12
2.4.3 集成控制系统软件设计 12
2.5 MRNC-255转台试验台控制系统的总体设计 12
2.5.1 控制系统类型选择 12
2.5.2 硬件总体方案 13
2.6 本章小结 13
第三章 硬件设计 14
3.1 转台试验台电气原理图 14
3.1.1 控制面板的电路设计 14
3.1.2 主电路的设计 15
3.2 硬件选型 17
3.2.1 总线选型 17
3.2.2 CPU选型 18
3.2.3 工控机的选型 18
3.2.4 变频器选择 19
3.2.5交流接触器选型 20
3.2.6中间继电器选型 20
3.2.7开关电源选型 21
3.3 相关附件选型 21
3.4 硬件布局图及电气柜的设计 24
3.5 经济性分析 26
3.6 本章小结 27
第四章 控制软件设计 28
4.1 软件设计概况 28
4.1.1 STEP7软件介绍 28
4.1.2 PLC程序流程设计 29
4.1.3 模拟量处理 31
4.2 软件功能实现 33
4.3 软件使用说明 33
4.3.1 软件的安装 33
4.3.2 软件的操作 33
4.5 本章小结 34
第五章 结论与展望 35
5.1 结论 35
5.2 展望 36
参考文献 37
致谢 39
相关图片展示:








        
            
