10万吨年轻油加氢预加氢反应器设计毕业论文
2020-04-15 18:03:44
摘 要
本文首先讲述了预加氢反应器的工作原理及其工作方法,让大家对其有个大致的了解。然后自己通过查找相关文献以及在老师和同学的帮助下,设计了一台10万吨/年轻油加氢预加氢反应器。包含设计了此反应器的关键结构,且围绕为实施了严格的校核。经过核算相关的零部件,明确了各个附件的构成模式,之后借助CAD设计出了对应的加氢反应器装配图与零件图。最后围绕该反应器的部分接管区域开展了有限元应力研究,进而可保证装置的安全性。
关键词:加氢精制;反应器;强度设计;有限元分析
Abstract
This article first describes the working principle and working methods of the pre-hydrogenation reactor, so that everyone has a general understanding. Then, by looking up the relevant literature and with the help of teachers and classmates, I designed a 100,000 tons/young oil hydrogenation prehydrogenation reactor. This includes the design of the main structure of the hydrogenation reactor and its strength check. Through the calculation of the components, the structural types of various accessories were determined, and then the corresponding hydrogenation reactor assembly drawings and parts drawings were drawn using CAD. Finally, the finite element stress analysis was carried out on the local joint of the prehydrogenation reactor to ensure the safety of the equipment.
Key word:Hydrorefining;reactor;Strength design;Finite element analysis
目录
摘 要 I
Abstract II
第一章 绪论 1
1.1研究背景 1
1.2国内外研究现状 1
1.3本课题设计的目的 3
1.4工艺条件 4
1.5 设计任务 4
第二章 预加氢反应器工艺计算 5
2.1预加氢反应器的工作原理 5
2.2物料平衡计算 6
2.3预加氢反应器工艺设计 6
2.4预加氢反应器工艺尺寸确定 7
2.4.1催化剂装填量计算 7
2.4.2反应器容积计算 8
2.4.3反应器直径和高度计算 8
2.4.4催化剂床层高度计算 8
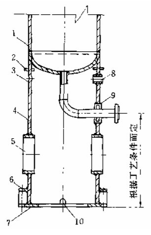
2.4.5反应器进出口接管计算 9
2.4.6压降核算 10
第三章 预加氢反应器结构设计与强度校核 14
3.1预加氢反应器结构设计 14
3.1.1预加氢反应器筒体设计 14
3.1.2预加氢反应器封头设计 15
3.2预加氢反应器强度校核 15
3.2.1预加氢反应器筒体强度校核 15
3.2.2预加氢反应器封头强度校核 16
3.2.3预加氢反应器压力试验校核 16
3.3预加氢反应器零部件设计 17
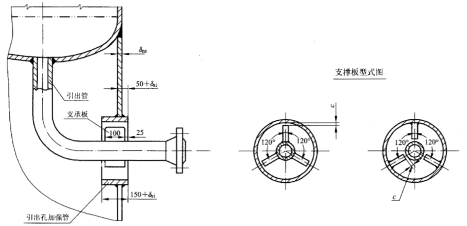
3.3.1接管的设计 17
3.3.2管法兰的确定 18
3.3.3预加氢反应器裙座设计 19
3.3.4吊耳的设计 23
第四章 预加氢反应器有限元分析 24
4.1概述 24
4.2结构设计及其应力分析的计算参数 24
4.3结构分析 25
4.3.1力学模型 25
4.3.2 网格划分 25
4.4有限元应力分析 26
4.4.1加载情况一 26
4.4.2 应力分析结果 27
4.5强度评定 27
4.5.1 设计规范及应力强度确定依据 28
4.5.2强度评定结果 29
4.6线性化结果 29
第五章 预加氢反应器制造和检验 34
5.1预加氢反应器的制造 34
5.2预加氢反应器的检验 34
5.2.1射线检测 34
5.2.2超声波检测 34
5.2.3磁粉检测 35
5.2.4渗透检测 35
第六章 预加氢反应器经济性评价 36
6.1设备价格估算 36
6.2收益计算 37
总结 38
参考文献 39
致谢 41
第一章 绪论
1.1研究背景
能源特别是石油资源在推动社会经济发展过程中的作用巨大。然而,面对世界气候变化、温室效应以及相关法律法规关于节能减排的强制规定,环保日趋严苛,伴随而来的是迫切需要增加燃料油的数量和提升燃料油的质量,尤其是汽油的质量提升。同时,综合世界上主要石油输出国石油质量以及炼厂经济效益两方面,我国很多炼厂选择炼制含硫量较高的重质原油。
在我国大型炼厂中,多采用多种工艺来满足油品的质量要求,例如加氢工艺和脱碳工艺。加氢工艺在炼厂中的地位越来越凸显,加氢在某些方面支撑着炼油工业,对产品质量有重要的提升作用,对原料的适应性也更为广阔。两种广泛应用的工艺过程是加氧裂化以及加氢处理。王国彤,牛贵峰,石伟2016年指出加氢裂化同时发生两种反应,裂化和加氧。加氢裂化进料广泛,主要有减渣、焦化蜡油以及循环油等。加氢处理常用于汽油净化,催化汽油加氢就是汽油净化工艺[14]。
因此,加氢精制可以在劣质油增多变差的情况下,提高油品洁净度,是炼厂普遍采用的技术,也是新技术的发展方向。炼厂装置操作条件以及能耗分析对其经济效益产生极大影响。因此通过模拟与优化,对炼厂加氢精制流程进行分析,提出合理方案具有很大的实际意义。
1.2国内外研究现状
国内由上世纪70年代末逐渐开始应用预加氢反应器的生产方式[5]。第一重型机器厂在2002年首次利用
钢材生产了国内首台锻焊构造的加氢裂化反应器。此设备的设计压力等于
,设计温度等于
,内径为
,切线长度等于
,壁厚
,堆焊层是
与
,其重量达
,为是专门给中石油大连石化分企业所制造的
的特大规模的加氢反应器,在2007年3月此设备被顺利制造出来,安装于大石化。此设备长达达
,外侧的直径是
,为中国自主生产的最大吨位的原油冶炼装置。
目前在化工行业领域广泛应用的预加氢反应器包含固定床反应器与沸腾床反应器[6]两类。
以上是毕业论文大纲或资料介绍,该课题完整毕业论文、开题报告、任务书、程序设计、图纸设计等资料请添加微信获取,微信号:bysjorg。
相关图片展示:









