快开门超临界淬火釜分析与疲劳设计毕业论文
2020-04-15 18:03:32
摘 要
快开门结构以一种广泛使用的快速锁紧装置,化工设备,生物制药等都有应用查核。快开门式超临界淬火釜是压力容器的一种形式,有着方便操作,拆卸,安装,修缮的优点。可有效提高淬火工艺的效率,并满足较高的密封要求和大型零部件的热加工尺寸要求。
针对相应容器以及快开门结构的研究较少的情况,以弹性应力计算准则为基础,确定出主体设备的工艺尺寸,完成相关附件的选择,进行强度校核。在主体设备合格的情况下,针对快开式结构的齿啮式卡箍连接件作出设计,确定结构参数。通过ANSYS软件为主要辅助手段,建立齿啮式卡箍连接部位的模型,分析实际受载情况,施加必要约束与载荷。经有限元网格离散化计算,得到齿啮式卡箍连接结构的应力情况,加以危险截面评定,结果表明设计参数满足强度要求。以经济与分析方法,得出所设计设备的经济效益,验证了工业生产可行性。
关键词:设备设计 齿啮式快开结构 应力分析 疲劳分析 有限元分析
Quick opening door supercritical quenching furnace analysis and fatigue design
Abstract
The quick opening structure is checked by a widely used quick locking device, chemical equipment, biopharmaceutical, etc. The quick-opening type supercritical quenching kettle is a form of pressure vessel, which has the advantages of convenient operation, disassembly, installation and repair. It can effectively improve the efficiency of the quenching process and meet the high sealing requirements and the hot working size requirements of large parts.
According to the research on the corresponding container and the quick-opening structure, based on the elastic stress calculation criterion, the process size of the main equipment is determined, the selection of relevant accessories is completed, and the strength check is performed. In the case where the main equipment is qualified, the design of the toothed clamp coupling of the quick opening structure is made to determine the structural parameters. Through the ANSYS software as the main auxiliary means, the model of the connection part of the toothed clamp is established, the actual load condition is analyzed, and the necessary constraints and loads are applied. Through the finite element mesh discretization calculation, the stress condition of the toothed clamp connection structure is obtained, and the dangerous section is evaluated. The results show that the design parameters meet the strength requirements. Based on the economic and analytical methods, the economic benefits of the designed equipment were obtained, and the feasibility of industrial production was verified.
Key words:Equipment design;Tooth-locked quick-opening structure; Stress analysis; Fatigue analysis ;Finite element analysis
目录
摘 要 I
Abstract II
第一章 绪论 1
1.1 课题概述 1
1.2 现前研究进展 1
第二章 设备整体结构设计 4
2.1 本章引言 4
2.2设备的选型及轮廓计算 4
2.3 压力容器类别确定 5
2.4内筒体以及封头设计 5
2.4.1淬火釜隔热层设计 5
2.4.2材料的选择 5
2.4.3壁厚设计计算 6
2.5 夹套筒体与夹套封头设计 8
2.6淬火釜基本设计数据汇总 10
2.7 接管 11
2.7.1接管选择 11
2.7.2 接管开孔补强 12
2.8 法兰 12
2.9 支座 13
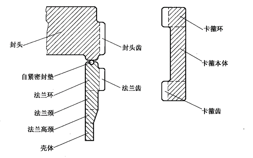
第三章 齿啮式卡箍结构设计 14
3.1 本章引言 14
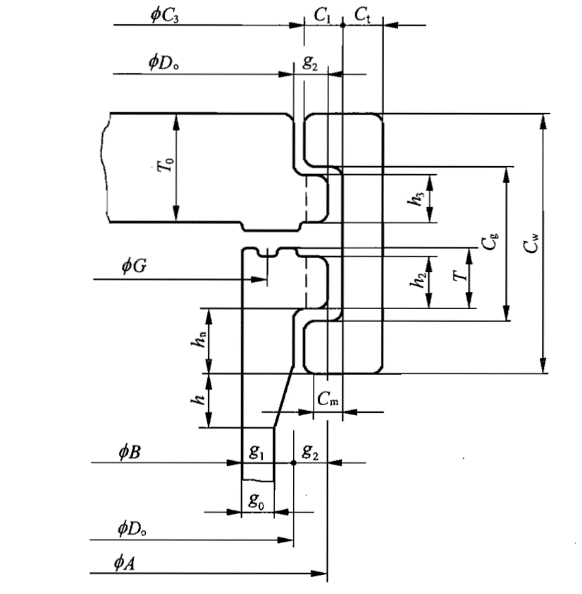
3.2 卡箍结构尺寸设计 14
3.3 卡箍应力分析与校核 17
第四章 卡箍结构ansys分析报告 20
4.1 结构有限元分析 20
4.1.1 理论基础条件 20
4.1.2 有限元模型构建 20
4.1.3 模型网格划分 21
4.1.4 边界约束与载荷 22
4.2 应力分析结果及评定 23
4.3 校核评定结论分析 23
第五章 经济性评定 25
5.1 淬火釜装置的成本估算 25
5.1.1 单元设备的价格估算 25
5.1.2 总投资估算 25
5.2 生产成本费用估算与分析 26
5.3 设备回收和盈利能力分析 27
总结与展望 28
参考文献 30
致谢 32
附录 33
第一章 绪论
1.1 课题概述
快开门淬火釜属于疲劳压力容器[1-2],在石油、化工、化纤行业都有其使用场合。本课题设计的是一台快开门超临界淬火釜,并进行结构应力分析。设计内容包括结构设计、强度计算、有限元应力分析及疲劳分析、施工图设计等。作出设计,并进行优化,是最主要的任务。
其中快开门式结构是指运用于接管,法兰及其他通孔不能满足工艺要求或工件不方便通过场合的一种快速锁紧密封的装置。快开门结构具有操作简单,方便拆卸,开闭[3-4],承压范围广的特点,被广泛使用,小从日常的器具高压锅,消毒柜到大型釜,舱设备。淬火釜需要经常开启关闭,快开门结构运用于淬火釜,能够有效的提高淬火工艺的效率,并满足较高的密封要求[5]和大型零部件的热加工尺寸要求。
以上是毕业论文大纲或资料介绍,该课题完整毕业论文、开题报告、任务书、程序设计、图纸设计等资料请添加微信获取,微信号:bysjorg。
相关图片展示:









