设计压力25巴公称通径400mm法兰连接双缸气动楔式闸阀设计毕业论文
2020-04-15 16:57:00
摘 要
阀门是流体管道的控制装置。随着当代工业的发展,阀门的使用量一直在上升。阀门因各种原因造成的阀门损坏泄漏不仅对环境造成深远的影响,它还会造成严重的材料和产品浪费,有时会造成惨重的安全事件。设计不良是阀门泄漏的最主要因素。由碰撞和划痕引起的泄漏通常是个别现象。从某种意义上说,良好的设计可以避免许多质量问题。
在这次设计中主要对楔式闸阀的工作原理以及楔式闸阀的各种零部件和专用零件进行了解。查阅各种相关标准进行双缸气动楔式闸阀设计选用闸阀最常用的一种结构形式法兰连接直通式。闸阀的设计要对阀体的各个部分进行强度校核,掌握闸阀设计的重点在于密封面的设计。闸阀的中法兰参考标准法兰进行设计,不一定要是标准法兰。闸阀的填料、法兰垫片、阀杆材料及其直径等需要参考一系列的标准来选取,其次阀杆强度校核也是设计中很重要的部分,需要考虑阀杆的最大受力及其各种作用力包括填料和活塞摩擦力等,最后还需要校核其稳定性。
关键词:楔式闸阀 双缸气动 法兰连接 单面强制密封
Abstract
The valve is the control device for the fluid line. With the development of modern industry, more and more valves are used.Valve damage caused by various reasons not only has a profound impact on the environment, it also causes serious material and product waste, sometimes causing heavy safety incidents. Gate valve design is the most important factor in valve leakage. Leaks caused by collisions and scratches are often individual phenomena. In a sense, good design can avoid many quality problems.
In this design, the working principle of the wedge gate valve and the various components and special parts of the wedge gate valve are mainly understood. Refer to various related standards for the design of double cylinder pneumatic wedge gate valve.The design of the gate valve is to check the strength of each part of the valve body. The design of the gate valve is focused on the design of the sealing surface. The middle flange of the gate valve is designed with reference to the standard flange and does not have to be a standard flange.Secondly, it is necessary to calculate and check the wall thickness of the sealing valve body. The medium flange is designed with reference to the standard flange and does not have to be a standard flange. The gate valve packing, flange gasket, stem material and its diameter need to be selected with reference to a series of criteria. Secondly, stem strength check is an important part of the design.It is necessary to consider the maximum force of the valve stem and its respective The forces include filler and piston friction, and finally the stability needs to be checked.
Key Words: Wedge gate valve;Double cylinder pneumatic;Flange connection;Single-sided forced seal
目 录
摘 要 I
Abstract II
第一章 绪论 1
1.1 选题意义 1
1.2 国内外阀门的发展 2
第二章 阀门的设计与计算 3
2.1阀体的功能 3
2.2阀体的选材 3
2.3阀体的结构形式和制造方法 4
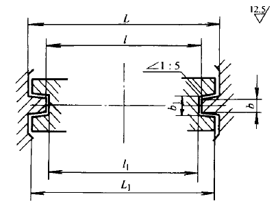
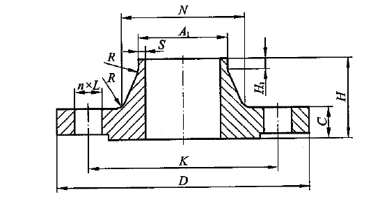
2.4确定阀体的结构长度和连接尺寸 4
2.5结构设计 5
2.6阀体壁厚的设计与计算 7
2.7中法兰的设计与计算 7
第三章 闸板的设计与计算 13
3.1闸板密封面宽度和内径的选取 13
3.2闸板与阀体档宽及相应公差的计算 13
3.3闸板的主要结构尺寸 14
3.4闸板密封面比压计算 15
3.5校核闸板的强度 15
第四章 阀杆的计算 16
4.1阀杆总轴向力 16
4.2阀杆的直径估算 17
4.3阀杆的强度校核 17
4.4阀杆的稳定性校核 19
4.5阀杆主要尺寸的确定 20
第五章 阀盖与填料装置的设计与计算 22
5.1阀盖的设计 22
5.2填料压盖的设计 23
5.3上密封座尺寸 28
第六章 气缸的设计与计算 29
6.1气缸的直径粗估算与选取 29
6.2气缸的校核 29
第七章 其他零件的设计 31
7.1滚动轴承的选取 31
7.2手轮直径的确定 31
7.3阀杆螺母的校核 31
7.4上活塞与T型槽接头连接螺栓的校核 32
第八章 经济性分析 33
总结 34
参考文献 35
致谢 37
第一章 绪论
- 选题意义
阀门是流体管道的控制装置。随着当代工业的发展,阀门的使用量一直在上升。阀门因各种原因造成的阀门损坏泄漏不仅对环境造成深远的影响,它还会造成严重的材料和产品浪费,有时会造成惨重的安全事件。设计不良是阀门泄漏的最主要因素。由碰撞和划痕引起的泄漏通常是个别现象。从某种意义上说,良好的设计可以避免许多质量问题[1]。
随着中国经济的快速发展,阀门行业发生了重大变革,产品质量得到了很大改善。经过国家一系列组织调整后,核电阀门的定位已经在阀门行业的发展中形成,产品种类繁多,目前许多阀门设计制造公司都有能力生产技术要求更高的阀门。
以上是毕业论文大纲或资料介绍,该课题完整毕业论文、开题报告、任务书、程序设计、图纸设计等资料请添加微信获取,微信号:bysjorg。
相关图片展示:









